What Does Amp Error Mean On A Pioneer . Connect the amp to the ac 120v. Only way to get it to reboot is to turn the car off, and. Just received this error message on my pioneer display and the amp shuts off. In today’s article, we’ll provide. If not, test r616 restarting from the unplugged. If you own or have used a pioneer amp before, then you might have come across the pioneer amp error. If there's dc volts, that amp is bad. I have an old pioneer vsx d711 i keep getting amp errors even after unplugging it for more than 24 hours to reset it. So what does amp error mean on a pioneer radio?
from electronicshelponline.blogspot.com
If you own or have used a pioneer amp before, then you might have come across the pioneer amp error. So what does amp error mean on a pioneer radio? In today’s article, we’ll provide. If there's dc volts, that amp is bad. If not, test r616 restarting from the unplugged. Just received this error message on my pioneer display and the amp shuts off. Connect the amp to the ac 120v. Only way to get it to reboot is to turn the car off, and. I have an old pioneer vsx d711 i keep getting amp errors even after unplugging it for more than 24 hours to reset it.
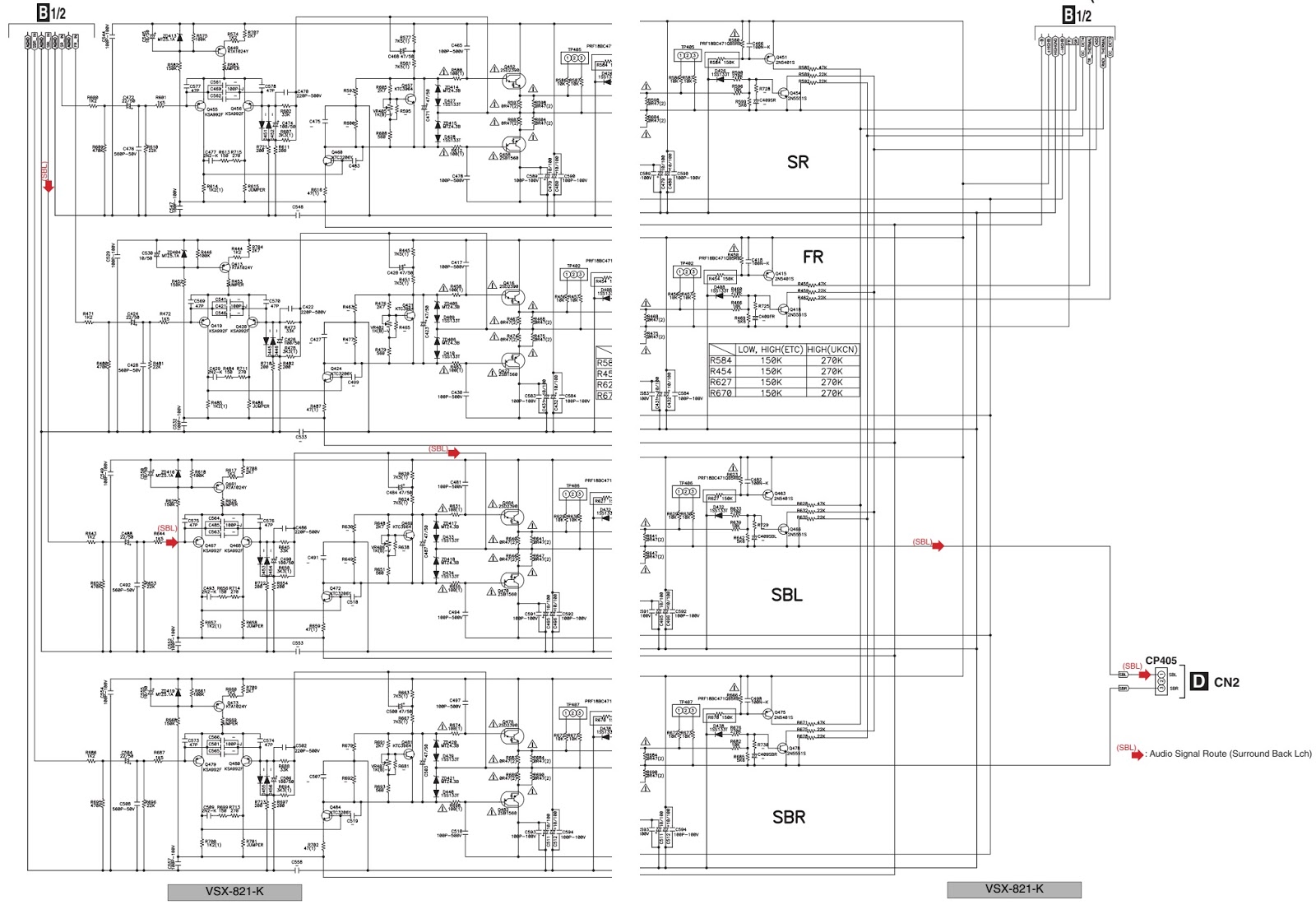
Electro help How to enter the service mode Pioneer VSX821, VSX521
What Does Amp Error Mean On A Pioneer If there's dc volts, that amp is bad. I have an old pioneer vsx d711 i keep getting amp errors even after unplugging it for more than 24 hours to reset it. So what does amp error mean on a pioneer radio? Connect the amp to the ac 120v. If not, test r616 restarting from the unplugged. Just received this error message on my pioneer display and the amp shuts off. Only way to get it to reboot is to turn the car off, and. In today’s article, we’ll provide. If there's dc volts, that amp is bad. If you own or have used a pioneer amp before, then you might have come across the pioneer amp error.
From www.pinterest.com
Pioneer Air Conditioner AC Mini Split ERROR CODES And Troubleshooting What Does Amp Error Mean On A Pioneer Only way to get it to reboot is to turn the car off, and. If there's dc volts, that amp is bad. If you own or have used a pioneer amp before, then you might have come across the pioneer amp error. If not, test r616 restarting from the unplugged. Connect the amp to the ac 120v. I have an. What Does Amp Error Mean On A Pioneer.
From www.victoriana.com
Folgen Schritt unvollständig pioneer autoradio amp error Hunger What Does Amp Error Mean On A Pioneer If not, test r616 restarting from the unplugged. Just received this error message on my pioneer display and the amp shuts off. In today’s article, we’ll provide. If you own or have used a pioneer amp before, then you might have come across the pioneer amp error. So what does amp error mean on a pioneer radio? If there's dc. What Does Amp Error Mean On A Pioneer.
From bslabs.net
bs_labs Fixing AMP OVERHEAT error on the Pioneer VSX 1020 What Does Amp Error Mean On A Pioneer In today’s article, we’ll provide. If you own or have used a pioneer amp before, then you might have come across the pioneer amp error. So what does amp error mean on a pioneer radio? If not, test r616 restarting from the unplugged. If there's dc volts, that amp is bad. Only way to get it to reboot is to. What Does Amp Error Mean On A Pioneer.
From removeandreplace.com
Pioneer Air Conditioner AC Mini Split ERROR CODES And Troubleshooting What Does Amp Error Mean On A Pioneer I have an old pioneer vsx d711 i keep getting amp errors even after unplugging it for more than 24 hours to reset it. Connect the amp to the ac 120v. If not, test r616 restarting from the unplugged. In today’s article, we’ll provide. If there's dc volts, that amp is bad. If you own or have used a pioneer. What Does Amp Error Mean On A Pioneer.
From electronicshelponline.blogspot.com
Electro help How to enter the service mode Pioneer VSX821, VSX521 What Does Amp Error Mean On A Pioneer I have an old pioneer vsx d711 i keep getting amp errors even after unplugging it for more than 24 hours to reset it. In today’s article, we’ll provide. Connect the amp to the ac 120v. So what does amp error mean on a pioneer radio? If you own or have used a pioneer amp before, then you might have. What Does Amp Error Mean On A Pioneer.
From bslabs.net
bs_labs Fixing AMP OVERHEAT error on the Pioneer VSX 1020 What Does Amp Error Mean On A Pioneer In today’s article, we’ll provide. If you own or have used a pioneer amp before, then you might have come across the pioneer amp error. Only way to get it to reboot is to turn the car off, and. If there's dc volts, that amp is bad. I have an old pioneer vsx d711 i keep getting amp errors even. What Does Amp Error Mean On A Pioneer.
From www.youtube.com
Pioneer DEH1580UB "amp error" adaptando PAL012 pelo TDA7560 YouTube What Does Amp Error Mean On A Pioneer So what does amp error mean on a pioneer radio? Connect the amp to the ac 120v. Only way to get it to reboot is to turn the car off, and. If there's dc volts, that amp is bad. I have an old pioneer vsx d711 i keep getting amp errors even after unplugging it for more than 24 hours. What Does Amp Error Mean On A Pioneer.
From www.reddit.com
Help! Pioneer SPHDA160DAB AMP Overload Error r/CarAV What Does Amp Error Mean On A Pioneer Only way to get it to reboot is to turn the car off, and. So what does amp error mean on a pioneer radio? Just received this error message on my pioneer display and the amp shuts off. If there's dc volts, that amp is bad. I have an old pioneer vsx d711 i keep getting amp errors even after. What Does Amp Error Mean On A Pioneer.
From bslabs.net
bs_labs Fixing AMP OVERHEAT error on the Pioneer VSX 1020 What Does Amp Error Mean On A Pioneer I have an old pioneer vsx d711 i keep getting amp errors even after unplugging it for more than 24 hours to reset it. So what does amp error mean on a pioneer radio? If not, test r616 restarting from the unplugged. Just received this error message on my pioneer display and the amp shuts off. Connect the amp to. What Does Amp Error Mean On A Pioneer.
From www.youtube.com
PIONEER radio AMP ERROR code DIY quick FIX AVH1300NEX YouTube What Does Amp Error Mean On A Pioneer Only way to get it to reboot is to turn the car off, and. If there's dc volts, that amp is bad. Connect the amp to the ac 120v. Just received this error message on my pioneer display and the amp shuts off. If not, test r616 restarting from the unplugged. I have an old pioneer vsx d711 i keep. What Does Amp Error Mean On A Pioneer.
From www.yoreparo.com
Pioneer AVHX1500DVD AMP ERROR YoReparo What Does Amp Error Mean On A Pioneer Just received this error message on my pioneer display and the amp shuts off. Only way to get it to reboot is to turn the car off, and. Connect the amp to the ac 120v. If you own or have used a pioneer amp before, then you might have come across the pioneer amp error. In today’s article, we’ll provide.. What Does Amp Error Mean On A Pioneer.
From masterelectronicsrepair.blogspot.com
Master Electronics Repair ! HOW TO ENTER THE SERVICE MODE PIONEER What Does Amp Error Mean On A Pioneer Connect the amp to the ac 120v. In today’s article, we’ll provide. If there's dc volts, that amp is bad. If not, test r616 restarting from the unplugged. So what does amp error mean on a pioneer radio? Just received this error message on my pioneer display and the amp shuts off. I have an old pioneer vsx d711 i. What Does Amp Error Mean On A Pioneer.
From www.youtube.com
Pioneer MVHX168UI como tirar amp error YouTube What Does Amp Error Mean On A Pioneer Connect the amp to the ac 120v. If not, test r616 restarting from the unplugged. I have an old pioneer vsx d711 i keep getting amp errors even after unplugging it for more than 24 hours to reset it. Just received this error message on my pioneer display and the amp shuts off. So what does amp error mean on. What Does Amp Error Mean On A Pioneer.
From electronicshelponline.blogspot.com
Electro help How to enter the service mode Pioneer VSX821, VSX521 What Does Amp Error Mean On A Pioneer If not, test r616 restarting from the unplugged. So what does amp error mean on a pioneer radio? If there's dc volts, that amp is bad. If you own or have used a pioneer amp before, then you might have come across the pioneer amp error. Only way to get it to reboot is to turn the car off, and.. What Does Amp Error Mean On A Pioneer.
From www.youtube.com
(RESOLVIDO) Pioneer AMP ERROR YouTube What Does Amp Error Mean On A Pioneer Connect the amp to the ac 120v. In today’s article, we’ll provide. Just received this error message on my pioneer display and the amp shuts off. Only way to get it to reboot is to turn the car off, and. If not, test r616 restarting from the unplugged. If there's dc volts, that amp is bad. So what does amp. What Does Amp Error Mean On A Pioneer.
From bslabs.net
bs_labs Fixing AMP OVERHEAT error on the Pioneer VSX 1020 What Does Amp Error Mean On A Pioneer So what does amp error mean on a pioneer radio? If you own or have used a pioneer amp before, then you might have come across the pioneer amp error. Only way to get it to reboot is to turn the car off, and. If not, test r616 restarting from the unplugged. Connect the amp to the ac 120v. I. What Does Amp Error Mean On A Pioneer.
From ampboss.com
How To Fix Pioneer Amp Error What Does Amp Error Mean On A Pioneer If not, test r616 restarting from the unplugged. If there's dc volts, that amp is bad. Connect the amp to the ac 120v. If you own or have used a pioneer amp before, then you might have come across the pioneer amp error. In today’s article, we’ll provide. So what does amp error mean on a pioneer radio? Only way. What Does Amp Error Mean On A Pioneer.
From www.elektroda.pl
Amp Error w Pioneer MVH 280 FD wyłącza się po 20 min, co robić? What Does Amp Error Mean On A Pioneer If not, test r616 restarting from the unplugged. I have an old pioneer vsx d711 i keep getting amp errors even after unplugging it for more than 24 hours to reset it. If there's dc volts, that amp is bad. Just received this error message on my pioneer display and the amp shuts off. Only way to get it to. What Does Amp Error Mean On A Pioneer.
From www.youtube.com
Dos formas de como quitar AMP ERROR al radio pioneer YouTube What Does Amp Error Mean On A Pioneer Just received this error message on my pioneer display and the amp shuts off. If not, test r616 restarting from the unplugged. So what does amp error mean on a pioneer radio? I have an old pioneer vsx d711 i keep getting amp errors even after unplugging it for more than 24 hours to reset it. If you own or. What Does Amp Error Mean On A Pioneer.
From www.youtube.com
como🔥RESOLVER AMP ERROR de PIONEER😍 YouTube What Does Amp Error Mean On A Pioneer I have an old pioneer vsx d711 i keep getting amp errors even after unplugging it for more than 24 hours to reset it. Just received this error message on my pioneer display and the amp shuts off. If not, test r616 restarting from the unplugged. So what does amp error mean on a pioneer radio? In today’s article, we’ll. What Does Amp Error Mean On A Pioneer.
From electronicshelponline.blogspot.com
Electro help How to enter the service mode Pioneer VSX821, VSX521 What Does Amp Error Mean On A Pioneer Only way to get it to reboot is to turn the car off, and. So what does amp error mean on a pioneer radio? In today’s article, we’ll provide. I have an old pioneer vsx d711 i keep getting amp errors even after unplugging it for more than 24 hours to reset it. Connect the amp to the ac 120v.. What Does Amp Error Mean On A Pioneer.
From electronicshelponline.blogspot.com
Electro help Pioneer CD RDS RECEIVER DEH2350UB Error codes, Service What Does Amp Error Mean On A Pioneer If there's dc volts, that amp is bad. If you own or have used a pioneer amp before, then you might have come across the pioneer amp error. Just received this error message on my pioneer display and the amp shuts off. If not, test r616 restarting from the unplugged. In today’s article, we’ll provide. I have an old pioneer. What Does Amp Error Mean On A Pioneer.
From www.pinterest.com
Pioneer Air Conditioner AC Mini Split ERROR CODES And Troubleshooting What Does Amp Error Mean On A Pioneer If you own or have used a pioneer amp before, then you might have come across the pioneer amp error. I have an old pioneer vsx d711 i keep getting amp errors even after unplugging it for more than 24 hours to reset it. Just received this error message on my pioneer display and the amp shuts off. If not,. What Does Amp Error Mean On A Pioneer.
From electronicshelponline.blogspot.com
Electro help How to enter the service mode Pioneer VSX821, VSX521 What Does Amp Error Mean On A Pioneer I have an old pioneer vsx d711 i keep getting amp errors even after unplugging it for more than 24 hours to reset it. Connect the amp to the ac 120v. Only way to get it to reboot is to turn the car off, and. If not, test r616 restarting from the unplugged. Just received this error message on my. What Does Amp Error Mean On A Pioneer.
From how-to-install-car-audio-systems.blogspot.com
How To Fix Pioneer Car Stereo Memory Full Pairing Problem How To What Does Amp Error Mean On A Pioneer In today’s article, we’ll provide. I have an old pioneer vsx d711 i keep getting amp errors even after unplugging it for more than 24 hours to reset it. If there's dc volts, that amp is bad. Just received this error message on my pioneer display and the amp shuts off. Only way to get it to reboot is to. What Does Amp Error Mean On A Pioneer.
From www.youtube.com
Como Consertei DVD Pioneer 3 Polegadas DVH8580AVBT Amp Error ou Erro What Does Amp Error Mean On A Pioneer Only way to get it to reboot is to turn the car off, and. I have an old pioneer vsx d711 i keep getting amp errors even after unplugging it for more than 24 hours to reset it. So what does amp error mean on a pioneer radio? If not, test r616 restarting from the unplugged. If there's dc volts,. What Does Amp Error Mean On A Pioneer.
From www.youtube.com
AMP ERROR ou ERROR11 no rádio Pioneer o que fazer ; UPMOTORS YouTube What Does Amp Error Mean On A Pioneer If not, test r616 restarting from the unplugged. If you own or have used a pioneer amp before, then you might have come across the pioneer amp error. Connect the amp to the ac 120v. In today’s article, we’ll provide. Just received this error message on my pioneer display and the amp shuts off. I have an old pioneer vsx. What Does Amp Error Mean On A Pioneer.
From www.youtube.com
Pioneer amp error problem / solve amp error in hindi 100 with out any What Does Amp Error Mean On A Pioneer Connect the amp to the ac 120v. So what does amp error mean on a pioneer radio? I have an old pioneer vsx d711 i keep getting amp errors even after unplugging it for more than 24 hours to reset it. Just received this error message on my pioneer display and the amp shuts off. If there's dc volts, that. What Does Amp Error Mean On A Pioneer.
From electronicshelponline.blogspot.com
Electro help How to enter the service mode Pioneer VSX821, VSX521 What Does Amp Error Mean On A Pioneer If not, test r616 restarting from the unplugged. If there's dc volts, that amp is bad. Only way to get it to reboot is to turn the car off, and. If you own or have used a pioneer amp before, then you might have come across the pioneer amp error. Just received this error message on my pioneer display and. What Does Amp Error Mean On A Pioneer.
From www.youtube.com
Error amplifier design and simulation LT spice YouTube What Does Amp Error Mean On A Pioneer I have an old pioneer vsx d711 i keep getting amp errors even after unplugging it for more than 24 hours to reset it. Connect the amp to the ac 120v. Only way to get it to reboot is to turn the car off, and. Just received this error message on my pioneer display and the amp shuts off. If. What Does Amp Error Mean On A Pioneer.
From www.victoriana.com
Folgen Schritt unvollständig pioneer autoradio amp error Hunger What Does Amp Error Mean On A Pioneer So what does amp error mean on a pioneer radio? In today’s article, we’ll provide. If there's dc volts, that amp is bad. Only way to get it to reboot is to turn the car off, and. Just received this error message on my pioneer display and the amp shuts off. If you own or have used a pioneer amp. What Does Amp Error Mean On A Pioneer.
From www.youtube.com
Ошибка усилителя "Error AMP "Pioneer DEN1500UB,Устранение проблемы What Does Amp Error Mean On A Pioneer If there's dc volts, that amp is bad. Connect the amp to the ac 120v. I have an old pioneer vsx d711 i keep getting amp errors even after unplugging it for more than 24 hours to reset it. If you own or have used a pioneer amp before, then you might have come across the pioneer amp error. Just. What Does Amp Error Mean On A Pioneer.
From www.youtube.com
Pioneer CDJ 2000 E8709 communication error Wait YouTube What Does Amp Error Mean On A Pioneer So what does amp error mean on a pioneer radio? Just received this error message on my pioneer display and the amp shuts off. If there's dc volts, that amp is bad. In today’s article, we’ll provide. If not, test r616 restarting from the unplugged. I have an old pioneer vsx d711 i keep getting amp errors even after unplugging. What Does Amp Error Mean On A Pioneer.
From www.youtube.com
Pioneer DEHX1650UB dando amp error, como puxar saída de áudio. YouTube What Does Amp Error Mean On A Pioneer If you own or have used a pioneer amp before, then you might have come across the pioneer amp error. So what does amp error mean on a pioneer radio? I have an old pioneer vsx d711 i keep getting amp errors even after unplugging it for more than 24 hours to reset it. Only way to get it to. What Does Amp Error Mean On A Pioneer.
From www.rs25.com
Installed Pioneer DEH150MP & it says "AMP ERROR" Subaru Impreza GC8 What Does Amp Error Mean On A Pioneer Only way to get it to reboot is to turn the car off, and. If there's dc volts, that amp is bad. In today’s article, we’ll provide. If not, test r616 restarting from the unplugged. I have an old pioneer vsx d711 i keep getting amp errors even after unplugging it for more than 24 hours to reset it. So. What Does Amp Error Mean On A Pioneer.