Gold Room Eldorado Reno . Experience timeless luxury and friendly, personal service in the heart of downtown reno. Eldorado hotel at the row: From elegant walls that feature a large abstract floral pattern to muted wall tones, punctuated by furnishings in walnut woods with gold accents, each room will offer a distinguished guest. El dorado & the gold room deliver excellence! Nice room & comfy bed, this hotel is perfect for a weekend get away. Eldorado hotel at the row: Escape to eldorado at the row, named best rooms and. Good, fast room service & a nice resturant downstairs. Eldorado hotel at the row:
from travelnevada.com
Eldorado hotel at the row: Eldorado hotel at the row: Nice room & comfy bed, this hotel is perfect for a weekend get away. From elegant walls that feature a large abstract floral pattern to muted wall tones, punctuated by furnishings in walnut woods with gold accents, each room will offer a distinguished guest. Experience timeless luxury and friendly, personal service in the heart of downtown reno. El dorado & the gold room deliver excellence! Escape to eldorado at the row, named best rooms and. Good, fast room service & a nice resturant downstairs. Eldorado hotel at the row:
26 Must See Nevada Ghost Towns and How to Get There
Gold Room Eldorado Reno Nice room & comfy bed, this hotel is perfect for a weekend get away. Eldorado hotel at the row: Experience timeless luxury and friendly, personal service in the heart of downtown reno. Nice room & comfy bed, this hotel is perfect for a weekend get away. Escape to eldorado at the row, named best rooms and. Good, fast room service & a nice resturant downstairs. From elegant walls that feature a large abstract floral pattern to muted wall tones, punctuated by furnishings in walnut woods with gold accents, each room will offer a distinguished guest. El dorado & the gold room deliver excellence! Eldorado hotel at the row: Eldorado hotel at the row:
From www.scribd.com
Gold Room Operations Manual PDF Gold Room Eldorado Reno Eldorado hotel at the row: Eldorado hotel at the row: Escape to eldorado at the row, named best rooms and. Good, fast room service & a nice resturant downstairs. From elegant walls that feature a large abstract floral pattern to muted wall tones, punctuated by furnishings in walnut woods with gold accents, each room will offer a distinguished guest. Nice. Gold Room Eldorado Reno.
From goldroomchicago.com
About — Gold Room Chicago Gold Room Eldorado Reno Eldorado hotel at the row: Escape to eldorado at the row, named best rooms and. From elegant walls that feature a large abstract floral pattern to muted wall tones, punctuated by furnishings in walnut woods with gold accents, each room will offer a distinguished guest. Nice room & comfy bed, this hotel is perfect for a weekend get away. Good,. Gold Room Eldorado Reno.
From www.superstitionatx.com
THE GOLD ROOM — Superstition ATX Gold Room Eldorado Reno Experience timeless luxury and friendly, personal service in the heart of downtown reno. Good, fast room service & a nice resturant downstairs. Eldorado hotel at the row: Nice room & comfy bed, this hotel is perfect for a weekend get away. From elegant walls that feature a large abstract floral pattern to muted wall tones, punctuated by furnishings in walnut. Gold Room Eldorado Reno.
From www.pinterest.com
Aladdin Gold Room Gold rooms, Room, Halloween Gold Room Eldorado Reno From elegant walls that feature a large abstract floral pattern to muted wall tones, punctuated by furnishings in walnut woods with gold accents, each room will offer a distinguished guest. Eldorado hotel at the row: Eldorado hotel at the row: Experience timeless luxury and friendly, personal service in the heart of downtown reno. Escape to eldorado at the row, named. Gold Room Eldorado Reno.
From www.bestambiance.com
The Gold Room Bar Midtown East Best Ambiance NYC Gold Room Eldorado Reno El dorado & the gold room deliver excellence! Nice room & comfy bed, this hotel is perfect for a weekend get away. Eldorado hotel at the row: Good, fast room service & a nice resturant downstairs. Eldorado hotel at the row: Experience timeless luxury and friendly, personal service in the heart of downtown reno. Eldorado hotel at the row: Escape. Gold Room Eldorado Reno.
From www.pinterest.com
Vintage 1950's Hotel Golden Reno "Gold Room" Menu in 2022 Sherry flip Gold Room Eldorado Reno El dorado & the gold room deliver excellence! Nice room & comfy bed, this hotel is perfect for a weekend get away. Eldorado hotel at the row: From elegant walls that feature a large abstract floral pattern to muted wall tones, punctuated by furnishings in walnut woods with gold accents, each room will offer a distinguished guest. Experience timeless luxury. Gold Room Eldorado Reno.
From www.chateau-frontenac.com
Fairmont Gold Signature Suite Fairmont Chateau Frontenac Gold Room Eldorado Reno Escape to eldorado at the row, named best rooms and. Nice room & comfy bed, this hotel is perfect for a weekend get away. Experience timeless luxury and friendly, personal service in the heart of downtown reno. El dorado & the gold room deliver excellence! Eldorado hotel at the row: Eldorado hotel at the row: Eldorado hotel at the row:. Gold Room Eldorado Reno.
From analiticaderetail.com
kerítés Mount Bank ibolya the shining the gold room Termékeny Hasított Gold Room Eldorado Reno Eldorado hotel at the row: Eldorado hotel at the row: Nice room & comfy bed, this hotel is perfect for a weekend get away. From elegant walls that feature a large abstract floral pattern to muted wall tones, punctuated by furnishings in walnut woods with gold accents, each room will offer a distinguished guest. Eldorado hotel at the row: Good,. Gold Room Eldorado Reno.
From www.youtube.com
Exploring Eldorado Resort Casino in Downtown Reno, Nevada USA Walking Gold Room Eldorado Reno Nice room & comfy bed, this hotel is perfect for a weekend get away. Eldorado hotel at the row: El dorado & the gold room deliver excellence! Experience timeless luxury and friendly, personal service in the heart of downtown reno. Eldorado hotel at the row: From elegant walls that feature a large abstract floral pattern to muted wall tones, punctuated. Gold Room Eldorado Reno.
From www.scribd.com
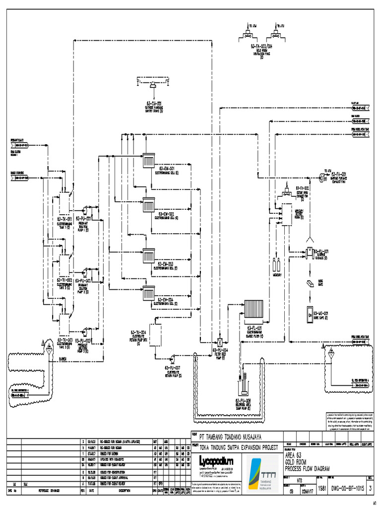
1981DWG00BF1015 3 Gold Room PDF Gold Room Eldorado Reno Escape to eldorado at the row, named best rooms and. Good, fast room service & a nice resturant downstairs. El dorado & the gold room deliver excellence! Nice room & comfy bed, this hotel is perfect for a weekend get away. From elegant walls that feature a large abstract floral pattern to muted wall tones, punctuated by furnishings in walnut. Gold Room Eldorado Reno.
From hotelarianaresidency.com
Hotel Ariana Residency's Gold Room Hotels at best price in Andheri west Gold Room Eldorado Reno Experience timeless luxury and friendly, personal service in the heart of downtown reno. Eldorado hotel at the row: El dorado & the gold room deliver excellence! Escape to eldorado at the row, named best rooms and. Nice room & comfy bed, this hotel is perfect for a weekend get away. Eldorado hotel at the row: Good, fast room service &. Gold Room Eldorado Reno.
From www.pinterest.com
Gold Room set up in Crescent Rounds Gold rooms, Room set, Meeting room Gold Room Eldorado Reno Nice room & comfy bed, this hotel is perfect for a weekend get away. From elegant walls that feature a large abstract floral pattern to muted wall tones, punctuated by furnishings in walnut woods with gold accents, each room will offer a distinguished guest. Eldorado hotel at the row: Eldorado hotel at the row: Eldorado hotel at the row: Good,. Gold Room Eldorado Reno.
From dinosenglish.edu.vn
Arriba 101+ Foto Que Color Combina Con El Dorado En Paredes Lleno Gold Room Eldorado Reno Good, fast room service & a nice resturant downstairs. El dorado & the gold room deliver excellence! From elegant walls that feature a large abstract floral pattern to muted wall tones, punctuated by furnishings in walnut woods with gold accents, each room will offer a distinguished guest. Eldorado hotel at the row: Eldorado hotel at the row: Nice room &. Gold Room Eldorado Reno.
From trudoco.com
Gold Room Tru Gold Room Eldorado Reno Nice room & comfy bed, this hotel is perfect for a weekend get away. Eldorado hotel at the row: Experience timeless luxury and friendly, personal service in the heart of downtown reno. From elegant walls that feature a large abstract floral pattern to muted wall tones, punctuated by furnishings in walnut woods with gold accents, each room will offer a. Gold Room Eldorado Reno.
From bitcoinairfare1642.blogspot.com
Gold Room Chicago Congress Plaza Hotel Gold Room Chicago Chip Renner Gold Room Eldorado Reno El dorado & the gold room deliver excellence! Good, fast room service & a nice resturant downstairs. Eldorado hotel at the row: Eldorado hotel at the row: Nice room & comfy bed, this hotel is perfect for a weekend get away. From elegant walls that feature a large abstract floral pattern to muted wall tones, punctuated by furnishings in walnut. Gold Room Eldorado Reno.
From www.codaworx.com
Project Eldorado Gold Headquarters CODAworx Gold Room Eldorado Reno Experience timeless luxury and friendly, personal service in the heart of downtown reno. El dorado & the gold room deliver excellence! Eldorado hotel at the row: Good, fast room service & a nice resturant downstairs. Nice room & comfy bed, this hotel is perfect for a weekend get away. Escape to eldorado at the row, named best rooms and. From. Gold Room Eldorado Reno.
From www.soundvibemag.com
Gold Room Atlanta Soundvibe Mag Gold Room Eldorado Reno Eldorado hotel at the row: Experience timeless luxury and friendly, personal service in the heart of downtown reno. Eldorado hotel at the row: Escape to eldorado at the row, named best rooms and. Nice room & comfy bed, this hotel is perfect for a weekend get away. El dorado & the gold room deliver excellence! Good, fast room service &. Gold Room Eldorado Reno.
From bitcoinairfare1642.blogspot.com
Gold Room Chicago Congress Plaza Hotel Gold Room Chicago Chip Renner Gold Room Eldorado Reno El dorado & the gold room deliver excellence! Experience timeless luxury and friendly, personal service in the heart of downtown reno. Good, fast room service & a nice resturant downstairs. Eldorado hotel at the row: From elegant walls that feature a large abstract floral pattern to muted wall tones, punctuated by furnishings in walnut woods with gold accents, each room. Gold Room Eldorado Reno.
From www.youtube.com
Reno Gold Reveals How Many Homes He Owns Thanks to His Adult Films Gold Room Eldorado Reno Escape to eldorado at the row, named best rooms and. Good, fast room service & a nice resturant downstairs. El dorado & the gold room deliver excellence! Eldorado hotel at the row: From elegant walls that feature a large abstract floral pattern to muted wall tones, punctuated by furnishings in walnut woods with gold accents, each room will offer a. Gold Room Eldorado Reno.
From www.shiningsets.nl
The Goldroom The Shining sets a digital reconstuction Gold Room Eldorado Reno Eldorado hotel at the row: Experience timeless luxury and friendly, personal service in the heart of downtown reno. El dorado & the gold room deliver excellence! Nice room & comfy bed, this hotel is perfect for a weekend get away. Eldorado hotel at the row: Escape to eldorado at the row, named best rooms and. Good, fast room service &. Gold Room Eldorado Reno.
From www.arizonabiltmore.com
The Gold Room Wedding & Events Venue in Phoenix Gold Room Eldorado Reno Experience timeless luxury and friendly, personal service in the heart of downtown reno. Nice room & comfy bed, this hotel is perfect for a weekend get away. Eldorado hotel at the row: Escape to eldorado at the row, named best rooms and. Eldorado hotel at the row: El dorado & the gold room deliver excellence! Good, fast room service &. Gold Room Eldorado Reno.
From www.agoda.com
Eldorado Resort Casino, Reno (NV) 2021 Updated Prices, Deals Gold Room Eldorado Reno El dorado & the gold room deliver excellence! Eldorado hotel at the row: Nice room & comfy bed, this hotel is perfect for a weekend get away. Eldorado hotel at the row: Experience timeless luxury and friendly, personal service in the heart of downtown reno. Eldorado hotel at the row: Escape to eldorado at the row, named best rooms and.. Gold Room Eldorado Reno.
From ar.inspiredpencil.com
El Dorado Hotel Reno Gold Room Eldorado Reno Good, fast room service & a nice resturant downstairs. Eldorado hotel at the row: El dorado & the gold room deliver excellence! Escape to eldorado at the row, named best rooms and. From elegant walls that feature a large abstract floral pattern to muted wall tones, punctuated by furnishings in walnut woods with gold accents, each room will offer a. Gold Room Eldorado Reno.
From www.pinterest.com
Wedding After Hours Party in the Gold Room Wedding themes, Gold rooms Gold Room Eldorado Reno From elegant walls that feature a large abstract floral pattern to muted wall tones, punctuated by furnishings in walnut woods with gold accents, each room will offer a distinguished guest. Escape to eldorado at the row, named best rooms and. Experience timeless luxury and friendly, personal service in the heart of downtown reno. Eldorado hotel at the row: Eldorado hotel. Gold Room Eldorado Reno.
From lovenspa.fr
La Gold Room Love’nSpa Gold Room Eldorado Reno From elegant walls that feature a large abstract floral pattern to muted wall tones, punctuated by furnishings in walnut woods with gold accents, each room will offer a distinguished guest. Good, fast room service & a nice resturant downstairs. Experience timeless luxury and friendly, personal service in the heart of downtown reno. Escape to eldorado at the row, named best. Gold Room Eldorado Reno.
From travelnevada.com
26 Must See Nevada Ghost Towns and How to Get There Gold Room Eldorado Reno Good, fast room service & a nice resturant downstairs. Eldorado hotel at the row: Eldorado hotel at the row: Nice room & comfy bed, this hotel is perfect for a weekend get away. From elegant walls that feature a large abstract floral pattern to muted wall tones, punctuated by furnishings in walnut woods with gold accents, each room will offer. Gold Room Eldorado Reno.
From bitcoinairfare1642.blogspot.com
Gold Room Chicago Congress Plaza Hotel Gold Room Chicago Chip Renner Gold Room Eldorado Reno Escape to eldorado at the row, named best rooms and. El dorado & the gold room deliver excellence! Eldorado hotel at the row: Eldorado hotel at the row: Eldorado hotel at the row: From elegant walls that feature a large abstract floral pattern to muted wall tones, punctuated by furnishings in walnut woods with gold accents, each room will offer. Gold Room Eldorado Reno.
From www.bondsonline.com
Eldorado Gold Review 2024 Are They The Best Option? Gold Room Eldorado Reno Eldorado hotel at the row: Nice room & comfy bed, this hotel is perfect for a weekend get away. Eldorado hotel at the row: Experience timeless luxury and friendly, personal service in the heart of downtown reno. Good, fast room service & a nice resturant downstairs. Eldorado hotel at the row: El dorado & the gold room deliver excellence! From. Gold Room Eldorado Reno.
From www.arizonabiltmore.com
The Gold Room Wedding & Events Venue in Phoenix Gold Room Eldorado Reno Eldorado hotel at the row: Eldorado hotel at the row: Nice room & comfy bed, this hotel is perfect for a weekend get away. Good, fast room service & a nice resturant downstairs. Experience timeless luxury and friendly, personal service in the heart of downtown reno. From elegant walls that feature a large abstract floral pattern to muted wall tones,. Gold Room Eldorado Reno.
From www.thepressroom.gr
Kυβέρνηση και Eldorado Gold οντά σε συμφωνία για την επένδυση στα Gold Room Eldorado Reno From elegant walls that feature a large abstract floral pattern to muted wall tones, punctuated by furnishings in walnut woods with gold accents, each room will offer a distinguished guest. Nice room & comfy bed, this hotel is perfect for a weekend get away. Good, fast room service & a nice resturant downstairs. Experience timeless luxury and friendly, personal service. Gold Room Eldorado Reno.
From www.thearchaeologist.org
El Dorado In Pursuit of the Golden Dream Gold Room Eldorado Reno From elegant walls that feature a large abstract floral pattern to muted wall tones, punctuated by furnishings in walnut woods with gold accents, each room will offer a distinguished guest. Experience timeless luxury and friendly, personal service in the heart of downtown reno. Eldorado hotel at the row: Eldorado hotel at the row: Nice room & comfy bed, this hotel. Gold Room Eldorado Reno.
From www.yelp.com
The Reno Gold Exchange 23 Photos & 25 Reviews Gold Buyers 6419 S Gold Room Eldorado Reno From elegant walls that feature a large abstract floral pattern to muted wall tones, punctuated by furnishings in walnut woods with gold accents, each room will offer a distinguished guest. Eldorado hotel at the row: Eldorado hotel at the row: Good, fast room service & a nice resturant downstairs. El dorado & the gold room deliver excellence! Nice room &. Gold Room Eldorado Reno.
From www.facebook.com
Gold Room Fridays Gold Room Eldorado Reno El dorado & the gold room deliver excellence! From elegant walls that feature a large abstract floral pattern to muted wall tones, punctuated by furnishings in walnut woods with gold accents, each room will offer a distinguished guest. Experience timeless luxury and friendly, personal service in the heart of downtown reno. Escape to eldorado at the row, named best rooms. Gold Room Eldorado Reno.
From www.shiningsets.nl
The Goldroom The Shining sets a digital reconstuction Gold Room Eldorado Reno From elegant walls that feature a large abstract floral pattern to muted wall tones, punctuated by furnishings in walnut woods with gold accents, each room will offer a distinguished guest. Nice room & comfy bed, this hotel is perfect for a weekend get away. Escape to eldorado at the row, named best rooms and. El dorado & the gold room. Gold Room Eldorado Reno.
From www.bestambiance.com
The Gold Room Bar Midtown East Best Ambiance NYC Gold Room Eldorado Reno Experience timeless luxury and friendly, personal service in the heart of downtown reno. From elegant walls that feature a large abstract floral pattern to muted wall tones, punctuated by furnishings in walnut woods with gold accents, each room will offer a distinguished guest. Eldorado hotel at the row: Escape to eldorado at the row, named best rooms and. El dorado. Gold Room Eldorado Reno.