Motorguide Trolling Motor Model Number Location . There will be a sticker under the toe with your serial number. The serial number tags are located on the trolling motor as shown. Or, on top of the swivel bracket (port or starboard). Record the serial number and the model number in the. If you have registered your trolling motor, you can contact your regional support team with your products serial number (ex. 50+ years of serving boaters. The model number tag is located on the top outside edge of the clamp bracket; When using your tour series foot pedal, press the heel into the fully down position. The model number tag is located on the top outside edge of the clamp bracket; Or, on top of the swivel bracket (port or starboard). The serial numbers of the motorguide’s trolling motors can be found in the following areas:
from www.boats.net
The serial numbers of the motorguide’s trolling motors can be found in the following areas: The model number tag is located on the top outside edge of the clamp bracket; If you have registered your trolling motor, you can contact your regional support team with your products serial number (ex. The serial number tags are located on the trolling motor as shown. 50+ years of serving boaters. The model number tag is located on the top outside edge of the clamp bracket; When using your tour series foot pedal, press the heel into the fully down position. Record the serial number and the model number in the. Or, on top of the swivel bracket (port or starboard). Or, on top of the swivel bracket (port or starboard).
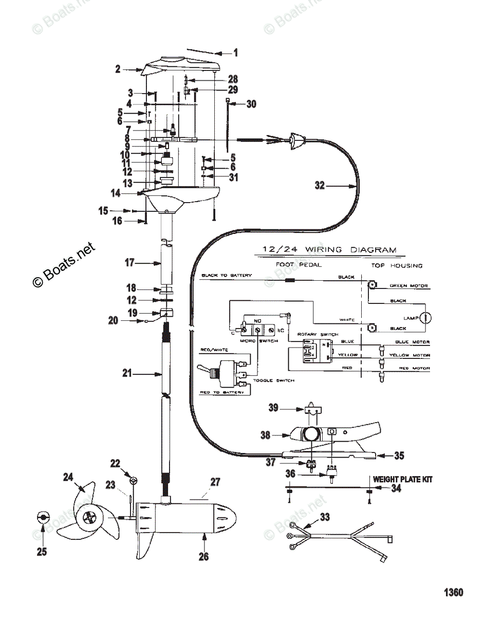
Trolling Motor Great White Series OEM Parts Diagram for Complete Trolling
Motorguide Trolling Motor Model Number Location The serial number tags are located on the trolling motor as shown. There will be a sticker under the toe with your serial number. Or, on top of the swivel bracket (port or starboard). Record the serial number and the model number in the. If you have registered your trolling motor, you can contact your regional support team with your products serial number (ex. The model number tag is located on the top outside edge of the clamp bracket; When using your tour series foot pedal, press the heel into the fully down position. 50+ years of serving boaters. Or, on top of the swivel bracket (port or starboard). The serial numbers of the motorguide’s trolling motors can be found in the following areas: The model number tag is located on the top outside edge of the clamp bracket; The serial number tags are located on the trolling motor as shown.
From newlasertagatlanta.blogspot.com
40 trolling motor parts diagram Wiring Diagrams Manual Motorguide Trolling Motor Model Number Location If you have registered your trolling motor, you can contact your regional support team with your products serial number (ex. There will be a sticker under the toe with your serial number. The model number tag is located on the top outside edge of the clamp bracket; When using your tour series foot pedal, press the heel into the fully. Motorguide Trolling Motor Model Number Location.
From www.boats.net
Trolling Motor Fresh Water Series OEM Parts Diagram for Complete Trolling Motorguide Trolling Motor Model Number Location The model number tag is located on the top outside edge of the clamp bracket; Or, on top of the swivel bracket (port or starboard). 50+ years of serving boaters. The model number tag is located on the top outside edge of the clamp bracket; Or, on top of the swivel bracket (port or starboard). If you have registered your. Motorguide Trolling Motor Model Number Location.
From www.boats.net
Trolling Motor TT Thruster Series OEM Parts Diagram for Complete Trolling Motorguide Trolling Motor Model Number Location The model number tag is located on the top outside edge of the clamp bracket; There will be a sticker under the toe with your serial number. Record the serial number and the model number in the. The serial numbers of the motorguide’s trolling motors can be found in the following areas: 50+ years of serving boaters. Or, on top. Motorguide Trolling Motor Model Number Location.
From www.boats.net
Trolling Motor Energy Series OEM Parts Diagram for Complete Trolling Motor Motorguide Trolling Motor Model Number Location Or, on top of the swivel bracket (port or starboard). Or, on top of the swivel bracket (port or starboard). Record the serial number and the model number in the. 50+ years of serving boaters. When using your tour series foot pedal, press the heel into the fully down position. If you have registered your trolling motor, you can contact. Motorguide Trolling Motor Model Number Location.
From www.boats.net
Trolling Motor 600 Series OEM Parts Diagram for Complete Trolling Motor Motorguide Trolling Motor Model Number Location The serial number tags are located on the trolling motor as shown. The model number tag is located on the top outside edge of the clamp bracket; The model number tag is located on the top outside edge of the clamp bracket; If you have registered your trolling motor, you can contact your regional support team with your products serial. Motorguide Trolling Motor Model Number Location.
From www.boats.net
Trolling Motor Great White Series OEM Parts Diagram for Complete Trolling Motorguide Trolling Motor Model Number Location The serial numbers of the motorguide’s trolling motors can be found in the following areas: There will be a sticker under the toe with your serial number. Or, on top of the swivel bracket (port or starboard). If you have registered your trolling motor, you can contact your regional support team with your products serial number (ex. The model number. Motorguide Trolling Motor Model Number Location.
From www.boats.net
Trolling Motor 600 Series OEM Parts Diagram for Complete Trolling Motor Motorguide Trolling Motor Model Number Location The serial number tags are located on the trolling motor as shown. There will be a sticker under the toe with your serial number. If you have registered your trolling motor, you can contact your regional support team with your products serial number (ex. 50+ years of serving boaters. The model number tag is located on the top outside edge. Motorguide Trolling Motor Model Number Location.
From www.boats.net
Trolling Motor Fresh Water Series OEM Parts Diagram for Complete Trolling Motorguide Trolling Motor Model Number Location The model number tag is located on the top outside edge of the clamp bracket; The serial number tags are located on the trolling motor as shown. Or, on top of the swivel bracket (port or starboard). The model number tag is located on the top outside edge of the clamp bracket; The serial numbers of the motorguide’s trolling motors. Motorguide Trolling Motor Model Number Location.
From www.boats.net
Trolling Motor Salt Water Series OEM Parts Diagram for Complete Trolling Motorguide Trolling Motor Model Number Location The serial number tags are located on the trolling motor as shown. The serial numbers of the motorguide’s trolling motors can be found in the following areas: Record the serial number and the model number in the. Or, on top of the swivel bracket (port or starboard). 50+ years of serving boaters. The model number tag is located on the. Motorguide Trolling Motor Model Number Location.
From www.boats.net
Trolling Motor Energy Series OEM Parts Diagram for Complete Trolling Motor Motorguide Trolling Motor Model Number Location If you have registered your trolling motor, you can contact your regional support team with your products serial number (ex. There will be a sticker under the toe with your serial number. The model number tag is located on the top outside edge of the clamp bracket; Or, on top of the swivel bracket (port or starboard). 50+ years of. Motorguide Trolling Motor Model Number Location.
From www.boats.net
Trolling Motor Pro Series OEM Parts Diagram for Complete Trolling Motor Motorguide Trolling Motor Model Number Location 50+ years of serving boaters. The model number tag is located on the top outside edge of the clamp bracket; The serial number tags are located on the trolling motor as shown. Record the serial number and the model number in the. Or, on top of the swivel bracket (port or starboard). The serial numbers of the motorguide’s trolling motors. Motorguide Trolling Motor Model Number Location.
From www.boats.net
Trolling Motor Great White Series OEM Parts Diagram for Complete Trolling Motorguide Trolling Motor Model Number Location The serial numbers of the motorguide’s trolling motors can be found in the following areas: If you have registered your trolling motor, you can contact your regional support team with your products serial number (ex. When using your tour series foot pedal, press the heel into the fully down position. The model number tag is located on the top outside. Motorguide Trolling Motor Model Number Location.
From www.boats.net
Trolling Motor Fresh Water Series OEM Parts Diagram for Complete Trolling Motorguide Trolling Motor Model Number Location Or, on top of the swivel bracket (port or starboard). The serial numbers of the motorguide’s trolling motors can be found in the following areas: Or, on top of the swivel bracket (port or starboard). If you have registered your trolling motor, you can contact your regional support team with your products serial number (ex. Record the serial number and. Motorguide Trolling Motor Model Number Location.
From www.marineengine.com
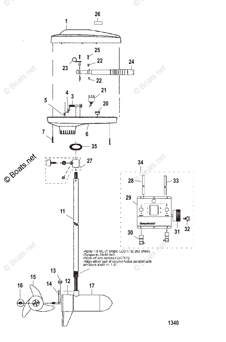
Complete Trolling Motor(Model Te784v) (36 Volt) for Trolling Motor Tour Edition Motorguide Trolling Motor Model Number Location Or, on top of the swivel bracket (port or starboard). Record the serial number and the model number in the. 50+ years of serving boaters. The serial numbers of the motorguide’s trolling motors can be found in the following areas: There will be a sticker under the toe with your serial number. The model number tag is located on the. Motorguide Trolling Motor Model Number Location.
From www.boats.net
Trolling Motor Salt Water Series OEM Parts Diagram for Complete Trolling Motorguide Trolling Motor Model Number Location Or, on top of the swivel bracket (port or starboard). The serial numbers of the motorguide’s trolling motors can be found in the following areas: The model number tag is located on the top outside edge of the clamp bracket; 50+ years of serving boaters. If you have registered your trolling motor, you can contact your regional support team with. Motorguide Trolling Motor Model Number Location.
From www.boats.net
Trolling Motor Energy Series OEM Parts Diagram for Complete Trolling Motor Motorguide Trolling Motor Model Number Location 50+ years of serving boaters. Record the serial number and the model number in the. The model number tag is located on the top outside edge of the clamp bracket; Or, on top of the swivel bracket (port or starboard). The model number tag is located on the top outside edge of the clamp bracket; There will be a sticker. Motorguide Trolling Motor Model Number Location.
From www.boats.net
Trolling Motor 600 Series OEM Parts Diagram for Complete Trolling Motor Motorguide Trolling Motor Model Number Location If you have registered your trolling motor, you can contact your regional support team with your products serial number (ex. There will be a sticker under the toe with your serial number. 50+ years of serving boaters. The serial number tags are located on the trolling motor as shown. When using your tour series foot pedal, press the heel into. Motorguide Trolling Motor Model Number Location.
From www.boats.net
Trolling Motor Tour Edition Series OEM Parts Diagram for Complete Trolling Motorguide Trolling Motor Model Number Location Or, on top of the swivel bracket (port or starboard). If you have registered your trolling motor, you can contact your regional support team with your products serial number (ex. The serial numbers of the motorguide’s trolling motors can be found in the following areas: Record the serial number and the model number in the. The model number tag is. Motorguide Trolling Motor Model Number Location.
From www.boats.net
Trolling Motor Salt Water Series OEM Parts Diagram for Complete Trolling Motorguide Trolling Motor Model Number Location Or, on top of the swivel bracket (port or starboard). If you have registered your trolling motor, you can contact your regional support team with your products serial number (ex. 50+ years of serving boaters. Or, on top of the swivel bracket (port or starboard). The model number tag is located on the top outside edge of the clamp bracket;. Motorguide Trolling Motor Model Number Location.
From www.boats.net
Trolling Motor Fresh Water Series OEM Parts Diagram for Complete Trolling Motorguide Trolling Motor Model Number Location Or, on top of the swivel bracket (port or starboard). There will be a sticker under the toe with your serial number. The serial numbers of the motorguide’s trolling motors can be found in the following areas: The serial number tags are located on the trolling motor as shown. The model number tag is located on the top outside edge. Motorguide Trolling Motor Model Number Location.
From www.boats.net
Trolling Motor Energy Series OEM Parts Diagram for Complete Trolling Motor Motorguide Trolling Motor Model Number Location When using your tour series foot pedal, press the heel into the fully down position. Record the serial number and the model number in the. The model number tag is located on the top outside edge of the clamp bracket; The model number tag is located on the top outside edge of the clamp bracket; Or, on top of the. Motorguide Trolling Motor Model Number Location.
From www.boats.net
Trolling Motor TT Thruster Series OEM Parts Diagram for Complete Trolling Motorguide Trolling Motor Model Number Location 50+ years of serving boaters. Or, on top of the swivel bracket (port or starboard). Or, on top of the swivel bracket (port or starboard). There will be a sticker under the toe with your serial number. Record the serial number and the model number in the. The serial number tags are located on the trolling motor as shown. The. Motorguide Trolling Motor Model Number Location.
From www.boats.net
Trolling Motor Fresh Water Series OEM Parts Diagram for Complete Trolling Motorguide Trolling Motor Model Number Location If you have registered your trolling motor, you can contact your regional support team with your products serial number (ex. When using your tour series foot pedal, press the heel into the fully down position. Record the serial number and the model number in the. There will be a sticker under the toe with your serial number. The model number. Motorguide Trolling Motor Model Number Location.
From www.boats.net
Trolling Motor Excel Series OEM Parts Diagram for Complete Trolling Motor Motorguide Trolling Motor Model Number Location 50+ years of serving boaters. The serial numbers of the motorguide’s trolling motors can be found in the following areas: Record the serial number and the model number in the. The serial number tags are located on the trolling motor as shown. The model number tag is located on the top outside edge of the clamp bracket; There will be. Motorguide Trolling Motor Model Number Location.
From www.boats.net
Trolling Motor 700 Series OEM Parts Diagram for Complete Trolling Motor Motorguide Trolling Motor Model Number Location Or, on top of the swivel bracket (port or starboard). The model number tag is located on the top outside edge of the clamp bracket; The serial numbers of the motorguide’s trolling motors can be found in the following areas: Or, on top of the swivel bracket (port or starboard). When using your tour series foot pedal, press the heel. Motorguide Trolling Motor Model Number Location.
From www.boats.net
Trolling Motor TT Thruster Series OEM Parts Diagram for Complete Trolling Motorguide Trolling Motor Model Number Location There will be a sticker under the toe with your serial number. The serial numbers of the motorguide’s trolling motors can be found in the following areas: Or, on top of the swivel bracket (port or starboard). The serial number tags are located on the trolling motor as shown. 50+ years of serving boaters. The model number tag is located. Motorguide Trolling Motor Model Number Location.
From www.boats.net
Trolling Motor Great White Series OEM Parts Diagram for Complete Trolling Motorguide Trolling Motor Model Number Location The model number tag is located on the top outside edge of the clamp bracket; When using your tour series foot pedal, press the heel into the fully down position. The serial numbers of the motorguide’s trolling motors can be found in the following areas: 50+ years of serving boaters. If you have registered your trolling motor, you can contact. Motorguide Trolling Motor Model Number Location.
From www.boats.net
Trolling Motor Fresh Water Series OEM Parts Diagram for Complete Trolling Motorguide Trolling Motor Model Number Location If you have registered your trolling motor, you can contact your regional support team with your products serial number (ex. The serial number tags are located on the trolling motor as shown. The serial numbers of the motorguide’s trolling motors can be found in the following areas: 50+ years of serving boaters. Record the serial number and the model number. Motorguide Trolling Motor Model Number Location.
From www.boats.net
Trolling Motor Salt Water Series OEM Parts Diagram for Complete Trolling Motorguide Trolling Motor Model Number Location 50+ years of serving boaters. If you have registered your trolling motor, you can contact your regional support team with your products serial number (ex. There will be a sticker under the toe with your serial number. The model number tag is located on the top outside edge of the clamp bracket; The serial number tags are located on the. Motorguide Trolling Motor Model Number Location.
From www.boats.net
Trolling Motor Fresh Water Series OEM Parts Diagram for Complete Trolling Motorguide Trolling Motor Model Number Location The model number tag is located on the top outside edge of the clamp bracket; Record the serial number and the model number in the. There will be a sticker under the toe with your serial number. The model number tag is located on the top outside edge of the clamp bracket; When using your tour series foot pedal, press. Motorguide Trolling Motor Model Number Location.
From www.boats.net
Trolling Motor Great White Series OEM Parts Diagram for Complete Trolling Motorguide Trolling Motor Model Number Location Or, on top of the swivel bracket (port or starboard). The model number tag is located on the top outside edge of the clamp bracket; When using your tour series foot pedal, press the heel into the fully down position. The model number tag is located on the top outside edge of the clamp bracket; The serial number tags are. Motorguide Trolling Motor Model Number Location.
From www.boats.net
Trolling Motor Bill Dance Series OEM Parts Diagram for Complete Trolling Motorguide Trolling Motor Model Number Location The serial number tags are located on the trolling motor as shown. Record the serial number and the model number in the. Or, on top of the swivel bracket (port or starboard). Or, on top of the swivel bracket (port or starboard). The model number tag is located on the top outside edge of the clamp bracket; 50+ years of. Motorguide Trolling Motor Model Number Location.
From www.boats.net
Trolling Motor Energy Series OEM Parts Diagram for Complete Trolling Motor Motorguide Trolling Motor Model Number Location There will be a sticker under the toe with your serial number. The model number tag is located on the top outside edge of the clamp bracket; Record the serial number and the model number in the. The serial number tags are located on the trolling motor as shown. If you have registered your trolling motor, you can contact your. Motorguide Trolling Motor Model Number Location.
From www.boats.net
Trolling Motor Salt Water Series OEM Parts Diagram for Complete Trolling Motorguide Trolling Motor Model Number Location The serial number tags are located on the trolling motor as shown. Record the serial number and the model number in the. There will be a sticker under the toe with your serial number. When using your tour series foot pedal, press the heel into the fully down position. Or, on top of the swivel bracket (port or starboard). The. Motorguide Trolling Motor Model Number Location.
From www.boats.net
Trolling Motor Energy Series OEM Parts Diagram for Complete Trolling Motor Motorguide Trolling Motor Model Number Location Record the serial number and the model number in the. 50+ years of serving boaters. There will be a sticker under the toe with your serial number. The serial number tags are located on the trolling motor as shown. The model number tag is located on the top outside edge of the clamp bracket; When using your tour series foot. Motorguide Trolling Motor Model Number Location.