Fuel Flow Rate Calculator . The injector dynamics fuel flow calculator is not based on efficiency. Use the fuel injector flow rate calculator to calculate flow rate, pressure and horsepower for gasoline, race gas and e85 (ethanol) with a. It works by estimating airflow based on a few known parameters, and then calculating fuel flow directly from exhaust. This calculator helps figure out what size injector would match your horsepower goals. Here you can determine what size fuel injectors you need by entering the requested information into the calculator below. Fuel injector clinic's flow rate calculator. Once you select those values it will. Simply enter your goal crank horsepower goal, the number of. This calculator is designed to estimate fuel needs based on desired horsepower, fuel pressure, and fuel type. Fuel injector flow rate calculator. We've built this handy fuel injector sizing calculator to help you determine how much flow you'll need. Enter your desired engine horsepower and the specs of your motor to calculate the.
from www.researchgate.net
This calculator helps figure out what size injector would match your horsepower goals. The injector dynamics fuel flow calculator is not based on efficiency. Fuel injector flow rate calculator. This calculator is designed to estimate fuel needs based on desired horsepower, fuel pressure, and fuel type. It works by estimating airflow based on a few known parameters, and then calculating fuel flow directly from exhaust. Fuel injector clinic's flow rate calculator. Enter your desired engine horsepower and the specs of your motor to calculate the. Use the fuel injector flow rate calculator to calculate flow rate, pressure and horsepower for gasoline, race gas and e85 (ethanol) with a. Here you can determine what size fuel injectors you need by entering the requested information into the calculator below. Simply enter your goal crank horsepower goal, the number of.
Logarithmic regression relationship between fuel flow rate and emission
Fuel Flow Rate Calculator Use the fuel injector flow rate calculator to calculate flow rate, pressure and horsepower for gasoline, race gas and e85 (ethanol) with a. Use the fuel injector flow rate calculator to calculate flow rate, pressure and horsepower for gasoline, race gas and e85 (ethanol) with a. Once you select those values it will. Fuel injector clinic's flow rate calculator. Simply enter your goal crank horsepower goal, the number of. We've built this handy fuel injector sizing calculator to help you determine how much flow you'll need. Here you can determine what size fuel injectors you need by entering the requested information into the calculator below. Fuel injector flow rate calculator. This calculator helps figure out what size injector would match your horsepower goals. This calculator is designed to estimate fuel needs based on desired horsepower, fuel pressure, and fuel type. It works by estimating airflow based on a few known parameters, and then calculating fuel flow directly from exhaust. Enter your desired engine horsepower and the specs of your motor to calculate the. The injector dynamics fuel flow calculator is not based on efficiency.
From www.pacificavionics.com.au
Fuel Flow Indicator Pacific Avionics Fuel Flow Rate Calculator Use the fuel injector flow rate calculator to calculate flow rate, pressure and horsepower for gasoline, race gas and e85 (ethanol) with a. Fuel injector flow rate calculator. This calculator helps figure out what size injector would match your horsepower goals. Here you can determine what size fuel injectors you need by entering the requested information into the calculator below.. Fuel Flow Rate Calculator.
From rochesteravionicarchives.co.uk
Fuel Flow Rate Indicator Rochester Avionic Archives Fuel Flow Rate Calculator Fuel injector flow rate calculator. Once you select those values it will. Here you can determine what size fuel injectors you need by entering the requested information into the calculator below. It works by estimating airflow based on a few known parameters, and then calculating fuel flow directly from exhaust. The injector dynamics fuel flow calculator is not based on. Fuel Flow Rate Calculator.
From theengineeringmindset.com
Pump calculations The Engineering Mindset Fuel Flow Rate Calculator It works by estimating airflow based on a few known parameters, and then calculating fuel flow directly from exhaust. Simply enter your goal crank horsepower goal, the number of. This calculator helps figure out what size injector would match your horsepower goals. Fuel injector flow rate calculator. We've built this handy fuel injector sizing calculator to help you determine how. Fuel Flow Rate Calculator.
From www.chegg.com
Solved The volumetric efficiency of the fuel injected marine Fuel Flow Rate Calculator Here you can determine what size fuel injectors you need by entering the requested information into the calculator below. Fuel injector flow rate calculator. Fuel injector clinic's flow rate calculator. It works by estimating airflow based on a few known parameters, and then calculating fuel flow directly from exhaust. Once you select those values it will. Simply enter your goal. Fuel Flow Rate Calculator.
From www.researchgate.net
B767300 constant CAS level flight fuel flow rate, lb/hr. Download Fuel Flow Rate Calculator Simply enter your goal crank horsepower goal, the number of. Here you can determine what size fuel injectors you need by entering the requested information into the calculator below. Enter your desired engine horsepower and the specs of your motor to calculate the. Fuel injector flow rate calculator. We've built this handy fuel injector sizing calculator to help you determine. Fuel Flow Rate Calculator.
From www.skillshack.co.uk
Improving Fuel Flow Skill Shack Fuel Flow Rate Calculator Here you can determine what size fuel injectors you need by entering the requested information into the calculator below. This calculator helps figure out what size injector would match your horsepower goals. Once you select those values it will. Enter your desired engine horsepower and the specs of your motor to calculate the. This calculator is designed to estimate fuel. Fuel Flow Rate Calculator.
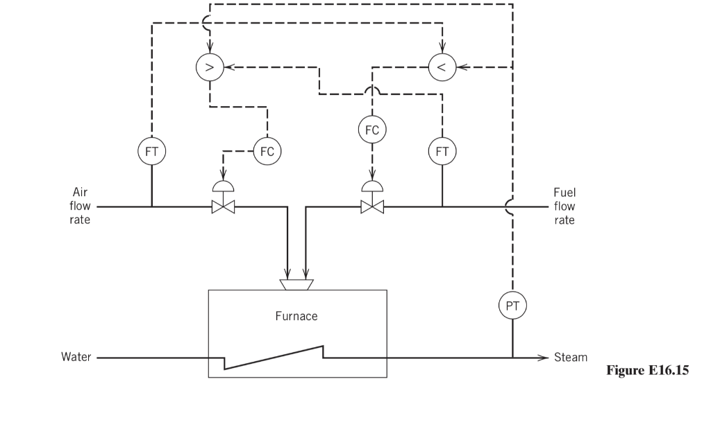
From www.chegg.com
Air flow rate Fuel flow rate Furnace Water →Steam Fuel Flow Rate Calculator Enter your desired engine horsepower and the specs of your motor to calculate the. Once you select those values it will. This calculator helps figure out what size injector would match your horsepower goals. We've built this handy fuel injector sizing calculator to help you determine how much flow you'll need. Simply enter your goal crank horsepower goal, the number. Fuel Flow Rate Calculator.
From www.accutherm.com.tw
Fuel flow sensor Accutherm Fuel Flow Rate Calculator It works by estimating airflow based on a few known parameters, and then calculating fuel flow directly from exhaust. This calculator helps figure out what size injector would match your horsepower goals. Fuel injector clinic's flow rate calculator. The injector dynamics fuel flow calculator is not based on efficiency. Fuel injector flow rate calculator. We've built this handy fuel injector. Fuel Flow Rate Calculator.
From gbr.grandado.com
Digital Fuel Flow Meter Gasoline Oil Electronic Fu... Grandado Fuel Flow Rate Calculator Enter your desired engine horsepower and the specs of your motor to calculate the. The injector dynamics fuel flow calculator is not based on efficiency. Once you select those values it will. Use the fuel injector flow rate calculator to calculate flow rate, pressure and horsepower for gasoline, race gas and e85 (ethanol) with a. It works by estimating airflow. Fuel Flow Rate Calculator.
From www.researchgate.net
Logarithmic regression relationship between fuel flow rate and emission Fuel Flow Rate Calculator It works by estimating airflow based on a few known parameters, and then calculating fuel flow directly from exhaust. This calculator helps figure out what size injector would match your horsepower goals. The injector dynamics fuel flow calculator is not based on efficiency. Fuel injector clinic's flow rate calculator. Use the fuel injector flow rate calculator to calculate flow rate,. Fuel Flow Rate Calculator.
From rochesteravionicarchives.co.uk
Fuel Consumed & Flow Rate Indicator Rochester Avionic Archives Fuel Flow Rate Calculator Fuel injector clinic's flow rate calculator. Once you select those values it will. It works by estimating airflow based on a few known parameters, and then calculating fuel flow directly from exhaust. The injector dynamics fuel flow calculator is not based on efficiency. We've built this handy fuel injector sizing calculator to help you determine how much flow you'll need.. Fuel Flow Rate Calculator.
From www.thegreatapps.com
Fuel calculator Fuel Flow Rate Calculator This calculator helps figure out what size injector would match your horsepower goals. Once you select those values it will. Fuel injector clinic's flow rate calculator. This calculator is designed to estimate fuel needs based on desired horsepower, fuel pressure, and fuel type. Enter your desired engine horsepower and the specs of your motor to calculate the. Fuel injector flow. Fuel Flow Rate Calculator.
From www.numerade.com
SOLVED calculate calorific value of a fuel if heat produced on Fuel Flow Rate Calculator The injector dynamics fuel flow calculator is not based on efficiency. It works by estimating airflow based on a few known parameters, and then calculating fuel flow directly from exhaust. Use the fuel injector flow rate calculator to calculate flow rate, pressure and horsepower for gasoline, race gas and e85 (ethanol) with a. Simply enter your goal crank horsepower goal,. Fuel Flow Rate Calculator.
From rochesteravionicarchives.co.uk
Fuel Flow Rate Indicator Rochester Avionic Archives Fuel Flow Rate Calculator The injector dynamics fuel flow calculator is not based on efficiency. Simply enter your goal crank horsepower goal, the number of. This calculator helps figure out what size injector would match your horsepower goals. Enter your desired engine horsepower and the specs of your motor to calculate the. Once you select those values it will. Here you can determine what. Fuel Flow Rate Calculator.
From www.scribd.com
Fuel Flow Rate PDF Fuel Flow Rate Calculator Fuel injector flow rate calculator. The injector dynamics fuel flow calculator is not based on efficiency. We've built this handy fuel injector sizing calculator to help you determine how much flow you'll need. This calculator is designed to estimate fuel needs based on desired horsepower, fuel pressure, and fuel type. It works by estimating airflow based on a few known. Fuel Flow Rate Calculator.
From www.aviation-gadgets.com
Fuel flow indicator Aviation Gadgets Fuel Flow Rate Calculator The injector dynamics fuel flow calculator is not based on efficiency. Fuel injector clinic's flow rate calculator. Enter your desired engine horsepower and the specs of your motor to calculate the. It works by estimating airflow based on a few known parameters, and then calculating fuel flow directly from exhaust. Here you can determine what size fuel injectors you need. Fuel Flow Rate Calculator.
From www.researchgate.net
The P4001 fuel gas flow rate calculation summary Download Scientific Fuel Flow Rate Calculator Here you can determine what size fuel injectors you need by entering the requested information into the calculator below. Fuel injector clinic's flow rate calculator. The injector dynamics fuel flow calculator is not based on efficiency. This calculator is designed to estimate fuel needs based on desired horsepower, fuel pressure, and fuel type. We've built this handy fuel injector sizing. Fuel Flow Rate Calculator.
From rochesteravionicarchives.co.uk
Fuel Flow Rate Indicator Rochester Avionic Archives Fuel Flow Rate Calculator It works by estimating airflow based on a few known parameters, and then calculating fuel flow directly from exhaust. Fuel injector flow rate calculator. Once you select those values it will. The injector dynamics fuel flow calculator is not based on efficiency. Simply enter your goal crank horsepower goal, the number of. Enter your desired engine horsepower and the specs. Fuel Flow Rate Calculator.
From play.google.com
Fuel calculator Android Apps on Google Play Fuel Flow Rate Calculator Fuel injector clinic's flow rate calculator. This calculator is designed to estimate fuel needs based on desired horsepower, fuel pressure, and fuel type. Once you select those values it will. It works by estimating airflow based on a few known parameters, and then calculating fuel flow directly from exhaust. Use the fuel injector flow rate calculator to calculate flow rate,. Fuel Flow Rate Calculator.
From snshipspare.com
Floscan Series K Diesel Fuel Flow Monitoring System 860L3CB2K Series Fuel Flow Rate Calculator Fuel injector clinic's flow rate calculator. Fuel injector flow rate calculator. This calculator helps figure out what size injector would match your horsepower goals. Here you can determine what size fuel injectors you need by entering the requested information into the calculator below. Enter your desired engine horsepower and the specs of your motor to calculate the. Simply enter your. Fuel Flow Rate Calculator.
From macsensor.en.made-in-china.com
High Accuracy Diesel Fuel Flow Meter, Pump Flow Meter, for Measuring Fuel Flow Rate Calculator Enter your desired engine horsepower and the specs of your motor to calculate the. Once you select those values it will. This calculator is designed to estimate fuel needs based on desired horsepower, fuel pressure, and fuel type. This calculator helps figure out what size injector would match your horsepower goals. Fuel injector flow rate calculator. It works by estimating. Fuel Flow Rate Calculator.
From www.servicetitan.com
Flow Rate Calculator Calculate Volumetric Flow Rate Fuel Flow Rate Calculator Simply enter your goal crank horsepower goal, the number of. Fuel injector clinic's flow rate calculator. Fuel injector flow rate calculator. We've built this handy fuel injector sizing calculator to help you determine how much flow you'll need. Enter your desired engine horsepower and the specs of your motor to calculate the. It works by estimating airflow based on a. Fuel Flow Rate Calculator.
From www.vevor.com.au
How to Choose the Top 5 Best Fuel Flow Meters VEVOR Blog Fuel Flow Rate Calculator We've built this handy fuel injector sizing calculator to help you determine how much flow you'll need. This calculator is designed to estimate fuel needs based on desired horsepower, fuel pressure, and fuel type. Use the fuel injector flow rate calculator to calculate flow rate, pressure and horsepower for gasoline, race gas and e85 (ethanol) with a. Fuel injector clinic's. Fuel Flow Rate Calculator.
From drlogy.com
Fuel Consumption Converter Calculator MPG Converter Drlogy Fuel Flow Rate Calculator It works by estimating airflow based on a few known parameters, and then calculating fuel flow directly from exhaust. Simply enter your goal crank horsepower goal, the number of. Fuel injector flow rate calculator. This calculator helps figure out what size injector would match your horsepower goals. This calculator is designed to estimate fuel needs based on desired horsepower, fuel. Fuel Flow Rate Calculator.
From blog.fiveomotorsport.com
Fiveomotorsport Fuel Injection FiveoMotorsport Fuel Injector FlowRate Fuel Flow Rate Calculator Fuel injector flow rate calculator. We've built this handy fuel injector sizing calculator to help you determine how much flow you'll need. This calculator helps figure out what size injector would match your horsepower goals. Fuel injector clinic's flow rate calculator. Simply enter your goal crank horsepower goal, the number of. Here you can determine what size fuel injectors you. Fuel Flow Rate Calculator.
From xixingmachinery.en.made-in-china.com
Oil / Fuel Flow Meter /Positive Displacement Flow Meter China Fuel Fuel Flow Rate Calculator This calculator helps figure out what size injector would match your horsepower goals. Here you can determine what size fuel injectors you need by entering the requested information into the calculator below. Once you select those values it will. The injector dynamics fuel flow calculator is not based on efficiency. Fuel injector clinic's flow rate calculator. Use the fuel injector. Fuel Flow Rate Calculator.
From www.pacificavionics.com.au
Fuel Flow Indicator Pacific Avionics Fuel Flow Rate Calculator Simply enter your goal crank horsepower goal, the number of. Enter your desired engine horsepower and the specs of your motor to calculate the. Here you can determine what size fuel injectors you need by entering the requested information into the calculator below. The injector dynamics fuel flow calculator is not based on efficiency. Use the fuel injector flow rate. Fuel Flow Rate Calculator.
From xixingmachinery.en.made-in-china.com
Liquid Control Diesel Fuel Flow Meters with Preset Function China Fuel Flow Rate Calculator Simply enter your goal crank horsepower goal, the number of. Once you select those values it will. Use the fuel injector flow rate calculator to calculate flow rate, pressure and horsepower for gasoline, race gas and e85 (ethanol) with a. This calculator helps figure out what size injector would match your horsepower goals. The injector dynamics fuel flow calculator is. Fuel Flow Rate Calculator.
From www.tessshebaylo.com
Flow Rate Equation Tessshebaylo Fuel Flow Rate Calculator Here you can determine what size fuel injectors you need by entering the requested information into the calculator below. Enter your desired engine horsepower and the specs of your motor to calculate the. Fuel injector clinic's flow rate calculator. This calculator helps figure out what size injector would match your horsepower goals. Fuel injector flow rate calculator. Once you select. Fuel Flow Rate Calculator.
From www.researchgate.net
Fuel flow rate vs engine speed at half throttle Download Scientific Fuel Flow Rate Calculator This calculator helps figure out what size injector would match your horsepower goals. Use the fuel injector flow rate calculator to calculate flow rate, pressure and horsepower for gasoline, race gas and e85 (ethanol) with a. The injector dynamics fuel flow calculator is not based on efficiency. Here you can determine what size fuel injectors you need by entering the. Fuel Flow Rate Calculator.
From www.aircraftspruce.eu
Fuel Flow Rate Gauge ICAN Rotax Flight Line from Aircraft Spruce Europe Fuel Flow Rate Calculator This calculator is designed to estimate fuel needs based on desired horsepower, fuel pressure, and fuel type. It works by estimating airflow based on a few known parameters, and then calculating fuel flow directly from exhaust. Use the fuel injector flow rate calculator to calculate flow rate, pressure and horsepower for gasoline, race gas and e85 (ethanol) with a. Enter. Fuel Flow Rate Calculator.
From www.researchgate.net
APU Modes fuel flow rate Download Scientific Diagram Fuel Flow Rate Calculator Use the fuel injector flow rate calculator to calculate flow rate, pressure and horsepower for gasoline, race gas and e85 (ethanol) with a. Simply enter your goal crank horsepower goal, the number of. The injector dynamics fuel flow calculator is not based on efficiency. Once you select those values it will. It works by estimating airflow based on a few. Fuel Flow Rate Calculator.
From play.google.com
Simple fuel calculator Android Apps on Google Play Fuel Flow Rate Calculator We've built this handy fuel injector sizing calculator to help you determine how much flow you'll need. This calculator helps figure out what size injector would match your horsepower goals. Enter your desired engine horsepower and the specs of your motor to calculate the. This calculator is designed to estimate fuel needs based on desired horsepower, fuel pressure, and fuel. Fuel Flow Rate Calculator.
From www.thezebra.com
Fuel Cost Calculator The Zebra Fuel Flow Rate Calculator The injector dynamics fuel flow calculator is not based on efficiency. Use the fuel injector flow rate calculator to calculate flow rate, pressure and horsepower for gasoline, race gas and e85 (ethanol) with a. Enter your desired engine horsepower and the specs of your motor to calculate the. Once you select those values it will. It works by estimating airflow. Fuel Flow Rate Calculator.
From www.semanticscholar.org
Figure 1 from Realtime strategy to optimize the fuel flow rate of fuel Fuel Flow Rate Calculator Simply enter your goal crank horsepower goal, the number of. This calculator helps figure out what size injector would match your horsepower goals. The injector dynamics fuel flow calculator is not based on efficiency. It works by estimating airflow based on a few known parameters, and then calculating fuel flow directly from exhaust. Use the fuel injector flow rate calculator. Fuel Flow Rate Calculator.