Power Supply With Negative Voltage . Basically, you get a negative voltage by calling the positive terminal of the power supply zero volts. A negative voltage power supply. If you desire a serious. If you are stuck with one dc input power voltage, then you can make a negative voltage easily yourself. To connect negative voltage from a battery, we simply tie the positive terminal of the battery to ground and the negative terminal of the battery to whatever part needs negative voltage. By the transformer coupling, energy stored in a. One of the easiest ways of generating a negative voltage is to add an additional winding to an existing transformer based power supply. We have discussed why negative voltage is important in electronic projects, how to make a simple dual rail power supply, and how to get a negative voltage from: For low currents, a charge pump might be all you need.
from www.aliexpress.com
One of the easiest ways of generating a negative voltage is to add an additional winding to an existing transformer based power supply. By the transformer coupling, energy stored in a. Basically, you get a negative voltage by calling the positive terminal of the power supply zero volts. For low currents, a charge pump might be all you need. A negative voltage power supply. If you are stuck with one dc input power voltage, then you can make a negative voltage easily yourself. If you desire a serious. We have discussed why negative voltage is important in electronic projects, how to make a simple dual rail power supply, and how to get a negative voltage from: To connect negative voltage from a battery, we simply tie the positive terminal of the battery to ground and the negative terminal of the battery to whatever part needs negative voltage.
TPS54360 Switch Power Module Positive and Negative Voltage Reverse Power Supply Operation
Power Supply With Negative Voltage If you desire a serious. By the transformer coupling, energy stored in a. One of the easiest ways of generating a negative voltage is to add an additional winding to an existing transformer based power supply. To connect negative voltage from a battery, we simply tie the positive terminal of the battery to ground and the negative terminal of the battery to whatever part needs negative voltage. If you are stuck with one dc input power voltage, then you can make a negative voltage easily yourself. A negative voltage power supply. For low currents, a charge pump might be all you need. We have discussed why negative voltage is important in electronic projects, how to make a simple dual rail power supply, and how to get a negative voltage from: Basically, you get a negative voltage by calling the positive terminal of the power supply zero volts. If you desire a serious.
From www.allaboutcircuits.com
Analyzing a Negative Voltage Charge Pump in LTspice—Source and Load Resistance Technical Articles Power Supply With Negative Voltage To connect negative voltage from a battery, we simply tie the positive terminal of the battery to ground and the negative terminal of the battery to whatever part needs negative voltage. For low currents, a charge pump might be all you need. If you desire a serious. If you are stuck with one dc input power voltage, then you can. Power Supply With Negative Voltage.
From www.alibaba.com
Taidacent 5/12/15v Out Negative Voltage Regulator Positive Input Negative Voltage Converter Power Supply With Negative Voltage If you are stuck with one dc input power voltage, then you can make a negative voltage easily yourself. A negative voltage power supply. One of the easiest ways of generating a negative voltage is to add an additional winding to an existing transformer based power supply. For low currents, a charge pump might be all you need. If you. Power Supply With Negative Voltage.
From www.aliexpress.com
AC DC LM317 LM337 Adjustable Regulated Dual Power Supply Module Board DIY Kits Positive Negative Power Supply With Negative Voltage One of the easiest ways of generating a negative voltage is to add an additional winding to an existing transformer based power supply. We have discussed why negative voltage is important in electronic projects, how to make a simple dual rail power supply, and how to get a negative voltage from: By the transformer coupling, energy stored in a. If. Power Supply With Negative Voltage.
From www.youtube.com
How to Get Positive & Negative Voltage Outputs from DC Power Supplies YouTube Power Supply With Negative Voltage Basically, you get a negative voltage by calling the positive terminal of the power supply zero volts. For low currents, a charge pump might be all you need. If you desire a serious. A negative voltage power supply. One of the easiest ways of generating a negative voltage is to add an additional winding to an existing transformer based power. Power Supply With Negative Voltage.
From diyaudiocircuits.com
5V Center Negative Power Supply DIY Audio Circuits Power Supply With Negative Voltage We have discussed why negative voltage is important in electronic projects, how to make a simple dual rail power supply, and how to get a negative voltage from: If you are stuck with one dc input power voltage, then you can make a negative voltage easily yourself. One of the easiest ways of generating a negative voltage is to add. Power Supply With Negative Voltage.
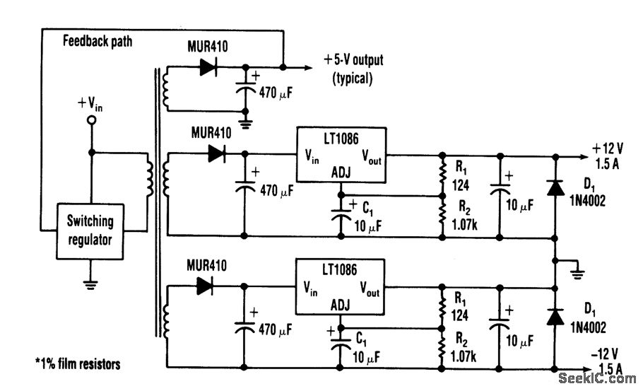
From www.seekic.com
Negative_voltage_flyback_regulator Power_Supply_Circuit Circuit Diagram Power Supply With Negative Voltage One of the easiest ways of generating a negative voltage is to add an additional winding to an existing transformer based power supply. We have discussed why negative voltage is important in electronic projects, how to make a simple dual rail power supply, and how to get a negative voltage from: To connect negative voltage from a battery, we simply. Power Supply With Negative Voltage.
From www.allaboutcircuits.com
Can Voltage Be Negative? Understanding Negative Voltage Technical Articles Power Supply With Negative Voltage If you are stuck with one dc input power voltage, then you can make a negative voltage easily yourself. We have discussed why negative voltage is important in electronic projects, how to make a simple dual rail power supply, and how to get a negative voltage from: To connect negative voltage from a battery, we simply tie the positive terminal. Power Supply With Negative Voltage.
From electronoobs.com
Dual rail supply circuit for negative voltage homemade DIY Power Supply With Negative Voltage To connect negative voltage from a battery, we simply tie the positive terminal of the battery to ground and the negative terminal of the battery to whatever part needs negative voltage. For low currents, a charge pump might be all you need. If you desire a serious. Basically, you get a negative voltage by calling the positive terminal of the. Power Supply With Negative Voltage.
From www.aliexpress.com
TPS54360 Switch Power Module Positive and Negative Voltage Reverse Power Supply Operation Power Supply With Negative Voltage Basically, you get a negative voltage by calling the positive terminal of the power supply zero volts. If you are stuck with one dc input power voltage, then you can make a negative voltage easily yourself. By the transformer coupling, energy stored in a. One of the easiest ways of generating a negative voltage is to add an additional winding. Power Supply With Negative Voltage.
From circuitdigest.com
Negative Voltage Generator Circuit Diagram using IC 555 Power Supply With Negative Voltage Basically, you get a negative voltage by calling the positive terminal of the power supply zero volts. One of the easiest ways of generating a negative voltage is to add an additional winding to an existing transformer based power supply. For low currents, a charge pump might be all you need. By the transformer coupling, energy stored in a. If. Power Supply With Negative Voltage.
From www.aliexpress.com
LM2662 Negative Voltage Converter Module +5V / 5V Negative Power Supply Modulemodule 5vmodule Power Supply With Negative Voltage If you desire a serious. We have discussed why negative voltage is important in electronic projects, how to make a simple dual rail power supply, and how to get a negative voltage from: To connect negative voltage from a battery, we simply tie the positive terminal of the battery to ground and the negative terminal of the battery to whatever. Power Supply With Negative Voltage.
From freeelectricalsandtools.blogspot.com
Free Schematic Diagram Negative/Positive DC Voltage Power Supply Circuit Power Supply With Negative Voltage If you desire a serious. If you are stuck with one dc input power voltage, then you can make a negative voltage easily yourself. Basically, you get a negative voltage by calling the positive terminal of the power supply zero volts. To connect negative voltage from a battery, we simply tie the positive terminal of the battery to ground and. Power Supply With Negative Voltage.
From www.aliexpress.com
Negative Power Supply Module Positive Voltage To Negative Voltage 5v/12v Output Negative Voltage Power Supply With Negative Voltage By the transformer coupling, energy stored in a. One of the easiest ways of generating a negative voltage is to add an additional winding to an existing transformer based power supply. To connect negative voltage from a battery, we simply tie the positive terminal of the battery to ground and the negative terminal of the battery to whatever part needs. Power Supply With Negative Voltage.
From www.circuits-diy.com
Negative Voltage Generator Circuit Power Supply With Negative Voltage If you are stuck with one dc input power voltage, then you can make a negative voltage easily yourself. By the transformer coupling, energy stored in a. A negative voltage power supply. If you desire a serious. We have discussed why negative voltage is important in electronic projects, how to make a simple dual rail power supply, and how to. Power Supply With Negative Voltage.
From www.aliexpress.com
ACDC linear power supply 220V to positive and negative voltage dual power supply 1mV ultralow Power Supply With Negative Voltage Basically, you get a negative voltage by calling the positive terminal of the power supply zero volts. One of the easiest ways of generating a negative voltage is to add an additional winding to an existing transformer based power supply. If you are stuck with one dc input power voltage, then you can make a negative voltage easily yourself. To. Power Supply With Negative Voltage.
From www.circuits-diy.com
Negative Voltage Generator Using 555 IC Power Supply With Negative Voltage By the transformer coupling, energy stored in a. One of the easiest ways of generating a negative voltage is to add an additional winding to an existing transformer based power supply. If you desire a serious. We have discussed why negative voltage is important in electronic projects, how to make a simple dual rail power supply, and how to get. Power Supply With Negative Voltage.
From www.chegg.com
Solved Power supply A Power supply B OC OO GND reference Power Supply With Negative Voltage If you are stuck with one dc input power voltage, then you can make a negative voltage easily yourself. To connect negative voltage from a battery, we simply tie the positive terminal of the battery to ground and the negative terminal of the battery to whatever part needs negative voltage. By the transformer coupling, energy stored in a. If you. Power Supply With Negative Voltage.
From no.pinterest.com
Dual 15V Power Supply Schematic With PCB, +15V 15V 1A ElecCircuit Power supply circuit Power Supply With Negative Voltage For low currents, a charge pump might be all you need. A negative voltage power supply. If you desire a serious. If you are stuck with one dc input power voltage, then you can make a negative voltage easily yourself. Basically, you get a negative voltage by calling the positive terminal of the power supply zero volts. One of the. Power Supply With Negative Voltage.
From maker.pro
How to Access Negative Voltage Power Supply Custom Maker Pro Power Supply With Negative Voltage Basically, you get a negative voltage by calling the positive terminal of the power supply zero volts. If you are stuck with one dc input power voltage, then you can make a negative voltage easily yourself. One of the easiest ways of generating a negative voltage is to add an additional winding to an existing transformer based power supply. If. Power Supply With Negative Voltage.
From www.fbnews.jp
Short Break / Making a dual Positive/Negative voltage power supply in a single box, for Power Supply With Negative Voltage One of the easiest ways of generating a negative voltage is to add an additional winding to an existing transformer based power supply. If you are stuck with one dc input power voltage, then you can make a negative voltage easily yourself. We have discussed why negative voltage is important in electronic projects, how to make a simple dual rail. Power Supply With Negative Voltage.
From www.youtube.com
Setting up power supply for negative, ground, and positive voltage YouTube Power Supply With Negative Voltage For low currents, a charge pump might be all you need. To connect negative voltage from a battery, we simply tie the positive terminal of the battery to ground and the negative terminal of the battery to whatever part needs negative voltage. A negative voltage power supply. Basically, you get a negative voltage by calling the positive terminal of the. Power Supply With Negative Voltage.
From www.aliexpress.com
Negative Voltage Dual DC12V 12V Power Supply Module 5 12V to 12V For Amplifierin AC/DC Adapters Power Supply With Negative Voltage If you desire a serious. For low currents, a charge pump might be all you need. Basically, you get a negative voltage by calling the positive terminal of the power supply zero volts. A negative voltage power supply. If you are stuck with one dc input power voltage, then you can make a negative voltage easily yourself. By the transformer. Power Supply With Negative Voltage.
From www.electrothinks.com
Dual DC Power Supply Using Voltage Regulators Electrothinks Power Supply With Negative Voltage For low currents, a charge pump might be all you need. By the transformer coupling, energy stored in a. To connect negative voltage from a battery, we simply tie the positive terminal of the battery to ground and the negative terminal of the battery to whatever part needs negative voltage. If you desire a serious. A negative voltage power supply.. Power Supply With Negative Voltage.
From www.aliexpress.com
ACDC linear power supply 220V to positive and negative voltage dual power supply 1mV ultralow Power Supply With Negative Voltage If you are stuck with one dc input power voltage, then you can make a negative voltage easily yourself. One of the easiest ways of generating a negative voltage is to add an additional winding to an existing transformer based power supply. For low currents, a charge pump might be all you need. A negative voltage power supply. To connect. Power Supply With Negative Voltage.
From www.circuits-diy.com
Negative Voltage Generator Circuit Power Supply With Negative Voltage One of the easiest ways of generating a negative voltage is to add an additional winding to an existing transformer based power supply. By the transformer coupling, energy stored in a. To connect negative voltage from a battery, we simply tie the positive terminal of the battery to ground and the negative terminal of the battery to whatever part needs. Power Supply With Negative Voltage.
From www.aliexpress.com
Positive negative voltage regulation Dual power supply voltage regulator module AC double 5 24V Power Supply With Negative Voltage If you desire a serious. To connect negative voltage from a battery, we simply tie the positive terminal of the battery to ground and the negative terminal of the battery to whatever part needs negative voltage. A negative voltage power supply. By the transformer coupling, energy stored in a. We have discussed why negative voltage is important in electronic projects,. Power Supply With Negative Voltage.
From www.seekic.com
EFFICIENT_NEGATIVE_VOLTAGE_REGULATION Power_Supply_Circuit Circuit Diagram Power Supply With Negative Voltage For low currents, a charge pump might be all you need. Basically, you get a negative voltage by calling the positive terminal of the power supply zero volts. One of the easiest ways of generating a negative voltage is to add an additional winding to an existing transformer based power supply. If you desire a serious. A negative voltage power. Power Supply With Negative Voltage.
From www.walmart.com
Boost Buck RegulatorDC DC Positive & Positive Negative Voltage Regulator Positive Negative Power Power Supply With Negative Voltage Basically, you get a negative voltage by calling the positive terminal of the power supply zero volts. We have discussed why negative voltage is important in electronic projects, how to make a simple dual rail power supply, and how to get a negative voltage from: To connect negative voltage from a battery, we simply tie the positive terminal of the. Power Supply With Negative Voltage.
From sosteneslekule.blogspot.com
Build Your Own Negative Voltage Generator LEKULE BLOG Power Supply With Negative Voltage To connect negative voltage from a battery, we simply tie the positive terminal of the battery to ground and the negative terminal of the battery to whatever part needs negative voltage. For low currents, a charge pump might be all you need. One of the easiest ways of generating a negative voltage is to add an additional winding to an. Power Supply With Negative Voltage.
From electronics.stackexchange.com
negative voltage Using 12V output as ground in 24V power supply to form +/12V rails Power Supply With Negative Voltage We have discussed why negative voltage is important in electronic projects, how to make a simple dual rail power supply, and how to get a negative voltage from: A negative voltage power supply. One of the easiest ways of generating a negative voltage is to add an additional winding to an existing transformer based power supply. By the transformer coupling,. Power Supply With Negative Voltage.
From www.aliexpress.com
DCDCNegativeVoltagePowerSupplyModuleDCDCConverterBoardReverseNegativeVoltageOutput Power Supply With Negative Voltage To connect negative voltage from a battery, we simply tie the positive terminal of the battery to ground and the negative terminal of the battery to whatever part needs negative voltage. A negative voltage power supply. If you desire a serious. We have discussed why negative voltage is important in electronic projects, how to make a simple dual rail power. Power Supply With Negative Voltage.
From www.walmart.com
DCDC Positive Negative Power Supply, Stable Positive Negative Voltage Regulator, Audio Power Supply With Negative Voltage A negative voltage power supply. We have discussed why negative voltage is important in electronic projects, how to make a simple dual rail power supply, and how to get a negative voltage from: By the transformer coupling, energy stored in a. To connect negative voltage from a battery, we simply tie the positive terminal of the battery to ground and. Power Supply With Negative Voltage.
From powersupplypeinpa.blogspot.com
Power Supply Power Supply Negative Voltage Power Supply With Negative Voltage If you desire a serious. For low currents, a charge pump might be all you need. To connect negative voltage from a battery, we simply tie the positive terminal of the battery to ground and the negative terminal of the battery to whatever part needs negative voltage. By the transformer coupling, energy stored in a. A negative voltage power supply.. Power Supply With Negative Voltage.
From itecnotes.com
Electronic Eliminating negative output voltage in a LM317based power supply adjustable down Power Supply With Negative Voltage Basically, you get a negative voltage by calling the positive terminal of the power supply zero volts. To connect negative voltage from a battery, we simply tie the positive terminal of the battery to ground and the negative terminal of the battery to whatever part needs negative voltage. For low currents, a charge pump might be all you need. A. Power Supply With Negative Voltage.
From itecnotes.com
Electronic How to make a simple negative power supply Valuable Tech Notes Power Supply With Negative Voltage For low currents, a charge pump might be all you need. If you are stuck with one dc input power voltage, then you can make a negative voltage easily yourself. Basically, you get a negative voltage by calling the positive terminal of the power supply zero volts. If you desire a serious. One of the easiest ways of generating a. Power Supply With Negative Voltage.