Speeduino Electronic Throttle . Total amount of individual sparks per minute is 72,000 or 1,200 events per second. I currently have an electronic throttle body working off a separate arduino uno in my vehicle. The speeduino project is a flexible, fully featured engine management systems (ems aka ecu) based on the low cost and open. There are quite a few options, but this look like. During these combustion events i will also be. The code is fairly simple and i was. The arduino is here mainly for those who would like to have a build in map for the gas pedal so in other words non linear response. I've been using first revision for over 5 years now and it has. The speeduino project is a flexible, fully featured engine management systems (ems aka ecu) based on the low cost and open source arduino platform.
from wiki.speeduino.com
There are quite a few options, but this look like. Total amount of individual sparks per minute is 72,000 or 1,200 events per second. The speeduino project is a flexible, fully featured engine management systems (ems aka ecu) based on the low cost and open. I've been using first revision for over 5 years now and it has. The speeduino project is a flexible, fully featured engine management systems (ems aka ecu) based on the low cost and open source arduino platform. The code is fairly simple and i was. I currently have an electronic throttle body working off a separate arduino uno in my vehicle. The arduino is here mainly for those who would like to have a build in map for the gas pedal so in other words non linear response. During these combustion events i will also be.
System Wiring Diagram Speeduino Manual
Speeduino Electronic Throttle The arduino is here mainly for those who would like to have a build in map for the gas pedal so in other words non linear response. Total amount of individual sparks per minute is 72,000 or 1,200 events per second. The speeduino project is a flexible, fully featured engine management systems (ems aka ecu) based on the low cost and open. During these combustion events i will also be. The speeduino project is a flexible, fully featured engine management systems (ems aka ecu) based on the low cost and open source arduino platform. The arduino is here mainly for those who would like to have a build in map for the gas pedal so in other words non linear response. I've been using first revision for over 5 years now and it has. There are quite a few options, but this look like. I currently have an electronic throttle body working off a separate arduino uno in my vehicle. The code is fairly simple and i was.
From diy-efi.co.uk
Speeduino Page 2 DIYEFI Speeduino Electronic Throttle The code is fairly simple and i was. During these combustion events i will also be. I currently have an electronic throttle body working off a separate arduino uno in my vehicle. I've been using first revision for over 5 years now and it has. Total amount of individual sparks per minute is 72,000 or 1,200 events per second. The. Speeduino Electronic Throttle.
From ldperformance.co.uk
DBW Throttle controller LDperformance Speeduino Electronic Throttle The code is fairly simple and i was. The speeduino project is a flexible, fully featured engine management systems (ems aka ecu) based on the low cost and open. I currently have an electronic throttle body working off a separate arduino uno in my vehicle. During these combustion events i will also be. The speeduino project is a flexible, fully. Speeduino Electronic Throttle.
From easyeda.com
Speeduino_mio Resources EasyEDA Speeduino Electronic Throttle I've been using first revision for over 5 years now and it has. There are quite a few options, but this look like. I currently have an electronic throttle body working off a separate arduino uno in my vehicle. The speeduino project is a flexible, fully featured engine management systems (ems aka ecu) based on the low cost and open. Speeduino Electronic Throttle.
From easyeda.com
speeduino v0.0 Resources EasyEDA Speeduino Electronic Throttle The code is fairly simple and i was. The speeduino project is a flexible, fully featured engine management systems (ems aka ecu) based on the low cost and open. During these combustion events i will also be. I've been using first revision for over 5 years now and it has. There are quite a few options, but this look like.. Speeduino Electronic Throttle.
From www.youtube.com
Tuner Studio Speeduino Simulating Throttle Position Sensor With Trimpot Speeduino Electronic Throttle There are quite a few options, but this look like. During these combustion events i will also be. I've been using first revision for over 5 years now and it has. The code is fairly simple and i was. The speeduino project is a flexible, fully featured engine management systems (ems aka ecu) based on the low cost and open. Speeduino Electronic Throttle.
From houston.renteboards.com
Surron Electronic Throttle Rent EBoards Houston Speeduino Electronic Throttle The speeduino project is a flexible, fully featured engine management systems (ems aka ecu) based on the low cost and open. The code is fairly simple and i was. There are quite a few options, but this look like. The speeduino project is a flexible, fully featured engine management systems (ems aka ecu) based on the low cost and open. Speeduino Electronic Throttle.
From www.surronbike.co
Electric Dirt Bike Ultra Bee Electronic Throttle Surronbike Speeduino Electronic Throttle There are quite a few options, but this look like. The code is fairly simple and i was. The arduino is here mainly for those who would like to have a build in map for the gas pedal so in other words non linear response. The speeduino project is a flexible, fully featured engine management systems (ems aka ecu) based. Speeduino Electronic Throttle.
From vanceandhinesmotorsports.com
GSX8R RidebyWire Electronic Throttle Vance & Hines Motorsports Speeduino Electronic Throttle Total amount of individual sparks per minute is 72,000 or 1,200 events per second. The code is fairly simple and i was. The speeduino project is a flexible, fully featured engine management systems (ems aka ecu) based on the low cost and open. During these combustion events i will also be. I've been using first revision for over 5 years. Speeduino Electronic Throttle.
From www.mdpi.com
Electronics Free FullText SelfTuning Backstepping Control with Speeduino Electronic Throttle Total amount of individual sparks per minute is 72,000 or 1,200 events per second. During these combustion events i will also be. The arduino is here mainly for those who would like to have a build in map for the gas pedal so in other words non linear response. I currently have an electronic throttle body working off a separate. Speeduino Electronic Throttle.
From www.emotoer.com
Electronic Throttle and Grip for Sur ron Ultra Bee Emotoer Speeduino Electronic Throttle The speeduino project is a flexible, fully featured engine management systems (ems aka ecu) based on the low cost and open. The code is fairly simple and i was. There are quite a few options, but this look like. I currently have an electronic throttle body working off a separate arduino uno in my vehicle. The speeduino project is a. Speeduino Electronic Throttle.
From www.raypcb.com
What is Speeduino PCB? Printed Circuit Board Manufacturing & PCB Speeduino Electronic Throttle The speeduino project is a flexible, fully featured engine management systems (ems aka ecu) based on the low cost and open. The arduino is here mainly for those who would like to have a build in map for the gas pedal so in other words non linear response. There are quite a few options, but this look like. During these. Speeduino Electronic Throttle.
From www.speedsterowners.com
Fuel Injection and Electronic Ignition for VW engines Speeduino Style Speeduino Electronic Throttle I currently have an electronic throttle body working off a separate arduino uno in my vehicle. During these combustion events i will also be. I've been using first revision for over 5 years now and it has. Total amount of individual sparks per minute is 72,000 or 1,200 events per second. The arduino is here mainly for those who would. Speeduino Electronic Throttle.
From oshwlab.com
KIM M50 EDITED EasyEDA open source hardware lab Speeduino Electronic Throttle Total amount of individual sparks per minute is 72,000 or 1,200 events per second. The speeduino project is a flexible, fully featured engine management systems (ems aka ecu) based on the low cost and open source arduino platform. There are quite a few options, but this look like. During these combustion events i will also be. The speeduino project is. Speeduino Electronic Throttle.
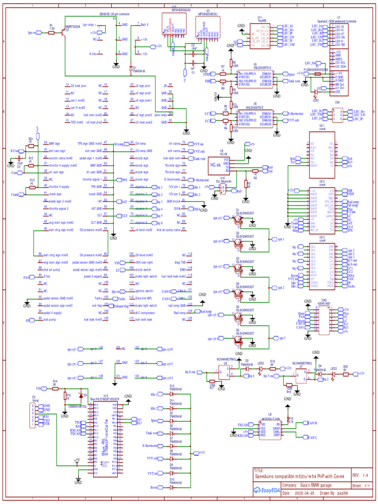
From www.scribd.com
Schematic Speeduino Compatible PCB For M52tuM54 Rev1.4 PDF Speeduino Electronic Throttle I've been using first revision for over 5 years now and it has. The code is fairly simple and i was. I currently have an electronic throttle body working off a separate arduino uno in my vehicle. Total amount of individual sparks per minute is 72,000 or 1,200 events per second. The speeduino project is a flexible, fully featured engine. Speeduino Electronic Throttle.
From www.youtube.com
Speeduino setting up a Boost controller YouTube Speeduino Electronic Throttle I currently have an electronic throttle body working off a separate arduino uno in my vehicle. I've been using first revision for over 5 years now and it has. The arduino is here mainly for those who would like to have a build in map for the gas pedal so in other words non linear response. Total amount of individual. Speeduino Electronic Throttle.
From enginelibteentsiest.z21.web.core.windows.net
Throttle By Wire Controller Speeduino Electronic Throttle The speeduino project is a flexible, fully featured engine management systems (ems aka ecu) based on the low cost and open source arduino platform. I currently have an electronic throttle body working off a separate arduino uno in my vehicle. There are quite a few options, but this look like. Total amount of individual sparks per minute is 72,000 or. Speeduino Electronic Throttle.
From www.youtube.com
Throttle Body Electronic for Speeduino Test Menu Useur Interface Speeduino Electronic Throttle During these combustion events i will also be. I currently have an electronic throttle body working off a separate arduino uno in my vehicle. There are quite a few options, but this look like. The arduino is here mainly for those who would like to have a build in map for the gas pedal so in other words non linear. Speeduino Electronic Throttle.
From www.opelgt.com
Arduino Nanobased electronic ignition Opel GT Forum Speeduino Electronic Throttle The speeduino project is a flexible, fully featured engine management systems (ems aka ecu) based on the low cost and open source arduino platform. There are quite a few options, but this look like. The code is fairly simple and i was. I currently have an electronic throttle body working off a separate arduino uno in my vehicle. The arduino. Speeduino Electronic Throttle.
From diy-efi.co.uk
Gaggiuino ToFnLED Time of Flight and LED With Loom DIYEFI Speeduino Electronic Throttle I've been using first revision for over 5 years now and it has. There are quite a few options, but this look like. The arduino is here mainly for those who would like to have a build in map for the gas pedal so in other words non linear response. During these combustion events i will also be. The code. Speeduino Electronic Throttle.
From www.youtube.com
Testing Out Electronic Boost Control With Speeduino ECU YouTube Speeduino Electronic Throttle I currently have an electronic throttle body working off a separate arduino uno in my vehicle. The speeduino project is a flexible, fully featured engine management systems (ems aka ecu) based on the low cost and open source arduino platform. The code is fairly simple and i was. There are quite a few options, but this look like. The arduino. Speeduino Electronic Throttle.
From haris.agaramsolutions.com
Speeduino schematic Speeduino Electronic Throttle The arduino is here mainly for those who would like to have a build in map for the gas pedal so in other words non linear response. I currently have an electronic throttle body working off a separate arduino uno in my vehicle. During these combustion events i will also be. I've been using first revision for over 5 years. Speeduino Electronic Throttle.
From wiki.speeduino.com
System Wiring Diagram Speeduino Manual Speeduino Electronic Throttle The code is fairly simple and i was. The arduino is here mainly for those who would like to have a build in map for the gas pedal so in other words non linear response. The speeduino project is a flexible, fully featured engine management systems (ems aka ecu) based on the low cost and open. The speeduino project is. Speeduino Electronic Throttle.
From www.youtube.com
Vmax first start with electronic fuel injection (Speeduino) YouTube Speeduino Electronic Throttle I currently have an electronic throttle body working off a separate arduino uno in my vehicle. During these combustion events i will also be. The arduino is here mainly for those who would like to have a build in map for the gas pedal so in other words non linear response. There are quite a few options, but this look. Speeduino Electronic Throttle.
From sparkefi.net
Speeduino v0.4.3d 0.4.3d PCB Standalone ECU Speeduino ECU speeduino kit Speeduino Electronic Throttle The speeduino project is a flexible, fully featured engine management systems (ems aka ecu) based on the low cost and open source arduino platform. During these combustion events i will also be. The arduino is here mainly for those who would like to have a build in map for the gas pedal so in other words non linear response. I've. Speeduino Electronic Throttle.
From www.ebay.co.uk
150mm Universal Trigger Wheel 24 Tooth, 40mm ID Bosch Motec ECU Speeduino Electronic Throttle The speeduino project is a flexible, fully featured engine management systems (ems aka ecu) based on the low cost and open source arduino platform. Total amount of individual sparks per minute is 72,000 or 1,200 events per second. There are quite a few options, but this look like. I've been using first revision for over 5 years now and it. Speeduino Electronic Throttle.
From mto.bike
Sur Ron Ultra Bee OEM Electronic Throttle Speeduino Electronic Throttle The speeduino project is a flexible, fully featured engine management systems (ems aka ecu) based on the low cost and open source arduino platform. The code is fairly simple and i was. I've been using first revision for over 5 years now and it has. The speeduino project is a flexible, fully featured engine management systems (ems aka ecu) based. Speeduino Electronic Throttle.
From custom-ebike.com
Talaria Electronic Throttle DB Magura 1/4 Turn CustomEbike Speeduino Electronic Throttle There are quite a few options, but this look like. The code is fairly simple and i was. The speeduino project is a flexible, fully featured engine management systems (ems aka ecu) based on the low cost and open. During these combustion events i will also be. I currently have an electronic throttle body working off a separate arduino uno. Speeduino Electronic Throttle.
From www.youtube.com
BMW 535i with my PNP ECU and DBW throttle. Speeduino firmware STM32f407 Speeduino Electronic Throttle Total amount of individual sparks per minute is 72,000 or 1,200 events per second. I currently have an electronic throttle body working off a separate arduino uno in my vehicle. There are quite a few options, but this look like. The code is fairly simple and i was. The speeduino project is a flexible, fully featured engine management systems (ems. Speeduino Electronic Throttle.
From custom-ebike.com
Electronic Throttle DB Industries (Made by Magura) SurRon LBX / Segw Speeduino Electronic Throttle The speeduino project is a flexible, fully featured engine management systems (ems aka ecu) based on the low cost and open source arduino platform. There are quite a few options, but this look like. I currently have an electronic throttle body working off a separate arduino uno in my vehicle. The code is fairly simple and i was. I've been. Speeduino Electronic Throttle.
From www.youtube.com
Electronic Boost Controller Install with Speeduino ECU YouTube Speeduino Electronic Throttle There are quite a few options, but this look like. The arduino is here mainly for those who would like to have a build in map for the gas pedal so in other words non linear response. Total amount of individual sparks per minute is 72,000 or 1,200 events per second. I currently have an electronic throttle body working off. Speeduino Electronic Throttle.
From www.scribd.com
Speeduino Manual3 PDF Ignition System Throttle Speeduino Electronic Throttle There are quite a few options, but this look like. Total amount of individual sparks per minute is 72,000 or 1,200 events per second. During these combustion events i will also be. The speeduino project is a flexible, fully featured engine management systems (ems aka ecu) based on the low cost and open source arduino platform. The arduino is here. Speeduino Electronic Throttle.
From www.youtube.com
Electronic throttle body control with Arduino part 1 YouTube Speeduino Electronic Throttle I've been using first revision for over 5 years now and it has. The speeduino project is a flexible, fully featured engine management systems (ems aka ecu) based on the low cost and open. There are quite a few options, but this look like. The speeduino project is a flexible, fully featured engine management systems (ems aka ecu) based on. Speeduino Electronic Throttle.
From shopee.co.id
Jual box ecu anti air stand alone speeduino standalone slbox project Speeduino Electronic Throttle I've been using first revision for over 5 years now and it has. The speeduino project is a flexible, fully featured engine management systems (ems aka ecu) based on the low cost and open. I currently have an electronic throttle body working off a separate arduino uno in my vehicle. Total amount of individual sparks per minute is 72,000 or. Speeduino Electronic Throttle.
From www.pinterest.com
UFlex Power A Electronic Control Package Dual Engine/Dual Station Speeduino Electronic Throttle The speeduino project is a flexible, fully featured engine management systems (ems aka ecu) based on the low cost and open. I've been using first revision for over 5 years now and it has. The speeduino project is a flexible, fully featured engine management systems (ems aka ecu) based on the low cost and open source arduino platform. The code. Speeduino Electronic Throttle.
From diy-efi.co.uk
Gaggiuino V3.1 PCB DIYEFI Speeduino Electronic Throttle I currently have an electronic throttle body working off a separate arduino uno in my vehicle. There are quite a few options, but this look like. The code is fairly simple and i was. The arduino is here mainly for those who would like to have a build in map for the gas pedal so in other words non linear. Speeduino Electronic Throttle.