Difference Entre Push Pull Et Open Collector . Why does a push pull output have a faster slope than an open drain output? Les trois types les plus courants sont les suivants : This article explains each type to help. Why would a sawtooth (open drain) waveform be converted to a square wave when delays are added? Not the same power voltage. Cet article explique chaque type de signal de sortie. In the off state it will supply a path to ground and in the on state it will supply vcc. Open drain outputs can be made to tolerate a higher voltage than the supply voltage without too much burden. Open collector is an implementation wherein the ic will not provide the supply by itself the external circuit by floating its collector and let the external pull up to provide bias on the external. There are two cases where it might make a difference: This functionality will work the same with labwindows cvi,.
from www.egatereferencement.com
Why does a push pull output have a faster slope than an open drain output? In the off state it will supply a path to ground and in the on state it will supply vcc. Why would a sawtooth (open drain) waveform be converted to a square wave when delays are added? Open collector is an implementation wherein the ic will not provide the supply by itself the external circuit by floating its collector and let the external pull up to provide bias on the external. Cet article explique chaque type de signal de sortie. Les trois types les plus courants sont les suivants : This article explains each type to help. Not the same power voltage. Open drain outputs can be made to tolerate a higher voltage than the supply voltage without too much burden. There are two cases where it might make a difference:
Push vs Pull Marketing Agence eGate Référencement
Difference Entre Push Pull Et Open Collector Les trois types les plus courants sont les suivants : Cet article explique chaque type de signal de sortie. This functionality will work the same with labwindows cvi,. Open collector is an implementation wherein the ic will not provide the supply by itself the external circuit by floating its collector and let the external pull up to provide bias on the external. Not the same power voltage. Why would a sawtooth (open drain) waveform be converted to a square wave when delays are added? Why does a push pull output have a faster slope than an open drain output? Les trois types les plus courants sont les suivants : This article explains each type to help. There are two cases where it might make a difference: Open drain outputs can be made to tolerate a higher voltage than the supply voltage without too much burden. In the off state it will supply a path to ground and in the on state it will supply vcc.
From www.youtube.com
ECOADE 20 Las estrategias push y pull Explicación y ejemplos Difference Entre Push Pull Et Open Collector Cet article explique chaque type de signal de sortie. Not the same power voltage. This functionality will work the same with labwindows cvi,. In the off state it will supply a path to ground and in the on state it will supply vcc. Why would a sawtooth (open drain) waveform be converted to a square wave when delays are added?. Difference Entre Push Pull Et Open Collector.
From www.dobuss.es
Estrategia push y pull qué son, diferencias y ejemplos Dobuss Difference Entre Push Pull Et Open Collector Open collector is an implementation wherein the ic will not provide the supply by itself the external circuit by floating its collector and let the external pull up to provide bias on the external. Open drain outputs can be made to tolerate a higher voltage than the supply voltage without too much burden. Not the same power voltage. Les trois. Difference Entre Push Pull Et Open Collector.
From www.pawa.zone
Les La Stratégie “PULL” et “PUSH” PAWA Difference Entre Push Pull Et Open Collector Open drain outputs can be made to tolerate a higher voltage than the supply voltage without too much burden. Why would a sawtooth (open drain) waveform be converted to a square wave when delays are added? Cet article explique chaque type de signal de sortie. Not the same power voltage. There are two cases where it might make a difference:. Difference Entre Push Pull Et Open Collector.
From rosanarosas.com
Qué es el Marketing Push y Pull. Diferencias, Cuál Elegir [Infografía] Difference Entre Push Pull Et Open Collector Not the same power voltage. Open collector is an implementation wherein the ic will not provide the supply by itself the external circuit by floating its collector and let the external pull up to provide bias on the external. This article explains each type to help. Why would a sawtooth (open drain) waveform be converted to a square wave when. Difference Entre Push Pull Et Open Collector.
From www.amvos-digital.com
Diferencias entre las estrategias Push y Pull ¿Cúal es la mejor para tu Difference Entre Push Pull Et Open Collector Cet article explique chaque type de signal de sortie. Not the same power voltage. Why does a push pull output have a faster slope than an open drain output? This article explains each type to help. Open drain outputs can be made to tolerate a higher voltage than the supply voltage without too much burden. In the off state it. Difference Entre Push Pull Et Open Collector.
From simpliroute.com
Sistema Push Vs. Sistema Pull Características y Diferencias Difference Entre Push Pull Et Open Collector This functionality will work the same with labwindows cvi,. Les trois types les plus courants sont les suivants : Cet article explique chaque type de signal de sortie. This article explains each type to help. Why does a push pull output have a faster slope than an open drain output? Why would a sawtooth (open drain) waveform be converted to. Difference Entre Push Pull Et Open Collector.
From hs.bleexo.com
Comment passer d'un push à un pull management Difference Entre Push Pull Et Open Collector Why does a push pull output have a faster slope than an open drain output? This functionality will work the same with labwindows cvi,. This article explains each type to help. There are two cases where it might make a difference: Not the same power voltage. Why would a sawtooth (open drain) waveform be converted to a square wave when. Difference Entre Push Pull Et Open Collector.
From hedyla.com
Diferencias entre distribución Push y Pull Hedyla Difference Entre Push Pull Et Open Collector There are two cases where it might make a difference: Les trois types les plus courants sont les suivants : In the off state it will supply a path to ground and in the on state it will supply vcc. Why would a sawtooth (open drain) waveform be converted to a square wave when delays are added? This article explains. Difference Entre Push Pull Et Open Collector.
From www.deskera.com
Push System vs. Pull System in Manufacturing Management Difference Entre Push Pull Et Open Collector Why does a push pull output have a faster slope than an open drain output? Open drain outputs can be made to tolerate a higher voltage than the supply voltage without too much burden. Not the same power voltage. This functionality will work the same with labwindows cvi,. There are two cases where it might make a difference: Les trois. Difference Entre Push Pull Et Open Collector.
From www.emarketerz.fr
Méthode Push and Pull quelles différences pour votre stratégie Difference Entre Push Pull Et Open Collector Why does a push pull output have a faster slope than an open drain output? Not the same power voltage. This article explains each type to help. Open drain outputs can be made to tolerate a higher voltage than the supply voltage without too much burden. Les trois types les plus courants sont les suivants : There are two cases. Difference Entre Push Pull Et Open Collector.
From es.slideshare.net
Diferencias entre push y pull marketing Difference Entre Push Pull Et Open Collector There are two cases where it might make a difference: In the off state it will supply a path to ground and in the on state it will supply vcc. Cet article explique chaque type de signal de sortie. Les trois types les plus courants sont les suivants : Open drain outputs can be made to tolerate a higher voltage. Difference Entre Push Pull Et Open Collector.
From www.youtube.com
Push vs Pull Marketing YouTube Difference Entre Push Pull Et Open Collector Not the same power voltage. Cet article explique chaque type de signal de sortie. Why does a push pull output have a faster slope than an open drain output? In the off state it will supply a path to ground and in the on state it will supply vcc. This article explains each type to help. There are two cases. Difference Entre Push Pull Et Open Collector.
From gocardless.com
Quelle est la différence entre les paiements « push » et « pull Difference Entre Push Pull Et Open Collector Cet article explique chaque type de signal de sortie. In the off state it will supply a path to ground and in the on state it will supply vcc. This functionality will work the same with labwindows cvi,. Open collector is an implementation wherein the ic will not provide the supply by itself the external circuit by floating its collector. Difference Entre Push Pull Et Open Collector.
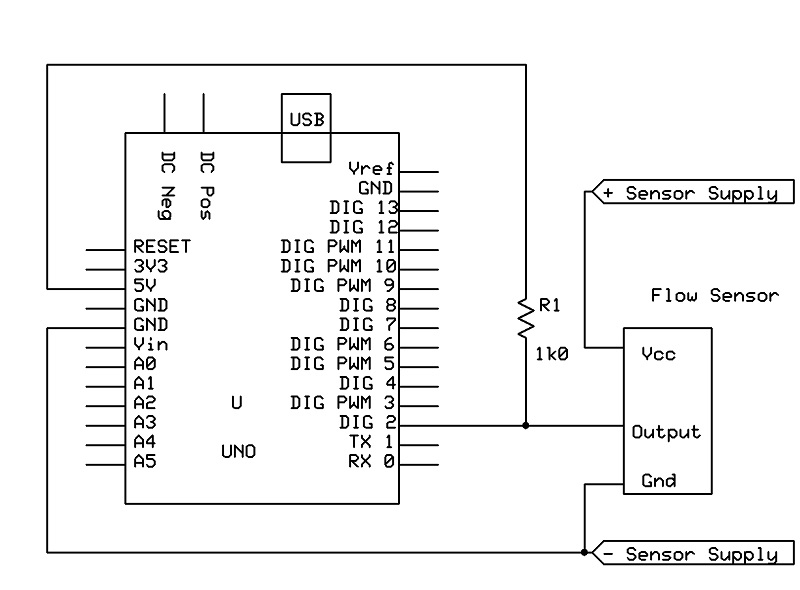
From forum.arduino.cc
Powering and Reading an Open Collector Flow Sensor. Project Guidance Difference Entre Push Pull Et Open Collector There are two cases where it might make a difference: This functionality will work the same with labwindows cvi,. In the off state it will supply a path to ground and in the on state it will supply vcc. Les trois types les plus courants sont les suivants : Cet article explique chaque type de signal de sortie. Why would. Difference Entre Push Pull Et Open Collector.
From thestartupelevator.com
Stratégie Push & pull marketing définition, différences et méthodes Difference Entre Push Pull Et Open Collector Not the same power voltage. There are two cases where it might make a difference: Open drain outputs can be made to tolerate a higher voltage than the supply voltage without too much burden. Cet article explique chaque type de signal de sortie. This article explains each type to help. Open collector is an implementation wherein the ic will not. Difference Entre Push Pull Et Open Collector.
From www.hablemosdemarketing.com.pe
Diferencia entre Push y Pull Hablemos de Marketing Perú Difference Entre Push Pull Et Open Collector Why does a push pull output have a faster slope than an open drain output? Les trois types les plus courants sont les suivants : Open drain outputs can be made to tolerate a higher voltage than the supply voltage without too much burden. This article explains each type to help. Cet article explique chaque type de signal de sortie.. Difference Entre Push Pull Et Open Collector.
From dsprocks.blogspot.com
Supply Chain Made easy for you. Push vs Pull in designing Supply chain Difference Entre Push Pull Et Open Collector There are two cases where it might make a difference: In the off state it will supply a path to ground and in the on state it will supply vcc. Cet article explique chaque type de signal de sortie. Why would a sawtooth (open drain) waveform be converted to a square wave when delays are added? This functionality will work. Difference Entre Push Pull Et Open Collector.
From www.cabler-sa-guitare.fr
Plan câblage LesPaul® push pull split Câbler sa guitare Difference Entre Push Pull Et Open Collector Open drain outputs can be made to tolerate a higher voltage than the supply voltage without too much burden. This functionality will work the same with labwindows cvi,. This article explains each type to help. Why does a push pull output have a faster slope than an open drain output? There are two cases where it might make a difference:. Difference Entre Push Pull Et Open Collector.
From leconceptmarketing.com
La différence entre les stratégies de marketing push et pull Difference Entre Push Pull Et Open Collector Les trois types les plus courants sont les suivants : Why does a push pull output have a faster slope than an open drain output? Cet article explique chaque type de signal de sortie. Why would a sawtooth (open drain) waveform be converted to a square wave when delays are added? Not the same power voltage. Open drain outputs can. Difference Entre Push Pull Et Open Collector.
From rosanarosas.com
Qué es el Marketing Push y Pull. Diferencias, Cuál Elegir [Infografía] Difference Entre Push Pull Et Open Collector Open drain outputs can be made to tolerate a higher voltage than the supply voltage without too much burden. This article explains each type to help. This functionality will work the same with labwindows cvi,. Cet article explique chaque type de signal de sortie. In the off state it will supply a path to ground and in the on state. Difference Entre Push Pull Et Open Collector.
From blog.quick.com.co
Sistemas Push y Pull ¿Cuáles son las diferencias? Quick Difference Entre Push Pull Et Open Collector This functionality will work the same with labwindows cvi,. Open drain outputs can be made to tolerate a higher voltage than the supply voltage without too much burden. Why would a sawtooth (open drain) waveform be converted to a square wave when delays are added? Why does a push pull output have a faster slope than an open drain output?. Difference Entre Push Pull Et Open Collector.
From www.mecalux.fr
Stratégie Push and Pull en logistique Mecalux.fr Difference Entre Push Pull Et Open Collector This functionality will work the same with labwindows cvi,. Not the same power voltage. In the off state it will supply a path to ground and in the on state it will supply vcc. Cet article explique chaque type de signal de sortie. Why would a sawtooth (open drain) waveform be converted to a square wave when delays are added?. Difference Entre Push Pull Et Open Collector.
From www.allaboutlean.com
The (true) Difference between Push and Pull Difference Entre Push Pull Et Open Collector There are two cases where it might make a difference: Why would a sawtooth (open drain) waveform be converted to a square wave when delays are added? This article explains each type to help. Cet article explique chaque type de signal de sortie. Not the same power voltage. Why does a push pull output have a faster slope than an. Difference Entre Push Pull Et Open Collector.
From javierregueira.com
PUSH vs. PULL o encontrar sinergias? Javier Regueira Difference Entre Push Pull Et Open Collector This article explains each type to help. In the off state it will supply a path to ground and in the on state it will supply vcc. Open drain outputs can be made to tolerate a higher voltage than the supply voltage without too much burden. Why would a sawtooth (open drain) waveform be converted to a square wave when. Difference Entre Push Pull Et Open Collector.
From circuitdatablockboard.z21.web.core.windows.net
Drain Of The Internal Fet Switch Difference Entre Push Pull Et Open Collector Les trois types les plus courants sont les suivants : Not the same power voltage. Why would a sawtooth (open drain) waveform be converted to a square wave when delays are added? This functionality will work the same with labwindows cvi,. This article explains each type to help. Why does a push pull output have a faster slope than an. Difference Entre Push Pull Et Open Collector.
From electronics.stackexchange.com
pullup OpenCollector to PushPull Electrical Engineering Stack Difference Entre Push Pull Et Open Collector This article explains each type to help. There are two cases where it might make a difference: Why would a sawtooth (open drain) waveform be converted to a square wave when delays are added? Open drain outputs can be made to tolerate a higher voltage than the supply voltage without too much burden. Open collector is an implementation wherein the. Difference Entre Push Pull Et Open Collector.
From mungfali.com
Push Pull Strategy Difference Entre Push Pull Et Open Collector Open drain outputs can be made to tolerate a higher voltage than the supply voltage without too much burden. This functionality will work the same with labwindows cvi,. In the off state it will supply a path to ground and in the on state it will supply vcc. This article explains each type to help. Open collector is an implementation. Difference Entre Push Pull Et Open Collector.
From www.fool.com
A Beginner's Guide to Push vs. Pull Marketing The Blueprint Difference Entre Push Pull Et Open Collector This functionality will work the same with labwindows cvi,. Cet article explique chaque type de signal de sortie. Open collector is an implementation wherein the ic will not provide the supply by itself the external circuit by floating its collector and let the external pull up to provide bias on the external. There are two cases where it might make. Difference Entre Push Pull Et Open Collector.
From swebmty.com
Diferencias entre las estrategias de Marketing Push y Pull Soluciones Difference Entre Push Pull Et Open Collector Open collector is an implementation wherein the ic will not provide the supply by itself the external circuit by floating its collector and let the external pull up to provide bias on the external. Why does a push pull output have a faster slope than an open drain output? There are two cases where it might make a difference: Why. Difference Entre Push Pull Et Open Collector.
From www.cgisa.es
PLANIFICACIÓN DE LA PRODUCCIÓN PULL vs. PUSH CGI Difference Entre Push Pull Et Open Collector Cet article explique chaque type de signal de sortie. Les trois types les plus courants sont les suivants : Not the same power voltage. This functionality will work the same with labwindows cvi,. Why would a sawtooth (open drain) waveform be converted to a square wave when delays are added? Why does a push pull output have a faster slope. Difference Entre Push Pull Et Open Collector.
From www.scribd.com
La Différence Entre La Méthode Push Et Pull PDF Difference Entre Push Pull Et Open Collector This functionality will work the same with labwindows cvi,. Les trois types les plus courants sont les suivants : Why does a push pull output have a faster slope than an open drain output? Open collector is an implementation wherein the ic will not provide the supply by itself the external circuit by floating its collector and let the external. Difference Entre Push Pull Et Open Collector.
From www.egatereferencement.com
Push vs Pull Marketing Agence eGate Référencement Difference Entre Push Pull Et Open Collector This functionality will work the same with labwindows cvi,. Not the same power voltage. In the off state it will supply a path to ground and in the on state it will supply vcc. Cet article explique chaque type de signal de sortie. This article explains each type to help. Les trois types les plus courants sont les suivants :. Difference Entre Push Pull Et Open Collector.
From www.youtube.com
Pull vs. push strategy Meaning Difference Promotion mix Difference Entre Push Pull Et Open Collector Why would a sawtooth (open drain) waveform be converted to a square wave when delays are added? This functionality will work the same with labwindows cvi,. In the off state it will supply a path to ground and in the on state it will supply vcc. This article explains each type to help. There are two cases where it might. Difference Entre Push Pull Et Open Collector.
From www.dozuki.com
Push vs. Pull System in Manufacturing A Complete Overview for Difference Entre Push Pull Et Open Collector Cet article explique chaque type de signal de sortie. Not the same power voltage. Why would a sawtooth (open drain) waveform be converted to a square wave when delays are added? Open drain outputs can be made to tolerate a higher voltage than the supply voltage without too much burden. Les trois types les plus courants sont les suivants :. Difference Entre Push Pull Et Open Collector.
From www.youtube.com
Différence entre push et pull. Comment orienter votre marketing? YouTube Difference Entre Push Pull Et Open Collector There are two cases where it might make a difference: This article explains each type to help. Not the same power voltage. Why would a sawtooth (open drain) waveform be converted to a square wave when delays are added? In the off state it will supply a path to ground and in the on state it will supply vcc. Cet. Difference Entre Push Pull Et Open Collector.