Feed Tank P Id . The p&id is begun during a project’s feed phase, where the goal is to produce a project cost estimate within 10% accuracy. Like a properly designed database,. A p&id (also known as pefs, process engineering flow scheme) is a fundamental engineering document that serves various purposes as mentioned below. Together with isolation valves, they are an absolute requirement for instrument. Piping and instrument diagram standard symbols detailed documentation provides a standard set of shapes & symbols for documenting p&id and. P&ids may be viewed as a database of equipment, devices, lines and various sundry items that make up a process plant. Without a complete set of p&ids, the. You will learn how to read p&id and pefs with the help of the actual plant drawing. Safety valves are part of the essential valves system for p&ids. Piping and instrument diagram (p&id) is a schematic diagram that shows how equipment and instruments connect to form a functional. P&id is more complex than pfd and includes lots of details.
from www.scribd.com
You will learn how to read p&id and pefs with the help of the actual plant drawing. P&ids may be viewed as a database of equipment, devices, lines and various sundry items that make up a process plant. Piping and instrument diagram standard symbols detailed documentation provides a standard set of shapes & symbols for documenting p&id and. The p&id is begun during a project’s feed phase, where the goal is to produce a project cost estimate within 10% accuracy. Without a complete set of p&ids, the. Together with isolation valves, they are an absolute requirement for instrument. Safety valves are part of the essential valves system for p&ids. P&id is more complex than pfd and includes lots of details. A p&id (also known as pefs, process engineering flow scheme) is a fundamental engineering document that serves various purposes as mentioned below. Piping and instrument diagram (p&id) is a schematic diagram that shows how equipment and instruments connect to form a functional.
Feed Water Tank P&ID PDF Energy Technology Energy Conversion
Feed Tank P Id Piping and instrument diagram standard symbols detailed documentation provides a standard set of shapes & symbols for documenting p&id and. The p&id is begun during a project’s feed phase, where the goal is to produce a project cost estimate within 10% accuracy. Like a properly designed database,. P&ids may be viewed as a database of equipment, devices, lines and various sundry items that make up a process plant. Piping and instrument diagram standard symbols detailed documentation provides a standard set of shapes & symbols for documenting p&id and. Safety valves are part of the essential valves system for p&ids. A p&id (also known as pefs, process engineering flow scheme) is a fundamental engineering document that serves various purposes as mentioned below. Without a complete set of p&ids, the. P&id is more complex than pfd and includes lots of details. You will learn how to read p&id and pefs with the help of the actual plant drawing. Piping and instrument diagram (p&id) is a schematic diagram that shows how equipment and instruments connect to form a functional. Together with isolation valves, they are an absolute requirement for instrument.
From blog.isa.org
Simple Strategies for Optimizing Ethanol Plants Feed Tank P Id Without a complete set of p&ids, the. Like a properly designed database,. A p&id (also known as pefs, process engineering flow scheme) is a fundamental engineering document that serves various purposes as mentioned below. Safety valves are part of the essential valves system for p&ids. You will learn how to read p&id and pefs with the help of the actual. Feed Tank P Id.
From mydiagram.online
[DIAGRAM] Ts Diagram Steam Production Feed Tank P Id Piping and instrument diagram (p&id) is a schematic diagram that shows how equipment and instruments connect to form a functional. Piping and instrument diagram standard symbols detailed documentation provides a standard set of shapes & symbols for documenting p&id and. P&ids may be viewed as a database of equipment, devices, lines and various sundry items that make up a process. Feed Tank P Id.
From www.facebook.com
P&ID (PIPING AND INSTRUMENTATION... Petroleum encyclopedia Feed Tank P Id Safety valves are part of the essential valves system for p&ids. P&ids may be viewed as a database of equipment, devices, lines and various sundry items that make up a process plant. A p&id (also known as pefs, process engineering flow scheme) is a fundamental engineering document that serves various purposes as mentioned below. Piping and instrument diagram standard symbols. Feed Tank P Id.
From www.facebook.com
Typical P&ID of storage tank of... Petroleum encyclopedia Feed Tank P Id Piping and instrument diagram standard symbols detailed documentation provides a standard set of shapes & symbols for documenting p&id and. Piping and instrument diagram (p&id) is a schematic diagram that shows how equipment and instruments connect to form a functional. You will learn how to read p&id and pefs with the help of the actual plant drawing. P&id is more. Feed Tank P Id.
From schematicsolitons.z14.web.core.windows.net
Process And Instrumentation Diagram Feed Tank P Id You will learn how to read p&id and pefs with the help of the actual plant drawing. Like a properly designed database,. Piping and instrument diagram standard symbols detailed documentation provides a standard set of shapes & symbols for documenting p&id and. P&ids may be viewed as a database of equipment, devices, lines and various sundry items that make up. Feed Tank P Id.
From www.researchgate.net
LNG storage tank P and ID diagram (courtesy M. Giardina, M Feed Tank P Id The p&id is begun during a project’s feed phase, where the goal is to produce a project cost estimate within 10% accuracy. P&id is more complex than pfd and includes lots of details. P&ids may be viewed as a database of equipment, devices, lines and various sundry items that make up a process plant. Together with isolation valves, they are. Feed Tank P Id.
From www.myxxgirl.com
Boiler Feed Water Deaerator Tank My XXX Hot Girl Feed Tank P Id P&id is more complex than pfd and includes lots of details. Together with isolation valves, they are an absolute requirement for instrument. Without a complete set of p&ids, the. Piping and instrument diagram standard symbols detailed documentation provides a standard set of shapes & symbols for documenting p&id and. Piping and instrument diagram (p&id) is a schematic diagram that shows. Feed Tank P Id.
From www.lucidchart.com
P&ID Examples Lucidchart Feed Tank P Id You will learn how to read p&id and pefs with the help of the actual plant drawing. The p&id is begun during a project’s feed phase, where the goal is to produce a project cost estimate within 10% accuracy. P&id is more complex than pfd and includes lots of details. Together with isolation valves, they are an absolute requirement for. Feed Tank P Id.
From www.linkedin.com
How to Read P&ID Symbols." Feed Tank P Id Safety valves are part of the essential valves system for p&ids. P&ids may be viewed as a database of equipment, devices, lines and various sundry items that make up a process plant. Without a complete set of p&ids, the. Together with isolation valves, they are an absolute requirement for instrument. The p&id is begun during a project’s feed phase, where. Feed Tank P Id.
From guidemanualspyglasses.z14.web.core.windows.net
Control Valve P&id Diagram Feed Tank P Id P&ids may be viewed as a database of equipment, devices, lines and various sundry items that make up a process plant. The p&id is begun during a project’s feed phase, where the goal is to produce a project cost estimate within 10% accuracy. You will learn how to read p&id and pefs with the help of the actual plant drawing.. Feed Tank P Id.
From www.youtube.com
Learn how to draw a Liquid Storage Tank P&ID WondershareEdrawsoft Feed Tank P Id You will learn how to read p&id and pefs with the help of the actual plant drawing. Like a properly designed database,. The p&id is begun during a project’s feed phase, where the goal is to produce a project cost estimate within 10% accuracy. Together with isolation valves, they are an absolute requirement for instrument. P&ids may be viewed as. Feed Tank P Id.
From corsosystems.com
P&ID Drawings 201 Reading Real World Examples — Corso Systems Feed Tank P Id Like a properly designed database,. The p&id is begun during a project’s feed phase, where the goal is to produce a project cost estimate within 10% accuracy. You will learn how to read p&id and pefs with the help of the actual plant drawing. Piping and instrument diagram standard symbols detailed documentation provides a standard set of shapes & symbols. Feed Tank P Id.
From www.wareinc.com
Testing & Maintaining a Healthy Deaerator WARE Feed Tank P Id Piping and instrument diagram (p&id) is a schematic diagram that shows how equipment and instruments connect to form a functional. Together with isolation valves, they are an absolute requirement for instrument. Without a complete set of p&ids, the. P&ids may be viewed as a database of equipment, devices, lines and various sundry items that make up a process plant. The. Feed Tank P Id.
From www.edrawsoft.com
Guía sobre Símbolos de Tanques P&ID Feed Tank P Id Like a properly designed database,. Safety valves are part of the essential valves system for p&ids. Without a complete set of p&ids, the. Together with isolation valves, they are an absolute requirement for instrument. The p&id is begun during a project’s feed phase, where the goal is to produce a project cost estimate within 10% accuracy. You will learn how. Feed Tank P Id.
From www.getreskilled.com
Reading P&ID Symbols A StepbyStep Guide GetReskilled Feed Tank P Id Together with isolation valves, they are an absolute requirement for instrument. The p&id is begun during a project’s feed phase, where the goal is to produce a project cost estimate within 10% accuracy. A p&id (also known as pefs, process engineering flow scheme) is a fundamental engineering document that serves various purposes as mentioned below. Safety valves are part of. Feed Tank P Id.
From www.reddit.com
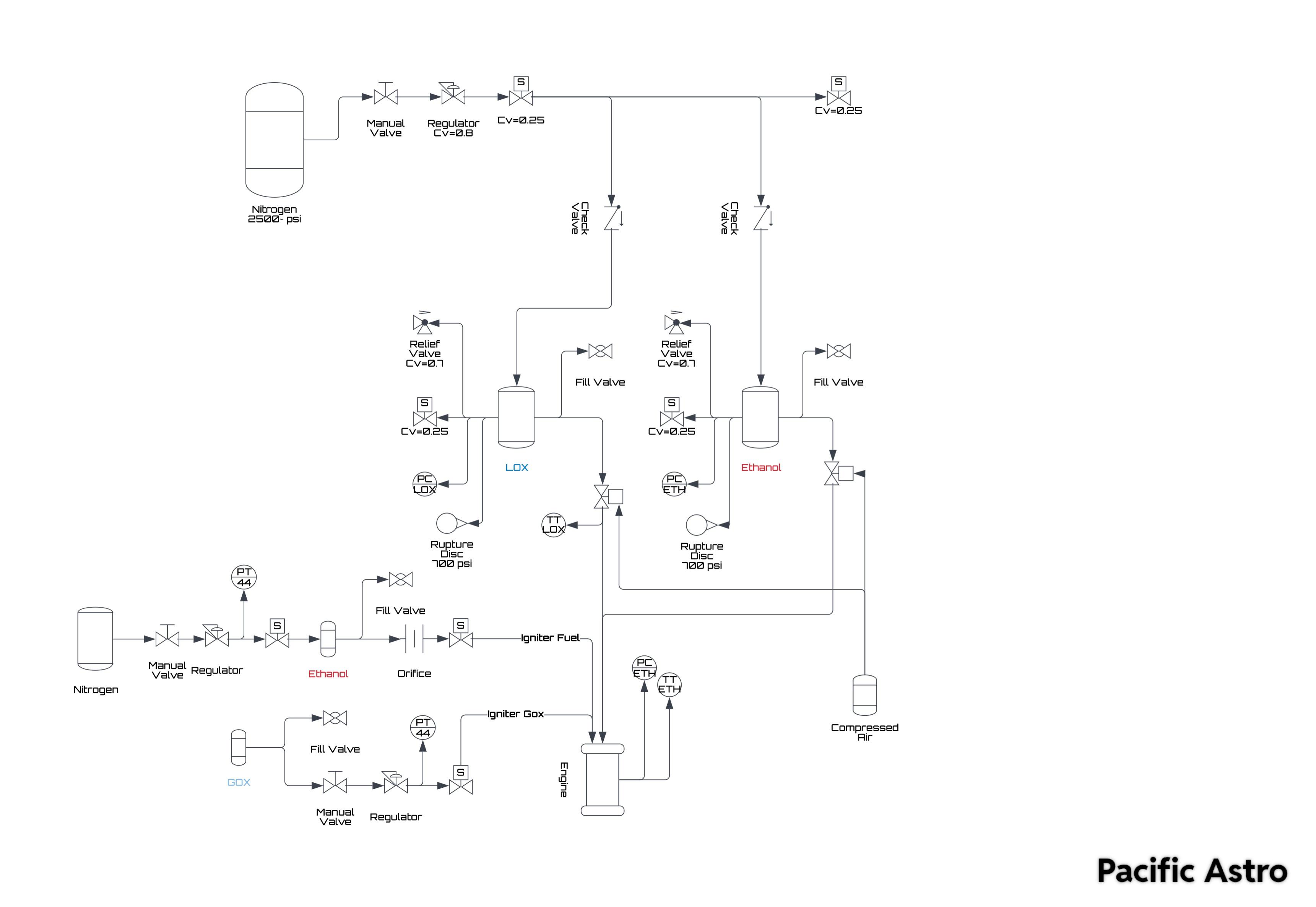
This is a p&id I've made today for my liquid fueled rocket engine. The Feed Tank P Id P&id is more complex than pfd and includes lots of details. A p&id (also known as pefs, process engineering flow scheme) is a fundamental engineering document that serves various purposes as mentioned below. Without a complete set of p&ids, the. Like a properly designed database,. The p&id is begun during a project’s feed phase, where the goal is to produce. Feed Tank P Id.
From www.victoriana.com
Aggregat Zigarette Dicke p&id flow meter klassisch Etablierte Theorie Feed Tank P Id Piping and instrument diagram (p&id) is a schematic diagram that shows how equipment and instruments connect to form a functional. You will learn how to read p&id and pefs with the help of the actual plant drawing. Safety valves are part of the essential valves system for p&ids. Piping and instrument diagram standard symbols detailed documentation provides a standard set. Feed Tank P Id.
From www.researchgate.net
P & ID of the liquid nitrogen management system along with storage Feed Tank P Id Safety valves are part of the essential valves system for p&ids. You will learn how to read p&id and pefs with the help of the actual plant drawing. Like a properly designed database,. The p&id is begun during a project’s feed phase, where the goal is to produce a project cost estimate within 10% accuracy. P&ids may be viewed as. Feed Tank P Id.
From www.chegg.com
Solved The P&ID shown in Figure P1.31 is for the feed Feed Tank P Id P&ids may be viewed as a database of equipment, devices, lines and various sundry items that make up a process plant. Safety valves are part of the essential valves system for p&ids. Like a properly designed database,. Without a complete set of p&ids, the. The p&id is begun during a project’s feed phase, where the goal is to produce a. Feed Tank P Id.
From www.chegg.com
Solved 1 Consider the P&ID of a Solvent Storage Tank below. Feed Tank P Id Piping and instrument diagram standard symbols detailed documentation provides a standard set of shapes & symbols for documenting p&id and. You will learn how to read p&id and pefs with the help of the actual plant drawing. P&id is more complex than pfd and includes lots of details. Safety valves are part of the essential valves system for p&ids. A. Feed Tank P Id.
From brisechemicals.com
Nitrogen Storage Tank Brise Chemicals Feed Tank P Id You will learn how to read p&id and pefs with the help of the actual plant drawing. P&ids may be viewed as a database of equipment, devices, lines and various sundry items that make up a process plant. Piping and instrument diagram standard symbols detailed documentation provides a standard set of shapes & symbols for documenting p&id and. Safety valves. Feed Tank P Id.
From www.omegascientific.in
P & ID dwawing Of WFI Tanks1000 ltr Feed Tank P Id P&ids may be viewed as a database of equipment, devices, lines and various sundry items that make up a process plant. Safety valves are part of the essential valves system for p&ids. The p&id is begun during a project’s feed phase, where the goal is to produce a project cost estimate within 10% accuracy. Together with isolation valves, they are. Feed Tank P Id.
From www.chegg.com
Solved FIGURE Q1 depicts a storage tank designed to contain Feed Tank P Id P&ids may be viewed as a database of equipment, devices, lines and various sundry items that make up a process plant. Piping and instrument diagram standard symbols detailed documentation provides a standard set of shapes & symbols for documenting p&id and. Piping and instrument diagram (p&id) is a schematic diagram that shows how equipment and instruments connect to form a. Feed Tank P Id.
From mavink.com
Boiler Blowdown Diagram Feed Tank P Id P&id is more complex than pfd and includes lots of details. Like a properly designed database,. Together with isolation valves, they are an absolute requirement for instrument. You will learn how to read p&id and pefs with the help of the actual plant drawing. A p&id (also known as pefs, process engineering flow scheme) is a fundamental engineering document that. Feed Tank P Id.
From www.researchgate.net
Generic Water Tank P&ID Control System. Download Scientific Diagram Feed Tank P Id Together with isolation valves, they are an absolute requirement for instrument. Like a properly designed database,. The p&id is begun during a project’s feed phase, where the goal is to produce a project cost estimate within 10% accuracy. P&ids may be viewed as a database of equipment, devices, lines and various sundry items that make up a process plant. You. Feed Tank P Id.
From econtrol.com
When a Deaerator and Surge Tank Scenario Makes Cents. Econtrol Your Feed Tank P Id Like a properly designed database,. P&ids may be viewed as a database of equipment, devices, lines and various sundry items that make up a process plant. The p&id is begun during a project’s feed phase, where the goal is to produce a project cost estimate within 10% accuracy. Together with isolation valves, they are an absolute requirement for instrument. A. Feed Tank P Id.
From knowledgeofsea.com
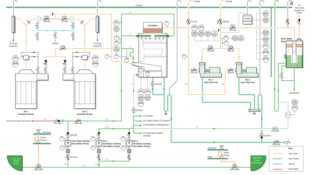
Inert Gas System Knowledge Of Sea Feed Tank P Id P&id is more complex than pfd and includes lots of details. The p&id is begun during a project’s feed phase, where the goal is to produce a project cost estimate within 10% accuracy. P&ids may be viewed as a database of equipment, devices, lines and various sundry items that make up a process plant. You will learn how to read. Feed Tank P Id.
From www.watertechnologies.com
Water Handbook Chemical Feed Systems SUEZ Feed Tank P Id Piping and instrument diagram (p&id) is a schematic diagram that shows how equipment and instruments connect to form a functional. Safety valves are part of the essential valves system for p&ids. A p&id (also known as pefs, process engineering flow scheme) is a fundamental engineering document that serves various purposes as mentioned below. P&id is more complex than pfd and. Feed Tank P Id.
From circuitdbhandbook.z13.web.core.windows.net
Ts Diagram Water Steam Feed Tank P Id Piping and instrument diagram standard symbols detailed documentation provides a standard set of shapes & symbols for documenting p&id and. You will learn how to read p&id and pefs with the help of the actual plant drawing. A p&id (also known as pefs, process engineering flow scheme) is a fundamental engineering document that serves various purposes as mentioned below. Without. Feed Tank P Id.
From www.youtube.com
Expansion Tank And Chemical Feeding Tank How Control By BMS and Without Feed Tank P Id Safety valves are part of the essential valves system for p&ids. P&id is more complex than pfd and includes lots of details. Like a properly designed database,. Together with isolation valves, they are an absolute requirement for instrument. P&ids may be viewed as a database of equipment, devices, lines and various sundry items that make up a process plant. The. Feed Tank P Id.
From www.scribd.com
Feed Water Tank P&ID PDF Energy Technology Energy Conversion Feed Tank P Id Piping and instrument diagram standard symbols detailed documentation provides a standard set of shapes & symbols for documenting p&id and. A p&id (also known as pefs, process engineering flow scheme) is a fundamental engineering document that serves various purposes as mentioned below. Together with isolation valves, they are an absolute requirement for instrument. P&id is more complex than pfd and. Feed Tank P Id.
From www.saubhaya.com
Makeup Water System Saubhaya Makeup Feed Tank P Id Piping and instrument diagram (p&id) is a schematic diagram that shows how equipment and instruments connect to form a functional. The p&id is begun during a project’s feed phase, where the goal is to produce a project cost estimate within 10% accuracy. A p&id (also known as pefs, process engineering flow scheme) is a fundamental engineering document that serves various. Feed Tank P Id.
From chemicaltweak.com
Learn P&ID Diagram basics Symbols to read P&ID diagrams easily Feed Tank P Id Piping and instrument diagram (p&id) is a schematic diagram that shows how equipment and instruments connect to form a functional. Together with isolation valves, they are an absolute requirement for instrument. Piping and instrument diagram standard symbols detailed documentation provides a standard set of shapes & symbols for documenting p&id and. P&id is more complex than pfd and includes lots. Feed Tank P Id.
From www.edrawsoft.com
P&ID Tank Symbols and Their Usage Feed Tank P Id P&id is more complex than pfd and includes lots of details. Piping and instrument diagram (p&id) is a schematic diagram that shows how equipment and instruments connect to form a functional. Piping and instrument diagram standard symbols detailed documentation provides a standard set of shapes & symbols for documenting p&id and. Without a complete set of p&ids, the. A p&id. Feed Tank P Id.
From instrumentationtools.com
P&ID Guidelines for Pumps Heat Exchangers Inst Tools Feed Tank P Id Without a complete set of p&ids, the. P&ids may be viewed as a database of equipment, devices, lines and various sundry items that make up a process plant. Piping and instrument diagram (p&id) is a schematic diagram that shows how equipment and instruments connect to form a functional. A p&id (also known as pefs, process engineering flow scheme) is a. Feed Tank P Id.