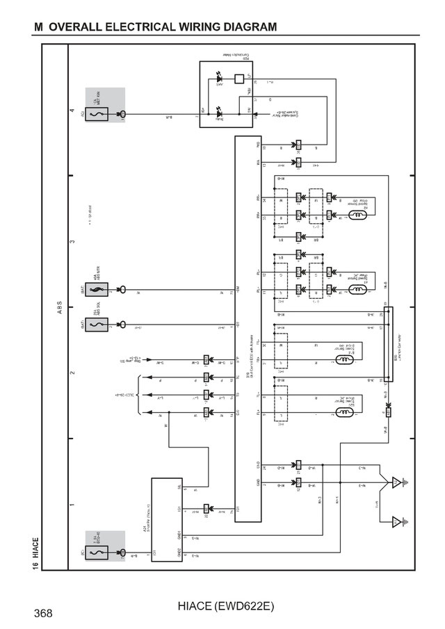
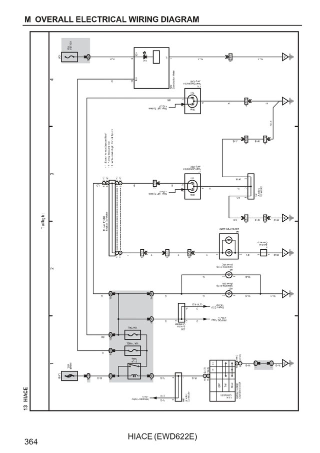
Toyota Hiace Side Mirror Wiring Diagram . The electric wires used for the wire harness consists of the conductor made from numbers of twisted mild copper wire with a diameter of. Provides the detailed information (shape, repair information, part no., etc.) on each connector and ground point for each wire harness. The toyota hiace power mirror wiring diagram consists of two diagrams: Using a multimeter to check voltages, with the switch in different positions, may be necessary to. Double check with this wiring diagram: One for the passenger side mirror and one for the driver side.
from www.caretxdigital.com
Provides the detailed information (shape, repair information, part no., etc.) on each connector and ground point for each wire harness. One for the passenger side mirror and one for the driver side. Using a multimeter to check voltages, with the switch in different positions, may be necessary to. Double check with this wiring diagram: The toyota hiace power mirror wiring diagram consists of two diagrams: The electric wires used for the wire harness consists of the conductor made from numbers of twisted mild copper wire with a diameter of.
Electrical Wiring Diagram Toyota Hiace Wiring Diagram and Schematics
Toyota Hiace Side Mirror Wiring Diagram Double check with this wiring diagram: The electric wires used for the wire harness consists of the conductor made from numbers of twisted mild copper wire with a diameter of. The toyota hiace power mirror wiring diagram consists of two diagrams: Provides the detailed information (shape, repair information, part no., etc.) on each connector and ground point for each wire harness. One for the passenger side mirror and one for the driver side. Double check with this wiring diagram: Using a multimeter to check voltages, with the switch in different positions, may be necessary to.
From krutilvertel.com
Toyota Hiace since 2006 wiring diagrams KrutilVertel Toyota Hiace Side Mirror Wiring Diagram The electric wires used for the wire harness consists of the conductor made from numbers of twisted mild copper wire with a diameter of. One for the passenger side mirror and one for the driver side. Double check with this wiring diagram: The toyota hiace power mirror wiring diagram consists of two diagrams: Provides the detailed information (shape, repair information,. Toyota Hiace Side Mirror Wiring Diagram.
From autoepcservice.com
Toyota Hiace 20062018 Electrical Wiring Diagram Toyota Hiace Side Mirror Wiring Diagram One for the passenger side mirror and one for the driver side. The electric wires used for the wire harness consists of the conductor made from numbers of twisted mild copper wire with a diameter of. Using a multimeter to check voltages, with the switch in different positions, may be necessary to. Provides the detailed information (shape, repair information, part. Toyota Hiace Side Mirror Wiring Diagram.
From workshopmanuals.org
Toyota HiAce 19892004 Repair Manual Download PDF Toyota Hiace Side Mirror Wiring Diagram One for the passenger side mirror and one for the driver side. The electric wires used for the wire harness consists of the conductor made from numbers of twisted mild copper wire with a diameter of. Provides the detailed information (shape, repair information, part no., etc.) on each connector and ground point for each wire harness. Using a multimeter to. Toyota Hiace Side Mirror Wiring Diagram.
From car-diagrams.jimdofree.com
TOYOTA HIACE Wiring Diagrams Car Electrical Wiring Diagram Toyota Hiace Side Mirror Wiring Diagram Provides the detailed information (shape, repair information, part no., etc.) on each connector and ground point for each wire harness. Using a multimeter to check voltages, with the switch in different positions, may be necessary to. One for the passenger side mirror and one for the driver side. The electric wires used for the wire harness consists of the conductor. Toyota Hiace Side Mirror Wiring Diagram.
From www.caretxdigital.com
Electrical Wiring Diagram Toyota Hiace Wiring Diagram and Schematics Toyota Hiace Side Mirror Wiring Diagram The electric wires used for the wire harness consists of the conductor made from numbers of twisted mild copper wire with a diameter of. Double check with this wiring diagram: The toyota hiace power mirror wiring diagram consists of two diagrams: Using a multimeter to check voltages, with the switch in different positions, may be necessary to. Provides the detailed. Toyota Hiace Side Mirror Wiring Diagram.
From www.pinterest.com
Toyota Side View Mirror Wiring Diagram Toyota Hiace Side Mirror Wiring Diagram Using a multimeter to check voltages, with the switch in different positions, may be necessary to. One for the passenger side mirror and one for the driver side. Double check with this wiring diagram: Provides the detailed information (shape, repair information, part no., etc.) on each connector and ground point for each wire harness. The toyota hiace power mirror wiring. Toyota Hiace Side Mirror Wiring Diagram.
From wiringdiagram.2bitboer.com
Car Side Mirror Wiring Diagram Wiring Diagram Toyota Hiace Side Mirror Wiring Diagram One for the passenger side mirror and one for the driver side. Using a multimeter to check voltages, with the switch in different positions, may be necessary to. The electric wires used for the wire harness consists of the conductor made from numbers of twisted mild copper wire with a diameter of. The toyota hiace power mirror wiring diagram consists. Toyota Hiace Side Mirror Wiring Diagram.
From diagramfixchris.z13.web.core.windows.net
2017 Toyota Hiace User Wiring Diagram Toyota Hiace Side Mirror Wiring Diagram Using a multimeter to check voltages, with the switch in different positions, may be necessary to. Double check with this wiring diagram: The electric wires used for the wire harness consists of the conductor made from numbers of twisted mild copper wire with a diameter of. Provides the detailed information (shape, repair information, part no., etc.) on each connector and. Toyota Hiace Side Mirror Wiring Diagram.
From automotorpad.com
Toyota side mirror wiring diagram Toyota Hiace Side Mirror Wiring Diagram Provides the detailed information (shape, repair information, part no., etc.) on each connector and ground point for each wire harness. One for the passenger side mirror and one for the driver side. The toyota hiace power mirror wiring diagram consists of two diagrams: Double check with this wiring diagram: The electric wires used for the wire harness consists of the. Toyota Hiace Side Mirror Wiring Diagram.
From viralmaze.blogspot.com
Wiring Diagram For Toyota Hiace Toyota Hiace Side Mirror Wiring Diagram Using a multimeter to check voltages, with the switch in different positions, may be necessary to. The toyota hiace power mirror wiring diagram consists of two diagrams: One for the passenger side mirror and one for the driver side. Provides the detailed information (shape, repair information, part no., etc.) on each connector and ground point for each wire harness. Double. Toyota Hiace Side Mirror Wiring Diagram.
From wiringdiagram.2bitboer.com
Car Side Mirror Wiring Diagram Wiring Diagram Toyota Hiace Side Mirror Wiring Diagram Provides the detailed information (shape, repair information, part no., etc.) on each connector and ground point for each wire harness. One for the passenger side mirror and one for the driver side. The toyota hiace power mirror wiring diagram consists of two diagrams: The electric wires used for the wire harness consists of the conductor made from numbers of twisted. Toyota Hiace Side Mirror Wiring Diagram.
From www.autolit.eu
1989 TOYOTA HIACE ELECTRICAL WIRING DIAGRAM ENGLISH Toyota Hiace Side Mirror Wiring Diagram Using a multimeter to check voltages, with the switch in different positions, may be necessary to. The electric wires used for the wire harness consists of the conductor made from numbers of twisted mild copper wire with a diameter of. Provides the detailed information (shape, repair information, part no., etc.) on each connector and ground point for each wire harness.. Toyota Hiace Side Mirror Wiring Diagram.
From fixengineunderdogs.z21.web.core.windows.net
Electrical Wiring Diagram Toyota Hiace Toyota Hiace Side Mirror Wiring Diagram Provides the detailed information (shape, repair information, part no., etc.) on each connector and ground point for each wire harness. Double check with this wiring diagram: The electric wires used for the wire harness consists of the conductor made from numbers of twisted mild copper wire with a diameter of. The toyota hiace power mirror wiring diagram consists of two. Toyota Hiace Side Mirror Wiring Diagram.
From automotorpad.com
Toyota hiace electrical wiring diagram Toyota Hiace Side Mirror Wiring Diagram Double check with this wiring diagram: Provides the detailed information (shape, repair information, part no., etc.) on each connector and ground point for each wire harness. The electric wires used for the wire harness consists of the conductor made from numbers of twisted mild copper wire with a diameter of. The toyota hiace power mirror wiring diagram consists of two. Toyota Hiace Side Mirror Wiring Diagram.
From www.youtube.com
how to replace side view mirror toyota camry wiring diagram YouTube Toyota Hiace Side Mirror Wiring Diagram Provides the detailed information (shape, repair information, part no., etc.) on each connector and ground point for each wire harness. Using a multimeter to check voltages, with the switch in different positions, may be necessary to. One for the passenger side mirror and one for the driver side. The electric wires used for the wire harness consists of the conductor. Toyota Hiace Side Mirror Wiring Diagram.
From automotorpad.com
Toyota power mirror wiring diagram Toyota Hiace Side Mirror Wiring Diagram Using a multimeter to check voltages, with the switch in different positions, may be necessary to. The toyota hiace power mirror wiring diagram consists of two diagrams: The electric wires used for the wire harness consists of the conductor made from numbers of twisted mild copper wire with a diameter of. Provides the detailed information (shape, repair information, part no.,. Toyota Hiace Side Mirror Wiring Diagram.
From autoepcservice.com
Toyota Hiace 2006 Electrical Wiring Diagram Toyota Hiace Side Mirror Wiring Diagram Provides the detailed information (shape, repair information, part no., etc.) on each connector and ground point for each wire harness. Using a multimeter to check voltages, with the switch in different positions, may be necessary to. Double check with this wiring diagram: The electric wires used for the wire harness consists of the conductor made from numbers of twisted mild. Toyota Hiace Side Mirror Wiring Diagram.
From www.autorepairmanuals.ws
Toyota Hiace 2006 Electrical Wiring Diagram Auto Repair Manual Forum Toyota Hiace Side Mirror Wiring Diagram Provides the detailed information (shape, repair information, part no., etc.) on each connector and ground point for each wire harness. Double check with this wiring diagram: The toyota hiace power mirror wiring diagram consists of two diagrams: One for the passenger side mirror and one for the driver side. The electric wires used for the wire harness consists of the. Toyota Hiace Side Mirror Wiring Diagram.
From wiringdiagram.2bitboer.com
Toyota Power Mirror Switch Wiring Diagram Wiring Diagram Toyota Hiace Side Mirror Wiring Diagram Provides the detailed information (shape, repair information, part no., etc.) on each connector and ground point for each wire harness. One for the passenger side mirror and one for the driver side. Double check with this wiring diagram: Using a multimeter to check voltages, with the switch in different positions, may be necessary to. The electric wires used for the. Toyota Hiace Side Mirror Wiring Diagram.
From automotorpad.com
Toyota side mirror wiring diagram Toyota Hiace Side Mirror Wiring Diagram Double check with this wiring diagram: The electric wires used for the wire harness consists of the conductor made from numbers of twisted mild copper wire with a diameter of. One for the passenger side mirror and one for the driver side. Provides the detailed information (shape, repair information, part no., etc.) on each connector and ground point for each. Toyota Hiace Side Mirror Wiring Diagram.
From www.2carpros.com
Side Mirrors Wiring Diagram I Need the Wiring Diagram of the Side... Toyota Hiace Side Mirror Wiring Diagram Using a multimeter to check voltages, with the switch in different positions, may be necessary to. Double check with this wiring diagram: The electric wires used for the wire harness consists of the conductor made from numbers of twisted mild copper wire with a diameter of. The toyota hiace power mirror wiring diagram consists of two diagrams: One for the. Toyota Hiace Side Mirror Wiring Diagram.
From dolace.blogspot.com
Car Side Mirror Wiring Diagram Dolace Toyota Hiace Side Mirror Wiring Diagram The toyota hiace power mirror wiring diagram consists of two diagrams: The electric wires used for the wire harness consists of the conductor made from numbers of twisted mild copper wire with a diameter of. Double check with this wiring diagram: Using a multimeter to check voltages, with the switch in different positions, may be necessary to. Provides the detailed. Toyota Hiace Side Mirror Wiring Diagram.
From manualdiagrammargarette.z13.web.core.windows.net
Toyota Mirror Wiring Diagram Toyota Hiace Side Mirror Wiring Diagram One for the passenger side mirror and one for the driver side. The toyota hiace power mirror wiring diagram consists of two diagrams: Provides the detailed information (shape, repair information, part no., etc.) on each connector and ground point for each wire harness. Using a multimeter to check voltages, with the switch in different positions, may be necessary to. The. Toyota Hiace Side Mirror Wiring Diagram.
From circuitlibfarmers.z21.web.core.windows.net
Toyota Hiace Wiring Diagram 1994 Toyota Hiace Side Mirror Wiring Diagram One for the passenger side mirror and one for the driver side. Provides the detailed information (shape, repair information, part no., etc.) on each connector and ground point for each wire harness. Using a multimeter to check voltages, with the switch in different positions, may be necessary to. The electric wires used for the wire harness consists of the conductor. Toyota Hiace Side Mirror Wiring Diagram.
From viralmaze.blogspot.com
Wiring Diagram For Toyota Hiace Toyota Hiace Side Mirror Wiring Diagram Double check with this wiring diagram: The electric wires used for the wire harness consists of the conductor made from numbers of twisted mild copper wire with a diameter of. The toyota hiace power mirror wiring diagram consists of two diagrams: One for the passenger side mirror and one for the driver side. Using a multimeter to check voltages, with. Toyota Hiace Side Mirror Wiring Diagram.
From payhip.com
20192022 Toyota Hiace Wiring Diagrams Payhip Toyota Hiace Side Mirror Wiring Diagram Provides the detailed information (shape, repair information, part no., etc.) on each connector and ground point for each wire harness. Double check with this wiring diagram: One for the passenger side mirror and one for the driver side. The toyota hiace power mirror wiring diagram consists of two diagrams: The electric wires used for the wire harness consists of the. Toyota Hiace Side Mirror Wiring Diagram.
From manualwiringwexler.z19.web.core.windows.net
Toyota Side Mirror Wiring Diagram Toyota Hiace Side Mirror Wiring Diagram Provides the detailed information (shape, repair information, part no., etc.) on each connector and ground point for each wire harness. Double check with this wiring diagram: One for the passenger side mirror and one for the driver side. Using a multimeter to check voltages, with the switch in different positions, may be necessary to. The electric wires used for the. Toyota Hiace Side Mirror Wiring Diagram.
From www.caretxdigital.com
Electrical Wiring Diagram Toyota Hiace Wiring Diagram and Schematics Toyota Hiace Side Mirror Wiring Diagram Using a multimeter to check voltages, with the switch in different positions, may be necessary to. The electric wires used for the wire harness consists of the conductor made from numbers of twisted mild copper wire with a diameter of. Provides the detailed information (shape, repair information, part no., etc.) on each connector and ground point for each wire harness.. Toyota Hiace Side Mirror Wiring Diagram.
From car-diagrams.jimdofree.com
TOYOTA HIACE Wiring Diagrams Car Electrical Wiring Diagram Toyota Hiace Side Mirror Wiring Diagram Using a multimeter to check voltages, with the switch in different positions, may be necessary to. Provides the detailed information (shape, repair information, part no., etc.) on each connector and ground point for each wire harness. Double check with this wiring diagram: One for the passenger side mirror and one for the driver side. The electric wires used for the. Toyota Hiace Side Mirror Wiring Diagram.
From www.caretxdigital.com
Electrical Wiring Diagram Toyota Hiace Wiring Diagram and Schematics Toyota Hiace Side Mirror Wiring Diagram Using a multimeter to check voltages, with the switch in different positions, may be necessary to. Double check with this wiring diagram: One for the passenger side mirror and one for the driver side. The toyota hiace power mirror wiring diagram consists of two diagrams: Provides the detailed information (shape, repair information, part no., etc.) on each connector and ground. Toyota Hiace Side Mirror Wiring Diagram.
From www.caretxdigital.com
Electrical Wiring Diagram Toyota Hiace Wiring Diagram and Schematics Toyota Hiace Side Mirror Wiring Diagram Provides the detailed information (shape, repair information, part no., etc.) on each connector and ground point for each wire harness. The toyota hiace power mirror wiring diagram consists of two diagrams: Using a multimeter to check voltages, with the switch in different positions, may be necessary to. One for the passenger side mirror and one for the driver side. The. Toyota Hiace Side Mirror Wiring Diagram.
From automotorpad.com
Toyota side mirror wiring diagram Toyota Hiace Side Mirror Wiring Diagram Using a multimeter to check voltages, with the switch in different positions, may be necessary to. The electric wires used for the wire harness consists of the conductor made from numbers of twisted mild copper wire with a diameter of. One for the passenger side mirror and one for the driver side. Provides the detailed information (shape, repair information, part. Toyota Hiace Side Mirror Wiring Diagram.
From autoepcservice.com
Toyota Hiace 2005 to 2013 TRH,KDH,LH2 Electrical Wiring Diagrams Toyota Hiace Side Mirror Wiring Diagram Using a multimeter to check voltages, with the switch in different positions, may be necessary to. Double check with this wiring diagram: One for the passenger side mirror and one for the driver side. The toyota hiace power mirror wiring diagram consists of two diagrams: Provides the detailed information (shape, repair information, part no., etc.) on each connector and ground. Toyota Hiace Side Mirror Wiring Diagram.
From www.autorepairmanuals.ws
Toyota Hiace 2006 Electrical Wiring Diagram Auto Repair Manual Forum Toyota Hiace Side Mirror Wiring Diagram Provides the detailed information (shape, repair information, part no., etc.) on each connector and ground point for each wire harness. One for the passenger side mirror and one for the driver side. Using a multimeter to check voltages, with the switch in different positions, may be necessary to. The electric wires used for the wire harness consists of the conductor. Toyota Hiace Side Mirror Wiring Diagram.
From www.tacomaworld.com
Side Mirror wiring, need help identifying wires World Toyota Hiace Side Mirror Wiring Diagram Using a multimeter to check voltages, with the switch in different positions, may be necessary to. Provides the detailed information (shape, repair information, part no., etc.) on each connector and ground point for each wire harness. One for the passenger side mirror and one for the driver side. Double check with this wiring diagram: The toyota hiace power mirror wiring. Toyota Hiace Side Mirror Wiring Diagram.