How To Adjust A Floatless Or Pressure Activated Fill Valve . — there are two ways to adjust the speed of your fill valve: — the modern toilet is a genius invention that we cannot live without. — watch how to adjust a toilet float quickly and easily for the desired effects in this brief tutorial. — a toilet with a floatless fill valve isn't fully closing and is filling past the overflow tube (blue circle in image):
from www.walmart.com
— a toilet with a floatless fill valve isn't fully closing and is filling past the overflow tube (blue circle in image): — the modern toilet is a genius invention that we cannot live without. — watch how to adjust a toilet float quickly and easily for the desired effects in this brief tutorial. — there are two ways to adjust the speed of your fill valve:
Plumb Pak K83011Bx Toilet Ballcocks Adjustable Floatless Fill Valve
How To Adjust A Floatless Or Pressure Activated Fill Valve — the modern toilet is a genius invention that we cannot live without. — a toilet with a floatless fill valve isn't fully closing and is filling past the overflow tube (blue circle in image): — there are two ways to adjust the speed of your fill valve: — the modern toilet is a genius invention that we cannot live without. — watch how to adjust a toilet float quickly and easily for the desired effects in this brief tutorial.
From www.1tomplumber.com
How to Replace a Toilet Tank Fill Valve (in Just 9 Steps!) How To Adjust A Floatless Or Pressure Activated Fill Valve — the modern toilet is a genius invention that we cannot live without. — there are two ways to adjust the speed of your fill valve: — watch how to adjust a toilet float quickly and easily for the desired effects in this brief tutorial. — a toilet with a floatless fill valve isn't fully closing. How To Adjust A Floatless Or Pressure Activated Fill Valve.
From howtoremvo.blogspot.com
How To Change A Toilet Fill Valve HOWTOREMVO How To Adjust A Floatless Or Pressure Activated Fill Valve — there are two ways to adjust the speed of your fill valve: — a toilet with a floatless fill valve isn't fully closing and is filling past the overflow tube (blue circle in image): — watch how to adjust a toilet float quickly and easily for the desired effects in this brief tutorial. — the. How To Adjust A Floatless Or Pressure Activated Fill Valve.
From wiringfixmetrical.z19.web.core.windows.net
How To Adjust Fill Valve For Pool How To Adjust A Floatless Or Pressure Activated Fill Valve — a toilet with a floatless fill valve isn't fully closing and is filling past the overflow tube (blue circle in image): — the modern toilet is a genius invention that we cannot live without. — watch how to adjust a toilet float quickly and easily for the desired effects in this brief tutorial. — there. How To Adjust A Floatless Or Pressure Activated Fill Valve.
From exorxgevl.blob.core.windows.net
How Do You Adjust The Toilet Fill Valve at Pearline Doss blog How To Adjust A Floatless Or Pressure Activated Fill Valve — watch how to adjust a toilet float quickly and easily for the desired effects in this brief tutorial. — the modern toilet is a genius invention that we cannot live without. — there are two ways to adjust the speed of your fill valve: — a toilet with a floatless fill valve isn't fully closing. How To Adjust A Floatless Or Pressure Activated Fill Valve.
From exozfbcbh.blob.core.windows.net
How To Set Toilet Fill Valve at Tracy Hay blog How To Adjust A Floatless Or Pressure Activated Fill Valve — the modern toilet is a genius invention that we cannot live without. — watch how to adjust a toilet float quickly and easily for the desired effects in this brief tutorial. — there are two ways to adjust the speed of your fill valve: — a toilet with a floatless fill valve isn't fully closing. How To Adjust A Floatless Or Pressure Activated Fill Valve.
From www.xy-plumbing.com
Adjustable Pin Design Fill valve Buy floatless fill valve, toilet How To Adjust A Floatless Or Pressure Activated Fill Valve — a toilet with a floatless fill valve isn't fully closing and is filling past the overflow tube (blue circle in image): — the modern toilet is a genius invention that we cannot live without. — watch how to adjust a toilet float quickly and easily for the desired effects in this brief tutorial. — there. How To Adjust A Floatless Or Pressure Activated Fill Valve.
From www.danco.com
HydroClean Universal Fill Valve Danco How To Adjust A Floatless Or Pressure Activated Fill Valve — there are two ways to adjust the speed of your fill valve: — the modern toilet is a genius invention that we cannot live without. — watch how to adjust a toilet float quickly and easily for the desired effects in this brief tutorial. — a toilet with a floatless fill valve isn't fully closing. How To Adjust A Floatless Or Pressure Activated Fill Valve.
From www.homeoutlet.com
Adjustable Floatless Toilet Fill Valve Home Outlet How To Adjust A Floatless Or Pressure Activated Fill Valve — there are two ways to adjust the speed of your fill valve: — a toilet with a floatless fill valve isn't fully closing and is filling past the overflow tube (blue circle in image): — watch how to adjust a toilet float quickly and easily for the desired effects in this brief tutorial. — the. How To Adjust A Floatless Or Pressure Activated Fill Valve.
From toilethaven.com
How to Adjust a Toilet Float and Fill Valve Fast! Toilet Haven How To Adjust A Floatless Or Pressure Activated Fill Valve — there are two ways to adjust the speed of your fill valve: — watch how to adjust a toilet float quickly and easily for the desired effects in this brief tutorial. — the modern toilet is a genius invention that we cannot live without. — a toilet with a floatless fill valve isn't fully closing. How To Adjust A Floatless Or Pressure Activated Fill Valve.
From www.homehardware.ca
Floatless Fill valve Kit with 3" Flapper Home Hardware How To Adjust A Floatless Or Pressure Activated Fill Valve — watch how to adjust a toilet float quickly and easily for the desired effects in this brief tutorial. — there are two ways to adjust the speed of your fill valve: — the modern toilet is a genius invention that we cannot live without. — a toilet with a floatless fill valve isn't fully closing. How To Adjust A Floatless Or Pressure Activated Fill Valve.
From www.amazon.ca
Keeney K83011BX Floatless Adjustable Fill Valve, Grey, Green, Pipe How To Adjust A Floatless Or Pressure Activated Fill Valve — there are two ways to adjust the speed of your fill valve: — a toilet with a floatless fill valve isn't fully closing and is filling past the overflow tube (blue circle in image): — watch how to adjust a toilet float quickly and easily for the desired effects in this brief tutorial. — the. How To Adjust A Floatless Or Pressure Activated Fill Valve.
From www.pinterest.com
How to Adjust the Water Level in a Toilet Tank Fill valve, Toilet How To Adjust A Floatless Or Pressure Activated Fill Valve — there are two ways to adjust the speed of your fill valve: — watch how to adjust a toilet float quickly and easily for the desired effects in this brief tutorial. — the modern toilet is a genius invention that we cannot live without. — a toilet with a floatless fill valve isn't fully closing. How To Adjust A Floatless Or Pressure Activated Fill Valve.
From www.thespruce.com
How to Adjust a Toilet Fill Valve How To Adjust A Floatless Or Pressure Activated Fill Valve — watch how to adjust a toilet float quickly and easily for the desired effects in this brief tutorial. — there are two ways to adjust the speed of your fill valve: — a toilet with a floatless fill valve isn't fully closing and is filling past the overflow tube (blue circle in image): — the. How To Adjust A Floatless Or Pressure Activated Fill Valve.
From www.gebos.com
Floatless AntiSiphon Fill Valve Gebo's How To Adjust A Floatless Or Pressure Activated Fill Valve — there are two ways to adjust the speed of your fill valve: — the modern toilet is a genius invention that we cannot live without. — a toilet with a floatless fill valve isn't fully closing and is filling past the overflow tube (blue circle in image): — watch how to adjust a toilet float. How To Adjust A Floatless Or Pressure Activated Fill Valve.
From atelier-yuwa.ciao.jp
How To Adjust A Toilet Fill Valve atelieryuwa.ciao.jp How To Adjust A Floatless Or Pressure Activated Fill Valve — there are two ways to adjust the speed of your fill valve: — a toilet with a floatless fill valve isn't fully closing and is filling past the overflow tube (blue circle in image): — watch how to adjust a toilet float quickly and easily for the desired effects in this brief tutorial. — the. How To Adjust A Floatless Or Pressure Activated Fill Valve.
From www.youtube.com
How To Change The Fill Valve on a Toilet YouTube How To Adjust A Floatless Or Pressure Activated Fill Valve — the modern toilet is a genius invention that we cannot live without. — there are two ways to adjust the speed of your fill valve: — watch how to adjust a toilet float quickly and easily for the desired effects in this brief tutorial. — a toilet with a floatless fill valve isn't fully closing. How To Adjust A Floatless Or Pressure Activated Fill Valve.
From www.walmart.com
Plumb Pak K83011Bx Toilet Ballcocks Adjustable Floatless Fill Valve How To Adjust A Floatless Or Pressure Activated Fill Valve — there are two ways to adjust the speed of your fill valve: — a toilet with a floatless fill valve isn't fully closing and is filling past the overflow tube (blue circle in image): — the modern toilet is a genius invention that we cannot live without. — watch how to adjust a toilet float. How To Adjust A Floatless Or Pressure Activated Fill Valve.
From www.thespruce.com
How to Adjust a Toilet Fill Valve How To Adjust A Floatless Or Pressure Activated Fill Valve — there are two ways to adjust the speed of your fill valve: — watch how to adjust a toilet float quickly and easily for the desired effects in this brief tutorial. — a toilet with a floatless fill valve isn't fully closing and is filling past the overflow tube (blue circle in image): — the. How To Adjust A Floatless Or Pressure Activated Fill Valve.
From weekshomehardware.ca
Fluidmaster Floatless Fill valve Kit, with 3" Flapper Weeks Home How To Adjust A Floatless Or Pressure Activated Fill Valve — there are two ways to adjust the speed of your fill valve: — the modern toilet is a genius invention that we cannot live without. — a toilet with a floatless fill valve isn't fully closing and is filling past the overflow tube (blue circle in image): — watch how to adjust a toilet float. How To Adjust A Floatless Or Pressure Activated Fill Valve.
From www.thespruce.com
How to Adjust a Toilet Fill Valve How To Adjust A Floatless Or Pressure Activated Fill Valve — watch how to adjust a toilet float quickly and easily for the desired effects in this brief tutorial. — there are two ways to adjust the speed of your fill valve: — the modern toilet is a genius invention that we cannot live without. — a toilet with a floatless fill valve isn't fully closing. How To Adjust A Floatless Or Pressure Activated Fill Valve.
From www.thespruce.com
How to Adjust a Toilet Fill Valve How To Adjust A Floatless Or Pressure Activated Fill Valve — the modern toilet is a genius invention that we cannot live without. — a toilet with a floatless fill valve isn't fully closing and is filling past the overflow tube (blue circle in image): — there are two ways to adjust the speed of your fill valve: — watch how to adjust a toilet float. How To Adjust A Floatless Or Pressure Activated Fill Valve.
From plumbingpoints.com
Toilet Fill Valve Types What You Need to Know Plumbingpoints How To Adjust A Floatless Or Pressure Activated Fill Valve — the modern toilet is a genius invention that we cannot live without. — a toilet with a floatless fill valve isn't fully closing and is filling past the overflow tube (blue circle in image): — watch how to adjust a toilet float quickly and easily for the desired effects in this brief tutorial. — there. How To Adjust A Floatless Or Pressure Activated Fill Valve.
From www.thespruce.com
How to Adjust a Toilet Fill Valve How To Adjust A Floatless Or Pressure Activated Fill Valve — a toilet with a floatless fill valve isn't fully closing and is filling past the overflow tube (blue circle in image): — the modern toilet is a genius invention that we cannot live without. — there are two ways to adjust the speed of your fill valve: — watch how to adjust a toilet float. How To Adjust A Floatless Or Pressure Activated Fill Valve.
From highshower.com
Toilet Fill Valve Types and How it Works How To Adjust A Floatless Or Pressure Activated Fill Valve — a toilet with a floatless fill valve isn't fully closing and is filling past the overflow tube (blue circle in image): — watch how to adjust a toilet float quickly and easily for the desired effects in this brief tutorial. — there are two ways to adjust the speed of your fill valve: — the. How To Adjust A Floatless Or Pressure Activated Fill Valve.
From www.thespruce.com
How to Adjust a Toilet Fill Valve How To Adjust A Floatless Or Pressure Activated Fill Valve — a toilet with a floatless fill valve isn't fully closing and is filling past the overflow tube (blue circle in image): — the modern toilet is a genius invention that we cannot live without. — there are two ways to adjust the speed of your fill valve: — watch how to adjust a toilet float. How To Adjust A Floatless Or Pressure Activated Fill Valve.
From toilethaven.com
How a Toilet Fill Valve Works Toilet Haven How To Adjust A Floatless Or Pressure Activated Fill Valve — the modern toilet is a genius invention that we cannot live without. — watch how to adjust a toilet float quickly and easily for the desired effects in this brief tutorial. — there are two ways to adjust the speed of your fill valve: — a toilet with a floatless fill valve isn't fully closing. How To Adjust A Floatless Or Pressure Activated Fill Valve.
From www.thespruce.com
How to Adjust a Toilet Fill Valve How To Adjust A Floatless Or Pressure Activated Fill Valve — a toilet with a floatless fill valve isn't fully closing and is filling past the overflow tube (blue circle in image): — the modern toilet is a genius invention that we cannot live without. — there are two ways to adjust the speed of your fill valve: — watch how to adjust a toilet float. How To Adjust A Floatless Or Pressure Activated Fill Valve.
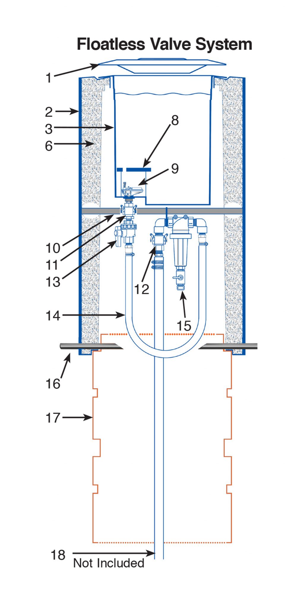
From cobett.com
Model LB Floatless Valve System Cobett Company How To Adjust A Floatless Or Pressure Activated Fill Valve — the modern toilet is a genius invention that we cannot live without. — a toilet with a floatless fill valve isn't fully closing and is filling past the overflow tube (blue circle in image): — there are two ways to adjust the speed of your fill valve: — watch how to adjust a toilet float. How To Adjust A Floatless Or Pressure Activated Fill Valve.
From www.youtube.com
How to Adjust Toilet Fill Valves YouTube How To Adjust A Floatless Or Pressure Activated Fill Valve — a toilet with a floatless fill valve isn't fully closing and is filling past the overflow tube (blue circle in image): — watch how to adjust a toilet float quickly and easily for the desired effects in this brief tutorial. — there are two ways to adjust the speed of your fill valve: — the. How To Adjust A Floatless Or Pressure Activated Fill Valve.
From www.inf-inet.com
Adjust Fluidmaster Fill Valve How To Adjust A Floatless Or Pressure Activated Fill Valve — a toilet with a floatless fill valve isn't fully closing and is filling past the overflow tube (blue circle in image): — there are two ways to adjust the speed of your fill valve: — watch how to adjust a toilet float quickly and easily for the desired effects in this brief tutorial. — the. How To Adjust A Floatless Or Pressure Activated Fill Valve.
From www.youtube.com
Direct Activate Pressure Reducer Valve YouTube How To Adjust A Floatless Or Pressure Activated Fill Valve — the modern toilet is a genius invention that we cannot live without. — a toilet with a floatless fill valve isn't fully closing and is filling past the overflow tube (blue circle in image): — there are two ways to adjust the speed of your fill valve: — watch how to adjust a toilet float. How To Adjust A Floatless Or Pressure Activated Fill Valve.
From www.youtube.com
Pool Auto Fill Float Valve Replace Fix YouTube How To Adjust A Floatless Or Pressure Activated Fill Valve — the modern toilet is a genius invention that we cannot live without. — a toilet with a floatless fill valve isn't fully closing and is filling past the overflow tube (blue circle in image): — watch how to adjust a toilet float quickly and easily for the desired effects in this brief tutorial. — there. How To Adjust A Floatless Or Pressure Activated Fill Valve.
From dxoxxlwhe.blob.core.windows.net
Hunter Toilet Tank Fill Valve Adjustment at Tyler Canter blog How To Adjust A Floatless Or Pressure Activated Fill Valve — watch how to adjust a toilet float quickly and easily for the desired effects in this brief tutorial. — the modern toilet is a genius invention that we cannot live without. — there are two ways to adjust the speed of your fill valve: — a toilet with a floatless fill valve isn't fully closing. How To Adjust A Floatless Or Pressure Activated Fill Valve.
From exoytaogf.blob.core.windows.net
How To Remove Fill Valve From Toilet Tank at Eric Woods blog How To Adjust A Floatless Or Pressure Activated Fill Valve — a toilet with a floatless fill valve isn't fully closing and is filling past the overflow tube (blue circle in image): — watch how to adjust a toilet float quickly and easily for the desired effects in this brief tutorial. — there are two ways to adjust the speed of your fill valve: — the. How To Adjust A Floatless Or Pressure Activated Fill Valve.
From wiringfixmetrical.z19.web.core.windows.net
How To Adjust Fill Valve For Pool How To Adjust A Floatless Or Pressure Activated Fill Valve — the modern toilet is a genius invention that we cannot live without. — a toilet with a floatless fill valve isn't fully closing and is filling past the overflow tube (blue circle in image): — there are two ways to adjust the speed of your fill valve: — watch how to adjust a toilet float. How To Adjust A Floatless Or Pressure Activated Fill Valve.