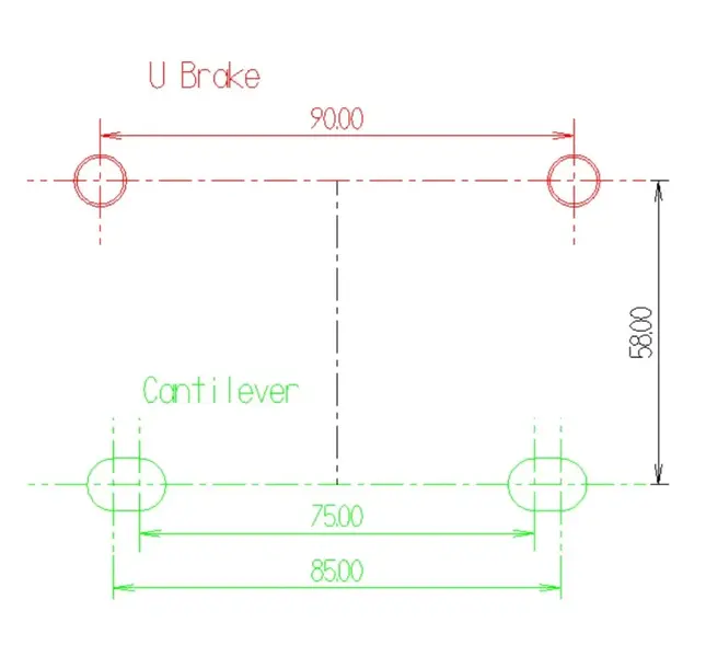
U-Brake-Canti-Adapter . If you are going from canti to ubrake, it might work if you could add a 3rd attachment point on the brake bridge (if there is one). I’ve researched and found nothing on people putting u brakes on canti bosses. (i'm getting older and the fixie doesn't agree with my knees anymore.) it has enough clearance in the rear for 700x35 tires. Assuming that the bike has a decent fork tube diameter (1 minimum), installing a u brace on the front brakes won't help the feel much. If the bike has a typical 0.5. Is there such thing as an adapter? To get the most out of your canti brake, it’s crucial to get the straddle cable carrier (yoke) installed in the right position based on the type of brakes you are running.
from www.forumrowerowe.org
I’ve researched and found nothing on people putting u brakes on canti bosses. If the bike has a typical 0.5. Assuming that the bike has a decent fork tube diameter (1 minimum), installing a u brace on the front brakes won't help the feel much. Is there such thing as an adapter? To get the most out of your canti brake, it’s crucial to get the straddle cable carrier (yoke) installed in the right position based on the type of brakes you are running. (i'm getting older and the fixie doesn't agree with my knees anymore.) it has enough clearance in the rear for 700x35 tires. If you are going from canti to ubrake, it might work if you could add a 3rd attachment point on the brake bridge (if there is one).
[adapter hamulca] konwersja vbrake canti 26" na 28" Sprzęt rowerowy Forum Rowerowe
U-Brake-Canti-Adapter (i'm getting older and the fixie doesn't agree with my knees anymore.) it has enough clearance in the rear for 700x35 tires. I’ve researched and found nothing on people putting u brakes on canti bosses. (i'm getting older and the fixie doesn't agree with my knees anymore.) it has enough clearance in the rear for 700x35 tires. Is there such thing as an adapter? If you are going from canti to ubrake, it might work if you could add a 3rd attachment point on the brake bridge (if there is one). If the bike has a typical 0.5. To get the most out of your canti brake, it’s crucial to get the straddle cable carrier (yoke) installed in the right position based on the type of brakes you are running. Assuming that the bike has a decent fork tube diameter (1 minimum), installing a u brace on the front brakes won't help the feel much.
From rower.com.pl
XLC BLV03 dźwignia hamulca Ubrake, mini Vbrake, Canti prawa i lewa (2024) 89.70 zł. Sklep U-Brake-Canti-Adapter Is there such thing as an adapter? If the bike has a typical 0.5. Assuming that the bike has a decent fork tube diameter (1 minimum), installing a u brace on the front brakes won't help the feel much. (i'm getting older and the fixie doesn't agree with my knees anymore.) it has enough clearance in the rear for 700x35. U-Brake-Canti-Adapter.
From curbsidecycle.com
CantiLever Short Pull Brake Levers Paul Component Engineering Curbside Cycle U-Brake-Canti-Adapter I’ve researched and found nothing on people putting u brakes on canti bosses. If the bike has a typical 0.5. Is there such thing as an adapter? To get the most out of your canti brake, it’s crucial to get the straddle cable carrier (yoke) installed in the right position based on the type of brakes you are running. Assuming. U-Brake-Canti-Adapter.
From www.parktool.com
Cantilever Threaded Post Brake Service Park Tool U-Brake-Canti-Adapter To get the most out of your canti brake, it’s crucial to get the straddle cable carrier (yoke) installed in the right position based on the type of brakes you are running. I’ve researched and found nothing on people putting u brakes on canti bosses. (i'm getting older and the fixie doesn't agree with my knees anymore.) it has enough. U-Brake-Canti-Adapter.
From www.porkchopbmx.com
BR990 BOOMERANG BMX Ubrake adapter plate BLACK Porkchop BMX U-Brake-Canti-Adapter (i'm getting older and the fixie doesn't agree with my knees anymore.) it has enough clearance in the rear for 700x35 tires. If you are going from canti to ubrake, it might work if you could add a 3rd attachment point on the brake bridge (if there is one). To get the most out of your canti brake, it’s crucial. U-Brake-Canti-Adapter.
From www.reddit.com
I need to replace the original front canti brake. I have a quill stem adapter and a Thomson shim U-Brake-Canti-Adapter Is there such thing as an adapter? (i'm getting older and the fixie doesn't agree with my knees anymore.) it has enough clearance in the rear for 700x35 tires. Assuming that the bike has a decent fork tube diameter (1 minimum), installing a u brace on the front brakes won't help the feel much. I’ve researched and found nothing on. U-Brake-Canti-Adapter.
From www.parktool.com
UBrake Service Park Tool U-Brake-Canti-Adapter I’ve researched and found nothing on people putting u brakes on canti bosses. Is there such thing as an adapter? To get the most out of your canti brake, it’s crucial to get the straddle cable carrier (yoke) installed in the right position based on the type of brakes you are running. (i'm getting older and the fixie doesn't agree. U-Brake-Canti-Adapter.
From curbsidecycle.com
CantiLever Short Pull Brake Levers Paul Component Engineering Curbside Cycle U-Brake-Canti-Adapter If the bike has a typical 0.5. Is there such thing as an adapter? To get the most out of your canti brake, it’s crucial to get the straddle cable carrier (yoke) installed in the right position based on the type of brakes you are running. Assuming that the bike has a decent fork tube diameter (1 minimum), installing a. U-Brake-Canti-Adapter.
From samsbmx.com
Boomerang UBrake Adapter Chrome Sams BMX U-Brake-Canti-Adapter If you are going from canti to ubrake, it might work if you could add a 3rd attachment point on the brake bridge (if there is one). Assuming that the bike has a decent fork tube diameter (1 minimum), installing a u brace on the front brakes won't help the feel much. (i'm getting older and the fixie doesn't agree. U-Brake-Canti-Adapter.
From www.paulcomp.com
Touring Cantilever Paul Component Engineering U-Brake-Canti-Adapter I’ve researched and found nothing on people putting u brakes on canti bosses. (i'm getting older and the fixie doesn't agree with my knees anymore.) it has enough clearance in the rear for 700x35 tires. If you are going from canti to ubrake, it might work if you could add a 3rd attachment point on the brake bridge (if there. U-Brake-Canti-Adapter.
From www.paulcomp.com
Canti Lever Paul Component Engineering U-Brake-Canti-Adapter (i'm getting older and the fixie doesn't agree with my knees anymore.) it has enough clearance in the rear for 700x35 tires. Is there such thing as an adapter? I’ve researched and found nothing on people putting u brakes on canti bosses. Assuming that the bike has a decent fork tube diameter (1 minimum), installing a u brace on the. U-Brake-Canti-Adapter.
From hillbrick.com.au
Large U Bridge For Canti Brake Cable Guide Hillbrick Bicycles U-Brake-Canti-Adapter I’ve researched and found nothing on people putting u brakes on canti bosses. Is there such thing as an adapter? If you are going from canti to ubrake, it might work if you could add a 3rd attachment point on the brake bridge (if there is one). (i'm getting older and the fixie doesn't agree with my knees anymore.) it. U-Brake-Canti-Adapter.
From www.parktool.com
UBrake Service Park Tool U-Brake-Canti-Adapter Assuming that the bike has a decent fork tube diameter (1 minimum), installing a u brace on the front brakes won't help the feel much. If you are going from canti to ubrake, it might work if you could add a 3rd attachment point on the brake bridge (if there is one). Is there such thing as an adapter? To. U-Brake-Canti-Adapter.
From www.reddit.com
I need to replace the original front canti brake. I have a quill stem adapter and a Thomson shim U-Brake-Canti-Adapter (i'm getting older and the fixie doesn't agree with my knees anymore.) it has enough clearance in the rear for 700x35 tires. Is there such thing as an adapter? If you are going from canti to ubrake, it might work if you could add a 3rd attachment point on the brake bridge (if there is one). To get the most. U-Brake-Canti-Adapter.
From bikerecyclery.com
Brake Therapy Disc Brake Conversion Kit Canti to I.S. 74mm RARE (EXC) Bike Recyclery U-Brake-Canti-Adapter Assuming that the bike has a decent fork tube diameter (1 minimum), installing a u brace on the front brakes won't help the feel much. Is there such thing as an adapter? If the bike has a typical 0.5. (i'm getting older and the fixie doesn't agree with my knees anymore.) it has enough clearance in the rear for 700x35. U-Brake-Canti-Adapter.
From ectqaps.blogspot.com
What Is A U Brake On A Bmx ECTQAPS U-Brake-Canti-Adapter (i'm getting older and the fixie doesn't agree with my knees anymore.) it has enough clearance in the rear for 700x35 tires. I’ve researched and found nothing on people putting u brakes on canti bosses. Is there such thing as an adapter? If you are going from canti to ubrake, it might work if you could add a 3rd attachment. U-Brake-Canti-Adapter.
From www.retrobike.co.uk
Is there such thing as canti to u brake adapters? Page 2 Retrobike U-Brake-Canti-Adapter I’ve researched and found nothing on people putting u brakes on canti bosses. (i'm getting older and the fixie doesn't agree with my knees anymore.) it has enough clearance in the rear for 700x35 tires. To get the most out of your canti brake, it’s crucial to get the straddle cable carrier (yoke) installed in the right position based on. U-Brake-Canti-Adapter.
From www.bikedenver.org
V Brakes vs Cantilever Brakes Which Brake Is Better? U-Brake-Canti-Adapter Assuming that the bike has a decent fork tube diameter (1 minimum), installing a u brace on the front brakes won't help the feel much. If the bike has a typical 0.5. I’ve researched and found nothing on people putting u brakes on canti bosses. If you are going from canti to ubrake, it might work if you could add. U-Brake-Canti-Adapter.
From bmxdirect.net
Eclat Talon UBrake/ Lever/ Cable Black ⋆ BMX DIRECT U-Brake-Canti-Adapter Is there such thing as an adapter? If the bike has a typical 0.5. To get the most out of your canti brake, it’s crucial to get the straddle cable carrier (yoke) installed in the right position based on the type of brakes you are running. I’ve researched and found nothing on people putting u brakes on canti bosses. Assuming. U-Brake-Canti-Adapter.
From www.ebay.com
vintage cantilever,ubrake center pull brake cable hanger with tension adjust eBay U-Brake-Canti-Adapter Assuming that the bike has a decent fork tube diameter (1 minimum), installing a u brace on the front brakes won't help the feel much. If you are going from canti to ubrake, it might work if you could add a 3rd attachment point on the brake bridge (if there is one). To get the most out of your canti. U-Brake-Canti-Adapter.
From bikerecyclery.com
Brake Therapy Disc Brake Conversion Kit Canti to Hayes 22mm RARE (EXC) Bike Recyclery U-Brake-Canti-Adapter To get the most out of your canti brake, it’s crucial to get the straddle cable carrier (yoke) installed in the right position based on the type of brakes you are running. I’ve researched and found nothing on people putting u brakes on canti bosses. Assuming that the bike has a decent fork tube diameter (1 minimum), installing a u. U-Brake-Canti-Adapter.
From flavored.ph
Bicycle Brakes BR990 BOOMERANG FS990 BMX Ubrake FRONT brake adapter plate CHROME U-Brake-Canti-Adapter If the bike has a typical 0.5. If you are going from canti to ubrake, it might work if you could add a 3rd attachment point on the brake bridge (if there is one). To get the most out of your canti brake, it’s crucial to get the straddle cable carrier (yoke) installed in the right position based on the. U-Brake-Canti-Adapter.
From www.gosupps.com
ODYSSEY UBrake Brake Springfield B Mounting Kit, Black Black U-Brake-Canti-Adapter I’ve researched and found nothing on people putting u brakes on canti bosses. To get the most out of your canti brake, it’s crucial to get the straddle cable carrier (yoke) installed in the right position based on the type of brakes you are running. (i'm getting older and the fixie doesn't agree with my knees anymore.) it has enough. U-Brake-Canti-Adapter.
From www.parktool.com
UBrake Service Park Tool U-Brake-Canti-Adapter I’ve researched and found nothing on people putting u brakes on canti bosses. Is there such thing as an adapter? (i'm getting older and the fixie doesn't agree with my knees anymore.) it has enough clearance in the rear for 700x35 tires. If you are going from canti to ubrake, it might work if you could add a 3rd attachment. U-Brake-Canti-Adapter.
From www.alligatorcables.com
CANTI LEVER BRAKE SHOES Alligator Cables U-Brake-Canti-Adapter If you are going from canti to ubrake, it might work if you could add a 3rd attachment point on the brake bridge (if there is one). I’ve researched and found nothing on people putting u brakes on canti bosses. Assuming that the bike has a decent fork tube diameter (1 minimum), installing a u brace on the front brakes. U-Brake-Canti-Adapter.
From sheldonbrown.com
The Geometry of Cantilever Brakes U-Brake-Canti-Adapter If the bike has a typical 0.5. I’ve researched and found nothing on people putting u brakes on canti bosses. To get the most out of your canti brake, it’s crucial to get the straddle cable carrier (yoke) installed in the right position based on the type of brakes you are running. Is there such thing as an adapter? If. U-Brake-Canti-Adapter.
From www.forumrowerowe.org
[adapter hamulca] konwersja vbrake canti 26" na 28" Sprzęt rowerowy Forum Rowerowe U-Brake-Canti-Adapter Is there such thing as an adapter? Assuming that the bike has a decent fork tube diameter (1 minimum), installing a u brace on the front brakes won't help the feel much. If the bike has a typical 0.5. I’ve researched and found nothing on people putting u brakes on canti bosses. (i'm getting older and the fixie doesn't agree. U-Brake-Canti-Adapter.
From brake-stuff.de
Cantisockel für UBrakes Bremssockel für BMX Bikes BrakeStuff U-Brake-Canti-Adapter If the bike has a typical 0.5. If you are going from canti to ubrake, it might work if you could add a 3rd attachment point on the brake bridge (if there is one). Assuming that the bike has a decent fork tube diameter (1 minimum), installing a u brace on the front brakes won't help the feel much. Is. U-Brake-Canti-Adapter.
From www.jbi.bike
JBI Product Details U-Brake-Canti-Adapter If the bike has a typical 0.5. I’ve researched and found nothing on people putting u brakes on canti bosses. (i'm getting older and the fixie doesn't agree with my knees anymore.) it has enough clearance in the rear for 700x35 tires. To get the most out of your canti brake, it’s crucial to get the straddle cable carrier (yoke). U-Brake-Canti-Adapter.
From forums.mtbr.com
Ubrake to canti? U-Brake-Canti-Adapter If the bike has a typical 0.5. Is there such thing as an adapter? If you are going from canti to ubrake, it might work if you could add a 3rd attachment point on the brake bridge (if there is one). Assuming that the bike has a decent fork tube diameter (1 minimum), installing a u brace on the front. U-Brake-Canti-Adapter.
From time2shinebmx.com
Odyssey Evo 2.5 UBrake Kit Polished Time 2 Shine BMX U-Brake-Canti-Adapter Is there such thing as an adapter? If the bike has a typical 0.5. I’ve researched and found nothing on people putting u brakes on canti bosses. Assuming that the bike has a decent fork tube diameter (1 minimum), installing a u brace on the front brakes won't help the feel much. (i'm getting older and the fixie doesn't agree. U-Brake-Canti-Adapter.
From www.parktool.com
UBrake Service Park Tool U-Brake-Canti-Adapter If the bike has a typical 0.5. Assuming that the bike has a decent fork tube diameter (1 minimum), installing a u brace on the front brakes won't help the feel much. (i'm getting older and the fixie doesn't agree with my knees anymore.) it has enough clearance in the rear for 700x35 tires. I’ve researched and found nothing on. U-Brake-Canti-Adapter.
From retrobicycleparts.com
Canti adapter for rim brake to Votec suspension fork Retro Bike Parts Germany U-Brake-Canti-Adapter I’ve researched and found nothing on people putting u brakes on canti bosses. (i'm getting older and the fixie doesn't agree with my knees anymore.) it has enough clearance in the rear for 700x35 tires. Is there such thing as an adapter? To get the most out of your canti brake, it’s crucial to get the straddle cable carrier (yoke). U-Brake-Canti-Adapter.
From www.parktool.com
UBrake Service Park Tool U-Brake-Canti-Adapter (i'm getting older and the fixie doesn't agree with my knees anymore.) it has enough clearance in the rear for 700x35 tires. Is there such thing as an adapter? I’ve researched and found nothing on people putting u brakes on canti bosses. If the bike has a typical 0.5. To get the most out of your canti brake, it’s crucial. U-Brake-Canti-Adapter.
From www.pinterest.com
Paul Components Canti Stud Rack Adapters Ben's Cycle Performance bike, Bike accessories, Rack U-Brake-Canti-Adapter Is there such thing as an adapter? Assuming that the bike has a decent fork tube diameter (1 minimum), installing a u brace on the front brakes won't help the feel much. (i'm getting older and the fixie doesn't agree with my knees anymore.) it has enough clearance in the rear for 700x35 tires. To get the most out of. U-Brake-Canti-Adapter.
From www.nashbar.com
Paul Components Canti Brake Levers (Black) [070BLACK] Parts Nashbar U-Brake-Canti-Adapter Assuming that the bike has a decent fork tube diameter (1 minimum), installing a u brace on the front brakes won't help the feel much. (i'm getting older and the fixie doesn't agree with my knees anymore.) it has enough clearance in the rear for 700x35 tires. I’ve researched and found nothing on people putting u brakes on canti bosses.. U-Brake-Canti-Adapter.