Warning System Reset By Watchdog . This error is caused because the system stopped responding and the hardware watchdog triggered a system reset. based on. A watchdog timer (wdt) is a crucial component in embedded systems and critical applications, serving as a countdown timer that resets a. This is a weird one: You'd need to provide instrumentation/telemetry to understand the flow of your code and why it didn't kick the watchdog. The watchdog functionality helps in the automatic recovery of an unresponsive system. When i reopened it, i got the following. Last execution detected error was: A watchdog timer is used for detecting anomalies. A reboot has been triggered by a watchdog reset! This error is caused because the system stopped responding and the hardware watchdog triggered a system reset. based on.
from awjunaid.com
A reboot has been triggered by a watchdog reset! You'd need to provide instrumentation/telemetry to understand the flow of your code and why it didn't kick the watchdog. Last execution detected error was: The watchdog functionality helps in the automatic recovery of an unresponsive system. A watchdog timer (wdt) is a crucial component in embedded systems and critical applications, serving as a countdown timer that resets a. This is a weird one: This error is caused because the system stopped responding and the hardware watchdog triggered a system reset. based on. A watchdog timer is used for detecting anomalies. When i reopened it, i got the following. This error is caused because the system stopped responding and the hardware watchdog triggered a system reset. based on.
How does a watchdog timer work in an embedded system? Abdul Wahab Junaid
Warning System Reset By Watchdog When i reopened it, i got the following. This error is caused because the system stopped responding and the hardware watchdog triggered a system reset. based on. This error is caused because the system stopped responding and the hardware watchdog triggered a system reset. based on. When i reopened it, i got the following. A watchdog timer is used for detecting anomalies. This is a weird one: The watchdog functionality helps in the automatic recovery of an unresponsive system. You'd need to provide instrumentation/telemetry to understand the flow of your code and why it didn't kick the watchdog. A reboot has been triggered by a watchdog reset! Last execution detected error was: A watchdog timer (wdt) is a crucial component in embedded systems and critical applications, serving as a countdown timer that resets a.
From microcontrollerslab.com
Arduino Watchdog Timer Tutorial with Example Warning System Reset By Watchdog You'd need to provide instrumentation/telemetry to understand the flow of your code and why it didn't kick the watchdog. A watchdog timer is used for detecting anomalies. Last execution detected error was: A watchdog timer (wdt) is a crucial component in embedded systems and critical applications, serving as a countdown timer that resets a. This error is caused because the. Warning System Reset By Watchdog.
From animalia-life.club
What Is The Significance Of Watchdog Timer In Embedded System Warning System Reset By Watchdog A watchdog timer (wdt) is a crucial component in embedded systems and critical applications, serving as a countdown timer that resets a. A watchdog timer is used for detecting anomalies. Last execution detected error was: This error is caused because the system stopped responding and the hardware watchdog triggered a system reset. based on. When i reopened it, i got. Warning System Reset By Watchdog.
From awjunaid.com
How does a watchdog timer work in an embedded system? Abdul Wahab Junaid Warning System Reset By Watchdog A watchdog timer (wdt) is a crucial component in embedded systems and critical applications, serving as a countdown timer that resets a. You'd need to provide instrumentation/telemetry to understand the flow of your code and why it didn't kick the watchdog. A reboot has been triggered by a watchdog reset! Last execution detected error was: When i reopened it, i. Warning System Reset By Watchdog.
From stackoverflow.com
assembly Software Watchdog Timer resets MPC875 CPU too fast Stack Warning System Reset By Watchdog When i reopened it, i got the following. The watchdog functionality helps in the automatic recovery of an unresponsive system. Last execution detected error was: This error is caused because the system stopped responding and the hardware watchdog triggered a system reset. based on. A watchdog timer is used for detecting anomalies. A reboot has been triggered by a watchdog. Warning System Reset By Watchdog.
From www.vishalchovatiya.com
Watchdog Timer(WDT) & Window Watchdog Timer(WWDT) Warning System Reset By Watchdog This is a weird one: A watchdog timer (wdt) is a crucial component in embedded systems and critical applications, serving as a countdown timer that resets a. A watchdog timer is used for detecting anomalies. Last execution detected error was: The watchdog functionality helps in the automatic recovery of an unresponsive system. When i reopened it, i got the following.. Warning System Reset By Watchdog.
From www.slideserve.com
PPT Watchdog Timers PowerPoint Presentation, free download ID6822865 Warning System Reset By Watchdog This error is caused because the system stopped responding and the hardware watchdog triggered a system reset. based on. This error is caused because the system stopped responding and the hardware watchdog triggered a system reset. based on. When i reopened it, i got the following. The watchdog functionality helps in the automatic recovery of an unresponsive system. A watchdog. Warning System Reset By Watchdog.
From joijeiaoc.blob.core.windows.net
Watchdog Timer Define at Silver blog Warning System Reset By Watchdog A watchdog timer is used for detecting anomalies. Last execution detected error was: This error is caused because the system stopped responding and the hardware watchdog triggered a system reset. based on. A watchdog timer (wdt) is a crucial component in embedded systems and critical applications, serving as a countdown timer that resets a. When i reopened it, i got. Warning System Reset By Watchdog.
From 9to5answer.com
[Solved] How do I cause a watchdog reset of my embedded 9to5Answer Warning System Reset By Watchdog A reboot has been triggered by a watchdog reset! You'd need to provide instrumentation/telemetry to understand the flow of your code and why it didn't kick the watchdog. This error is caused because the system stopped responding and the hardware watchdog triggered a system reset. based on. A watchdog timer (wdt) is a crucial component in embedded systems and critical. Warning System Reset By Watchdog.
From forum.prusa3d.com
Watchdog Reset Assembly and first prints troubleshooting Prusa3D Forum Warning System Reset By Watchdog When i reopened it, i got the following. A watchdog timer (wdt) is a crucial component in embedded systems and critical applications, serving as a countdown timer that resets a. The watchdog functionality helps in the automatic recovery of an unresponsive system. A reboot has been triggered by a watchdog reset! A watchdog timer is used for detecting anomalies. You'd. Warning System Reset By Watchdog.
From r2.community.samsung.com
Freeze and now showing watchdog reset Samsung Members Warning System Reset By Watchdog A reboot has been triggered by a watchdog reset! This error is caused because the system stopped responding and the hardware watchdog triggered a system reset. based on. This is a weird one: This error is caused because the system stopped responding and the hardware watchdog triggered a system reset. based on. The watchdog functionality helps in the automatic recovery. Warning System Reset By Watchdog.
From joijeiaoc.blob.core.windows.net
Watchdog Timer Define at Silver blog Warning System Reset By Watchdog Last execution detected error was: You'd need to provide instrumentation/telemetry to understand the flow of your code and why it didn't kick the watchdog. A watchdog timer (wdt) is a crucial component in embedded systems and critical applications, serving as a countdown timer that resets a. This error is caused because the system stopped responding and the hardware watchdog triggered. Warning System Reset By Watchdog.
From enginedatapunchers.z21.web.core.windows.net
Watchdog Timer In Embedded System Warning System Reset By Watchdog This is a weird one: You'd need to provide instrumentation/telemetry to understand the flow of your code and why it didn't kick the watchdog. This error is caused because the system stopped responding and the hardware watchdog triggered a system reset. based on. A reboot has been triggered by a watchdog reset! A watchdog timer is used for detecting anomalies.. Warning System Reset By Watchdog.
From animalia-life.club
What Is The Significance Of Watchdog Timer In Embedded System Warning System Reset By Watchdog A watchdog timer (wdt) is a crucial component in embedded systems and critical applications, serving as a countdown timer that resets a. This is a weird one: This error is caused because the system stopped responding and the hardware watchdog triggered a system reset. based on. When i reopened it, i got the following. A watchdog timer is used for. Warning System Reset By Watchdog.
From edmondsonsupply.com
Edmondson Supply iO HVAC Controls iOWW1 Warning Watchdog™ Condensing Warning System Reset By Watchdog A watchdog timer (wdt) is a crucial component in embedded systems and critical applications, serving as a countdown timer that resets a. A reboot has been triggered by a watchdog reset! Last execution detected error was: A watchdog timer is used for detecting anomalies. The watchdog functionality helps in the automatic recovery of an unresponsive system. When i reopened it,. Warning System Reset By Watchdog.
From vietfones.vn
Xsm panic userspace watchdog timeout VietFones Forum Warning System Reset By Watchdog When i reopened it, i got the following. This error is caused because the system stopped responding and the hardware watchdog triggered a system reset. based on. This is a weird one: A reboot has been triggered by a watchdog reset! A watchdog timer is used for detecting anomalies. Last execution detected error was: The watchdog functionality helps in the. Warning System Reset By Watchdog.
From www.youtube.com
How to design Watchdog timer that reset the system if Watchdog counter Warning System Reset By Watchdog A watchdog timer is used for detecting anomalies. The watchdog functionality helps in the automatic recovery of an unresponsive system. A watchdog timer (wdt) is a crucial component in embedded systems and critical applications, serving as a countdown timer that resets a. Last execution detected error was: This is a weird one: This error is caused because the system stopped. Warning System Reset By Watchdog.
From interrupt.memfault.com
A Guide to Watchdog Timers for Embedded Systems Interrupt Warning System Reset By Watchdog When i reopened it, i got the following. This error is caused because the system stopped responding and the hardware watchdog triggered a system reset. based on. A watchdog timer (wdt) is a crucial component in embedded systems and critical applications, serving as a countdown timer that resets a. This error is caused because the system stopped responding and the. Warning System Reset By Watchdog.
From www.powerequipmentdirect.com
Basement Watchdog BW4000 CONNECT® 1/2 HP Combination Primary & Backup Warning System Reset By Watchdog Last execution detected error was: The watchdog functionality helps in the automatic recovery of an unresponsive system. This is a weird one: A watchdog timer is used for detecting anomalies. A watchdog timer (wdt) is a crucial component in embedded systems and critical applications, serving as a countdown timer that resets a. You'd need to provide instrumentation/telemetry to understand the. Warning System Reset By Watchdog.
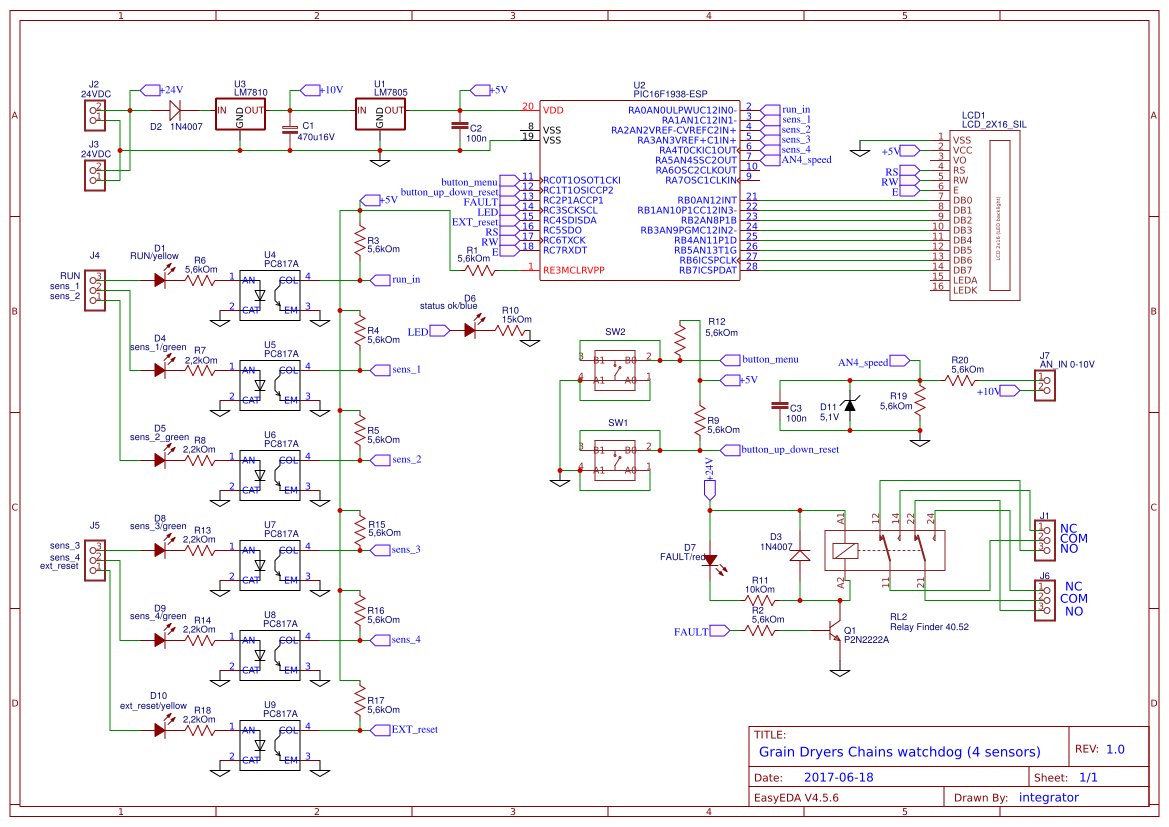
From oshwlab.com
Watchdog 4_sensors vs. ext.reset OSHWLab Warning System Reset By Watchdog This error is caused because the system stopped responding and the hardware watchdog triggered a system reset. based on. This error is caused because the system stopped responding and the hardware watchdog triggered a system reset. based on. A reboot has been triggered by a watchdog reset! The watchdog functionality helps in the automatic recovery of an unresponsive system. When. Warning System Reset By Watchdog.
From betterembsw.blogspot.com
Better Embedded System SW Proper Watchdog Timer Use Warning System Reset By Watchdog When i reopened it, i got the following. This error is caused because the system stopped responding and the hardware watchdog triggered a system reset. based on. The watchdog functionality helps in the automatic recovery of an unresponsive system. This error is caused because the system stopped responding and the hardware watchdog triggered a system reset. based on. This is. Warning System Reset By Watchdog.
From create.arduino.cc
What is Watchdog Timer ? Arduino Project Hub Warning System Reset By Watchdog You'd need to provide instrumentation/telemetry to understand the flow of your code and why it didn't kick the watchdog. This is a weird one: When i reopened it, i got the following. A reboot has been triggered by a watchdog reset! A watchdog timer (wdt) is a crucial component in embedded systems and critical applications, serving as a countdown timer. Warning System Reset By Watchdog.
From animalia-life.club
What Is The Significance Of Watchdog Timer In Embedded System Warning System Reset By Watchdog You'd need to provide instrumentation/telemetry to understand the flow of your code and why it didn't kick the watchdog. A watchdog timer (wdt) is a crucial component in embedded systems and critical applications, serving as a countdown timer that resets a. This error is caused because the system stopped responding and the hardware watchdog triggered a system reset. based on.. Warning System Reset By Watchdog.
From e2e.ti.com
DRV8305 VDS_STATUS in Warning and Watchdog Reset Register Description Warning System Reset By Watchdog This error is caused because the system stopped responding and the hardware watchdog triggered a system reset. based on. A watchdog timer (wdt) is a crucial component in embedded systems and critical applications, serving as a countdown timer that resets a. A reboot has been triggered by a watchdog reset! When i reopened it, i got the following. Last execution. Warning System Reset By Watchdog.
From animalia-life.club
What Is The Significance Of Watchdog Timer In Embedded System Warning System Reset By Watchdog A watchdog timer (wdt) is a crucial component in embedded systems and critical applications, serving as a countdown timer that resets a. When i reopened it, i got the following. This error is caused because the system stopped responding and the hardware watchdog triggered a system reset. based on. The watchdog functionality helps in the automatic recovery of an unresponsive. Warning System Reset By Watchdog.
From www.youtube.com
WatchDog Safety Warnings YouTube Warning System Reset By Watchdog Last execution detected error was: A watchdog timer is used for detecting anomalies. A reboot has been triggered by a watchdog reset! This error is caused because the system stopped responding and the hardware watchdog triggered a system reset. based on. This error is caused because the system stopped responding and the hardware watchdog triggered a system reset. based on.. Warning System Reset By Watchdog.
From www.researchgate.net
Flood early warning detection system software flowchart Download Warning System Reset By Watchdog This error is caused because the system stopped responding and the hardware watchdog triggered a system reset. based on. A reboot has been triggered by a watchdog reset! You'd need to provide instrumentation/telemetry to understand the flow of your code and why it didn't kick the watchdog. A watchdog timer (wdt) is a crucial component in embedded systems and critical. Warning System Reset By Watchdog.
From support.criticallink.com
Using Watchdog MityDSPL138 (ARM9 Based Platforms) Critical Link Warning System Reset By Watchdog A reboot has been triggered by a watchdog reset! A watchdog timer (wdt) is a crucial component in embedded systems and critical applications, serving as a countdown timer that resets a. A watchdog timer is used for detecting anomalies. The watchdog functionality helps in the automatic recovery of an unresponsive system. This error is caused because the system stopped responding. Warning System Reset By Watchdog.
From www.reddit.com
Branded Goods Overcharging Watchdog's Warning r/newswall Warning System Reset By Watchdog A watchdog timer (wdt) is a crucial component in embedded systems and critical applications, serving as a countdown timer that resets a. A reboot has been triggered by a watchdog reset! Last execution detected error was: The watchdog functionality helps in the automatic recovery of an unresponsive system. When i reopened it, i got the following. This error is caused. Warning System Reset By Watchdog.
From help.prusa3d.com
Watchdog reset MINI Prusa Knowledge Base Warning System Reset By Watchdog When i reopened it, i got the following. This error is caused because the system stopped responding and the hardware watchdog triggered a system reset. based on. You'd need to provide instrumentation/telemetry to understand the flow of your code and why it didn't kick the watchdog. A reboot has been triggered by a watchdog reset! This error is caused because. Warning System Reset By Watchdog.
From edmondsonsupply.com
Edmondson Supply iO HVAC Controls iOWW3 Warning Watchdog™ Condensing Warning System Reset By Watchdog This error is caused because the system stopped responding and the hardware watchdog triggered a system reset. based on. A watchdog timer (wdt) is a crucial component in embedded systems and critical applications, serving as a countdown timer that resets a. This error is caused because the system stopped responding and the hardware watchdog triggered a system reset. based on.. Warning System Reset By Watchdog.
From www.slideserve.com
PPT Reset Sources and Watchdog Timer PowerPoint Presentation, free Warning System Reset By Watchdog Last execution detected error was: A watchdog timer is used for detecting anomalies. A reboot has been triggered by a watchdog reset! When i reopened it, i got the following. You'd need to provide instrumentation/telemetry to understand the flow of your code and why it didn't kick the watchdog. A watchdog timer (wdt) is a crucial component in embedded systems. Warning System Reset By Watchdog.
From techpp.com
Fix Clock Watchdog Timeout on Windows A StepbyStep Guide to Resolve Warning System Reset By Watchdog A watchdog timer is used for detecting anomalies. A reboot has been triggered by a watchdog reset! This error is caused because the system stopped responding and the hardware watchdog triggered a system reset. based on. A watchdog timer (wdt) is a crucial component in embedded systems and critical applications, serving as a countdown timer that resets a. You'd need. Warning System Reset By Watchdog.
From www.openbasement.com
Basement Watchdog Computer Control Unit Openbasement Warning System Reset By Watchdog You'd need to provide instrumentation/telemetry to understand the flow of your code and why it didn't kick the watchdog. A watchdog timer is used for detecting anomalies. When i reopened it, i got the following. A watchdog timer (wdt) is a crucial component in embedded systems and critical applications, serving as a countdown timer that resets a. The watchdog functionality. Warning System Reset By Watchdog.
From lildutchuncle.com
Basement Watchdog Warning Lights Warning System Reset By Watchdog The watchdog functionality helps in the automatic recovery of an unresponsive system. When i reopened it, i got the following. A watchdog timer is used for detecting anomalies. This is a weird one: Last execution detected error was: This error is caused because the system stopped responding and the hardware watchdog triggered a system reset. based on. This error is. Warning System Reset By Watchdog.
From www.slideserve.com
PPT Watchdog Timers PowerPoint Presentation, free download ID5967538 Warning System Reset By Watchdog This is a weird one: A watchdog timer (wdt) is a crucial component in embedded systems and critical applications, serving as a countdown timer that resets a. This error is caused because the system stopped responding and the hardware watchdog triggered a system reset. based on. This error is caused because the system stopped responding and the hardware watchdog triggered. Warning System Reset By Watchdog.