Join 2 Power Supplies Together . In this configuration each power supply delivers the required load voltage while connecting the supplies in parallel increases the available load current and thus the available load power. There are some commercial solutions to this, like add2psu which is basically just a relay that switches the other power supplies. A common topology employed to increase output power is to connect the outputs of two or more supplies in parallel. All you have to do is plug a motherboard connector from each secondary psu into each add2psu, and run a molex from the primary psu into each of the. I use a 5 v power supply for it (now a 2 a phone charger), and it will control a power board with some mosfets, etc. A power supply unit works by raising or lowering the voltage as needed. Before you grab your power cords and start playing. The short answer is yes, it can be safe to connect two power supplies together, but—and it’s a big but—there are important caveats. I would like to know, whether it's possible to use two ordinary pc/atx power supplies safely in one machine. To set up a dual power supply, some devices out there require the use of. How do you set up a dual power supply?
from gioaasoaa.blob.core.windows.net
There are some commercial solutions to this, like add2psu which is basically just a relay that switches the other power supplies. A common topology employed to increase output power is to connect the outputs of two or more supplies in parallel. The short answer is yes, it can be safe to connect two power supplies together, but—and it’s a big but—there are important caveats. How do you set up a dual power supply? I use a 5 v power supply for it (now a 2 a phone charger), and it will control a power board with some mosfets, etc. A power supply unit works by raising or lowering the voltage as needed. All you have to do is plug a motherboard connector from each secondary psu into each add2psu, and run a molex from the primary psu into each of the. To set up a dual power supply, some devices out there require the use of. I would like to know, whether it's possible to use two ordinary pc/atx power supplies safely in one machine. Before you grab your power cords and start playing.
Can You Use Ac Power Supply For Dc at John Montague blog
Join 2 Power Supplies Together All you have to do is plug a motherboard connector from each secondary psu into each add2psu, and run a molex from the primary psu into each of the. A power supply unit works by raising or lowering the voltage as needed. All you have to do is plug a motherboard connector from each secondary psu into each add2psu, and run a molex from the primary psu into each of the. How do you set up a dual power supply? To set up a dual power supply, some devices out there require the use of. I use a 5 v power supply for it (now a 2 a phone charger), and it will control a power board with some mosfets, etc. The short answer is yes, it can be safe to connect two power supplies together, but—and it’s a big but—there are important caveats. A common topology employed to increase output power is to connect the outputs of two or more supplies in parallel. Before you grab your power cords and start playing. In this configuration each power supply delivers the required load voltage while connecting the supplies in parallel increases the available load current and thus the available load power. I would like to know, whether it's possible to use two ordinary pc/atx power supplies safely in one machine. There are some commercial solutions to this, like add2psu which is basically just a relay that switches the other power supplies.
From www.youtube.com
Four MegaWatt S70012 Power Supplies Running at 200 Amps 2800 Watts Join 2 Power Supplies Together The short answer is yes, it can be safe to connect two power supplies together, but—and it’s a big but—there are important caveats. How do you set up a dual power supply? All you have to do is plug a motherboard connector from each secondary psu into each add2psu, and run a molex from the primary psu into each of. Join 2 Power Supplies Together.
From www.youtube.com
Phanteks Power Combo 2 Power Supplies 1 Motherboard YouTube Join 2 Power Supplies Together How do you set up a dual power supply? A power supply unit works by raising or lowering the voltage as needed. A common topology employed to increase output power is to connect the outputs of two or more supplies in parallel. In this configuration each power supply delivers the required load voltage while connecting the supplies in parallel increases. Join 2 Power Supplies Together.
From www.spectrumlaserlights.com
CZJUTAI 5 volt 3.00A LED Class 2 Power Supply Intertek 3140710 JTDC05 Join 2 Power Supplies Together Before you grab your power cords and start playing. A common topology employed to increase output power is to connect the outputs of two or more supplies in parallel. I would like to know, whether it's possible to use two ordinary pc/atx power supplies safely in one machine. How do you set up a dual power supply? The short answer. Join 2 Power Supplies Together.
From www.youtube.com
Understanding Power Supplies Series and Parallel Operation YouTube Join 2 Power Supplies Together The short answer is yes, it can be safe to connect two power supplies together, but—and it’s a big but—there are important caveats. A common topology employed to increase output power is to connect the outputs of two or more supplies in parallel. A power supply unit works by raising or lowering the voltage as needed. There are some commercial. Join 2 Power Supplies Together.
From dxoazpagm.blob.core.windows.net
Purpose Of Dc Power Supply at April Henry blog Join 2 Power Supplies Together In this configuration each power supply delivers the required load voltage while connecting the supplies in parallel increases the available load current and thus the available load power. Before you grab your power cords and start playing. A common topology employed to increase output power is to connect the outputs of two or more supplies in parallel. I would like. Join 2 Power Supplies Together.
From guidediagrambumfreezer.z21.web.core.windows.net
Connecting 2 Car Batteries Together Join 2 Power Supplies Together The short answer is yes, it can be safe to connect two power supplies together, but—and it’s a big but—there are important caveats. I use a 5 v power supply for it (now a 2 a phone charger), and it will control a power board with some mosfets, etc. To set up a dual power supply, some devices out there. Join 2 Power Supplies Together.
From www.onelectrontech.com
Instrumentation Essentials Lab Power Supply OnElectronTech Join 2 Power Supplies Together I use a 5 v power supply for it (now a 2 a phone charger), and it will control a power board with some mosfets, etc. All you have to do is plug a motherboard connector from each secondary psu into each add2psu, and run a molex from the primary psu into each of the. How do you set up. Join 2 Power Supplies Together.
From electronics.stackexchange.com
Connecting Two 12 Volt 10 Amp Power Supplies Together Electrical Join 2 Power Supplies Together All you have to do is plug a motherboard connector from each secondary psu into each add2psu, and run a molex from the primary psu into each of the. I would like to know, whether it's possible to use two ordinary pc/atx power supplies safely in one machine. The short answer is yes, it can be safe to connect two. Join 2 Power Supplies Together.
From www.onelectrontech.com
Instrumentation Essentials Lab Power Supply OnElectronTech Join 2 Power Supplies Together A common topology employed to increase output power is to connect the outputs of two or more supplies in parallel. I would like to know, whether it's possible to use two ordinary pc/atx power supplies safely in one machine. I use a 5 v power supply for it (now a 2 a phone charger), and it will control a power. Join 2 Power Supplies Together.
From www.youtube.com
How to Connect a Power Supply Terminal to a TwoLead Power Cable YouTube Join 2 Power Supplies Together There are some commercial solutions to this, like add2psu which is basically just a relay that switches the other power supplies. The short answer is yes, it can be safe to connect two power supplies together, but—and it’s a big but—there are important caveats. I would like to know, whether it's possible to use two ordinary pc/atx power supplies safely. Join 2 Power Supplies Together.
From gioaasoaa.blob.core.windows.net
Can You Use Ac Power Supply For Dc at John Montague blog Join 2 Power Supplies Together I would like to know, whether it's possible to use two ordinary pc/atx power supplies safely in one machine. A power supply unit works by raising or lowering the voltage as needed. Before you grab your power cords and start playing. A common topology employed to increase output power is to connect the outputs of two or more supplies in. Join 2 Power Supplies Together.
From electronics.stackexchange.com
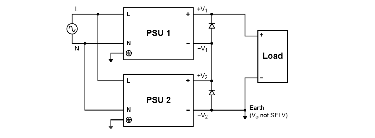
Why is a reversebiased diode needed when connecting power supplies in Join 2 Power Supplies Together A power supply unit works by raising or lowering the voltage as needed. Before you grab your power cords and start playing. To set up a dual power supply, some devices out there require the use of. The short answer is yes, it can be safe to connect two power supplies together, but—and it’s a big but—there are important caveats.. Join 2 Power Supplies Together.
From power-topics.blogspot.com
TDKLambda Americas Blog “Brute Force” Parallel of Power Supplies Join 2 Power Supplies Together A power supply unit works by raising or lowering the voltage as needed. I would like to know, whether it's possible to use two ordinary pc/atx power supplies safely in one machine. There are some commercial solutions to this, like add2psu which is basically just a relay that switches the other power supplies. I use a 5 v power supply. Join 2 Power Supplies Together.
From tekhouse.co.uk
Dual PSU Adapter Power Supply Sync Module Board Add2PSU (Green, SATA Join 2 Power Supplies Together I use a 5 v power supply for it (now a 2 a phone charger), and it will control a power board with some mosfets, etc. In this configuration each power supply delivers the required load voltage while connecting the supplies in parallel increases the available load current and thus the available load power. Before you grab your power cords. Join 2 Power Supplies Together.
From www.cui.com
Connecting Power Supplies in Parallel or Series for Increased Output Join 2 Power Supplies Together The short answer is yes, it can be safe to connect two power supplies together, but—and it’s a big but—there are important caveats. A power supply unit works by raising or lowering the voltage as needed. How do you set up a dual power supply? There are some commercial solutions to this, like add2psu which is basically just a relay. Join 2 Power Supplies Together.
From www.youtube.com
How to connect two power supply in series ESaverTech YouTube Join 2 Power Supplies Together I would like to know, whether it's possible to use two ordinary pc/atx power supplies safely in one machine. A common topology employed to increase output power is to connect the outputs of two or more supplies in parallel. To set up a dual power supply, some devices out there require the use of. The short answer is yes, it. Join 2 Power Supplies Together.
From itecnotes.com
Electronic How to connect 2 different power supplies together Join 2 Power Supplies Together Before you grab your power cords and start playing. There are some commercial solutions to this, like add2psu which is basically just a relay that switches the other power supplies. In this configuration each power supply delivers the required load voltage while connecting the supplies in parallel increases the available load current and thus the available load power. I use. Join 2 Power Supplies Together.
From www.reddit.com
Series and Parallel connection of 12v Power Supplies? AskElectronics Join 2 Power Supplies Together In this configuration each power supply delivers the required load voltage while connecting the supplies in parallel increases the available load current and thus the available load power. I would like to know, whether it's possible to use two ordinary pc/atx power supplies safely in one machine. A power supply unit works by raising or lowering the voltage as needed.. Join 2 Power Supplies Together.
From power-topics.blogspot.com
TDKLambda Americas Blog Avoiding noise issues when operating power Join 2 Power Supplies Together A common topology employed to increase output power is to connect the outputs of two or more supplies in parallel. Before you grab your power cords and start playing. How do you set up a dual power supply? All you have to do is plug a motherboard connector from each secondary psu into each add2psu, and run a molex from. Join 2 Power Supplies Together.
From makenotes.de
Make a 24 V power supply from two 12 V supplies MakeNotes.de Join 2 Power Supplies Together A common topology employed to increase output power is to connect the outputs of two or more supplies in parallel. I use a 5 v power supply for it (now a 2 a phone charger), and it will control a power board with some mosfets, etc. In this configuration each power supply delivers the required load voltage while connecting the. Join 2 Power Supplies Together.
From exoqnchog.blob.core.windows.net
Power Supply Unit Company Names at Cecil Durso blog Join 2 Power Supplies Together To set up a dual power supply, some devices out there require the use of. Before you grab your power cords and start playing. I use a 5 v power supply for it (now a 2 a phone charger), and it will control a power board with some mosfets, etc. All you have to do is plug a motherboard connector. Join 2 Power Supplies Together.
From www.cui.com
Connecting Power Supplies in Parallel or Series for Increased Output Join 2 Power Supplies Together All you have to do is plug a motherboard connector from each secondary psu into each add2psu, and run a molex from the primary psu into each of the. Before you grab your power cords and start playing. In this configuration each power supply delivers the required load voltage while connecting the supplies in parallel increases the available load current. Join 2 Power Supplies Together.
From wiringfixbabybashhunny7z.z21.web.core.windows.net
12 Volts Power Supply Circuit Diagram Join 2 Power Supplies Together To set up a dual power supply, some devices out there require the use of. How do you set up a dual power supply? There are some commercial solutions to this, like add2psu which is basically just a relay that switches the other power supplies. A common topology employed to increase output power is to connect the outputs of two. Join 2 Power Supplies Together.
From www.chegg.com
Solved Connect the circuit to a DC power supply and describe Join 2 Power Supplies Together I use a 5 v power supply for it (now a 2 a phone charger), and it will control a power board with some mosfets, etc. All you have to do is plug a motherboard connector from each secondary psu into each add2psu, and run a molex from the primary psu into each of the. A power supply unit works. Join 2 Power Supplies Together.
From www.youtube.com
2*12v Connecting two power supplies in series YouTube Join 2 Power Supplies Together The short answer is yes, it can be safe to connect two power supplies together, but—and it’s a big but—there are important caveats. A common topology employed to increase output power is to connect the outputs of two or more supplies in parallel. I use a 5 v power supply for it (now a 2 a phone charger), and it. Join 2 Power Supplies Together.
From forum.duet3d.com
separate power supply to power duet and the GND Duet3D Forum Join 2 Power Supplies Together The short answer is yes, it can be safe to connect two power supplies together, but—and it’s a big but—there are important caveats. Before you grab your power cords and start playing. How do you set up a dual power supply? There are some commercial solutions to this, like add2psu which is basically just a relay that switches the other. Join 2 Power Supplies Together.
From www.cui.com
Connecting Power Supplies in Parallel or Series for Increased Output Join 2 Power Supplies Together Before you grab your power cords and start playing. The short answer is yes, it can be safe to connect two power supplies together, but—and it’s a big but—there are important caveats. I use a 5 v power supply for it (now a 2 a phone charger), and it will control a power board with some mosfets, etc. In this. Join 2 Power Supplies Together.
From www.youtube.com
Wiring up a Power Supply (PSU) Don't wire V to GND! See new video in Join 2 Power Supplies Together The short answer is yes, it can be safe to connect two power supplies together, but—and it’s a big but—there are important caveats. How do you set up a dual power supply? There are some commercial solutions to this, like add2psu which is basically just a relay that switches the other power supplies. All you have to do is plug. Join 2 Power Supplies Together.
From principalsloan.com
HE 120W 12VDC Power Supply Principal Sloan Join 2 Power Supplies Together There are some commercial solutions to this, like add2psu which is basically just a relay that switches the other power supplies. In this configuration each power supply delivers the required load voltage while connecting the supplies in parallel increases the available load current and thus the available load power. A power supply unit works by raising or lowering the voltage. Join 2 Power Supplies Together.
From www.youtube.com
3.3. Lab Guidance Power Supply Series Mode YouTube Join 2 Power Supplies Together The short answer is yes, it can be safe to connect two power supplies together, but—and it’s a big but—there are important caveats. There are some commercial solutions to this, like add2psu which is basically just a relay that switches the other power supplies. In this configuration each power supply delivers the required load voltage while connecting the supplies in. Join 2 Power Supplies Together.
From www.rcgroups.com
How To Convert HP Power Supply RC Groups Join 2 Power Supplies Together All you have to do is plug a motherboard connector from each secondary psu into each add2psu, and run a molex from the primary psu into each of the. I use a 5 v power supply for it (now a 2 a phone charger), and it will control a power board with some mosfets, etc. Before you grab your power. Join 2 Power Supplies Together.
From www.seclock.com
AQD48F8R2 Securitron Power Supplies SECLOCK Join 2 Power Supplies Together Before you grab your power cords and start playing. The short answer is yes, it can be safe to connect two power supplies together, but—and it’s a big but—there are important caveats. A common topology employed to increase output power is to connect the outputs of two or more supplies in parallel. I would like to know, whether it's possible. Join 2 Power Supplies Together.
From products.pulspower.com
Parallel connection and redundancy of power supplies Join 2 Power Supplies Together There are some commercial solutions to this, like add2psu which is basically just a relay that switches the other power supplies. The short answer is yes, it can be safe to connect two power supplies together, but—and it’s a big but—there are important caveats. A common topology employed to increase output power is to connect the outputs of two or. Join 2 Power Supplies Together.
From electronics.stackexchange.com
Multiple switching power supplies sharing the same(v) reference Join 2 Power Supplies Together I use a 5 v power supply for it (now a 2 a phone charger), and it will control a power board with some mosfets, etc. I would like to know, whether it's possible to use two ordinary pc/atx power supplies safely in one machine. A common topology employed to increase output power is to connect the outputs of two. Join 2 Power Supplies Together.
From makenotes.de
Make a 24 V power supply from two 12 V supplies MakeNotes.de Join 2 Power Supplies Together All you have to do is plug a motherboard connector from each secondary psu into each add2psu, and run a molex from the primary psu into each of the. A power supply unit works by raising or lowering the voltage as needed. I use a 5 v power supply for it (now a 2 a phone charger), and it will. Join 2 Power Supplies Together.