Chevy Uplander Windshield Wipers Not Working . Make sure the motor has stopped prior. If you switch the wipers on and there is no reaction, it is a strong. Simply remove the blades and replace at the start position at the bottom of the screen. Refitting the link arm is usually a simple. The most common reasons a chevrolet uplander windshield wipers aren't working are broken wiper motor and issues with the switch. Here are a handful of indicators that your wiper motor isn’t working properly: A working rear wiper is essential for seeing the road better, especially during adverse weather conditions. When your wipers stop working, you can hear the wiper motor running. The problem is most likely a disconnected wiper motor link arm. One windshield wiper not working is often caused when the wipers are turned on when the rubber edges are frozen to the windshield. If you've noticed your rear wiper not working as it should, this guide.
from blog.1aauto.com
If you've noticed your rear wiper not working as it should, this guide. The problem is most likely a disconnected wiper motor link arm. Make sure the motor has stopped prior. If you switch the wipers on and there is no reaction, it is a strong. Simply remove the blades and replace at the start position at the bottom of the screen. One windshield wiper not working is often caused when the wipers are turned on when the rubber edges are frozen to the windshield. When your wipers stop working, you can hear the wiper motor running. Here are a handful of indicators that your wiper motor isn’t working properly: Refitting the link arm is usually a simple. A working rear wiper is essential for seeing the road better, especially during adverse weather conditions.
Windshield Wipers Not Working? Diagnose & Fix 1A Auto
Chevy Uplander Windshield Wipers Not Working One windshield wiper not working is often caused when the wipers are turned on when the rubber edges are frozen to the windshield. One windshield wiper not working is often caused when the wipers are turned on when the rubber edges are frozen to the windshield. The most common reasons a chevrolet uplander windshield wipers aren't working are broken wiper motor and issues with the switch. Here are a handful of indicators that your wiper motor isn’t working properly: Make sure the motor has stopped prior. Simply remove the blades and replace at the start position at the bottom of the screen. If you've noticed your rear wiper not working as it should, this guide. A working rear wiper is essential for seeing the road better, especially during adverse weather conditions. Refitting the link arm is usually a simple. The problem is most likely a disconnected wiper motor link arm. If you switch the wipers on and there is no reaction, it is a strong. When your wipers stop working, you can hear the wiper motor running.
From www.2carpros.com
All of the Windshield Wipers Are Not Working? Chevy Uplander Windshield Wipers Not Working Here are a handful of indicators that your wiper motor isn’t working properly: Refitting the link arm is usually a simple. If you've noticed your rear wiper not working as it should, this guide. If you switch the wipers on and there is no reaction, it is a strong. One windshield wiper not working is often caused when the wipers. Chevy Uplander Windshield Wipers Not Working.
From www.partrequest.com
Used 2005 2008 Chevy Uplander Left & Right Windshield Wiper Arms Oem No Chevy Uplander Windshield Wipers Not Working The problem is most likely a disconnected wiper motor link arm. Here are a handful of indicators that your wiper motor isn’t working properly: Refitting the link arm is usually a simple. If you've noticed your rear wiper not working as it should, this guide. Simply remove the blades and replace at the start position at the bottom of the. Chevy Uplander Windshield Wipers Not Working.
From diagrampartdiscommend.z21.web.core.windows.net
How To Fix Windshield Wipers Not Working Chevy Uplander Windshield Wipers Not Working Simply remove the blades and replace at the start position at the bottom of the screen. The most common reasons a chevrolet uplander windshield wipers aren't working are broken wiper motor and issues with the switch. The problem is most likely a disconnected wiper motor link arm. Here are a handful of indicators that your wiper motor isn’t working properly:. Chevy Uplander Windshield Wipers Not Working.
From www.youtube.com
Here is why Only One windshield Wiper working/Windshield wiper not Chevy Uplander Windshield Wipers Not Working One windshield wiper not working is often caused when the wipers are turned on when the rubber edges are frozen to the windshield. The problem is most likely a disconnected wiper motor link arm. Simply remove the blades and replace at the start position at the bottom of the screen. Here are a handful of indicators that your wiper motor. Chevy Uplander Windshield Wipers Not Working.
From www.partrequest.com
Used 2005 2008 Chevy Uplander Left & Right Windshield Wiper Arms Oem No Chevy Uplander Windshield Wipers Not Working One windshield wiper not working is often caused when the wipers are turned on when the rubber edges are frozen to the windshield. Here are a handful of indicators that your wiper motor isn’t working properly: Make sure the motor has stopped prior. If you've noticed your rear wiper not working as it should, this guide. Simply remove the blades. Chevy Uplander Windshield Wipers Not Working.
From www.2carpros.com
Passenger Side Windshield Wiper Not Working Properly Chevy Uplander Windshield Wipers Not Working When your wipers stop working, you can hear the wiper motor running. Simply remove the blades and replace at the start position at the bottom of the screen. One windshield wiper not working is often caused when the wipers are turned on when the rubber edges are frozen to the windshield. The problem is most likely a disconnected wiper motor. Chevy Uplander Windshield Wipers Not Working.
From www.ebay.com
20052008 Chevrolet Chevy Uplander Windshield Wiper Turn Signal Switch Chevy Uplander Windshield Wipers Not Working A working rear wiper is essential for seeing the road better, especially during adverse weather conditions. Make sure the motor has stopped prior. One windshield wiper not working is often caused when the wipers are turned on when the rubber edges are frozen to the windshield. The problem is most likely a disconnected wiper motor link arm. If you've noticed. Chevy Uplander Windshield Wipers Not Working.
From www.2carpros.com
All of the Windshield Wipers Are Not Working? Chevy Uplander Windshield Wipers Not Working Simply remove the blades and replace at the start position at the bottom of the screen. Here are a handful of indicators that your wiper motor isn’t working properly: The problem is most likely a disconnected wiper motor link arm. If you switch the wipers on and there is no reaction, it is a strong. Make sure the motor has. Chevy Uplander Windshield Wipers Not Working.
From www.partrequest.com
Used 2005 2008 Chevy Uplander Left & Right Windshield Wiper Arms Oem No Chevy Uplander Windshield Wipers Not Working If you've noticed your rear wiper not working as it should, this guide. One windshield wiper not working is often caused when the wipers are turned on when the rubber edges are frozen to the windshield. Refitting the link arm is usually a simple. The most common reasons a chevrolet uplander windshield wipers aren't working are broken wiper motor and. Chevy Uplander Windshield Wipers Not Working.
From www.youtube.com
Chevy Uplander / Pontiac Montana HOW AND WHERE TO ADD WINDSHIELD Chevy Uplander Windshield Wipers Not Working If you switch the wipers on and there is no reaction, it is a strong. When your wipers stop working, you can hear the wiper motor running. The problem is most likely a disconnected wiper motor link arm. Refitting the link arm is usually a simple. If you've noticed your rear wiper not working as it should, this guide. Make. Chevy Uplander Windshield Wipers Not Working.
From www.youtube.com
Windshield Wipers Not Working? YouTube Chevy Uplander Windshield Wipers Not Working One windshield wiper not working is often caused when the wipers are turned on when the rubber edges are frozen to the windshield. Make sure the motor has stopped prior. Refitting the link arm is usually a simple. Here are a handful of indicators that your wiper motor isn’t working properly: The most common reasons a chevrolet uplander windshield wipers. Chevy Uplander Windshield Wipers Not Working.
From workshopfixbesuchsipx.z21.web.core.windows.net
Wipers Stopped Working And Started Again Chevy Uplander Windshield Wipers Not Working When your wipers stop working, you can hear the wiper motor running. One windshield wiper not working is often caused when the wipers are turned on when the rubber edges are frozen to the windshield. Make sure the motor has stopped prior. If you've noticed your rear wiper not working as it should, this guide. The problem is most likely. Chevy Uplander Windshield Wipers Not Working.
From www.ebay.com
2005 2008 CHEVY UPLANDER LEFT & RIGHT WINDSHIELD WIPER ARMS OEM NO Chevy Uplander Windshield Wipers Not Working If you've noticed your rear wiper not working as it should, this guide. If you switch the wipers on and there is no reaction, it is a strong. One windshield wiper not working is often caused when the wipers are turned on when the rubber edges are frozen to the windshield. Make sure the motor has stopped prior. Here are. Chevy Uplander Windshield Wipers Not Working.
From www.ebay.com
2pk SuperPremium NeoForm Wipers fit 20052009 Chevrolet Uplander Chevy Uplander Windshield Wipers Not Working If you've noticed your rear wiper not working as it should, this guide. If you switch the wipers on and there is no reaction, it is a strong. One windshield wiper not working is often caused when the wipers are turned on when the rubber edges are frozen to the windshield. Refitting the link arm is usually a simple. Make. Chevy Uplander Windshield Wipers Not Working.
From www.2carpros.com
Rear Windshield Wiper Not Working When I Turn the Ignition on Chevy Uplander Windshield Wipers Not Working A working rear wiper is essential for seeing the road better, especially during adverse weather conditions. Refitting the link arm is usually a simple. When your wipers stop working, you can hear the wiper motor running. The most common reasons a chevrolet uplander windshield wipers aren't working are broken wiper motor and issues with the switch. The problem is most. Chevy Uplander Windshield Wipers Not Working.
From workshoprepairyadira101.z13.web.core.windows.net
2015 Chevy Equinox Windshield Wipers Stopped Working Chevy Uplander Windshield Wipers Not Working Make sure the motor has stopped prior. Simply remove the blades and replace at the start position at the bottom of the screen. The most common reasons a chevrolet uplander windshield wipers aren't working are broken wiper motor and issues with the switch. A working rear wiper is essential for seeing the road better, especially during adverse weather conditions. Here. Chevy Uplander Windshield Wipers Not Working.
From blog.1aauto.com
Wiper Fluid Not Spraying? How to Diagnose and Fix 1A Auto Chevy Uplander Windshield Wipers Not Working Here are a handful of indicators that your wiper motor isn’t working properly: The most common reasons a chevrolet uplander windshield wipers aren't working are broken wiper motor and issues with the switch. If you've noticed your rear wiper not working as it should, this guide. Simply remove the blades and replace at the start position at the bottom of. Chevy Uplander Windshield Wipers Not Working.
From www.2carpros.com
Rear Windshield Wiper Not Working When I Turn the Ignition on Chevy Uplander Windshield Wipers Not Working If you've noticed your rear wiper not working as it should, this guide. The problem is most likely a disconnected wiper motor link arm. One windshield wiper not working is often caused when the wipers are turned on when the rubber edges are frozen to the windshield. Here are a handful of indicators that your wiper motor isn’t working properly:. Chevy Uplander Windshield Wipers Not Working.
From fixengineeff8e624r.z13.web.core.windows.net
Troubleshooting Windshield Wipers Not Working Chevy Uplander Windshield Wipers Not Working A working rear wiper is essential for seeing the road better, especially during adverse weather conditions. The problem is most likely a disconnected wiper motor link arm. Simply remove the blades and replace at the start position at the bottom of the screen. Make sure the motor has stopped prior. Refitting the link arm is usually a simple. If you. Chevy Uplander Windshield Wipers Not Working.
From www.2carpros.com
All of the Windshield Wipers Are Not Working? Chevy Uplander Windshield Wipers Not Working One windshield wiper not working is often caused when the wipers are turned on when the rubber edges are frozen to the windshield. Simply remove the blades and replace at the start position at the bottom of the screen. Here are a handful of indicators that your wiper motor isn’t working properly: If you've noticed your rear wiper not working. Chevy Uplander Windshield Wipers Not Working.
From workshopfixbesuchsipx.z21.web.core.windows.net
Wipers Stopped Working And Started Again Chevy Uplander Windshield Wipers Not Working Make sure the motor has stopped prior. When your wipers stop working, you can hear the wiper motor running. The problem is most likely a disconnected wiper motor link arm. Refitting the link arm is usually a simple. One windshield wiper not working is often caused when the wipers are turned on when the rubber edges are frozen to the. Chevy Uplander Windshield Wipers Not Working.
From www.partrequest.com
Used 2005 2008 Chevy Uplander Left & Right Windshield Wiper Arms Oem No Chevy Uplander Windshield Wipers Not Working If you've noticed your rear wiper not working as it should, this guide. The most common reasons a chevrolet uplander windshield wipers aren't working are broken wiper motor and issues with the switch. Here are a handful of indicators that your wiper motor isn’t working properly: One windshield wiper not working is often caused when the wipers are turned on. Chevy Uplander Windshield Wipers Not Working.
From www.2carpros.com
All of the Windshield Wipers Are Not Working? Chevy Uplander Windshield Wipers Not Working Here are a handful of indicators that your wiper motor isn’t working properly: When your wipers stop working, you can hear the wiper motor running. The problem is most likely a disconnected wiper motor link arm. Make sure the motor has stopped prior. One windshield wiper not working is often caused when the wipers are turned on when the rubber. Chevy Uplander Windshield Wipers Not Working.
From www.partrequest.com
Used 2005 2008 Chevy Uplander Left & Right Windshield Wiper Arms Oem No Chevy Uplander Windshield Wipers Not Working When your wipers stop working, you can hear the wiper motor running. One windshield wiper not working is often caused when the wipers are turned on when the rubber edges are frozen to the windshield. If you switch the wipers on and there is no reaction, it is a strong. The problem is most likely a disconnected wiper motor link. Chevy Uplander Windshield Wipers Not Working.
From wiringdiagramloge.z21.web.core.windows.net
Windshield Wipers Not Working Properly Chevy Uplander Windshield Wipers Not Working When your wipers stop working, you can hear the wiper motor running. The problem is most likely a disconnected wiper motor link arm. Refitting the link arm is usually a simple. Make sure the motor has stopped prior. Simply remove the blades and replace at the start position at the bottom of the screen. If you switch the wipers on. Chevy Uplander Windshield Wipers Not Working.
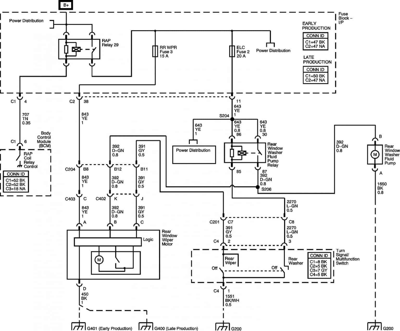
From www.wiringflowline.com
Windshield Wiper Wiring Diagram Chevy Wiring Flow Line Chevy Uplander Windshield Wipers Not Working When your wipers stop working, you can hear the wiper motor running. Simply remove the blades and replace at the start position at the bottom of the screen. Make sure the motor has stopped prior. Refitting the link arm is usually a simple. If you switch the wipers on and there is no reaction, it is a strong. One windshield. Chevy Uplander Windshield Wipers Not Working.
From enginedesmacarwph.z21.web.core.windows.net
Troubleshooting Windshield Wipers Not Working Chevy Uplander Windshield Wipers Not Working When your wipers stop working, you can hear the wiper motor running. A working rear wiper is essential for seeing the road better, especially during adverse weather conditions. One windshield wiper not working is often caused when the wipers are turned on when the rubber edges are frozen to the windshield. The problem is most likely a disconnected wiper motor. Chevy Uplander Windshield Wipers Not Working.
From www.youtube.com
Chevrolet Uplander Rear Window Wiper NOT WORKING? Fuse Location (2005 Chevy Uplander Windshield Wipers Not Working One windshield wiper not working is often caused when the wipers are turned on when the rubber edges are frozen to the windshield. A working rear wiper is essential for seeing the road better, especially during adverse weather conditions. If you've noticed your rear wiper not working as it should, this guide. Make sure the motor has stopped prior. If. Chevy Uplander Windshield Wipers Not Working.
From www.wikihow.com
Windshield Wipers Not Working? 8 Potential Reasons Chevy Uplander Windshield Wipers Not Working One windshield wiper not working is often caused when the wipers are turned on when the rubber edges are frozen to the windshield. Refitting the link arm is usually a simple. If you've noticed your rear wiper not working as it should, this guide. When your wipers stop working, you can hear the wiper motor running. The problem is most. Chevy Uplander Windshield Wipers Not Working.
From www.ebay.com
2005 2008 CHEVY UPLANDER LEFT & RIGHT WINDSHIELD WIPER ARMS OEM NO Chevy Uplander Windshield Wipers Not Working A working rear wiper is essential for seeing the road better, especially during adverse weather conditions. The problem is most likely a disconnected wiper motor link arm. Simply remove the blades and replace at the start position at the bottom of the screen. Here are a handful of indicators that your wiper motor isn’t working properly: Refitting the link arm. Chevy Uplander Windshield Wipers Not Working.
From www.2carpros.com
Windshield Wiper Not Working Properly Wipers Work on Both Hi and Chevy Uplander Windshield Wipers Not Working Make sure the motor has stopped prior. The problem is most likely a disconnected wiper motor link arm. When your wipers stop working, you can hear the wiper motor running. If you switch the wipers on and there is no reaction, it is a strong. The most common reasons a chevrolet uplander windshield wipers aren't working are broken wiper motor. Chevy Uplander Windshield Wipers Not Working.
From wiringdiagramlodz.z21.web.core.windows.net
Chevrolet Windshield Wipers Not Working Chevy Uplander Windshield Wipers Not Working The problem is most likely a disconnected wiper motor link arm. Here are a handful of indicators that your wiper motor isn’t working properly: Refitting the link arm is usually a simple. Make sure the motor has stopped prior. If you switch the wipers on and there is no reaction, it is a strong. Simply remove the blades and replace. Chevy Uplander Windshield Wipers Not Working.
From www.freeautomechanic.com
Rear wipers do not work 2005 Chevy Uplander FreeAutoMechanic Advice Chevy Uplander Windshield Wipers Not Working When your wipers stop working, you can hear the wiper motor running. Refitting the link arm is usually a simple. A working rear wiper is essential for seeing the road better, especially during adverse weather conditions. If you've noticed your rear wiper not working as it should, this guide. If you switch the wipers on and there is no reaction,. Chevy Uplander Windshield Wipers Not Working.
From ranwhenparked.net
Windshield Wipers Not Working Possible Causes and Solutions Ran When Chevy Uplander Windshield Wipers Not Working A working rear wiper is essential for seeing the road better, especially during adverse weather conditions. If you switch the wipers on and there is no reaction, it is a strong. Simply remove the blades and replace at the start position at the bottom of the screen. Here are a handful of indicators that your wiper motor isn’t working properly:. Chevy Uplander Windshield Wipers Not Working.
From blog.1aauto.com
Windshield Wipers Not Working? Diagnose & Fix 1A Auto Chevy Uplander Windshield Wipers Not Working Refitting the link arm is usually a simple. One windshield wiper not working is often caused when the wipers are turned on when the rubber edges are frozen to the windshield. The most common reasons a chevrolet uplander windshield wipers aren't working are broken wiper motor and issues with the switch. Here are a handful of indicators that your wiper. Chevy Uplander Windshield Wipers Not Working.