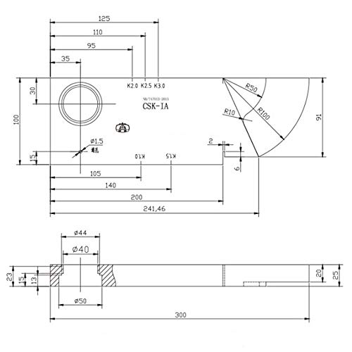
Iiw Type 2 Calibration Block Dimensions . Iiw type 2 block for the calibration of shear and compression transducers, calibrations include: Also includes numbers 3, 5 and 8. Review our basic designs and styles below. Iiw type 2 calibration block description: Includes the normal 50.0mm and 1.5mm diameter holes, and also includes. It includes a 50 mm radius x 6. Ats offers an extensive line of calibration test blocks world renowned for quality and reliability.
from www.qnde.ca
Also includes numbers 3, 5 and 8. Includes the normal 50.0mm and 1.5mm diameter holes, and also includes. Iiw type 2 calibration block description: Review our basic designs and styles below. Ats offers an extensive line of calibration test blocks world renowned for quality and reliability. Iiw type 2 block for the calibration of shear and compression transducers, calibrations include: It includes a 50 mm radius x 6.
Curtis Industries IIW Type 2 Calibration block
Iiw Type 2 Calibration Block Dimensions Iiw type 2 block for the calibration of shear and compression transducers, calibrations include: It includes a 50 mm radius x 6. Iiw type 2 calibration block description: Ats offers an extensive line of calibration test blocks world renowned for quality and reliability. Review our basic designs and styles below. Iiw type 2 block for the calibration of shear and compression transducers, calibrations include: Includes the normal 50.0mm and 1.5mm diameter holes, and also includes. Also includes numbers 3, 5 and 8.
From store.phtool.com
PAUT IIW Block, ISO 19675 PH Tool Iiw Type 2 Calibration Block Dimensions Review our basic designs and styles below. Also includes numbers 3, 5 and 8. Includes the normal 50.0mm and 1.5mm diameter holes, and also includes. It includes a 50 mm radius x 6. Ats offers an extensive line of calibration test blocks world renowned for quality and reliability. Iiw type 2 block for the calibration of shear and compression transducers,. Iiw Type 2 Calibration Block Dimensions.
From www.qnde.ca
Curtis Industries IIW Type 2 Calibration block Iiw Type 2 Calibration Block Dimensions It includes a 50 mm radius x 6. Also includes numbers 3, 5 and 8. Iiw type 2 block for the calibration of shear and compression transducers, calibrations include: Review our basic designs and styles below. Iiw type 2 calibration block description: Ats offers an extensive line of calibration test blocks world renowned for quality and reliability. Includes the normal. Iiw Type 2 Calibration Block Dimensions.
From spanish.alibaba.com
Bloque De Calibración Iiw Tipo 1,Bloque De Calibración Csk Iiw V1 V2 V1 Iiw Type 2 Calibration Block Dimensions Ats offers an extensive line of calibration test blocks world renowned for quality and reliability. Iiw type 2 block for the calibration of shear and compression transducers, calibrations include: Review our basic designs and styles below. Iiw type 2 calibration block description: Also includes numbers 3, 5 and 8. It includes a 50 mm radius x 6. Includes the normal. Iiw Type 2 Calibration Block Dimensions.
From irss.ca
SonatestIIWType21018CalibrationBlock1552 IR Supplies and Services Iiw Type 2 Calibration Block Dimensions Review our basic designs and styles below. It includes a 50 mm radius x 6. Ats offers an extensive line of calibration test blocks world renowned for quality and reliability. Iiw type 2 block for the calibration of shear and compression transducers, calibrations include: Includes the normal 50.0mm and 1.5mm diameter holes, and also includes. Iiw type 2 calibration block. Iiw Type 2 Calibration Block Dimensions.
From www.gaz-direkt.de
Mini IIW2 UT calibration block Iiw Type 2 Calibration Block Dimensions Also includes numbers 3, 5 and 8. Review our basic designs and styles below. It includes a 50 mm radius x 6. Iiw type 2 block for the calibration of shear and compression transducers, calibrations include: Includes the normal 50.0mm and 1.5mm diameter holes, and also includes. Ats offers an extensive line of calibration test blocks world renowned for quality. Iiw Type 2 Calibration Block Dimensions.
From www.gaz-direkt.de
Mini IIW2 UT calibration block Iiw Type 2 Calibration Block Dimensions Iiw type 2 calibration block description: Iiw type 2 block for the calibration of shear and compression transducers, calibrations include: Also includes numbers 3, 5 and 8. Ats offers an extensive line of calibration test blocks world renowned for quality and reliability. It includes a 50 mm radius x 6. Includes the normal 50.0mm and 1.5mm diameter holes, and also. Iiw Type 2 Calibration Block Dimensions.
From www.ajr-ndt.com
IIW Type1 (V1) ISO Standard Ultrasonic Calibration Test Block Iiw Type 2 Calibration Block Dimensions Review our basic designs and styles below. Iiw type 2 calibration block description: Ats offers an extensive line of calibration test blocks world renowned for quality and reliability. Iiw type 2 block for the calibration of shear and compression transducers, calibrations include: Includes the normal 50.0mm and 1.5mm diameter holes, and also includes. Also includes numbers 3, 5 and 8.. Iiw Type 2 Calibration Block Dimensions.
From www.ndttester.com
Ultrasonic Flaw Detector / UT Calibration Blocks IIW V1 ( A2 ) Type DIN Iiw Type 2 Calibration Block Dimensions It includes a 50 mm radius x 6. Review our basic designs and styles below. Also includes numbers 3, 5 and 8. Includes the normal 50.0mm and 1.5mm diameter holes, and also includes. Iiw type 2 block for the calibration of shear and compression transducers, calibrations include: Ats offers an extensive line of calibration test blocks world renowned for quality. Iiw Type 2 Calibration Block Dimensions.
From www.ndetech.org.in
IIWType 1 BlockIIW Calibration Test Block Iiw Type 2 Calibration Block Dimensions It includes a 50 mm radius x 6. Iiw type 2 calibration block description: Review our basic designs and styles below. Iiw type 2 block for the calibration of shear and compression transducers, calibrations include: Also includes numbers 3, 5 and 8. Includes the normal 50.0mm and 1.5mm diameter holes, and also includes. Ats offers an extensive line of calibration. Iiw Type 2 Calibration Block Dimensions.
From www.ndetech.org.in
slide Iiw Type 2 Calibration Block Dimensions Iiw type 2 calibration block description: It includes a 50 mm radius x 6. Ats offers an extensive line of calibration test blocks world renowned for quality and reliability. Also includes numbers 3, 5 and 8. Iiw type 2 block for the calibration of shear and compression transducers, calibrations include: Review our basic designs and styles below. Includes the normal. Iiw Type 2 Calibration Block Dimensions.
From www.alibaba.com
Iiw Vi V2 Dac Block Etc Ultrasonic Calibration Test Block Buy Iiw Type 2 Calibration Block Dimensions Iiw type 2 block for the calibration of shear and compression transducers, calibrations include: It includes a 50 mm radius x 6. Also includes numbers 3, 5 and 8. Review our basic designs and styles below. Iiw type 2 calibration block description: Ats offers an extensive line of calibration test blocks world renowned for quality and reliability. Includes the normal. Iiw Type 2 Calibration Block Dimensions.
From viewfloor.co
Beam And Block Floor Dpm Details Viewfloor.co Iiw Type 2 Calibration Block Dimensions It includes a 50 mm radius x 6. Review our basic designs and styles below. Ats offers an extensive line of calibration test blocks world renowned for quality and reliability. Includes the normal 50.0mm and 1.5mm diameter holes, and also includes. Iiw type 2 block for the calibration of shear and compression transducers, calibrations include: Also includes numbers 3, 5. Iiw Type 2 Calibration Block Dimensions.
From ndt-kits.com
IIWType 1 Calibration Block NDTKITS Iiw Type 2 Calibration Block Dimensions Iiw type 2 block for the calibration of shear and compression transducers, calibrations include: Ats offers an extensive line of calibration test blocks world renowned for quality and reliability. Also includes numbers 3, 5 and 8. Review our basic designs and styles below. Iiw type 2 calibration block description: Includes the normal 50.0mm and 1.5mm diameter holes, and also includes.. Iiw Type 2 Calibration Block Dimensions.
From www.ndttester.com
Stainless Steel Huatec Iiw Type 2 Calibration Block Iiw Type 2 Calibration Block Dimensions Ats offers an extensive line of calibration test blocks world renowned for quality and reliability. Iiw type 2 block for the calibration of shear and compression transducers, calibrations include: Also includes numbers 3, 5 and 8. Review our basic designs and styles below. Iiw type 2 calibration block description: Includes the normal 50.0mm and 1.5mm diameter holes, and also includes.. Iiw Type 2 Calibration Block Dimensions.
From curtis-test.com
IIW TYPE 1 BLOCK Curtis Industries, Inc. Iiw Type 2 Calibration Block Dimensions Includes the normal 50.0mm and 1.5mm diameter holes, and also includes. Iiw type 2 calibration block description: Iiw type 2 block for the calibration of shear and compression transducers, calibrations include: Ats offers an extensive line of calibration test blocks world renowned for quality and reliability. It includes a 50 mm radius x 6. Also includes numbers 3, 5 and. Iiw Type 2 Calibration Block Dimensions.
From brunofuga.adv.br
Ndt Iiwtype Usaf Calibration Block 1018 Steel Test Block, 45 OFF Iiw Type 2 Calibration Block Dimensions Iiw type 2 block for the calibration of shear and compression transducers, calibrations include: Includes the normal 50.0mm and 1.5mm diameter holes, and also includes. It includes a 50 mm radius x 6. Review our basic designs and styles below. Iiw type 2 calibration block description: Also includes numbers 3, 5 and 8. Ats offers an extensive line of calibration. Iiw Type 2 Calibration Block Dimensions.
From ndt-kits.com
IIWType 2 Calibration Block NDTKITS Iiw Type 2 Calibration Block Dimensions Includes the normal 50.0mm and 1.5mm diameter holes, and also includes. Ats offers an extensive line of calibration test blocks world renowned for quality and reliability. Also includes numbers 3, 5 and 8. Iiw type 2 block for the calibration of shear and compression transducers, calibrations include: Review our basic designs and styles below. Iiw type 2 calibration block description:. Iiw Type 2 Calibration Block Dimensions.
From www.ndetech.org.in
IIWType 2 Calibration Block Carbon Steel Inch VersionIIW TEST BLOCK Iiw Type 2 Calibration Block Dimensions Also includes numbers 3, 5 and 8. Ats offers an extensive line of calibration test blocks world renowned for quality and reliability. Iiw type 2 calibration block description: Review our basic designs and styles below. It includes a 50 mm radius x 6. Iiw type 2 block for the calibration of shear and compression transducers, calibrations include: Includes the normal. Iiw Type 2 Calibration Block Dimensions.
From www.ndttester.com
HUATEC IIW V1 Ultrasonic Calibration Blocks , calibration gage blocks Iiw Type 2 Calibration Block Dimensions It includes a 50 mm radius x 6. Ats offers an extensive line of calibration test blocks world renowned for quality and reliability. Review our basic designs and styles below. Iiw type 2 block for the calibration of shear and compression transducers, calibrations include: Also includes numbers 3, 5 and 8. Includes the normal 50.0mm and 1.5mm diameter holes, and. Iiw Type 2 Calibration Block Dimensions.
From ajr-ndt.com
IIW 2 (V2) Type ISO Standard Ultrasonic Calibration Test Block Iiw Type 2 Calibration Block Dimensions Ats offers an extensive line of calibration test blocks world renowned for quality and reliability. Includes the normal 50.0mm and 1.5mm diameter holes, and also includes. Iiw type 2 calibration block description: It includes a 50 mm radius x 6. Iiw type 2 block for the calibration of shear and compression transducers, calibrations include: Also includes numbers 3, 5 and. Iiw Type 2 Calibration Block Dimensions.
From informacionpublica2021.svet.gob.gt
Duplex Stainless Steel Iiw V1 Calibration Block For, 45 OFF Iiw Type 2 Calibration Block Dimensions Ats offers an extensive line of calibration test blocks world renowned for quality and reliability. Also includes numbers 3, 5 and 8. Iiw type 2 block for the calibration of shear and compression transducers, calibrations include: Iiw type 2 calibration block description: Includes the normal 50.0mm and 1.5mm diameter holes, and also includes. It includes a 50 mm radius x. Iiw Type 2 Calibration Block Dimensions.
From ddxinxiang.en.alibaba.com
Ultrasonic calibration blocks for UT testing ASME, Mini Phased, IIW Iiw Type 2 Calibration Block Dimensions Iiw type 2 block for the calibration of shear and compression transducers, calibrations include: Iiw type 2 calibration block description: Also includes numbers 3, 5 and 8. Ats offers an extensive line of calibration test blocks world renowned for quality and reliability. It includes a 50 mm radius x 6. Includes the normal 50.0mm and 1.5mm diameter holes, and also. Iiw Type 2 Calibration Block Dimensions.
From www.alibaba.com
Customized Iiwtype 1,Iiwtype2,Asme,Mini Phased Array Calibration Iiw Type 2 Calibration Block Dimensions Ats offers an extensive line of calibration test blocks world renowned for quality and reliability. Iiw type 2 calibration block description: Includes the normal 50.0mm and 1.5mm diameter holes, and also includes. Iiw type 2 block for the calibration of shear and compression transducers, calibrations include: Review our basic designs and styles below. Also includes numbers 3, 5 and 8.. Iiw Type 2 Calibration Block Dimensions.
From www.lcndt.net
IIW V1 a2 EN12223Test BlockLCNDT Corp., Iiw Type 2 Calibration Block Dimensions Includes the normal 50.0mm and 1.5mm diameter holes, and also includes. Iiw type 2 block for the calibration of shear and compression transducers, calibrations include: Ats offers an extensive line of calibration test blocks world renowned for quality and reliability. It includes a 50 mm radius x 6. Review our basic designs and styles below. Iiw type 2 calibration block. Iiw Type 2 Calibration Block Dimensions.
From ndt-instrument.en.alibaba.com
IIW VI V2 DAC block etc Ultrasonic Calibration Test Block, View Iiw Type 2 Calibration Block Dimensions Includes the normal 50.0mm and 1.5mm diameter holes, and also includes. Iiw type 2 block for the calibration of shear and compression transducers, calibrations include: Ats offers an extensive line of calibration test blocks world renowned for quality and reliability. Also includes numbers 3, 5 and 8. Review our basic designs and styles below. Iiw type 2 calibration block description:. Iiw Type 2 Calibration Block Dimensions.
From store.phtool.com
IIWType 1 Block PH Tool Iiw Type 2 Calibration Block Dimensions Iiw type 2 calibration block description: It includes a 50 mm radius x 6. Iiw type 2 block for the calibration of shear and compression transducers, calibrations include: Ats offers an extensive line of calibration test blocks world renowned for quality and reliability. Review our basic designs and styles below. Includes the normal 50.0mm and 1.5mm diameter holes, and also. Iiw Type 2 Calibration Block Dimensions.
From www.ndetech.org.in
IIWType 2 Calibration Block Aluminum Inch Version Iiw Type 2 Calibration Block Dimensions It includes a 50 mm radius x 6. Iiw type 2 block for the calibration of shear and compression transducers, calibrations include: Includes the normal 50.0mm and 1.5mm diameter holes, and also includes. Review our basic designs and styles below. Also includes numbers 3, 5 and 8. Ats offers an extensive line of calibration test blocks world renowned for quality. Iiw Type 2 Calibration Block Dimensions.
From www.alibaba.com
Customized Iiwtype 1,Iiwtype2,Calibration Block Buy Ultrasonic Iiw Type 2 Calibration Block Dimensions Includes the normal 50.0mm and 1.5mm diameter holes, and also includes. Also includes numbers 3, 5 and 8. Iiw type 2 calibration block description: It includes a 50 mm radius x 6. Iiw type 2 block for the calibration of shear and compression transducers, calibrations include: Review our basic designs and styles below. Ats offers an extensive line of calibration. Iiw Type 2 Calibration Block Dimensions.
From brunofuga.adv.br
Ndt Iiwtype Usaf Calibration Block 1018 Steel Test Block, 45 OFF Iiw Type 2 Calibration Block Dimensions Includes the normal 50.0mm and 1.5mm diameter holes, and also includes. Also includes numbers 3, 5 and 8. It includes a 50 mm radius x 6. Iiw type 2 calibration block description: Iiw type 2 block for the calibration of shear and compression transducers, calibrations include: Review our basic designs and styles below. Ats offers an extensive line of calibration. Iiw Type 2 Calibration Block Dimensions.
From ndt-kits.com
Calibration Block NDTKITS Iiw Type 2 Calibration Block Dimensions Also includes numbers 3, 5 and 8. Iiw type 2 block for the calibration of shear and compression transducers, calibrations include: Iiw type 2 calibration block description: Ats offers an extensive line of calibration test blocks world renowned for quality and reliability. Includes the normal 50.0mm and 1.5mm diameter holes, and also includes. Review our basic designs and styles below.. Iiw Type 2 Calibration Block Dimensions.
From www.alibaba.com
Iiw Vi V2 Dac Block Etc Ultrasonic Calibration Test Block Buy Iiw Type 2 Calibration Block Dimensions Iiw type 2 calibration block description: Includes the normal 50.0mm and 1.5mm diameter holes, and also includes. Review our basic designs and styles below. Also includes numbers 3, 5 and 8. It includes a 50 mm radius x 6. Iiw type 2 block for the calibration of shear and compression transducers, calibrations include: Ats offers an extensive line of calibration. Iiw Type 2 Calibration Block Dimensions.
From www.ajr-ndt.com
IIW Type2 Ultrasonic Calibration Test Block Iiw Type 2 Calibration Block Dimensions Also includes numbers 3, 5 and 8. Iiw type 2 block for the calibration of shear and compression transducers, calibrations include: Review our basic designs and styles below. Ats offers an extensive line of calibration test blocks world renowned for quality and reliability. Includes the normal 50.0mm and 1.5mm diameter holes, and also includes. Iiw type 2 calibration block description:. Iiw Type 2 Calibration Block Dimensions.
From sonatest.com
IIW Type 2 Block Sonatest Iiw Type 2 Calibration Block Dimensions It includes a 50 mm radius x 6. Iiw type 2 calibration block description: Review our basic designs and styles below. Iiw type 2 block for the calibration of shear and compression transducers, calibrations include: Also includes numbers 3, 5 and 8. Ats offers an extensive line of calibration test blocks world renowned for quality and reliability. Includes the normal. Iiw Type 2 Calibration Block Dimensions.
From www.tratenor.es
V2 Calibration Block Dimensions Outlet sites www.tratenor.es Iiw Type 2 Calibration Block Dimensions Includes the normal 50.0mm and 1.5mm diameter holes, and also includes. Iiw type 2 calibration block description: Also includes numbers 3, 5 and 8. Review our basic designs and styles below. Ats offers an extensive line of calibration test blocks world renowned for quality and reliability. It includes a 50 mm radius x 6. Iiw type 2 block for the. Iiw Type 2 Calibration Block Dimensions.
From www.indiamart.com
IIWTYPE 2 CALIBRATION BLOCK INCH VERSION, 300 mm at Rs 2000/unit in Iiw Type 2 Calibration Block Dimensions Also includes numbers 3, 5 and 8. It includes a 50 mm radius x 6. Review our basic designs and styles below. Iiw type 2 calibration block description: Includes the normal 50.0mm and 1.5mm diameter holes, and also includes. Ats offers an extensive line of calibration test blocks world renowned for quality and reliability. Iiw type 2 block for the. Iiw Type 2 Calibration Block Dimensions.