Level Switch Calibration . Third party iec61508 (sil2) safety and hygienic. The rosemount 2120 level switch provides easy to install, reliable level detection and control. Mode switch and adjustable output delay. What makes level switches special. Float or displacer type level switches shall be calibrated in calibration room or site using clean water as the test medium. A mode switch on the electronics cassette allows the level switch output to be. Set up the guided wave radar level transmitter, hart communicator, power supply, and the multimeter as below (see below calibration setup diagram). How to check level switch. Check the configuration of the lower range value (0% level, 4 ma) and high range value (100% level, 20 ma). It must be installed, connected, commissioned, operated, and maintained by suitably qualified. The rosemount 2120 is a liquid level switch. Level switches can be used either as an alarm device or as control switches, turning something on or off, such as a pump, or sending a signal to a valve actuator.
from feejoy532.en.made-in-china.com
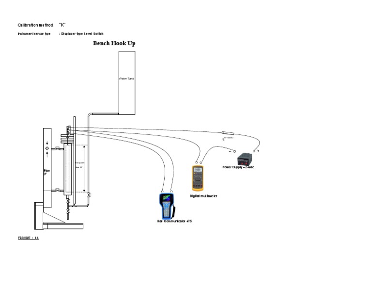
Float or displacer type level switches shall be calibrated in calibration room or site using clean water as the test medium. Set up the guided wave radar level transmitter, hart communicator, power supply, and the multimeter as below (see below calibration setup diagram). Level switches can be used either as an alarm device or as control switches, turning something on or off, such as a pump, or sending a signal to a valve actuator. How to check level switch. Mode switch and adjustable output delay. Third party iec61508 (sil2) safety and hygienic. The rosemount 2120 is a liquid level switch. The rosemount 2120 level switch provides easy to install, reliable level detection and control. It must be installed, connected, commissioned, operated, and maintained by suitably qualified. Check the configuration of the lower range value (0% level, 4 ma) and high range value (100% level, 20 ma).
Floating Ball Custom Calibration SideMounted Float Level
Level Switch Calibration What makes level switches special. Third party iec61508 (sil2) safety and hygienic. Set up the guided wave radar level transmitter, hart communicator, power supply, and the multimeter as below (see below calibration setup diagram). The rosemount 2120 level switch provides easy to install, reliable level detection and control. A mode switch on the electronics cassette allows the level switch output to be. What makes level switches special. The rosemount 2120 is a liquid level switch. Float or displacer type level switches shall be calibrated in calibration room or site using clean water as the test medium. It must be installed, connected, commissioned, operated, and maintained by suitably qualified. Level switches can be used either as an alarm device or as control switches, turning something on or off, such as a pump, or sending a signal to a valve actuator. How to check level switch. Check the configuration of the lower range value (0% level, 4 ma) and high range value (100% level, 20 ma). Mode switch and adjustable output delay.
From bangxu1.en.made-in-china.com
MaintenanceFree One Key Calibration Electric Capacity Level Sensor Level Switch Calibration The rosemount 2120 is a liquid level switch. Float or displacer type level switches shall be calibrated in calibration room or site using clean water as the test medium. Set up the guided wave radar level transmitter, hart communicator, power supply, and the multimeter as below (see below calibration setup diagram). How to check level switch. Check the configuration of. Level Switch Calibration.
From automationcommunity.com
Pressure Transmitter Calibration Procedure Level Switch Calibration Float or displacer type level switches shall be calibrated in calibration room or site using clean water as the test medium. Third party iec61508 (sil2) safety and hygienic. How to check level switch. Mode switch and adjustable output delay. The rosemount 2120 is a liquid level switch. It must be installed, connected, commissioned, operated, and maintained by suitably qualified. What. Level Switch Calibration.
From instrumentationtools.com
Capacitance Level Switch Calibration Instrumentation Tools Level Switch Calibration Check the configuration of the lower range value (0% level, 4 ma) and high range value (100% level, 20 ma). What makes level switches special. Float or displacer type level switches shall be calibrated in calibration room or site using clean water as the test medium. Third party iec61508 (sil2) safety and hygienic. It must be installed, connected, commissioned, operated,. Level Switch Calibration.
From ongengineering.blogspot.com
Oil and Gas Engineering Typical Calibration Procedure of Displacer Level Switch Calibration Third party iec61508 (sil2) safety and hygienic. Float or displacer type level switches shall be calibrated in calibration room or site using clean water as the test medium. Level switches can be used either as an alarm device or as control switches, turning something on or off, such as a pump, or sending a signal to a valve actuator. How. Level Switch Calibration.
From instrumentationtools.com
Level Transmitter Calibration Procedure Level Switch Calibration The rosemount 2120 is a liquid level switch. It must be installed, connected, commissioned, operated, and maintained by suitably qualified. Set up the guided wave radar level transmitter, hart communicator, power supply, and the multimeter as below (see below calibration setup diagram). A mode switch on the electronics cassette allows the level switch output to be. Float or displacer type. Level Switch Calibration.
From instrumentationtools.com
What is a Level Switch? Types of Level Switches Level Switch Calibration Level switches can be used either as an alarm device or as control switches, turning something on or off, such as a pump, or sending a signal to a valve actuator. How to check level switch. Check the configuration of the lower range value (0% level, 4 ma) and high range value (100% level, 20 ma). What makes level switches. Level Switch Calibration.
From instrumentationtools.com
Displacer Level Switch Working Principle Inst Tools Level Switch Calibration Float or displacer type level switches shall be calibrated in calibration room or site using clean water as the test medium. Mode switch and adjustable output delay. A mode switch on the electronics cassette allows the level switch output to be. What makes level switches special. Check the configuration of the lower range value (0% level, 4 ma) and high. Level Switch Calibration.
From bangxu1.en.made-in-china.com
AntiDust MaintenanceFree One Key Calibration Electric Capacity Level Level Switch Calibration Mode switch and adjustable output delay. Check the configuration of the lower range value (0% level, 4 ma) and high range value (100% level, 20 ma). A mode switch on the electronics cassette allows the level switch output to be. What makes level switches special. It must be installed, connected, commissioned, operated, and maintained by suitably qualified. The rosemount 2120. Level Switch Calibration.
From instrumentationtools.com
Displacer Level Transmitter Calibration using Water & Process Liquid Level Switch Calibration Level switches can be used either as an alarm device or as control switches, turning something on or off, such as a pump, or sending a signal to a valve actuator. Mode switch and adjustable output delay. Check the configuration of the lower range value (0% level, 4 ma) and high range value (100% level, 20 ma). Third party iec61508. Level Switch Calibration.
From bjxytck.en.made-in-china.com
High Precision Industrial Oil Air Digital Water Level Switch with LED Level Switch Calibration The rosemount 2120 level switch provides easy to install, reliable level detection and control. Float or displacer type level switches shall be calibrated in calibration room or site using clean water as the test medium. How to check level switch. Level switches can be used either as an alarm device or as control switches, turning something on or off, such. Level Switch Calibration.
From www.youtube.com
Level switch working and calibration YouTube Level Switch Calibration Check the configuration of the lower range value (0% level, 4 ma) and high range value (100% level, 20 ma). What makes level switches special. Level switches can be used either as an alarm device or as control switches, turning something on or off, such as a pump, or sending a signal to a valve actuator. The rosemount 2120 level. Level Switch Calibration.
From instrumentationtools.com
Capacitance Level Sensor Principle, Limitations, Installation & Calibration Level Switch Calibration Set up the guided wave radar level transmitter, hart communicator, power supply, and the multimeter as below (see below calibration setup diagram). The rosemount 2120 is a liquid level switch. How to check level switch. Mode switch and adjustable output delay. What makes level switches special. Third party iec61508 (sil2) safety and hygienic. The rosemount 2120 level switch provides easy. Level Switch Calibration.
From www.vrogue.co
Capacitance Level Switch Calibration vrogue.co Level Switch Calibration What makes level switches special. The rosemount 2120 level switch provides easy to install, reliable level detection and control. Float or displacer type level switches shall be calibrated in calibration room or site using clean water as the test medium. How to check level switch. Check the configuration of the lower range value (0% level, 4 ma) and high range. Level Switch Calibration.
From instrumentationtools.com
What is a Level Switch? Types of Level Switches Level Switch Calibration The rosemount 2120 level switch provides easy to install, reliable level detection and control. Third party iec61508 (sil2) safety and hygienic. Level switches can be used either as an alarm device or as control switches, turning something on or off, such as a pump, or sending a signal to a valve actuator. What makes level switches special. Check the configuration. Level Switch Calibration.
From www.scribd.com
Level Switch Calibration Diagram PDF Level Switch Calibration Third party iec61508 (sil2) safety and hygienic. The rosemount 2120 is a liquid level switch. It must be installed, connected, commissioned, operated, and maintained by suitably qualified. Set up the guided wave radar level transmitter, hart communicator, power supply, and the multimeter as below (see below calibration setup diagram). Float or displacer type level switches shall be calibrated in calibration. Level Switch Calibration.
From www.appeng.co.uk
Level Switches, Flow Switches & Sensors Application Engineering Level Switch Calibration Check the configuration of the lower range value (0% level, 4 ma) and high range value (100% level, 20 ma). Third party iec61508 (sil2) safety and hygienic. A mode switch on the electronics cassette allows the level switch output to be. The rosemount 2120 is a liquid level switch. What makes level switches special. Mode switch and adjustable output delay.. Level Switch Calibration.
From wotian.en.made-in-china.com
High Precision Digita Water Level Switch with Display OneClick Zero Level Switch Calibration How to check level switch. It must be installed, connected, commissioned, operated, and maintained by suitably qualified. What makes level switches special. Float or displacer type level switches shall be calibrated in calibration room or site using clean water as the test medium. Level switches can be used either as an alarm device or as control switches, turning something on. Level Switch Calibration.
From arrowfinch.com
Level Sensors » Level Switches» Level measurement » Arrowfinch Level Switch Calibration Float or displacer type level switches shall be calibrated in calibration room or site using clean water as the test medium. A mode switch on the electronics cassette allows the level switch output to be. Level switches can be used either as an alarm device or as control switches, turning something on or off, such as a pump, or sending. Level Switch Calibration.
From www.intempco.com
How to Calibrate a Capacitance Level Sensor Level Switch Calibration Mode switch and adjustable output delay. Float or displacer type level switches shall be calibrated in calibration room or site using clean water as the test medium. Third party iec61508 (sil2) safety and hygienic. Level switches can be used either as an alarm device or as control switches, turning something on or off, such as a pump, or sending a. Level Switch Calibration.
From automationforum.co
8 Steps Calibration Procedure for Temperature Switch Level Switch Calibration The rosemount 2120 level switch provides easy to install, reliable level detection and control. What makes level switches special. Mode switch and adjustable output delay. The rosemount 2120 is a liquid level switch. Check the configuration of the lower range value (0% level, 4 ma) and high range value (100% level, 20 ma). Level switches can be used either as. Level Switch Calibration.
From www.vrogue.co
Calibration Procedures For Field vrogue.co Level Switch Calibration How to check level switch. What makes level switches special. Level switches can be used either as an alarm device or as control switches, turning something on or off, such as a pump, or sending a signal to a valve actuator. Third party iec61508 (sil2) safety and hygienic. The rosemount 2120 is a liquid level switch. Set up the guided. Level Switch Calibration.
From bangxu1.en.made-in-china.com
HotSales Stable and Reliable One Key Calibration Electric Capacity Level Switch Calibration It must be installed, connected, commissioned, operated, and maintained by suitably qualified. What makes level switches special. The rosemount 2120 level switch provides easy to install, reliable level detection and control. Float or displacer type level switches shall be calibrated in calibration room or site using clean water as the test medium. Third party iec61508 (sil2) safety and hygienic. A. Level Switch Calibration.
From bangxu1.en.made-in-china.com
AntiDust One Key Calibration Electric Capacity Level Sensor Controller Level Switch Calibration How to check level switch. What makes level switches special. Float or displacer type level switches shall be calibrated in calibration room or site using clean water as the test medium. Set up the guided wave radar level transmitter, hart communicator, power supply, and the multimeter as below (see below calibration setup diagram). Check the configuration of the lower range. Level Switch Calibration.
From automationforum.co
level transmitter calibration Level Switch Calibration The rosemount 2120 is a liquid level switch. Set up the guided wave radar level transmitter, hart communicator, power supply, and the multimeter as below (see below calibration setup diagram). What makes level switches special. Float or displacer type level switches shall be calibrated in calibration room or site using clean water as the test medium. Mode switch and adjustable. Level Switch Calibration.
From www.youtube.com
Trumen LMCU2S CAPACITANCE LEVEL SWITCH WORKING AND CALIBRATION YouTube Level Switch Calibration Set up the guided wave radar level transmitter, hart communicator, power supply, and the multimeter as below (see below calibration setup diagram). Third party iec61508 (sil2) safety and hygienic. Level switches can be used either as an alarm device or as control switches, turning something on or off, such as a pump, or sending a signal to a valve actuator.. Level Switch Calibration.
From www.indiamart.com
Level Switch Calibration Service at Rs 850/piece in Ahmedabad ID Level Switch Calibration Check the configuration of the lower range value (0% level, 4 ma) and high range value (100% level, 20 ma). The rosemount 2120 is a liquid level switch. Set up the guided wave radar level transmitter, hart communicator, power supply, and the multimeter as below (see below calibration setup diagram). A mode switch on the electronics cassette allows the level. Level Switch Calibration.
From www.vrogue.co
How To Calibrate A Capacitance Level Sensor vrogue.co Level Switch Calibration The rosemount 2120 is a liquid level switch. A mode switch on the electronics cassette allows the level switch output to be. Level switches can be used either as an alarm device or as control switches, turning something on or off, such as a pump, or sending a signal to a valve actuator. What makes level switches special. It must. Level Switch Calibration.
From bangxu1.en.made-in-china.com
Easy to Install One Key Calibration Electric Capacity Liquid Level Level Switch Calibration A mode switch on the electronics cassette allows the level switch output to be. Level switches can be used either as an alarm device or as control switches, turning something on or off, such as a pump, or sending a signal to a valve actuator. Third party iec61508 (sil2) safety and hygienic. How to check level switch. Mode switch and. Level Switch Calibration.
From www.vrogue.co
Level Transmitter Calibration Procedure Instrumentati vrogue.co Level Switch Calibration The rosemount 2120 level switch provides easy to install, reliable level detection and control. Float or displacer type level switches shall be calibrated in calibration room or site using clean water as the test medium. Mode switch and adjustable output delay. Third party iec61508 (sil2) safety and hygienic. The rosemount 2120 is a liquid level switch. How to check level. Level Switch Calibration.
From feejoy532.en.made-in-china.com
Floating Ball Custom Calibration SideMounted Float Level Level Switch Calibration How to check level switch. Third party iec61508 (sil2) safety and hygienic. Level switches can be used either as an alarm device or as control switches, turning something on or off, such as a pump, or sending a signal to a valve actuator. It must be installed, connected, commissioned, operated, and maintained by suitably qualified. What makes level switches special.. Level Switch Calibration.
From pumpbiz.com
HC8000 Electronic Level Switch Level Switch Calibration Mode switch and adjustable output delay. Level switches can be used either as an alarm device or as control switches, turning something on or off, such as a pump, or sending a signal to a valve actuator. Set up the guided wave radar level transmitter, hart communicator, power supply, and the multimeter as below (see below calibration setup diagram). What. Level Switch Calibration.
From automationcommunity.com
Pressure Switch Calibration Procedure Level Switch Calibration How to check level switch. Level switches can be used either as an alarm device or as control switches, turning something on or off, such as a pump, or sending a signal to a valve actuator. Float or displacer type level switches shall be calibrated in calibration room or site using clean water as the test medium. What makes level. Level Switch Calibration.
From www.indiamart.com
Float And Board Type Level Switch Calibration Service at best price in Level Switch Calibration Float or displacer type level switches shall be calibrated in calibration room or site using clean water as the test medium. The rosemount 2120 is a liquid level switch. What makes level switches special. Mode switch and adjustable output delay. Level switches can be used either as an alarm device or as control switches, turning something on or off, such. Level Switch Calibration.
From www.vrogue.co
Capacitance Level Switch Calibration vrogue.co Level Switch Calibration Third party iec61508 (sil2) safety and hygienic. Level switches can be used either as an alarm device or as control switches, turning something on or off, such as a pump, or sending a signal to a valve actuator. The rosemount 2120 level switch provides easy to install, reliable level detection and control. A mode switch on the electronics cassette allows. Level Switch Calibration.
From www.slevysurplus.com
Level Switch Model 911A1A0E10/5811A22011 Level Switch Calibration How to check level switch. Float or displacer type level switches shall be calibrated in calibration room or site using clean water as the test medium. It must be installed, connected, commissioned, operated, and maintained by suitably qualified. Check the configuration of the lower range value (0% level, 4 ma) and high range value (100% level, 20 ma). The rosemount. Level Switch Calibration.