How Does A Shift Fork Work . The transmission allows the gear ratio between the engine and the drive wheels to change as the car speeds up and slows down. When the driver moves the shifter to select a gear, the shift rail moves a shift fork attached to a synchronizer. They lock one gear to the shaft when. The fork moves the collar to the desired gear, and dog teeth on the. Its purpose is to slide gears into or out of engagement with other gears in order change from one gear ratio. Shift forks move the synchronizers responsible for changing gears in a manual transmission into mesh with the desired gear. When shifting between neutral and an active position (e.g., from first gear to second gear), the shift fork moves in one direction or. They typically serve two gear ranges. Depending which gear you're shifting to, a different fork does the job. A shift fork is a forked end metal lever that straddles a manual transmission gear shaft. First gear is selected by moving the gear shift into place, which forces the selector fork to mesh the collar between gears one and two into the first gear.
from www.youtube.com
The fork moves the collar to the desired gear, and dog teeth on the. A shift fork is a forked end metal lever that straddles a manual transmission gear shaft. Depending which gear you're shifting to, a different fork does the job. When the driver moves the shifter to select a gear, the shift rail moves a shift fork attached to a synchronizer. They lock one gear to the shaft when. They typically serve two gear ranges. When shifting between neutral and an active position (e.g., from first gear to second gear), the shift fork moves in one direction or. Shift forks move the synchronizers responsible for changing gears in a manual transmission into mesh with the desired gear. First gear is selected by moving the gear shift into place, which forces the selector fork to mesh the collar between gears one and two into the first gear. Its purpose is to slide gears into or out of engagement with other gears in order change from one gear ratio.
Manual transmnission Worn shift Fork YouTube
How Does A Shift Fork Work They lock one gear to the shaft when. When shifting between neutral and an active position (e.g., from first gear to second gear), the shift fork moves in one direction or. A shift fork is a forked end metal lever that straddles a manual transmission gear shaft. First gear is selected by moving the gear shift into place, which forces the selector fork to mesh the collar between gears one and two into the first gear. Its purpose is to slide gears into or out of engagement with other gears in order change from one gear ratio. The transmission allows the gear ratio between the engine and the drive wheels to change as the car speeds up and slows down. They typically serve two gear ranges. Depending which gear you're shifting to, a different fork does the job. Shift forks move the synchronizers responsible for changing gears in a manual transmission into mesh with the desired gear. When the driver moves the shifter to select a gear, the shift rail moves a shift fork attached to a synchronizer. They lock one gear to the shaft when. The fork moves the collar to the desired gear, and dog teeth on the.
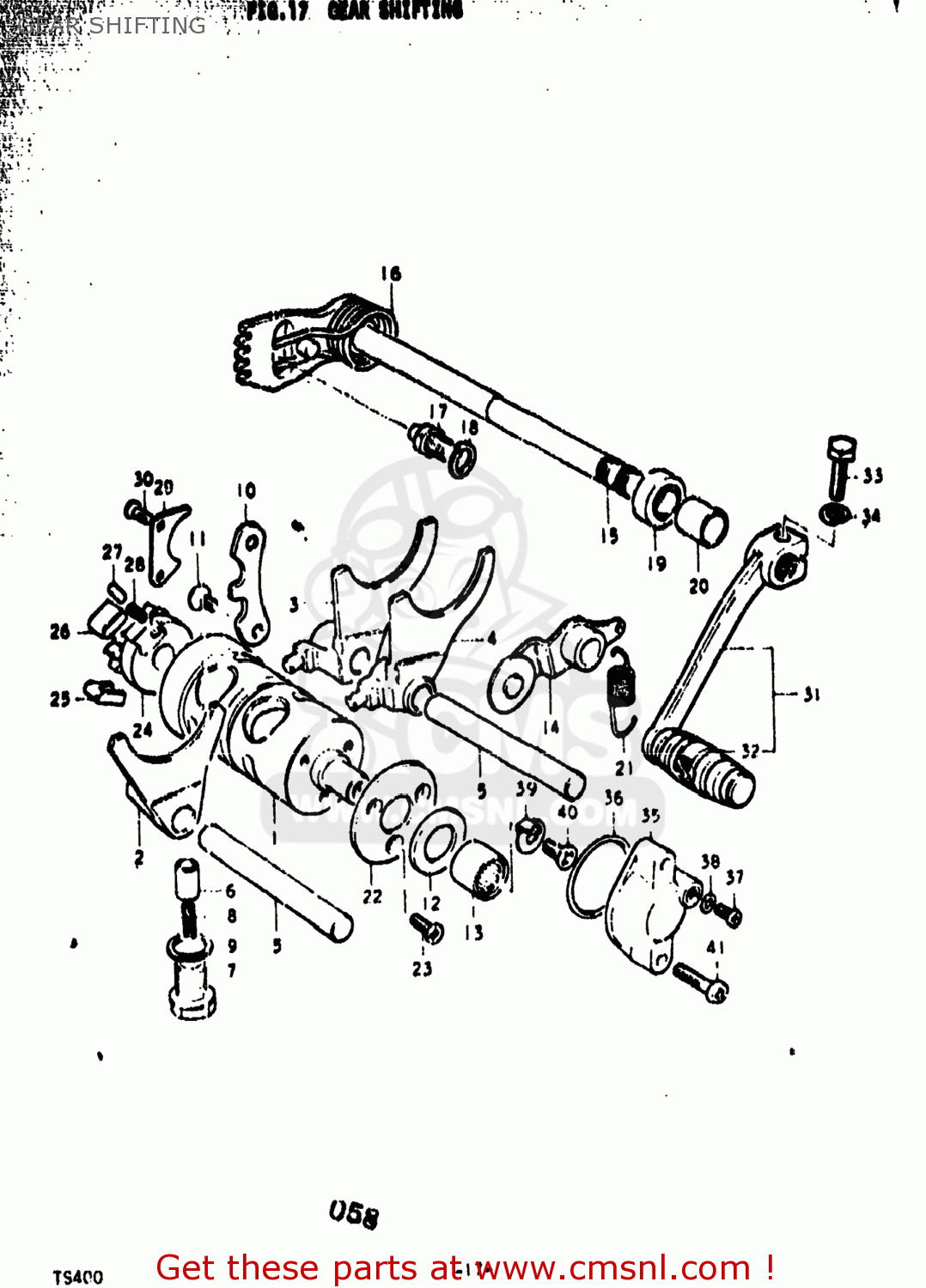
From www.cmsnl.com
24211MAZ000 Fork R,gear Shift Honda buy the 24211MAZ000 at CMSNL How Does A Shift Fork Work The transmission allows the gear ratio between the engine and the drive wheels to change as the car speeds up and slows down. Shift forks move the synchronizers responsible for changing gears in a manual transmission into mesh with the desired gear. When the driver moves the shifter to select a gear, the shift rail moves a shift fork attached. How Does A Shift Fork Work.
From www.youtube.com
101 1973 shovelhead 4 speed transmission shift fork adjusting repair How Does A Shift Fork Work Shift forks move the synchronizers responsible for changing gears in a manual transmission into mesh with the desired gear. First gear is selected by moving the gear shift into place, which forces the selector fork to mesh the collar between gears one and two into the first gear. They lock one gear to the shaft when. They typically serve two. How Does A Shift Fork Work.
From www.youtube.com
Part 5 of 4 Speed Harley Davidson Transmission Rebuild, Timing The How Does A Shift Fork Work Depending which gear you're shifting to, a different fork does the job. Its purpose is to slide gears into or out of engagement with other gears in order change from one gear ratio. The fork moves the collar to the desired gear, and dog teeth on the. The transmission allows the gear ratio between the engine and the drive wheels. How Does A Shift Fork Work.
From tpub.com
Shift Linkage and Levers How Does A Shift Fork Work When shifting between neutral and an active position (e.g., from first gear to second gear), the shift fork moves in one direction or. They lock one gear to the shaft when. Depending which gear you're shifting to, a different fork does the job. They typically serve two gear ranges. Shift forks move the synchronizers responsible for changing gears in a. How Does A Shift Fork Work.
From lilhonda.com
Shift fork comparison pixnew and old How Does A Shift Fork Work When the driver moves the shifter to select a gear, the shift rail moves a shift fork attached to a synchronizer. Depending which gear you're shifting to, a different fork does the job. The transmission allows the gear ratio between the engine and the drive wheels to change as the car speeds up and slows down. They lock one gear. How Does A Shift Fork Work.
From lilhonda.com
Shift fork comparison pixnew and old How Does A Shift Fork Work Depending which gear you're shifting to, a different fork does the job. They lock one gear to the shaft when. The transmission allows the gear ratio between the engine and the drive wheels to change as the car speeds up and slows down. Shift forks move the synchronizers responsible for changing gears in a manual transmission into mesh with the. How Does A Shift Fork Work.
From www.autoserviceprofessional.com
Checking Subaru Shift Fork Locations Auto Service Professional How Does A Shift Fork Work A shift fork is a forked end metal lever that straddles a manual transmission gear shaft. Depending which gear you're shifting to, a different fork does the job. Shift forks move the synchronizers responsible for changing gears in a manual transmission into mesh with the desired gear. They lock one gear to the shaft when. When shifting between neutral and. How Does A Shift Fork Work.
From www.seco-foundry.com
Castingsshiftingforks Foundry Seco Industries, s.r.o. How Does A Shift Fork Work Its purpose is to slide gears into or out of engagement with other gears in order change from one gear ratio. A shift fork is a forked end metal lever that straddles a manual transmission gear shaft. When shifting between neutral and an active position (e.g., from first gear to second gear), the shift fork moves in one direction or.. How Does A Shift Fork Work.
From maktrans.net
Gear shift fork bearing DQ250 02E DSG 6 BSBG02ELA How Does A Shift Fork Work The transmission allows the gear ratio between the engine and the drive wheels to change as the car speeds up and slows down. The fork moves the collar to the desired gear, and dog teeth on the. When the driver moves the shifter to select a gear, the shift rail moves a shift fork attached to a synchronizer. They lock. How Does A Shift Fork Work.
From www.hondatwins.net
how to fit transmission gear assembly into shift forks? How Does A Shift Fork Work Shift forks move the synchronizers responsible for changing gears in a manual transmission into mesh with the desired gear. First gear is selected by moving the gear shift into place, which forces the selector fork to mesh the collar between gears one and two into the first gear. Depending which gear you're shifting to, a different fork does the job.. How Does A Shift Fork Work.
From www.reddit.com
How to adjust 2021+ shift lever position? MT09 How Does A Shift Fork Work The fork moves the collar to the desired gear, and dog teeth on the. Its purpose is to slide gears into or out of engagement with other gears in order change from one gear ratio. A shift fork is a forked end metal lever that straddles a manual transmission gear shaft. When shifting between neutral and an active position (e.g.,. How Does A Shift Fork Work.
From www.dreamstime.com
The Mechanic Fixes the Shift Fork of the Manual Transmission Stock How Does A Shift Fork Work They lock one gear to the shaft when. The fork moves the collar to the desired gear, and dog teeth on the. Depending which gear you're shifting to, a different fork does the job. Its purpose is to slide gears into or out of engagement with other gears in order change from one gear ratio. A shift fork is a. How Does A Shift Fork Work.
From www.rei.com
Suspension Sessions Anatomy of a Fork Path An REI Coop How Does A Shift Fork Work They typically serve two gear ranges. They lock one gear to the shaft when. Shift forks move the synchronizers responsible for changing gears in a manual transmission into mesh with the desired gear. A shift fork is a forked end metal lever that straddles a manual transmission gear shaft. The fork moves the collar to the desired gear, and dog. How Does A Shift Fork Work.
From www.youtube.com
How gearbox fork selector works ? YouTube How Does A Shift Fork Work The fork moves the collar to the desired gear, and dog teeth on the. Depending which gear you're shifting to, a different fork does the job. Shift forks move the synchronizers responsible for changing gears in a manual transmission into mesh with the desired gear. When the driver moves the shifter to select a gear, the shift rail moves a. How Does A Shift Fork Work.
From brainybiker.com
What Is a Suspensioncorrected Fork? Brainy Biker How Does A Shift Fork Work Its purpose is to slide gears into or out of engagement with other gears in order change from one gear ratio. They typically serve two gear ranges. First gear is selected by moving the gear shift into place, which forces the selector fork to mesh the collar between gears one and two into the first gear. Depending which gear you're. How Does A Shift Fork Work.
From www.howacarworks.com
How manual gearboxes work How a Car Works How Does A Shift Fork Work When the driver moves the shifter to select a gear, the shift rail moves a shift fork attached to a synchronizer. The fork moves the collar to the desired gear, and dog teeth on the. When shifting between neutral and an active position (e.g., from first gear to second gear), the shift fork moves in one direction or. A shift. How Does A Shift Fork Work.
From www.cmsnl.com
2522116500 Fork,gear Shift No.2 Suzuki buy the 2522116500 at CMSNL How Does A Shift Fork Work The fork moves the collar to the desired gear, and dog teeth on the. They typically serve two gear ranges. Depending which gear you're shifting to, a different fork does the job. A shift fork is a forked end metal lever that straddles a manual transmission gear shaft. They lock one gear to the shaft when. When the driver moves. How Does A Shift Fork Work.
From www.remcodsc.com
Shift Fork Assembly With block and Springs Superior Driveline How Does A Shift Fork Work The transmission allows the gear ratio between the engine and the drive wheels to change as the car speeds up and slows down. Depending which gear you're shifting to, a different fork does the job. A shift fork is a forked end metal lever that straddles a manual transmission gear shaft. Its purpose is to slide gears into or out. How Does A Shift Fork Work.
From www.youtube.com
Adjusting 1st 2nd Gear Shift Fork Modd YouTube How Does A Shift Fork Work When shifting between neutral and an active position (e.g., from first gear to second gear), the shift fork moves in one direction or. They typically serve two gear ranges. Its purpose is to slide gears into or out of engagement with other gears in order change from one gear ratio. When the driver moves the shifter to select a gear,. How Does A Shift Fork Work.
From www.slideserve.com
PPT Honda CBX Sequential Transmission PowerPoint Presentation, free How Does A Shift Fork Work Depending which gear you're shifting to, a different fork does the job. When shifting between neutral and an active position (e.g., from first gear to second gear), the shift fork moves in one direction or. Its purpose is to slide gears into or out of engagement with other gears in order change from one gear ratio. They lock one gear. How Does A Shift Fork Work.
From www.freeasestudyguides.com
Manual Transmission Shift Fork How Does A Shift Fork Work The fork moves the collar to the desired gear, and dog teeth on the. A shift fork is a forked end metal lever that straddles a manual transmission gear shaft. Its purpose is to slide gears into or out of engagement with other gears in order change from one gear ratio. When shifting between neutral and an active position (e.g.,. How Does A Shift Fork Work.
From www.youtube.com
manual transmission 2 release the shift fork shaft YouTube How Does A Shift Fork Work A shift fork is a forked end metal lever that straddles a manual transmission gear shaft. They typically serve two gear ranges. Shift forks move the synchronizers responsible for changing gears in a manual transmission into mesh with the desired gear. Its purpose is to slide gears into or out of engagement with other gears in order change from one. How Does A Shift Fork Work.
From www.youtube.com
How a Manual Transmission Shifts YouTube How Does A Shift Fork Work They lock one gear to the shaft when. A shift fork is a forked end metal lever that straddles a manual transmission gear shaft. They typically serve two gear ranges. Depending which gear you're shifting to, a different fork does the job. When shifting between neutral and an active position (e.g., from first gear to second gear), the shift fork. How Does A Shift Fork Work.
From www.selzergroup.com
Shift fork manual gearbox How Does A Shift Fork Work Its purpose is to slide gears into or out of engagement with other gears in order change from one gear ratio. Depending which gear you're shifting to, a different fork does the job. Shift forks move the synchronizers responsible for changing gears in a manual transmission into mesh with the desired gear. First gear is selected by moving the gear. How Does A Shift Fork Work.
From www.bikesrepublic.com
How do Forks Work? How Does A Shift Fork Work They typically serve two gear ranges. The transmission allows the gear ratio between the engine and the drive wheels to change as the car speeds up and slows down. When shifting between neutral and an active position (e.g., from first gear to second gear), the shift fork moves in one direction or. A shift fork is a forked end metal. How Does A Shift Fork Work.
From www.youtube.com
Setting up the 5speed shift forks YouTube How Does A Shift Fork Work The transmission allows the gear ratio between the engine and the drive wheels to change as the car speeds up and slows down. Depending which gear you're shifting to, a different fork does the job. A shift fork is a forked end metal lever that straddles a manual transmission gear shaft. When the driver moves the shifter to select a. How Does A Shift Fork Work.
From www.newkidscar.com
Gearshift Mechanism Construction Car Anatomy How Does A Shift Fork Work A shift fork is a forked end metal lever that straddles a manual transmission gear shaft. When shifting between neutral and an active position (e.g., from first gear to second gear), the shift fork moves in one direction or. Depending which gear you're shifting to, a different fork does the job. They typically serve two gear ranges. Its purpose is. How Does A Shift Fork Work.
From www.bestbeginnermotorcycles.com
[Guide] Shifting Gears on a Motorcycle How Does A Shift Fork Work First gear is selected by moving the gear shift into place, which forces the selector fork to mesh the collar between gears one and two into the first gear. Shift forks move the synchronizers responsible for changing gears in a manual transmission into mesh with the desired gear. Its purpose is to slide gears into or out of engagement with. How Does A Shift Fork Work.
From www.pinterest.com
Gear shift fork components Shift, Interlock, Pin How Does A Shift Fork Work The transmission allows the gear ratio between the engine and the drive wheels to change as the car speeds up and slows down. Shift forks move the synchronizers responsible for changing gears in a manual transmission into mesh with the desired gear. When the driver moves the shifter to select a gear, the shift rail moves a shift fork attached. How Does A Shift Fork Work.
From www.youtube.com
How to fix your shift fork No 1st Or 2nd Pt.3 YouTube How Does A Shift Fork Work The fork moves the collar to the desired gear, and dog teeth on the. Depending which gear you're shifting to, a different fork does the job. They typically serve two gear ranges. A shift fork is a forked end metal lever that straddles a manual transmission gear shaft. When the driver moves the shifter to select a gear, the shift. How Does A Shift Fork Work.
From discoveryutv.com
Discovery UTV, Shift fork & shift fork shaft How Does A Shift Fork Work When shifting between neutral and an active position (e.g., from first gear to second gear), the shift fork moves in one direction or. A shift fork is a forked end metal lever that straddles a manual transmission gear shaft. Shift forks move the synchronizers responsible for changing gears in a manual transmission into mesh with the desired gear. The fork. How Does A Shift Fork Work.
From www.zhiyecasting.com
What is gear shift fork? News Ningbo Zhiye Mechanical Components Co How Does A Shift Fork Work They lock one gear to the shaft when. When the driver moves the shifter to select a gear, the shift rail moves a shift fork attached to a synchronizer. When shifting between neutral and an active position (e.g., from first gear to second gear), the shift fork moves in one direction or. Depending which gear you're shifting to, a different. How Does A Shift Fork Work.
From www.youtube.com
Manual transmnission Worn shift Fork YouTube How Does A Shift Fork Work They typically serve two gear ranges. Its purpose is to slide gears into or out of engagement with other gears in order change from one gear ratio. When shifting between neutral and an active position (e.g., from first gear to second gear), the shift fork moves in one direction or. A shift fork is a forked end metal lever that. How Does A Shift Fork Work.
From joiyxffza.blob.core.windows.net
Motorcycle Gear Shift Fork at Shila Flake blog How Does A Shift Fork Work Shift forks move the synchronizers responsible for changing gears in a manual transmission into mesh with the desired gear. The fork moves the collar to the desired gear, and dog teeth on the. They typically serve two gear ranges. Its purpose is to slide gears into or out of engagement with other gears in order change from one gear ratio.. How Does A Shift Fork Work.
From www.inlandatv.com
SHIFT FORK 1 How Does A Shift Fork Work The transmission allows the gear ratio between the engine and the drive wheels to change as the car speeds up and slows down. Depending which gear you're shifting to, a different fork does the job. When the driver moves the shifter to select a gear, the shift rail moves a shift fork attached to a synchronizer. Its purpose is to. How Does A Shift Fork Work.