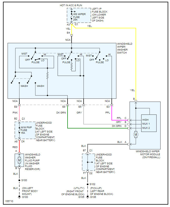
Wipers Only Work On Low Speed . Listed below are a few common signs of a windshield wiper relay problem. Your wiper relay could be bad if the low and high speed wiper positions function. I have the rain sensing intermittent wipers. Windshield wipers stuck on one speed. Basically, my windshield wipers will only work if i set the switch to low or high speed. You can check your intermittent wipers if you have a schematic and know how to read it. The wipers still don't work. My wipers only work on one speed. The windshield washer works well. If the windshield is wet they will move slowly and return to their home position when turned off. They were working fine until last week. When i turn on the wipers they only move at one speed, slow, and very little force. I couldn't get them to work unless i turned them to high first, and then i. Symptoms of a faulty intermittent wiper include the intermittent setting not working and the wiper moving at different speeds. I already replaced the switch, old switch handle was broke.
from www.2carpros.com
When i turn on the wipers they only move at one speed, slow, and very little force. I already replaced the switch, old switch handle was broke. If the windshield is wet they will move slowly and return to their home position when turned off. Windshield wipers stuck on one speed. You can check your intermittent wipers if you have a schematic and know how to read it. The wipers do not work at all in intermittent. The windshield washer works well. Your wiper relay could be bad if the low and high speed wiper positions function. They were working fine until last week. Basically, my windshield wipers will only work if i set the switch to low or high speed.
Wipers Only Work on High? Wipers Only Work on Hi Speed. What Do I...
Wipers Only Work On Low Speed They were working fine until last week. I have the rain sensing intermittent wipers. The windshield washer works well. Basically, my windshield wipers will only work if i set the switch to low or high speed. The wipers still don't work. My wipers only work on one speed. Your wiper relay could be bad if the low and high speed wiper positions function. I already replaced the switch, old switch handle was broke. When i turn on the wipers they only move at one speed, slow, and very little force. I couldn't get them to work unless i turned them to high first, and then i. Symptoms of a faulty intermittent wiper include the intermittent setting not working and the wiper moving at different speeds. The wipers do not work at all in intermittent. Windshield wipers stuck on one speed. They were working fine until last week. If the windshield is wet they will move slowly and return to their home position when turned off. Listed below are a few common signs of a windshield wiper relay problem.
From www.700r4transmissionhq.com
Genesis G70 Only One Wiper Working 4 Main Causes Drivetrain Resource Wipers Only Work On Low Speed When i turn on the wipers they only move at one speed, slow, and very little force. You can check your intermittent wipers if you have a schematic and know how to read it. I have the rain sensing intermittent wipers. The windshield washer works well. If the windshield is wet they will move slowly and return to their home. Wipers Only Work On Low Speed.
From www.youtube.com
Here is why Only One windshield Wiper working/Windshield wiper not working on one side/wiper Wipers Only Work On Low Speed If the windshield is wet they will move slowly and return to their home position when turned off. I couldn't get them to work unless i turned them to high first, and then i. Symptoms of a faulty intermittent wiper include the intermittent setting not working and the wiper moving at different speeds. You can check your intermittent wipers if. Wipers Only Work On Low Speed.
From www.youtube.com
fix SLOW moving or seized windshield wipers YouTube Wipers Only Work On Low Speed My wipers only work on one speed. They were working fine until last week. I already replaced the switch, old switch handle was broke. I couldn't get them to work unless i turned them to high first, and then i. I have the rain sensing intermittent wipers. Symptoms of a faulty intermittent wiper include the intermittent setting not working and. Wipers Only Work On Low Speed.
From www.carparts.com
Intermittent Wipers How They Work and Possible Problems In The Garage with Wipers Only Work On Low Speed I have the rain sensing intermittent wipers. Your wiper relay could be bad if the low and high speed wiper positions function. Listed below are a few common signs of a windshield wiper relay problem. Windshield wipers stuck on one speed. If the windshield is wet they will move slowly and return to their home position when turned off. I. Wipers Only Work On Low Speed.
From www.youtube.com
HOW TO TURN ON WINDSHIELD WIPERS AND WINDSHIELD WASHER HONDA ODYSSEY YouTube Wipers Only Work On Low Speed My wipers only work on one speed. If the windshield is wet they will move slowly and return to their home position when turned off. I already replaced the switch, old switch handle was broke. They were working fine until last week. Listed below are a few common signs of a windshield wiper relay problem. I couldn't get them to. Wipers Only Work On Low Speed.
From www.2carpros.com
Windshield Wipers Only Work on Low. Wipers Only Work On Low Speed They were working fine until last week. If the windshield is wet they will move slowly and return to their home position when turned off. You can check your intermittent wipers if you have a schematic and know how to read it. Your wiper relay could be bad if the low and high speed wiper positions function. I already replaced. Wipers Only Work On Low Speed.
From www.2carpros.com
Front Wipers Only Work on High the Front Wipers Only Work on High... Wipers Only Work On Low Speed I have the rain sensing intermittent wipers. Symptoms of a faulty intermittent wiper include the intermittent setting not working and the wiper moving at different speeds. Basically, my windshield wipers will only work if i set the switch to low or high speed. Your wiper relay could be bad if the low and high speed wiper positions function. You can. Wipers Only Work On Low Speed.
From www.youtube.com
Wipers Not Working Fix Wiper Park Switch Relay B2303, B2304 or B2305 YouTube Wipers Only Work On Low Speed If the windshield is wet they will move slowly and return to their home position when turned off. I couldn't get them to work unless i turned them to high first, and then i. Listed below are a few common signs of a windshield wiper relay problem. The wipers still don't work. I have the rain sensing intermittent wipers. The. Wipers Only Work On Low Speed.
From www.justanswer.com
Wipers will not turn off or work intermittantly. They will change speeds highlow. Have Wipers Only Work On Low Speed Symptoms of a faulty intermittent wiper include the intermittent setting not working and the wiper moving at different speeds. When i turn on the wipers they only move at one speed, slow, and very little force. They were working fine until last week. If the windshield is wet they will move slowly and return to their home position when turned. Wipers Only Work On Low Speed.
From www.justanswer.com
Honda Element Windshield Wipers Q&A on Low Speed Relay Wipers Only Work On Low Speed I couldn't get them to work unless i turned them to high first, and then i. Your wiper relay could be bad if the low and high speed wiper positions function. You can check your intermittent wipers if you have a schematic and know how to read it. Windshield wipers stuck on one speed. When i turn on the wipers. Wipers Only Work On Low Speed.
From forum.classiccougarcommunity.com
1970 intermittent wipers only working on low speed Classic Cougar Maintenance Restoration and Wipers Only Work On Low Speed I couldn't get them to work unless i turned them to high first, and then i. My wipers only work on one speed. Symptoms of a faulty intermittent wiper include the intermittent setting not working and the wiper moving at different speeds. If the windshield is wet they will move slowly and return to their home position when turned off.. Wipers Only Work On Low Speed.
From www.justanswer.com
2013 f150 Lariat wiper only works on high. Intermittent and low speeds do not work, only high Wipers Only Work On Low Speed Windshield wipers stuck on one speed. Symptoms of a faulty intermittent wiper include the intermittent setting not working and the wiper moving at different speeds. I already replaced the switch, old switch handle was broke. I have the rain sensing intermittent wipers. The wipers still don't work. You can check your intermittent wipers if you have a schematic and know. Wipers Only Work On Low Speed.
From www.youtube.com
Automatic Intermittent Windshield Wiper Controls YouTube Wipers Only Work On Low Speed Basically, my windshield wipers will only work if i set the switch to low or high speed. I have the rain sensing intermittent wipers. I couldn't get them to work unless i turned them to high first, and then i. The wipers do not work at all in intermittent. Windshield wipers stuck on one speed. Symptoms of a faulty intermittent. Wipers Only Work On Low Speed.
From www.justanswer.com
Windshield wipers only work on high. no intermittent or low speed. They work but only on high Wipers Only Work On Low Speed The windshield washer works well. They were working fine until last week. I already replaced the switch, old switch handle was broke. The wipers still don't work. I couldn't get them to work unless i turned them to high first, and then i. The wipers do not work at all in intermittent. I have the rain sensing intermittent wipers. Symptoms. Wipers Only Work On Low Speed.
From www.2carpros.com
Windshield Wipers Only Work on Low. Wipers Only Work On Low Speed The wipers still don't work. You can check your intermittent wipers if you have a schematic and know how to read it. When i turn on the wipers they only move at one speed, slow, and very little force. They were working fine until last week. My wipers only work on one speed. I already replaced the switch, old switch. Wipers Only Work On Low Speed.
From www.justanswer.com
2013 f150 Lariat wiper only works on high. Intermittent and low speeds do not work, only high Wipers Only Work On Low Speed Listed below are a few common signs of a windshield wiper relay problem. When i turn on the wipers they only move at one speed, slow, and very little force. The windshield washer works well. Your wiper relay could be bad if the low and high speed wiper positions function. They were working fine until last week. If the windshield. Wipers Only Work On Low Speed.
From www.2carpros.com
Wipers ( Have High Speed Only. Lost Low and Intermittent Speeds... Wipers Only Work On Low Speed The windshield washer works well. If the windshield is wet they will move slowly and return to their home position when turned off. Symptoms of a faulty intermittent wiper include the intermittent setting not working and the wiper moving at different speeds. I already replaced the switch, old switch handle was broke. They were working fine until last week. The. Wipers Only Work On Low Speed.
From www.justanswer.com
Windshield wipers only work on high. no intermittent or low speed. They work but only on high Wipers Only Work On Low Speed Symptoms of a faulty intermittent wiper include the intermittent setting not working and the wiper moving at different speeds. When i turn on the wipers they only move at one speed, slow, and very little force. The windshield washer works well. The wipers still don't work. Listed below are a few common signs of a windshield wiper relay problem. You. Wipers Only Work On Low Speed.
From wheelsadviser.com
How Do Wipers Work? Wipers Only Work On Low Speed When i turn on the wipers they only move at one speed, slow, and very little force. My wipers only work on one speed. Listed below are a few common signs of a windshield wiper relay problem. They were working fine until last week. The wipers do not work at all in intermittent. Your wiper relay could be bad if. Wipers Only Work On Low Speed.
From circuitlibrarysargent.z13.web.core.windows.net
How Do Intermittent Wipers Work Wipers Only Work On Low Speed Windshield wipers stuck on one speed. My wipers only work on one speed. Your wiper relay could be bad if the low and high speed wiper positions function. I have the rain sensing intermittent wipers. When i turn on the wipers they only move at one speed, slow, and very little force. I already replaced the switch, old switch handle. Wipers Only Work On Low Speed.
From www.2carpros.com
Wipers Only Work on High? Wipers Only Work on Hi Speed. What Do I... Wipers Only Work On Low Speed Windshield wipers stuck on one speed. The wipers still don't work. Symptoms of a faulty intermittent wiper include the intermittent setting not working and the wiper moving at different speeds. When i turn on the wipers they only move at one speed, slow, and very little force. The windshield washer works well. Your wiper relay could be bad if the. Wipers Only Work On Low Speed.
From www.youtube.com
CUSTOMER STATES MY WIPERS ONLY WORK ON HIGH SPEED! GM WIPER CONTROL PULSE BOARD REPLACEMENT Wipers Only Work On Low Speed The wipers still don't work. Windshield wipers stuck on one speed. If the windshield is wet they will move slowly and return to their home position when turned off. The wipers do not work at all in intermittent. My wipers only work on one speed. Your wiper relay could be bad if the low and high speed wiper positions function.. Wipers Only Work On Low Speed.
From www.2carpros.com
Wipers ( Have High Speed Only. Lost Low and Intermittent Speeds... Wipers Only Work On Low Speed Listed below are a few common signs of a windshield wiper relay problem. Symptoms of a faulty intermittent wiper include the intermittent setting not working and the wiper moving at different speeds. My wipers only work on one speed. The wipers still don't work. Your wiper relay could be bad if the low and high speed wiper positions function. The. Wipers Only Work On Low Speed.
From www.2carpros.com
Windshield Wipers Only Work on Low. Wipers Only Work On Low Speed The wipers still don't work. I couldn't get them to work unless i turned them to high first, and then i. Symptoms of a faulty intermittent wiper include the intermittent setting not working and the wiper moving at different speeds. Listed below are a few common signs of a windshield wiper relay problem. When i turn on the wipers they. Wipers Only Work On Low Speed.
From www.mgexp.com
Wipers work only on low speed, won't autopark MGB & GT Forum The MG Experience Wipers Only Work On Low Speed Your wiper relay could be bad if the low and high speed wiper positions function. When i turn on the wipers they only move at one speed, slow, and very little force. My wipers only work on one speed. I have the rain sensing intermittent wipers. The windshield washer works well. I already replaced the switch, old switch handle was. Wipers Only Work On Low Speed.
From www.2carpros.com
Windshield Wipers Only Work on Low. Wipers Only Work On Low Speed Listed below are a few common signs of a windshield wiper relay problem. If the windshield is wet they will move slowly and return to their home position when turned off. When i turn on the wipers they only move at one speed, slow, and very little force. The windshield washer works well. I already replaced the switch, old switch. Wipers Only Work On Low Speed.
From www.youtube.com
One Wiper Stopped Working YouTube Wipers Only Work On Low Speed The wipers still don't work. Basically, my windshield wipers will only work if i set the switch to low or high speed. If the windshield is wet they will move slowly and return to their home position when turned off. I couldn't get them to work unless i turned them to high first, and then i. Listed below are a. Wipers Only Work On Low Speed.
From forum.classiccougarcommunity.com
1970 intermittent wipers only working on low speed Classic Cougar Maintenance Restoration and Wipers Only Work On Low Speed Windshield wipers stuck on one speed. My wipers only work on one speed. You can check your intermittent wipers if you have a schematic and know how to read it. Your wiper relay could be bad if the low and high speed wiper positions function. Listed below are a few common signs of a windshield wiper relay problem. Basically, my. Wipers Only Work On Low Speed.
From us-autoglass.com
How do Automatic Windshield Wipers Work? All About Rain Sensors in Cars Wipers Only Work On Low Speed Your wiper relay could be bad if the low and high speed wiper positions function. I already replaced the switch, old switch handle was broke. If the windshield is wet they will move slowly and return to their home position when turned off. The windshield washer works well. Symptoms of a faulty intermittent wiper include the intermittent setting not working. Wipers Only Work On Low Speed.
From gioverubv.blob.core.windows.net
Ford Ranger Windshield Wipers Only Work On High at Melissa Toro blog Wipers Only Work On Low Speed The windshield washer works well. Your wiper relay could be bad if the low and high speed wiper positions function. They were working fine until last week. The wipers do not work at all in intermittent. Listed below are a few common signs of a windshield wiper relay problem. Windshield wipers stuck on one speed. I have the rain sensing. Wipers Only Work On Low Speed.
From www.vautobasics.com
How to Turn on Windshield Wipers Wipers Only Work On Low Speed You can check your intermittent wipers if you have a schematic and know how to read it. The wipers do not work at all in intermittent. The windshield washer works well. Symptoms of a faulty intermittent wiper include the intermittent setting not working and the wiper moving at different speeds. When i turn on the wipers they only move at. Wipers Only Work On Low Speed.
From techinfo.honda.com
Front Wipers Wipers Only Work On Low Speed Basically, my windshield wipers will only work if i set the switch to low or high speed. When i turn on the wipers they only move at one speed, slow, and very little force. I couldn't get them to work unless i turned them to high first, and then i. The windshield washer works well. I already replaced the switch,. Wipers Only Work On Low Speed.
From www.youtube.com
How to Change Windshield Wipers Chevy Silverado Colorado Avalanche GMC Sierra Canyon (Easy Wipers Only Work On Low Speed When i turn on the wipers they only move at one speed, slow, and very little force. I have the rain sensing intermittent wipers. I already replaced the switch, old switch handle was broke. They were working fine until last week. Your wiper relay could be bad if the low and high speed wiper positions function. Basically, my windshield wipers. Wipers Only Work On Low Speed.
From www.endurancewarranty.com
How To Keep Your Windshield Wipers Working Properly? Wipers Only Work On Low Speed I have the rain sensing intermittent wipers. Symptoms of a faulty intermittent wiper include the intermittent setting not working and the wiper moving at different speeds. I couldn't get them to work unless i turned them to high first, and then i. If the windshield is wet they will move slowly and return to their home position when turned off.. Wipers Only Work On Low Speed.
From www.chicagocorvette.net
Windshield Wiper System Diagram View Chicago Corvette Supply Wipers Only Work On Low Speed They were working fine until last week. Listed below are a few common signs of a windshield wiper relay problem. The windshield washer works well. You can check your intermittent wipers if you have a schematic and know how to read it. When i turn on the wipers they only move at one speed, slow, and very little force. If. Wipers Only Work On Low Speed.