Tohatsu Remote Control Box Wiring Diagram . Understanding and installing the tohatsu remote control box wiring diagram is essential for getting the most out of your outboard motor, and for ensuring a safe, secure journey. Tohatsu offers a wide range of. Our side mount, flush mount and top/binnacle & dual binnacle mount control boxes are designed to provide remote throttle & shift control for tohatsu outboards. Follow the instruction manual provided with the remote control box. You can use the catalog for. Tohatsu offers a wide range of. Our side mount, flush mount and top/binnacle & dual binnacle mount control boxes are designed to provide remote throttle & shift control for tohatsu outboards. A tohatsu remote control wiring diagram is a schematic that shows how the various components of a tohatsu outboard. Please keep in mind that tohatsu and nissan outboards are basically interchangeable. (2) installation of the remote control box on your boat (3) installing of the. A tohatsu remote control wiring diagram is a schematic that shows how the various components of a tohatsu remote.
from www.circuitdiagram.co
Understanding and installing the tohatsu remote control box wiring diagram is essential for getting the most out of your outboard motor, and for ensuring a safe, secure journey. A tohatsu remote control wiring diagram is a schematic that shows how the various components of a tohatsu outboard. Our side mount, flush mount and top/binnacle & dual binnacle mount control boxes are designed to provide remote throttle & shift control for tohatsu outboards. (2) installation of the remote control box on your boat (3) installing of the. Our side mount, flush mount and top/binnacle & dual binnacle mount control boxes are designed to provide remote throttle & shift control for tohatsu outboards. A tohatsu remote control wiring diagram is a schematic that shows how the various components of a tohatsu remote. You can use the catalog for. Tohatsu offers a wide range of. Follow the instruction manual provided with the remote control box. Please keep in mind that tohatsu and nissan outboards are basically interchangeable.
Tohatsu Remote Control Box Wiring Diagram Circuit Diagram
Tohatsu Remote Control Box Wiring Diagram Tohatsu offers a wide range of. You can use the catalog for. Follow the instruction manual provided with the remote control box. A tohatsu remote control wiring diagram is a schematic that shows how the various components of a tohatsu outboard. (2) installation of the remote control box on your boat (3) installing of the. Tohatsu offers a wide range of. Please keep in mind that tohatsu and nissan outboards are basically interchangeable. A tohatsu remote control wiring diagram is a schematic that shows how the various components of a tohatsu remote. Our side mount, flush mount and top/binnacle & dual binnacle mount control boxes are designed to provide remote throttle & shift control for tohatsu outboards. Tohatsu offers a wide range of. Understanding and installing the tohatsu remote control box wiring diagram is essential for getting the most out of your outboard motor, and for ensuring a safe, secure journey. Our side mount, flush mount and top/binnacle & dual binnacle mount control boxes are designed to provide remote throttle & shift control for tohatsu outboards.
From guidelibjaggedness.z22.web.core.windows.net
Tohatsu Control Box Wiring Diagram Tohatsu Remote Control Box Wiring Diagram Understanding and installing the tohatsu remote control box wiring diagram is essential for getting the most out of your outboard motor, and for ensuring a safe, secure journey. Tohatsu offers a wide range of. Please keep in mind that tohatsu and nissan outboards are basically interchangeable. A tohatsu remote control wiring diagram is a schematic that shows how the various. Tohatsu Remote Control Box Wiring Diagram.
From www.wiringdraw.com
Tohatsu Outboard Motor Wiring Diagram Tohatsu Remote Control Box Wiring Diagram A tohatsu remote control wiring diagram is a schematic that shows how the various components of a tohatsu outboard. Our side mount, flush mount and top/binnacle & dual binnacle mount control boxes are designed to provide remote throttle & shift control for tohatsu outboards. You can use the catalog for. Follow the instruction manual provided with the remote control box.. Tohatsu Remote Control Box Wiring Diagram.
From www.circuitdiagram.co
Tohatsu Remote Control Wiring Diagram Circuit Diagram Tohatsu Remote Control Box Wiring Diagram Tohatsu offers a wide range of. Understanding and installing the tohatsu remote control box wiring diagram is essential for getting the most out of your outboard motor, and for ensuring a safe, secure journey. Tohatsu offers a wide range of. You can use the catalog for. (2) installation of the remote control box on your boat (3) installing of the.. Tohatsu Remote Control Box Wiring Diagram.
From www.circuitdiagram.co
Tohatsu Remote Control Wiring Diagram Circuit Diagram Tohatsu Remote Control Box Wiring Diagram Please keep in mind that tohatsu and nissan outboards are basically interchangeable. Follow the instruction manual provided with the remote control box. Tohatsu offers a wide range of. (2) installation of the remote control box on your boat (3) installing of the. You can use the catalog for. Our side mount, flush mount and top/binnacle & dual binnacle mount control. Tohatsu Remote Control Box Wiring Diagram.
From www.circuitdiagram.co
Tohatsu Remote Control Wiring Diagram Tohatsu Remote Control Box Wiring Diagram You can use the catalog for. Tohatsu offers a wide range of. Please keep in mind that tohatsu and nissan outboards are basically interchangeable. A tohatsu remote control wiring diagram is a schematic that shows how the various components of a tohatsu outboard. (2) installation of the remote control box on your boat (3) installing of the. Follow the instruction. Tohatsu Remote Control Box Wiring Diagram.
From www.boats.net
Tohatsu Outboard 2011 OEM Parts Diagram for Component Parts Of Remote Tohatsu Remote Control Box Wiring Diagram Tohatsu offers a wide range of. Our side mount, flush mount and top/binnacle & dual binnacle mount control boxes are designed to provide remote throttle & shift control for tohatsu outboards. Our side mount, flush mount and top/binnacle & dual binnacle mount control boxes are designed to provide remote throttle & shift control for tohatsu outboards. Understanding and installing the. Tohatsu Remote Control Box Wiring Diagram.
From outboardmanuals.net
Tohatsu 25HP C2 30HP A3 Wiring Diagram incl Remote Control OUTBOARD Tohatsu Remote Control Box Wiring Diagram A tohatsu remote control wiring diagram is a schematic that shows how the various components of a tohatsu remote. Understanding and installing the tohatsu remote control box wiring diagram is essential for getting the most out of your outboard motor, and for ensuring a safe, secure journey. Please keep in mind that tohatsu and nissan outboards are basically interchangeable. Tohatsu. Tohatsu Remote Control Box Wiring Diagram.
From resolutionsforyou.com
Tohatsu control box wiring diagram Tohatsu Remote Control Box Wiring Diagram You can use the catalog for. (2) installation of the remote control box on your boat (3) installing of the. A tohatsu remote control wiring diagram is a schematic that shows how the various components of a tohatsu outboard. Tohatsu offers a wide range of. Our side mount, flush mount and top/binnacle & dual binnacle mount control boxes are designed. Tohatsu Remote Control Box Wiring Diagram.
From wiringall.com
M40c Tohatsu Wiring Diagram Tohatsu Remote Control Box Wiring Diagram Tohatsu offers a wide range of. Our side mount, flush mount and top/binnacle & dual binnacle mount control boxes are designed to provide remote throttle & shift control for tohatsu outboards. A tohatsu remote control wiring diagram is a schematic that shows how the various components of a tohatsu remote. Follow the instruction manual provided with the remote control box.. Tohatsu Remote Control Box Wiring Diagram.
From elecdiags.com
The Ultimate Guide to Tohatsu Outboard Wiring Color Code Tohatsu Remote Control Box Wiring Diagram Tohatsu offers a wide range of. Our side mount, flush mount and top/binnacle & dual binnacle mount control boxes are designed to provide remote throttle & shift control for tohatsu outboards. (2) installation of the remote control box on your boat (3) installing of the. A tohatsu remote control wiring diagram is a schematic that shows how the various components. Tohatsu Remote Control Box Wiring Diagram.
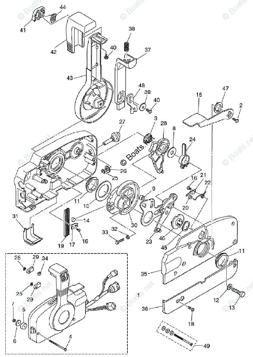
From www.boats.net
Tohatsu Outboard 1996 OEM Parts Diagram for REMOTE CONTROL BOX Tohatsu Remote Control Box Wiring Diagram Tohatsu offers a wide range of. Our side mount, flush mount and top/binnacle & dual binnacle mount control boxes are designed to provide remote throttle & shift control for tohatsu outboards. Tohatsu offers a wide range of. Follow the instruction manual provided with the remote control box. You can use the catalog for. A tohatsu remote control wiring diagram is. Tohatsu Remote Control Box Wiring Diagram.
From www.circuitdiagram.co
Tohatsu Remote Control Wiring Diagram Tohatsu Remote Control Box Wiring Diagram (2) installation of the remote control box on your boat (3) installing of the. A tohatsu remote control wiring diagram is a schematic that shows how the various components of a tohatsu remote. Please keep in mind that tohatsu and nissan outboards are basically interchangeable. Tohatsu offers a wide range of. A tohatsu remote control wiring diagram is a schematic. Tohatsu Remote Control Box Wiring Diagram.
From www.circuitdiagram.co
Tohatsu Remote Control Wiring Diagram Circuit Diagram Tohatsu Remote Control Box Wiring Diagram Please keep in mind that tohatsu and nissan outboards are basically interchangeable. Our side mount, flush mount and top/binnacle & dual binnacle mount control boxes are designed to provide remote throttle & shift control for tohatsu outboards. A tohatsu remote control wiring diagram is a schematic that shows how the various components of a tohatsu outboard. Understanding and installing the. Tohatsu Remote Control Box Wiring Diagram.
From circuitdiagramsteele.z13.web.core.windows.net
Tohatsu Control Box Wiring Diagram Tohatsu Remote Control Box Wiring Diagram Tohatsu offers a wide range of. Follow the instruction manual provided with the remote control box. A tohatsu remote control wiring diagram is a schematic that shows how the various components of a tohatsu remote. You can use the catalog for. A tohatsu remote control wiring diagram is a schematic that shows how the various components of a tohatsu outboard.. Tohatsu Remote Control Box Wiring Diagram.
From tohatsu.com.au
Side Mount Remote Control Boxes Tohatsu Outboard Motors Tohatsu Remote Control Box Wiring Diagram You can use the catalog for. Our side mount, flush mount and top/binnacle & dual binnacle mount control boxes are designed to provide remote throttle & shift control for tohatsu outboards. A tohatsu remote control wiring diagram is a schematic that shows how the various components of a tohatsu outboard. Tohatsu offers a wide range of. Understanding and installing the. Tohatsu Remote Control Box Wiring Diagram.
From www.justanswer.com
Tohatsu Outboard Wiring Diagrams Q&A on Control Box, Tachometer, Trim Tohatsu Remote Control Box Wiring Diagram Follow the instruction manual provided with the remote control box. You can use the catalog for. Please keep in mind that tohatsu and nissan outboards are basically interchangeable. Our side mount, flush mount and top/binnacle & dual binnacle mount control boxes are designed to provide remote throttle & shift control for tohatsu outboards. Tohatsu offers a wide range of. A. Tohatsu Remote Control Box Wiring Diagram.
From www.tohatsu.us
22. COMPONENT PARTS OF REMOTE CONTROL (ELECTRIC PARTS) , Reliable Tohatsu Remote Control Box Wiring Diagram Follow the instruction manual provided with the remote control box. A tohatsu remote control wiring diagram is a schematic that shows how the various components of a tohatsu remote. (2) installation of the remote control box on your boat (3) installing of the. You can use the catalog for. Our side mount, flush mount and top/binnacle & dual binnacle mount. Tohatsu Remote Control Box Wiring Diagram.
From www.boats.net
Tohatsu Rigging Parts & Accessories Control Box Components OEM Parts Tohatsu Remote Control Box Wiring Diagram Our side mount, flush mount and top/binnacle & dual binnacle mount control boxes are designed to provide remote throttle & shift control for tohatsu outboards. (2) installation of the remote control box on your boat (3) installing of the. Follow the instruction manual provided with the remote control box. You can use the catalog for. Understanding and installing the tohatsu. Tohatsu Remote Control Box Wiring Diagram.
From annawiringdiagram.com
Yamaha 703 Remote Control Wiring Diagram Wiring Diagram Tohatsu Remote Control Box Wiring Diagram (2) installation of the remote control box on your boat (3) installing of the. Follow the instruction manual provided with the remote control box. Tohatsu offers a wide range of. Understanding and installing the tohatsu remote control box wiring diagram is essential for getting the most out of your outboard motor, and for ensuring a safe, secure journey. A tohatsu. Tohatsu Remote Control Box Wiring Diagram.
From www.tohatsu.com
CONTROL BOXES AND CABLES PARTS & ACCESSORIES TOHATSU outboard motors Tohatsu Remote Control Box Wiring Diagram Follow the instruction manual provided with the remote control box. Please keep in mind that tohatsu and nissan outboards are basically interchangeable. You can use the catalog for. Understanding and installing the tohatsu remote control box wiring diagram is essential for getting the most out of your outboard motor, and for ensuring a safe, secure journey. (2) installation of the. Tohatsu Remote Control Box Wiring Diagram.
From enginediagrammart.z21.web.core.windows.net
Wiring Diagram Tohatsu 18 Hp Manual Tohatsu Remote Control Box Wiring Diagram A tohatsu remote control wiring diagram is a schematic that shows how the various components of a tohatsu outboard. Please keep in mind that tohatsu and nissan outboards are basically interchangeable. Our side mount, flush mount and top/binnacle & dual binnacle mount control boxes are designed to provide remote throttle & shift control for tohatsu outboards. Our side mount, flush. Tohatsu Remote Control Box Wiring Diagram.
From www.boats.net
Tohatsu Rigging Parts & Accessories Control Box Components OEM Parts Tohatsu Remote Control Box Wiring Diagram A tohatsu remote control wiring diagram is a schematic that shows how the various components of a tohatsu outboard. Our side mount, flush mount and top/binnacle & dual binnacle mount control boxes are designed to provide remote throttle & shift control for tohatsu outboards. Follow the instruction manual provided with the remote control box. Understanding and installing the tohatsu remote. Tohatsu Remote Control Box Wiring Diagram.
From enginediagramchief.z4.web.core.windows.net
Tohatsu Ignition Switch Wiring Diagram Tohatsu Remote Control Box Wiring Diagram Tohatsu offers a wide range of. Tohatsu offers a wide range of. You can use the catalog for. Our side mount, flush mount and top/binnacle & dual binnacle mount control boxes are designed to provide remote throttle & shift control for tohatsu outboards. A tohatsu remote control wiring diagram is a schematic that shows how the various components of a. Tohatsu Remote Control Box Wiring Diagram.
From www.circuitdiagram.co
Tohatsu Remote Control Wiring Diagram Circuit Diagram Tohatsu Remote Control Box Wiring Diagram Tohatsu offers a wide range of. Our side mount, flush mount and top/binnacle & dual binnacle mount control boxes are designed to provide remote throttle & shift control for tohatsu outboards. A tohatsu remote control wiring diagram is a schematic that shows how the various components of a tohatsu outboard. You can use the catalog for. A tohatsu remote control. Tohatsu Remote Control Box Wiring Diagram.
From design1systems.com
Tohatsu Tachometer Wiring Diagram A StepbyStep Guide to Installation Tohatsu Remote Control Box Wiring Diagram (2) installation of the remote control box on your boat (3) installing of the. Please keep in mind that tohatsu and nissan outboards are basically interchangeable. Tohatsu offers a wide range of. Our side mount, flush mount and top/binnacle & dual binnacle mount control boxes are designed to provide remote throttle & shift control for tohatsu outboards. You can use. Tohatsu Remote Control Box Wiring Diagram.
From www.circuitdiagram.co
Tohatsu Remote Control Wiring Diagram Tohatsu Remote Control Box Wiring Diagram Our side mount, flush mount and top/binnacle & dual binnacle mount control boxes are designed to provide remote throttle & shift control for tohatsu outboards. You can use the catalog for. Please keep in mind that tohatsu and nissan outboards are basically interchangeable. Our side mount, flush mount and top/binnacle & dual binnacle mount control boxes are designed to provide. Tohatsu Remote Control Box Wiring Diagram.
From www.wiringdigital.com
Tohatsu Outboard Motor Wiring Diagram Wiring Digital and Schematic Tohatsu Remote Control Box Wiring Diagram Please keep in mind that tohatsu and nissan outboards are basically interchangeable. A tohatsu remote control wiring diagram is a schematic that shows how the various components of a tohatsu remote. (2) installation of the remote control box on your boat (3) installing of the. You can use the catalog for. Understanding and installing the tohatsu remote control box wiring. Tohatsu Remote Control Box Wiring Diagram.
From www.boats.net
Tohatsu Outboard 2018 OEM Parts Diagram for COMPONENT PARTS OF REMOTE Tohatsu Remote Control Box Wiring Diagram Tohatsu offers a wide range of. (2) installation of the remote control box on your boat (3) installing of the. Tohatsu offers a wide range of. Please keep in mind that tohatsu and nissan outboards are basically interchangeable. A tohatsu remote control wiring diagram is a schematic that shows how the various components of a tohatsu outboard. Our side mount,. Tohatsu Remote Control Box Wiring Diagram.
From www.circuitdiagram.co
Tohatsu Remote Control Wiring Diagram Tohatsu Remote Control Box Wiring Diagram You can use the catalog for. Tohatsu offers a wide range of. Tohatsu offers a wide range of. A tohatsu remote control wiring diagram is a schematic that shows how the various components of a tohatsu outboard. Understanding and installing the tohatsu remote control box wiring diagram is essential for getting the most out of your outboard motor, and for. Tohatsu Remote Control Box Wiring Diagram.
From www.organised-sound.com
Tohatsu Outboard Motor Wiring Diagram » Wiring Diagram Tohatsu Remote Control Box Wiring Diagram A tohatsu remote control wiring diagram is a schematic that shows how the various components of a tohatsu remote. Tohatsu offers a wide range of. Please keep in mind that tohatsu and nissan outboards are basically interchangeable. You can use the catalog for. Tohatsu offers a wide range of. (2) installation of the remote control box on your boat (3). Tohatsu Remote Control Box Wiring Diagram.
From www.circuitdiagram.co
Tohatsu Remote Control Box Wiring Diagram Circuit Diagram Tohatsu Remote Control Box Wiring Diagram (2) installation of the remote control box on your boat (3) installing of the. Understanding and installing the tohatsu remote control box wiring diagram is essential for getting the most out of your outboard motor, and for ensuring a safe, secure journey. A tohatsu remote control wiring diagram is a schematic that shows how the various components of a tohatsu. Tohatsu Remote Control Box Wiring Diagram.
From 2020cadillac.com
Pdf5771] Mercury Tohatsu 30Hp 2 Stroke Service Manual 2019 Ebook Tohatsu Remote Control Box Wiring Diagram Our side mount, flush mount and top/binnacle & dual binnacle mount control boxes are designed to provide remote throttle & shift control for tohatsu outboards. Understanding and installing the tohatsu remote control box wiring diagram is essential for getting the most out of your outboard motor, and for ensuring a safe, secure journey. (2) installation of the remote control box. Tohatsu Remote Control Box Wiring Diagram.
From www.wiringdraw.com
Tohatsu Outboard Motor Wiring Diagram Tohatsu Remote Control Box Wiring Diagram A tohatsu remote control wiring diagram is a schematic that shows how the various components of a tohatsu remote. Tohatsu offers a wide range of. (2) installation of the remote control box on your boat (3) installing of the. You can use the catalog for. Tohatsu offers a wide range of. Our side mount, flush mount and top/binnacle & dual. Tohatsu Remote Control Box Wiring Diagram.
From www.circuitdiagram.co
Tohatsu Remote Control Wiring Diagram Circuit Diagram Tohatsu Remote Control Box Wiring Diagram Understanding and installing the tohatsu remote control box wiring diagram is essential for getting the most out of your outboard motor, and for ensuring a safe, secure journey. Tohatsu offers a wide range of. Follow the instruction manual provided with the remote control box. A tohatsu remote control wiring diagram is a schematic that shows how the various components of. Tohatsu Remote Control Box Wiring Diagram.
From www.boats.net
Tohatsu Outboard 2018 OEM Parts Diagram for REMOTE CONTROL PARTS Tohatsu Remote Control Box Wiring Diagram Our side mount, flush mount and top/binnacle & dual binnacle mount control boxes are designed to provide remote throttle & shift control for tohatsu outboards. Tohatsu offers a wide range of. A tohatsu remote control wiring diagram is a schematic that shows how the various components of a tohatsu outboard. Follow the instruction manual provided with the remote control box.. Tohatsu Remote Control Box Wiring Diagram.