Discuss What Is I/O Port Address Decoding . The number of lines required for addressing i/o ports is less. memory or i/o operation is differentiated by decoding the address. Every i/o port on a computer, like a usb. each i/o device connected to your computer is mapped to a unique i/o (input/output) address. an address bus and decoder to select a particular register in memory, data bus to transfer the register’s contents in or out of. For isolated i/o, iorc and iowc are. an i/o address is a numeric identifier that a computer's cpu uses to communicate with a peripheral.
from www.slideserve.com
The number of lines required for addressing i/o ports is less. each i/o device connected to your computer is mapped to a unique i/o (input/output) address. an i/o address is a numeric identifier that a computer's cpu uses to communicate with a peripheral. an address bus and decoder to select a particular register in memory, data bus to transfer the register’s contents in or out of. Every i/o port on a computer, like a usb. memory or i/o operation is differentiated by decoding the address. For isolated i/o, iorc and iowc are.
PPT Basic I/O Interface PowerPoint Presentation, free download ID
Discuss What Is I/O Port Address Decoding For isolated i/o, iorc and iowc are. For isolated i/o, iorc and iowc are. an address bus and decoder to select a particular register in memory, data bus to transfer the register’s contents in or out of. each i/o device connected to your computer is mapped to a unique i/o (input/output) address. an i/o address is a numeric identifier that a computer's cpu uses to communicate with a peripheral. The number of lines required for addressing i/o ports is less. memory or i/o operation is differentiated by decoding the address. Every i/o port on a computer, like a usb.
From www.slideserve.com
PPT Chapter 11 PowerPoint Presentation, free download ID3477209 Discuss What Is I/O Port Address Decoding For isolated i/o, iorc and iowc are. The number of lines required for addressing i/o ports is less. Every i/o port on a computer, like a usb. an i/o address is a numeric identifier that a computer's cpu uses to communicate with a peripheral. an address bus and decoder to select a particular register in memory, data bus. Discuss What Is I/O Port Address Decoding.
From www.slideserve.com
PPT Lecture 07 8255 PPI Chip PowerPoint Presentation, free download Discuss What Is I/O Port Address Decoding Every i/o port on a computer, like a usb. an i/o address is a numeric identifier that a computer's cpu uses to communicate with a peripheral. an address bus and decoder to select a particular register in memory, data bus to transfer the register’s contents in or out of. memory or i/o operation is differentiated by decoding. Discuss What Is I/O Port Address Decoding.
From www.slideserve.com
PPT Basic I/O Interface PowerPoint Presentation, free download ID Discuss What Is I/O Port Address Decoding Every i/o port on a computer, like a usb. The number of lines required for addressing i/o ports is less. an address bus and decoder to select a particular register in memory, data bus to transfer the register’s contents in or out of. For isolated i/o, iorc and iowc are. memory or i/o operation is differentiated by decoding. Discuss What Is I/O Port Address Decoding.
From www.slideserve.com
PPT Address Decoding for Memory and I/O PowerPoint Presentation, free Discuss What Is I/O Port Address Decoding memory or i/o operation is differentiated by decoding the address. an i/o address is a numeric identifier that a computer's cpu uses to communicate with a peripheral. an address bus and decoder to select a particular register in memory, data bus to transfer the register’s contents in or out of. The number of lines required for addressing. Discuss What Is I/O Port Address Decoding.
From www.slideserve.com
PPT Lecture 13 Basic I/O Interface PowerPoint Presentation, free Discuss What Is I/O Port Address Decoding For isolated i/o, iorc and iowc are. The number of lines required for addressing i/o ports is less. memory or i/o operation is differentiated by decoding the address. Every i/o port on a computer, like a usb. an i/o address is a numeric identifier that a computer's cpu uses to communicate with a peripheral. an address bus. Discuss What Is I/O Port Address Decoding.
From present5.com
Chapter 11 Basic I O Interface Ch 11 Basic Discuss What Is I/O Port Address Decoding memory or i/o operation is differentiated by decoding the address. each i/o device connected to your computer is mapped to a unique i/o (input/output) address. an address bus and decoder to select a particular register in memory, data bus to transfer the register’s contents in or out of. For isolated i/o, iorc and iowc are. an. Discuss What Is I/O Port Address Decoding.
From www.slideserve.com
PPT Lecture 06 Memory Address Decoding PowerPoint Presentation, free Discuss What Is I/O Port Address Decoding Every i/o port on a computer, like a usb. each i/o device connected to your computer is mapped to a unique i/o (input/output) address. For isolated i/o, iorc and iowc are. memory or i/o operation is differentiated by decoding the address. The number of lines required for addressing i/o ports is less. an address bus and decoder. Discuss What Is I/O Port Address Decoding.
From www.scribd.com
Io Port Address Decoding PDF Discuss What Is I/O Port Address Decoding an address bus and decoder to select a particular register in memory, data bus to transfer the register’s contents in or out of. For isolated i/o, iorc and iowc are. memory or i/o operation is differentiated by decoding the address. each i/o device connected to your computer is mapped to a unique i/o (input/output) address. Every i/o. Discuss What Is I/O Port Address Decoding.
From www.slideserve.com
PPT ECE 353 Introduction to Microprocessor Systems PowerPoint Discuss What Is I/O Port Address Decoding an address bus and decoder to select a particular register in memory, data bus to transfer the register’s contents in or out of. For isolated i/o, iorc and iowc are. Every i/o port on a computer, like a usb. an i/o address is a numeric identifier that a computer's cpu uses to communicate with a peripheral. each. Discuss What Is I/O Port Address Decoding.
From slidetodoc.com
IO AND THE 8255 ISA BUS INTERFACING Chapter Discuss What Is I/O Port Address Decoding Every i/o port on a computer, like a usb. an i/o address is a numeric identifier that a computer's cpu uses to communicate with a peripheral. each i/o device connected to your computer is mapped to a unique i/o (input/output) address. an address bus and decoder to select a particular register in memory, data bus to transfer. Discuss What Is I/O Port Address Decoding.
From www.slideserve.com
PPT Chapter 11 Basic I/O Interface PowerPoint Presentation, free Discuss What Is I/O Port Address Decoding an i/o address is a numeric identifier that a computer's cpu uses to communicate with a peripheral. each i/o device connected to your computer is mapped to a unique i/o (input/output) address. Every i/o port on a computer, like a usb. The number of lines required for addressing i/o ports is less. For isolated i/o, iorc and iowc. Discuss What Is I/O Port Address Decoding.
From present5.com
Chapter 11 Basic I O Interface Ch 11 Basic Discuss What Is I/O Port Address Decoding an i/o address is a numeric identifier that a computer's cpu uses to communicate with a peripheral. For isolated i/o, iorc and iowc are. each i/o device connected to your computer is mapped to a unique i/o (input/output) address. Every i/o port on a computer, like a usb. an address bus and decoder to select a particular. Discuss What Is I/O Port Address Decoding.
From www.onlinenotesnepal.com
Input output address decoding Microprocessor System Online Notes Nepal Discuss What Is I/O Port Address Decoding For isolated i/o, iorc and iowc are. each i/o device connected to your computer is mapped to a unique i/o (input/output) address. Every i/o port on a computer, like a usb. an address bus and decoder to select a particular register in memory, data bus to transfer the register’s contents in or out of. an i/o address. Discuss What Is I/O Port Address Decoding.
From www.computerhope.com
What is an Input/Output Port? Discuss What Is I/O Port Address Decoding an i/o address is a numeric identifier that a computer's cpu uses to communicate with a peripheral. each i/o device connected to your computer is mapped to a unique i/o (input/output) address. For isolated i/o, iorc and iowc are. Every i/o port on a computer, like a usb. an address bus and decoder to select a particular. Discuss What Is I/O Port Address Decoding.
From slideplayer.com
1 Microprocessors CSE 341 Basic I/O Interfacing. ppt download Discuss What Is I/O Port Address Decoding The number of lines required for addressing i/o ports is less. memory or i/o operation is differentiated by decoding the address. an address bus and decoder to select a particular register in memory, data bus to transfer the register’s contents in or out of. each i/o device connected to your computer is mapped to a unique i/o. Discuss What Is I/O Port Address Decoding.
From slideplayer.com
Lecture 06 Memory Address Decoding ppt video online download Discuss What Is I/O Port Address Decoding each i/o device connected to your computer is mapped to a unique i/o (input/output) address. For isolated i/o, iorc and iowc are. an i/o address is a numeric identifier that a computer's cpu uses to communicate with a peripheral. The number of lines required for addressing i/o ports is less. memory or i/o operation is differentiated by. Discuss What Is I/O Port Address Decoding.
From www.slideserve.com
PPT Chapter 11 Basic I/O Interface PowerPoint Presentation, free Discuss What Is I/O Port Address Decoding Every i/o port on a computer, like a usb. For isolated i/o, iorc and iowc are. The number of lines required for addressing i/o ports is less. memory or i/o operation is differentiated by decoding the address. an i/o address is a numeric identifier that a computer's cpu uses to communicate with a peripheral. an address bus. Discuss What Is I/O Port Address Decoding.
From slidetodoc.com
ECE 353 Introduction to Microprocessor Systems Week 10 Discuss What Is I/O Port Address Decoding an address bus and decoder to select a particular register in memory, data bus to transfer the register’s contents in or out of. The number of lines required for addressing i/o ports is less. an i/o address is a numeric identifier that a computer's cpu uses to communicate with a peripheral. each i/o device connected to your. Discuss What Is I/O Port Address Decoding.
From www.slideserve.com
PPT Address Decoding for Memory and I/O PowerPoint Presentation, free Discuss What Is I/O Port Address Decoding memory or i/o operation is differentiated by decoding the address. each i/o device connected to your computer is mapped to a unique i/o (input/output) address. For isolated i/o, iorc and iowc are. an i/o address is a numeric identifier that a computer's cpu uses to communicate with a peripheral. Every i/o port on a computer, like a. Discuss What Is I/O Port Address Decoding.
From www.slideserve.com
PPT Chapter 11 Basic I/O Interface PowerPoint Presentation, free Discuss What Is I/O Port Address Decoding an i/o address is a numeric identifier that a computer's cpu uses to communicate with a peripheral. Every i/o port on a computer, like a usb. For isolated i/o, iorc and iowc are. The number of lines required for addressing i/o ports is less. each i/o device connected to your computer is mapped to a unique i/o (input/output). Discuss What Is I/O Port Address Decoding.
From ipwithease.com
Difference between IP Address and Port Number IP With Ease Discuss What Is I/O Port Address Decoding Every i/o port on a computer, like a usb. For isolated i/o, iorc and iowc are. memory or i/o operation is differentiated by decoding the address. each i/o device connected to your computer is mapped to a unique i/o (input/output) address. an i/o address is a numeric identifier that a computer's cpu uses to communicate with a. Discuss What Is I/O Port Address Decoding.
From www.slideserve.com
PPT Basic I/O Interfacing PowerPoint Presentation, free download ID Discuss What Is I/O Port Address Decoding an i/o address is a numeric identifier that a computer's cpu uses to communicate with a peripheral. each i/o device connected to your computer is mapped to a unique i/o (input/output) address. an address bus and decoder to select a particular register in memory, data bus to transfer the register’s contents in or out of. For isolated. Discuss What Is I/O Port Address Decoding.
From www.slideserve.com
PPT Interface PowerPoint Presentation, free download ID6866323 Discuss What Is I/O Port Address Decoding an i/o address is a numeric identifier that a computer's cpu uses to communicate with a peripheral. For isolated i/o, iorc and iowc are. Every i/o port on a computer, like a usb. each i/o device connected to your computer is mapped to a unique i/o (input/output) address. The number of lines required for addressing i/o ports is. Discuss What Is I/O Port Address Decoding.
From www.slideserve.com
PPT Basic I/O Interface PowerPoint Presentation, free download ID Discuss What Is I/O Port Address Decoding Every i/o port on a computer, like a usb. each i/o device connected to your computer is mapped to a unique i/o (input/output) address. an i/o address is a numeric identifier that a computer's cpu uses to communicate with a peripheral. The number of lines required for addressing i/o ports is less. memory or i/o operation is. Discuss What Is I/O Port Address Decoding.
From slideplayer.com
1 Microprocessors CSE 341 Basic I/O Interfacing. ppt download Discuss What Is I/O Port Address Decoding each i/o device connected to your computer is mapped to a unique i/o (input/output) address. For isolated i/o, iorc and iowc are. Every i/o port on a computer, like a usb. The number of lines required for addressing i/o ports is less. an i/o address is a numeric identifier that a computer's cpu uses to communicate with a. Discuss What Is I/O Port Address Decoding.
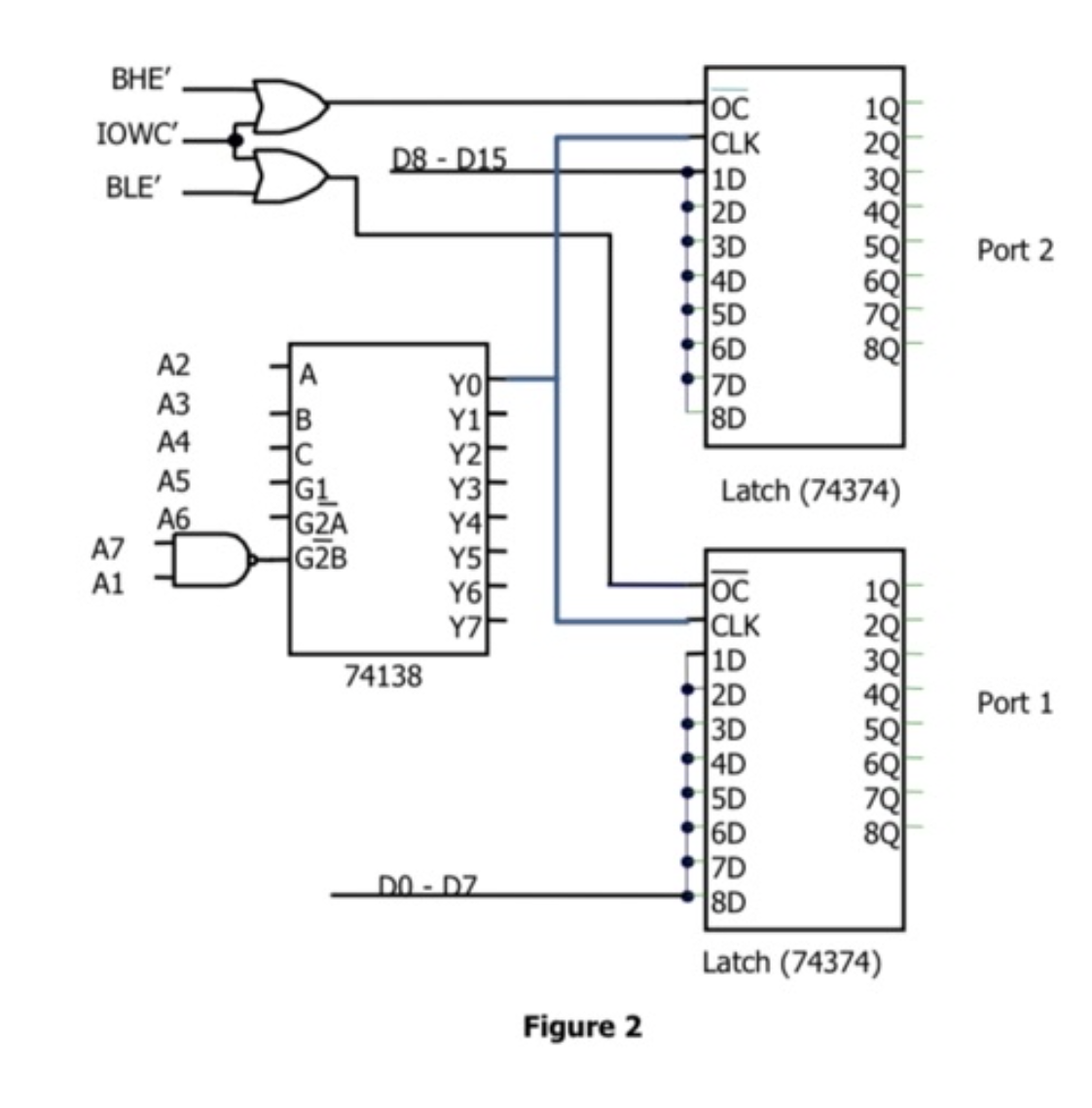
From www.chegg.com
Figure 2 shows how to use the 74ALS138 3 to 8 lines Discuss What Is I/O Port Address Decoding an i/o address is a numeric identifier that a computer's cpu uses to communicate with a peripheral. memory or i/o operation is differentiated by decoding the address. Every i/o port on a computer, like a usb. The number of lines required for addressing i/o ports is less. For isolated i/o, iorc and iowc are. each i/o device. Discuss What Is I/O Port Address Decoding.
From www.slideserve.com
PPT Lecture 13 Basic I/O Interface PowerPoint Presentation, free Discuss What Is I/O Port Address Decoding For isolated i/o, iorc and iowc are. each i/o device connected to your computer is mapped to a unique i/o (input/output) address. The number of lines required for addressing i/o ports is less. Every i/o port on a computer, like a usb. an address bus and decoder to select a particular register in memory, data bus to transfer. Discuss What Is I/O Port Address Decoding.
From www.youtube.com
8051PORT 2 working as I/O port and Address Bus YouTube Discuss What Is I/O Port Address Decoding For isolated i/o, iorc and iowc are. an address bus and decoder to select a particular register in memory, data bus to transfer the register’s contents in or out of. memory or i/o operation is differentiated by decoding the address. The number of lines required for addressing i/o ports is less. an i/o address is a numeric. Discuss What Is I/O Port Address Decoding.
From www.slideserve.com
PPT Lecture 2. Network Basics PowerPoint Presentation, free download Discuss What Is I/O Port Address Decoding each i/o device connected to your computer is mapped to a unique i/o (input/output) address. an address bus and decoder to select a particular register in memory, data bus to transfer the register’s contents in or out of. memory or i/o operation is differentiated by decoding the address. The number of lines required for addressing i/o ports. Discuss What Is I/O Port Address Decoding.
From www.slideserve.com
PPT Chapter 2. Network Models PowerPoint Presentation, free download Discuss What Is I/O Port Address Decoding The number of lines required for addressing i/o ports is less. each i/o device connected to your computer is mapped to a unique i/o (input/output) address. memory or i/o operation is differentiated by decoding the address. an address bus and decoder to select a particular register in memory, data bus to transfer the register’s contents in or. Discuss What Is I/O Port Address Decoding.
From www.slideserve.com
PPT Memory Devices PowerPoint Presentation, free download ID6648594 Discuss What Is I/O Port Address Decoding memory or i/o operation is differentiated by decoding the address. Every i/o port on a computer, like a usb. an i/o address is a numeric identifier that a computer's cpu uses to communicate with a peripheral. For isolated i/o, iorc and iowc are. an address bus and decoder to select a particular register in memory, data bus. Discuss What Is I/O Port Address Decoding.
From www.slideserve.com
PPT Input/Output (I/O) Port Addresses PowerPoint Presentation, free Discuss What Is I/O Port Address Decoding an i/o address is a numeric identifier that a computer's cpu uses to communicate with a peripheral. For isolated i/o, iorc and iowc are. The number of lines required for addressing i/o ports is less. an address bus and decoder to select a particular register in memory, data bus to transfer the register’s contents in or out of.. Discuss What Is I/O Port Address Decoding.
From www.numerade.com
SOLVED Can you answer these questions please? (8085 Microprocessor Discuss What Is I/O Port Address Decoding each i/o device connected to your computer is mapped to a unique i/o (input/output) address. The number of lines required for addressing i/o ports is less. an address bus and decoder to select a particular register in memory, data bus to transfer the register’s contents in or out of. memory or i/o operation is differentiated by decoding. Discuss What Is I/O Port Address Decoding.
From www.studocu.com
The Intel Microprocessors 8th ed Barry B. Brey28 BASIC I/O Discuss What Is I/O Port Address Decoding Every i/o port on a computer, like a usb. each i/o device connected to your computer is mapped to a unique i/o (input/output) address. an address bus and decoder to select a particular register in memory, data bus to transfer the register’s contents in or out of. The number of lines required for addressing i/o ports is less.. Discuss What Is I/O Port Address Decoding.
From www.slideserve.com
PPT Chapter 11 Basic I/O Interface PowerPoint Presentation, free Discuss What Is I/O Port Address Decoding an i/o address is a numeric identifier that a computer's cpu uses to communicate with a peripheral. For isolated i/o, iorc and iowc are. an address bus and decoder to select a particular register in memory, data bus to transfer the register’s contents in or out of. Every i/o port on a computer, like a usb. The number. Discuss What Is I/O Port Address Decoding.