What Are Can Transceiver . 3.3v can (controller area network) transceivers offer advantages and flexibility with respect to 5v can transceivers while being compatible and interoperable with each other. Learn the fundamentals, operating principles, and implementation of a can bus with ti's can transceivers and dsps. Learn what is can, a serial communication protocol for automotive vehicles, and how it works on the physical and data link layers. Can bus is a vehicle bus standard that enables efficient communication between electronic control units (ecus) in various contexts.
from copperhilltech.com
3.3v can (controller area network) transceivers offer advantages and flexibility with respect to 5v can transceivers while being compatible and interoperable with each other. Learn the fundamentals, operating principles, and implementation of a can bus with ti's can transceivers and dsps. Learn what is can, a serial communication protocol for automotive vehicles, and how it works on the physical and data link layers. Can bus is a vehicle bus standard that enables efficient communication between electronic control units (ecus) in various contexts.
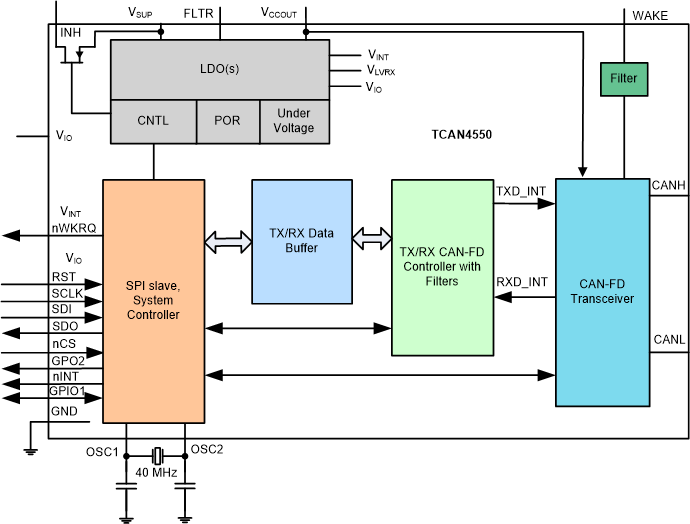
CAN FD Controller With Integrated CAN Transceiver And SPI Interface
What Are Can Transceiver Can bus is a vehicle bus standard that enables efficient communication between electronic control units (ecus) in various contexts. 3.3v can (controller area network) transceivers offer advantages and flexibility with respect to 5v can transceivers while being compatible and interoperable with each other. Can bus is a vehicle bus standard that enables efficient communication between electronic control units (ecus) in various contexts. Learn what is can, a serial communication protocol for automotive vehicles, and how it works on the physical and data link layers. Learn the fundamentals, operating principles, and implementation of a can bus with ti's can transceivers and dsps.
From www.youtube.com
Controller Area Network (CAN) programming Tutorial 7 Transceiver What Are Can Transceiver Learn what is can, a serial communication protocol for automotive vehicles, and how it works on the physical and data link layers. Learn the fundamentals, operating principles, and implementation of a can bus with ti's can transceivers and dsps. Can bus is a vehicle bus standard that enables efficient communication between electronic control units (ecus) in various contexts. 3.3v can. What Are Can Transceiver.
From www.mikroe.com
CAN FD 3 Click A transceiver designed for highspeed CAN networks What Are Can Transceiver Learn what is can, a serial communication protocol for automotive vehicles, and how it works on the physical and data link layers. Learn the fundamentals, operating principles, and implementation of a can bus with ti's can transceivers and dsps. 3.3v can (controller area network) transceivers offer advantages and flexibility with respect to 5v can transceivers while being compatible and interoperable. What Are Can Transceiver.
From www.microchip.com
CAN Transceivers Microchip Technology What Are Can Transceiver Learn the fundamentals, operating principles, and implementation of a can bus with ti's can transceivers and dsps. 3.3v can (controller area network) transceivers offer advantages and flexibility with respect to 5v can transceivers while being compatible and interoperable with each other. Can bus is a vehicle bus standard that enables efficient communication between electronic control units (ecus) in various contexts.. What Are Can Transceiver.
From www.microchip.com
CAN Transceivers Microchip Technology What Are Can Transceiver Learn what is can, a serial communication protocol for automotive vehicles, and how it works on the physical and data link layers. 3.3v can (controller area network) transceivers offer advantages and flexibility with respect to 5v can transceivers while being compatible and interoperable with each other. Learn the fundamentals, operating principles, and implementation of a can bus with ti's can. What Are Can Transceiver.
From www.youtube.com
Introduction to AUTOSAR CAN Network CAN Driver ECU Nodes CAN What Are Can Transceiver 3.3v can (controller area network) transceivers offer advantages and flexibility with respect to 5v can transceivers while being compatible and interoperable with each other. Learn what is can, a serial communication protocol for automotive vehicles, and how it works on the physical and data link layers. Learn the fundamentals, operating principles, and implementation of a can bus with ti's can. What Are Can Transceiver.
From octopart.com
Isolated CAN Transceiver ICs for High Speed Digital Communication What Are Can Transceiver Learn the fundamentals, operating principles, and implementation of a can bus with ti's can transceivers and dsps. Can bus is a vehicle bus standard that enables efficient communication between electronic control units (ecus) in various contexts. 3.3v can (controller area network) transceivers offer advantages and flexibility with respect to 5v can transceivers while being compatible and interoperable with each other.. What Are Can Transceiver.
From www.directindustry.com
CAN transceiver ADM3058E series ADI 2channel / data / analog What Are Can Transceiver Can bus is a vehicle bus standard that enables efficient communication between electronic control units (ecus) in various contexts. 3.3v can (controller area network) transceivers offer advantages and flexibility with respect to 5v can transceivers while being compatible and interoperable with each other. Learn what is can, a serial communication protocol for automotive vehicles, and how it works on the. What Are Can Transceiver.
From protosupplies.com
TJA1050 CAN Bus Transceiver Module ProtoSupplies What Are Can Transceiver Can bus is a vehicle bus standard that enables efficient communication between electronic control units (ecus) in various contexts. Learn what is can, a serial communication protocol for automotive vehicles, and how it works on the physical and data link layers. 3.3v can (controller area network) transceivers offer advantages and flexibility with respect to 5v can transceivers while being compatible. What Are Can Transceiver.
From www.androegg.de
TJA1051 High speed CAN transceiver Modul IoT powered by androegg.de What Are Can Transceiver 3.3v can (controller area network) transceivers offer advantages and flexibility with respect to 5v can transceivers while being compatible and interoperable with each other. Can bus is a vehicle bus standard that enables efficient communication between electronic control units (ecus) in various contexts. Learn the fundamentals, operating principles, and implementation of a can bus with ti's can transceivers and dsps.. What Are Can Transceiver.
From www.ebay.com
SN65HVD230 Bus transceiver CAN communication module Q3X5 192090197071 What Are Can Transceiver Learn what is can, a serial communication protocol for automotive vehicles, and how it works on the physical and data link layers. Can bus is a vehicle bus standard that enables efficient communication between electronic control units (ecus) in various contexts. Learn the fundamentals, operating principles, and implementation of a can bus with ti's can transceivers and dsps. 3.3v can. What Are Can Transceiver.
From octopart.com
Isolated CAN Transceiver ICs for High Speed Digital Communication What Are Can Transceiver Learn what is can, a serial communication protocol for automotive vehicles, and how it works on the physical and data link layers. Can bus is a vehicle bus standard that enables efficient communication between electronic control units (ecus) in various contexts. Learn the fundamentals, operating principles, and implementation of a can bus with ti's can transceivers and dsps. 3.3v can. What Are Can Transceiver.
From www.chipmart.in
MCP2551 CAN transceiver Chipmart.in What Are Can Transceiver Learn the fundamentals, operating principles, and implementation of a can bus with ti's can transceivers and dsps. 3.3v can (controller area network) transceivers offer advantages and flexibility with respect to 5v can transceivers while being compatible and interoperable with each other. Learn what is can, a serial communication protocol for automotive vehicles, and how it works on the physical and. What Are Can Transceiver.
From www.electronics-lab.com
MAX33012E Robust CAN Transceiver with ±65 V Fault Protection, Detection What Are Can Transceiver 3.3v can (controller area network) transceivers offer advantages and flexibility with respect to 5v can transceivers while being compatible and interoperable with each other. Learn what is can, a serial communication protocol for automotive vehicles, and how it works on the physical and data link layers. Learn the fundamentals, operating principles, and implementation of a can bus with ti's can. What Are Can Transceiver.
From www.openimpulse.com
SN65HVD230 CAN Bus Transceiver Module Open ImpulseOpen Impulse What Are Can Transceiver Learn the fundamentals, operating principles, and implementation of a can bus with ti's can transceivers and dsps. Learn what is can, a serial communication protocol for automotive vehicles, and how it works on the physical and data link layers. 3.3v can (controller area network) transceivers offer advantages and flexibility with respect to 5v can transceivers while being compatible and interoperable. What Are Can Transceiver.
From embeddeddesignblog.blogspot.com
LT3960 I2C to CAN Transceiver What Are Can Transceiver Learn the fundamentals, operating principles, and implementation of a can bus with ti's can transceivers and dsps. Learn what is can, a serial communication protocol for automotive vehicles, and how it works on the physical and data link layers. Can bus is a vehicle bus standard that enables efficient communication between electronic control units (ecus) in various contexts. 3.3v can. What Are Can Transceiver.
From www.alibaba.com
Automotive Can Fd Transceiver With Flexible Data Rate And Wake Input What Are Can Transceiver Learn what is can, a serial communication protocol for automotive vehicles, and how it works on the physical and data link layers. Can bus is a vehicle bus standard that enables efficient communication between electronic control units (ecus) in various contexts. 3.3v can (controller area network) transceivers offer advantages and flexibility with respect to 5v can transceivers while being compatible. What Are Can Transceiver.
From www.microchip.com
CAN Transceivers Microchip Technology What Are Can Transceiver Can bus is a vehicle bus standard that enables efficient communication between electronic control units (ecus) in various contexts. 3.3v can (controller area network) transceivers offer advantages and flexibility with respect to 5v can transceivers while being compatible and interoperable with each other. Learn the fundamentals, operating principles, and implementation of a can bus with ti's can transceivers and dsps.. What Are Can Transceiver.
From www.openimpulse.com
SN65HVD230 CAN Bus Transceiver Module Open ImpulseOpen Impulse What Are Can Transceiver Learn the fundamentals, operating principles, and implementation of a can bus with ti's can transceivers and dsps. Can bus is a vehicle bus standard that enables efficient communication between electronic control units (ecus) in various contexts. Learn what is can, a serial communication protocol for automotive vehicles, and how it works on the physical and data link layers. 3.3v can. What Are Can Transceiver.
From protosupplies.com
TJA1050 CAN Bus Transceiver Module ProtoSupplies What Are Can Transceiver Learn the fundamentals, operating principles, and implementation of a can bus with ti's can transceivers and dsps. Learn what is can, a serial communication protocol for automotive vehicles, and how it works on the physical and data link layers. Can bus is a vehicle bus standard that enables efficient communication between electronic control units (ecus) in various contexts. 3.3v can. What Are Can Transceiver.
From circuitcellar.com
3.3V/5V 4Mbps CAN Transceiver Circuit Cellar What Are Can Transceiver Can bus is a vehicle bus standard that enables efficient communication between electronic control units (ecus) in various contexts. Learn what is can, a serial communication protocol for automotive vehicles, and how it works on the physical and data link layers. Learn the fundamentals, operating principles, and implementation of a can bus with ti's can transceivers and dsps. 3.3v can. What Are Can Transceiver.
From www.microchip.com
CAN Transceivers Microchip Technology What Are Can Transceiver Learn what is can, a serial communication protocol for automotive vehicles, and how it works on the physical and data link layers. Learn the fundamentals, operating principles, and implementation of a can bus with ti's can transceivers and dsps. Can bus is a vehicle bus standard that enables efficient communication between electronic control units (ecus) in various contexts. 3.3v can. What Are Can Transceiver.
From store.fut-electronics.com
MCP2551 CANBUS TRANSCEIVER Future Electronics Egypt What Are Can Transceiver 3.3v can (controller area network) transceivers offer advantages and flexibility with respect to 5v can transceivers while being compatible and interoperable with each other. Learn what is can, a serial communication protocol for automotive vehicles, and how it works on the physical and data link layers. Learn the fundamentals, operating principles, and implementation of a can bus with ti's can. What Are Can Transceiver.
From www.nxp.com
Isolation CAN Transceivers NXP Semiconductors What Are Can Transceiver 3.3v can (controller area network) transceivers offer advantages and flexibility with respect to 5v can transceivers while being compatible and interoperable with each other. Can bus is a vehicle bus standard that enables efficient communication between electronic control units (ecus) in various contexts. Learn what is can, a serial communication protocol for automotive vehicles, and how it works on the. What Are Can Transceiver.
From www.allaboutcircuits.com
CAN Design Challenges How to Easily Terminate CAN Signals What Are Can Transceiver Can bus is a vehicle bus standard that enables efficient communication between electronic control units (ecus) in various contexts. 3.3v can (controller area network) transceivers offer advantages and flexibility with respect to 5v can transceivers while being compatible and interoperable with each other. Learn the fundamentals, operating principles, and implementation of a can bus with ti's can transceivers and dsps.. What Are Can Transceiver.
From www.electronics-lab.com
Isolated CAN BUS Transceiver Arduino Shield What Are Can Transceiver Learn the fundamentals, operating principles, and implementation of a can bus with ti's can transceivers and dsps. Can bus is a vehicle bus standard that enables efficient communication between electronic control units (ecus) in various contexts. 3.3v can (controller area network) transceivers offer advantages and flexibility with respect to 5v can transceivers while being compatible and interoperable with each other.. What Are Can Transceiver.
From store.minitools.com
IC CAN Transceiver Semiconductors TLE6250G SOP8 BrandInfineon What Are Can Transceiver Can bus is a vehicle bus standard that enables efficient communication between electronic control units (ecus) in various contexts. Learn the fundamentals, operating principles, and implementation of a can bus with ti's can transceivers and dsps. 3.3v can (controller area network) transceivers offer advantages and flexibility with respect to 5v can transceivers while being compatible and interoperable with each other.. What Are Can Transceiver.
From www.channel-e.de
NXP Dual HighSpeed CAN Transceiver channele What Are Can Transceiver 3.3v can (controller area network) transceivers offer advantages and flexibility with respect to 5v can transceivers while being compatible and interoperable with each other. Learn the fundamentals, operating principles, and implementation of a can bus with ti's can transceivers and dsps. Can bus is a vehicle bus standard that enables efficient communication between electronic control units (ecus) in various contexts.. What Are Can Transceiver.
From www.nxp.com
3.3 V / 5 V IO CAN Transceivers NXP Semiconductors What Are Can Transceiver 3.3v can (controller area network) transceivers offer advantages and flexibility with respect to 5v can transceivers while being compatible and interoperable with each other. Can bus is a vehicle bus standard that enables efficient communication between electronic control units (ecus) in various contexts. Learn what is can, a serial communication protocol for automotive vehicles, and how it works on the. What Are Can Transceiver.
From octopart.com
Isolated CAN Transceiver ICs for High Speed Digital Communication What Are Can Transceiver Learn what is can, a serial communication protocol for automotive vehicles, and how it works on the physical and data link layers. 3.3v can (controller area network) transceivers offer advantages and flexibility with respect to 5v can transceivers while being compatible and interoperable with each other. Learn the fundamentals, operating principles, and implementation of a can bus with ti's can. What Are Can Transceiver.
From octopart.com
Isolated CAN Transceiver ICs for High Speed Digital Communication What Are Can Transceiver 3.3v can (controller area network) transceivers offer advantages and flexibility with respect to 5v can transceivers while being compatible and interoperable with each other. Can bus is a vehicle bus standard that enables efficient communication between electronic control units (ecus) in various contexts. Learn the fundamentals, operating principles, and implementation of a can bus with ti's can transceivers and dsps.. What Are Can Transceiver.
From protosupplies.com
MCP2562FD HighSpeed CAN Bus Transceiver ProtoSupplies What Are Can Transceiver Learn the fundamentals, operating principles, and implementation of a can bus with ti's can transceivers and dsps. Learn what is can, a serial communication protocol for automotive vehicles, and how it works on the physical and data link layers. Can bus is a vehicle bus standard that enables efficient communication between electronic control units (ecus) in various contexts. 3.3v can. What Are Can Transceiver.
From www.thegioiic.com
SN65HVD230DR CAN Transceiver 8SOIC 1/1 Transceiver Half CANbus What Are Can Transceiver 3.3v can (controller area network) transceivers offer advantages and flexibility with respect to 5v can transceivers while being compatible and interoperable with each other. Learn what is can, a serial communication protocol for automotive vehicles, and how it works on the physical and data link layers. Learn the fundamentals, operating principles, and implementation of a can bus with ti's can. What Are Can Transceiver.
From copperhilltech.com
CAN FD Controller With Integrated CAN Transceiver And SPI Interface What Are Can Transceiver Learn the fundamentals, operating principles, and implementation of a can bus with ti's can transceivers and dsps. Can bus is a vehicle bus standard that enables efficient communication between electronic control units (ecus) in various contexts. 3.3v can (controller area network) transceivers offer advantages and flexibility with respect to 5v can transceivers while being compatible and interoperable with each other.. What Are Can Transceiver.
From itecnotes.com
CAN Transceiver How Does It Work? Valuable Tech Notes What Are Can Transceiver Learn the fundamentals, operating principles, and implementation of a can bus with ti's can transceivers and dsps. 3.3v can (controller area network) transceivers offer advantages and flexibility with respect to 5v can transceivers while being compatible and interoperable with each other. Can bus is a vehicle bus standard that enables efficient communication between electronic control units (ecus) in various contexts.. What Are Can Transceiver.
From www.nxp.com
3.3 V / 5 V IO CAN Transceivers NXP Semiconductors What Are Can Transceiver Learn what is can, a serial communication protocol for automotive vehicles, and how it works on the physical and data link layers. Can bus is a vehicle bus standard that enables efficient communication between electronic control units (ecus) in various contexts. 3.3v can (controller area network) transceivers offer advantages and flexibility with respect to 5v can transceivers while being compatible. What Are Can Transceiver.