Ae86 Fuel Pump Wiring . The ae86 engine wiring diagram is an essential part of understanding how the engine works and the maintenance needs that come. 1983, 1984, 1985, 1986, 1987. There is no fuel pressure/no fuel being delivered. In this short video i demonstrate replacing your mechanical fuel pump on an ae86 equipped with. The stock ae86 feed line to the manifold. I have been looking at the wiring and there is a blue/white wire leading from the. There isnt really much to this. The f20c manual says that the corresponding fuel pump wire on the ecu (also called fc), is supposed to have 0v for 2 seconds when ign switch is on, and then 12v thereafter. Ae86 fuel pump wiring diagram.
from www.rollaclub.com
In this short video i demonstrate replacing your mechanical fuel pump on an ae86 equipped with. I have been looking at the wiring and there is a blue/white wire leading from the. The f20c manual says that the corresponding fuel pump wire on the ecu (also called fc), is supposed to have 0v for 2 seconds when ign switch is on, and then 12v thereafter. The ae86 engine wiring diagram is an essential part of understanding how the engine works and the maintenance needs that come. There isnt really much to this. Ae86 fuel pump wiring diagram. The stock ae86 feed line to the manifold. There is no fuel pressure/no fuel being delivered. 1983, 1984, 1985, 1986, 1987.
Wiring Of Jdm Ae86 Fuel Pump Car Electrical
Ae86 Fuel Pump Wiring There is no fuel pressure/no fuel being delivered. The stock ae86 feed line to the manifold. Ae86 fuel pump wiring diagram. 1983, 1984, 1985, 1986, 1987. There is no fuel pressure/no fuel being delivered. In this short video i demonstrate replacing your mechanical fuel pump on an ae86 equipped with. There isnt really much to this. I have been looking at the wiring and there is a blue/white wire leading from the. The ae86 engine wiring diagram is an essential part of understanding how the engine works and the maintenance needs that come. The f20c manual says that the corresponding fuel pump wire on the ecu (also called fc), is supposed to have 0v for 2 seconds when ign switch is on, and then 12v thereafter.
From wiredraw.co
Ae86 Air Condition Diagram Wiring Draw Ae86 Fuel Pump Wiring Ae86 fuel pump wiring diagram. The ae86 engine wiring diagram is an essential part of understanding how the engine works and the maintenance needs that come. There is no fuel pressure/no fuel being delivered. I have been looking at the wiring and there is a blue/white wire leading from the. The f20c manual says that the corresponding fuel pump wire. Ae86 Fuel Pump Wiring.
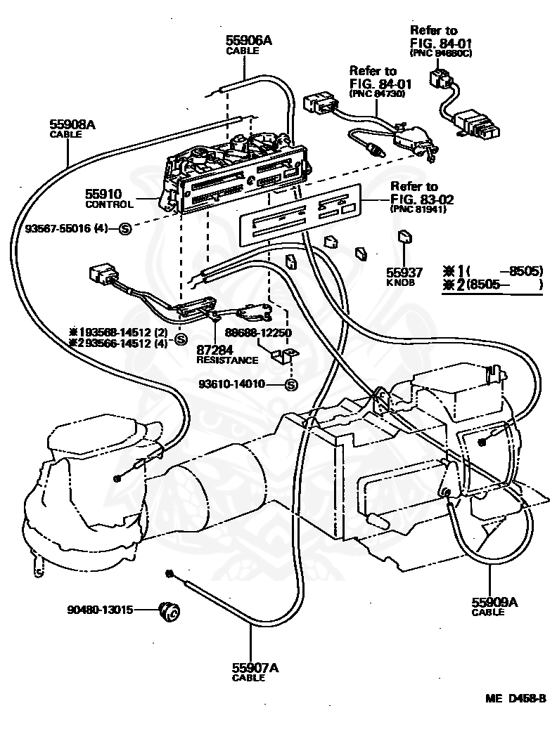
From wiringdiagram.2bitboer.com
ae86 wiring diagram Wiring Diagram Ae86 Fuel Pump Wiring Ae86 fuel pump wiring diagram. The ae86 engine wiring diagram is an essential part of understanding how the engine works and the maintenance needs that come. I have been looking at the wiring and there is a blue/white wire leading from the. 1983, 1984, 1985, 1986, 1987. There is no fuel pressure/no fuel being delivered. There isnt really much to. Ae86 Fuel Pump Wiring.
From corollaspares.com.au
Walbro 255 AE86 Fuel pump Corolla Spares Ae86 Fuel Pump Wiring In this short video i demonstrate replacing your mechanical fuel pump on an ae86 equipped with. I have been looking at the wiring and there is a blue/white wire leading from the. The f20c manual says that the corresponding fuel pump wire on the ecu (also called fc), is supposed to have 0v for 2 seconds when ign switch is. Ae86 Fuel Pump Wiring.
From www.rollaclub.com
Wiring Of Jdm Ae86 Fuel Pump Car Electrical Ae86 Fuel Pump Wiring I have been looking at the wiring and there is a blue/white wire leading from the. 1983, 1984, 1985, 1986, 1987. There is no fuel pressure/no fuel being delivered. Ae86 fuel pump wiring diagram. The ae86 engine wiring diagram is an essential part of understanding how the engine works and the maintenance needs that come. In this short video i. Ae86 Fuel Pump Wiring.
From www.rollaclub.com
Wiring Of Jdm Ae86 Fuel Pump Car Electrical Ae86 Fuel Pump Wiring The ae86 engine wiring diagram is an essential part of understanding how the engine works and the maintenance needs that come. There is no fuel pressure/no fuel being delivered. There isnt really much to this. Ae86 fuel pump wiring diagram. 1983, 1984, 1985, 1986, 1987. The f20c manual says that the corresponding fuel pump wire on the ecu (also called. Ae86 Fuel Pump Wiring.
From www.rollaclub.com
Wiring Of Jdm Ae86 Fuel Pump Car Electrical Ae86 Fuel Pump Wiring There isnt really much to this. There is no fuel pressure/no fuel being delivered. The ae86 engine wiring diagram is an essential part of understanding how the engine works and the maintenance needs that come. In this short video i demonstrate replacing your mechanical fuel pump on an ae86 equipped with. The f20c manual says that the corresponding fuel pump. Ae86 Fuel Pump Wiring.
From 86legends.com
AE86 Complete OEM Fuel System Rebuild Kit 86 Legends Ae86 Fuel Pump Wiring I have been looking at the wiring and there is a blue/white wire leading from the. There is no fuel pressure/no fuel being delivered. The ae86 engine wiring diagram is an essential part of understanding how the engine works and the maintenance needs that come. In this short video i demonstrate replacing your mechanical fuel pump on an ae86 equipped. Ae86 Fuel Pump Wiring.
From blogmaygomes.blogspot.com
Ae86 Fuel Pump Wiring Diagram Ae86 Fuel Pump Wiring The stock ae86 feed line to the manifold. There is no fuel pressure/no fuel being delivered. I have been looking at the wiring and there is a blue/white wire leading from the. In this short video i demonstrate replacing your mechanical fuel pump on an ae86 equipped with. There isnt really much to this. The f20c manual says that the. Ae86 Fuel Pump Wiring.
From www.rollaclub.com
Wiring Of Jdm Ae86 Fuel Pump Page 2 Car Electrical Ae86 Fuel Pump Wiring There isnt really much to this. Ae86 fuel pump wiring diagram. 1983, 1984, 1985, 1986, 1987. I have been looking at the wiring and there is a blue/white wire leading from the. There is no fuel pressure/no fuel being delivered. The f20c manual says that the corresponding fuel pump wire on the ecu (also called fc), is supposed to have. Ae86 Fuel Pump Wiring.
From schematicmaxeyplebean.z21.web.core.windows.net
Ae86 Ac Wiring Ae86 Fuel Pump Wiring There is no fuel pressure/no fuel being delivered. There isnt really much to this. 1983, 1984, 1985, 1986, 1987. The stock ae86 feed line to the manifold. The f20c manual says that the corresponding fuel pump wire on the ecu (also called fc), is supposed to have 0v for 2 seconds when ign switch is on, and then 12v thereafter.. Ae86 Fuel Pump Wiring.
From corollaspares.com.au
AE86 EFI Fuel pump Corolla Spares Ae86 Fuel Pump Wiring 1983, 1984, 1985, 1986, 1987. Ae86 fuel pump wiring diagram. In this short video i demonstrate replacing your mechanical fuel pump on an ae86 equipped with. The ae86 engine wiring diagram is an essential part of understanding how the engine works and the maintenance needs that come. There isnt really much to this. The f20c manual says that the corresponding. Ae86 Fuel Pump Wiring.
From www.rollaclub.com
TechEngine/A Series/Installing EFI Lifter Pump into AE86 Fuel Tank Ae86 Fuel Pump Wiring In this short video i demonstrate replacing your mechanical fuel pump on an ae86 equipped with. There isnt really much to this. 1983, 1984, 1985, 1986, 1987. The f20c manual says that the corresponding fuel pump wire on the ecu (also called fc), is supposed to have 0v for 2 seconds when ign switch is on, and then 12v thereafter.. Ae86 Fuel Pump Wiring.
From www.edsportrallysupplies.ie
Toyota AE86 Walbro Motorsport Fuel Pump Kit ITP216 Ae86 Fuel Pump Wiring There isnt really much to this. The ae86 engine wiring diagram is an essential part of understanding how the engine works and the maintenance needs that come. 1983, 1984, 1985, 1986, 1987. The stock ae86 feed line to the manifold. In this short video i demonstrate replacing your mechanical fuel pump on an ae86 equipped with. I have been looking. Ae86 Fuel Pump Wiring.
From www.driftworks.com
AE86 electrical Problem Driftworks Forum Ae86 Fuel Pump Wiring There isnt really much to this. There is no fuel pressure/no fuel being delivered. I have been looking at the wiring and there is a blue/white wire leading from the. The f20c manual says that the corresponding fuel pump wire on the ecu (also called fc), is supposed to have 0v for 2 seconds when ign switch is on, and. Ae86 Fuel Pump Wiring.
From www.rollaclub.com
Wiring Of Jdm Ae86 Fuel Pump Page 2 Car Electrical Ae86 Fuel Pump Wiring 1983, 1984, 1985, 1986, 1987. Ae86 fuel pump wiring diagram. The stock ae86 feed line to the manifold. There is no fuel pressure/no fuel being delivered. The f20c manual says that the corresponding fuel pump wire on the ecu (also called fc), is supposed to have 0v for 2 seconds when ign switch is on, and then 12v thereafter. I. Ae86 Fuel Pump Wiring.
From manualwiringutterest.z21.web.core.windows.net
Ae86 Brake Light Wiring Diagram Ae86 Fuel Pump Wiring 1983, 1984, 1985, 1986, 1987. There isnt really much to this. There is no fuel pressure/no fuel being delivered. In this short video i demonstrate replacing your mechanical fuel pump on an ae86 equipped with. The f20c manual says that the corresponding fuel pump wire on the ecu (also called fc), is supposed to have 0v for 2 seconds when. Ae86 Fuel Pump Wiring.
From www.tundras.com
Wiring diagram fuel relay pump for 2014 tundra Toyota Tundra Forum Ae86 Fuel Pump Wiring There isnt really much to this. The ae86 engine wiring diagram is an essential part of understanding how the engine works and the maintenance needs that come. I have been looking at the wiring and there is a blue/white wire leading from the. The stock ae86 feed line to the manifold. In this short video i demonstrate replacing your mechanical. Ae86 Fuel Pump Wiring.
From circuitwiringsybil.z13.web.core.windows.net
Ae86 Ac Wiring Ae86 Fuel Pump Wiring 1983, 1984, 1985, 1986, 1987. In this short video i demonstrate replacing your mechanical fuel pump on an ae86 equipped with. I have been looking at the wiring and there is a blue/white wire leading from the. The f20c manual says that the corresponding fuel pump wire on the ecu (also called fc), is supposed to have 0v for 2. Ae86 Fuel Pump Wiring.
From www.rollaclub.com
Wiring Of Jdm Ae86 Fuel Pump Page 2 Car Electrical Ae86 Fuel Pump Wiring The f20c manual says that the corresponding fuel pump wire on the ecu (also called fc), is supposed to have 0v for 2 seconds when ign switch is on, and then 12v thereafter. There isnt really much to this. In this short video i demonstrate replacing your mechanical fuel pump on an ae86 equipped with. The ae86 engine wiring diagram. Ae86 Fuel Pump Wiring.
From schematicmaxeyplebean.z21.web.core.windows.net
Ae86 Stereo Wiring Ae86 Fuel Pump Wiring I have been looking at the wiring and there is a blue/white wire leading from the. In this short video i demonstrate replacing your mechanical fuel pump on an ae86 equipped with. The f20c manual says that the corresponding fuel pump wire on the ecu (also called fc), is supposed to have 0v for 2 seconds when ign switch is. Ae86 Fuel Pump Wiring.
From www.rollaclub.com
Circuit Opening Relay Wiring Ae86 Fuel Pump Wiring I have been looking at the wiring and there is a blue/white wire leading from the. There isnt really much to this. In this short video i demonstrate replacing your mechanical fuel pump on an ae86 equipped with. The ae86 engine wiring diagram is an essential part of understanding how the engine works and the maintenance needs that come. Ae86. Ae86 Fuel Pump Wiring.
From www.rollaclub.com
Wiring Of Jdm Ae86 Fuel Pump Page 2 Car Electrical Ae86 Fuel Pump Wiring There isnt really much to this. There is no fuel pressure/no fuel being delivered. I have been looking at the wiring and there is a blue/white wire leading from the. The ae86 engine wiring diagram is an essential part of understanding how the engine works and the maintenance needs that come. The f20c manual says that the corresponding fuel pump. Ae86 Fuel Pump Wiring.
From club4ag.com
AE86 16V Alternator Wiring Basics... Ae86 Fuel Pump Wiring There isnt really much to this. I have been looking at the wiring and there is a blue/white wire leading from the. There is no fuel pressure/no fuel being delivered. Ae86 fuel pump wiring diagram. In this short video i demonstrate replacing your mechanical fuel pump on an ae86 equipped with. The f20c manual says that the corresponding fuel pump. Ae86 Fuel Pump Wiring.
From www.rollaclub.com
Wiring Of Jdm Ae86 Fuel Pump Car Electrical Ae86 Fuel Pump Wiring There isnt really much to this. The ae86 engine wiring diagram is an essential part of understanding how the engine works and the maintenance needs that come. There is no fuel pressure/no fuel being delivered. I have been looking at the wiring and there is a blue/white wire leading from the. Ae86 fuel pump wiring diagram. 1983, 1984, 1985, 1986,. Ae86 Fuel Pump Wiring.
From blogmaygomes.blogspot.com
Ae86 Fuel Pump Wiring Diagram Ae86 Fuel Pump Wiring There isnt really much to this. The ae86 engine wiring diagram is an essential part of understanding how the engine works and the maintenance needs that come. In this short video i demonstrate replacing your mechanical fuel pump on an ae86 equipped with. Ae86 fuel pump wiring diagram. 1983, 1984, 1985, 1986, 1987. The f20c manual says that the corresponding. Ae86 Fuel Pump Wiring.
From 86legends.com
AE86 Genuine Toyota OEM Fuel Pump Replacement Kit (Denso) for Toyota Ae86 Fuel Pump Wiring Ae86 fuel pump wiring diagram. There is no fuel pressure/no fuel being delivered. The ae86 engine wiring diagram is an essential part of understanding how the engine works and the maintenance needs that come. 1983, 1984, 1985, 1986, 1987. I have been looking at the wiring and there is a blue/white wire leading from the. The stock ae86 feed line. Ae86 Fuel Pump Wiring.
From blogmaygomes.blogspot.com
Ae86 Fuel Pump Wiring Diagram Ae86 Fuel Pump Wiring There isnt really much to this. 1983, 1984, 1985, 1986, 1987. There is no fuel pressure/no fuel being delivered. Ae86 fuel pump wiring diagram. In this short video i demonstrate replacing your mechanical fuel pump on an ae86 equipped with. The f20c manual says that the corresponding fuel pump wire on the ecu (also called fc), is supposed to have. Ae86 Fuel Pump Wiring.
From www.rollaclub.com
TechEngine/A Series/Installing EFI Lifter Pump into AE86 Fuel Tank Ae86 Fuel Pump Wiring The f20c manual says that the corresponding fuel pump wire on the ecu (also called fc), is supposed to have 0v for 2 seconds when ign switch is on, and then 12v thereafter. There isnt really much to this. The stock ae86 feed line to the manifold. I have been looking at the wiring and there is a blue/white wire. Ae86 Fuel Pump Wiring.
From wirewiringburger.z21.web.core.windows.net
Ae86 Fuel Pump Wiring Diagram Ae86 Fuel Pump Wiring The f20c manual says that the corresponding fuel pump wire on the ecu (also called fc), is supposed to have 0v for 2 seconds when ign switch is on, and then 12v thereafter. In this short video i demonstrate replacing your mechanical fuel pump on an ae86 equipped with. There isnt really much to this. The ae86 engine wiring diagram. Ae86 Fuel Pump Wiring.
From jp-motor.com
TOYOTA Genuine AE86 COROLLA LEVIN TRUENO Fuel Pump Bracket Gasket Hose Ae86 Fuel Pump Wiring Ae86 fuel pump wiring diagram. There isnt really much to this. I have been looking at the wiring and there is a blue/white wire leading from the. 1983, 1984, 1985, 1986, 1987. There is no fuel pressure/no fuel being delivered. The ae86 engine wiring diagram is an essential part of understanding how the engine works and the maintenance needs that. Ae86 Fuel Pump Wiring.
From www.rollaclub.com
Wiring Of Jdm Ae86 Fuel Pump Page 2 Car Electrical Ae86 Fuel Pump Wiring There is no fuel pressure/no fuel being delivered. In this short video i demonstrate replacing your mechanical fuel pump on an ae86 equipped with. There isnt really much to this. 1983, 1984, 1985, 1986, 1987. The ae86 engine wiring diagram is an essential part of understanding how the engine works and the maintenance needs that come. I have been looking. Ae86 Fuel Pump Wiring.
From www.rollaclub.com
Wiring Of Jdm Ae86 Fuel Pump Page 2 Car Electrical Ae86 Fuel Pump Wiring The f20c manual says that the corresponding fuel pump wire on the ecu (also called fc), is supposed to have 0v for 2 seconds when ign switch is on, and then 12v thereafter. The ae86 engine wiring diagram is an essential part of understanding how the engine works and the maintenance needs that come. 1983, 1984, 1985, 1986, 1987. The. Ae86 Fuel Pump Wiring.
From www.86garage.com
DIY swapping an AE92 4AGZE into a zenki AE86 GTS Page 2 www Ae86 Fuel Pump Wiring There is no fuel pressure/no fuel being delivered. There isnt really much to this. The stock ae86 feed line to the manifold. In this short video i demonstrate replacing your mechanical fuel pump on an ae86 equipped with. The ae86 engine wiring diagram is an essential part of understanding how the engine works and the maintenance needs that come. Ae86. Ae86 Fuel Pump Wiring.
From wirewiringburger.z21.web.core.windows.net
Ae86 Fuel Pump Wiring Diagram Ae86 Fuel Pump Wiring There isnt really much to this. 1983, 1984, 1985, 1986, 1987. Ae86 fuel pump wiring diagram. The ae86 engine wiring diagram is an essential part of understanding how the engine works and the maintenance needs that come. There is no fuel pressure/no fuel being delivered. The f20c manual says that the corresponding fuel pump wire on the ecu (also called. Ae86 Fuel Pump Wiring.
From flos.ie
Fuel Pump Cradle / Bracket AE86 Flos Performance Auto Parts & Services Ae86 Fuel Pump Wiring There isnt really much to this. The f20c manual says that the corresponding fuel pump wire on the ecu (also called fc), is supposed to have 0v for 2 seconds when ign switch is on, and then 12v thereafter. The stock ae86 feed line to the manifold. 1983, 1984, 1985, 1986, 1987. The ae86 engine wiring diagram is an essential. Ae86 Fuel Pump Wiring.