Cylinder Head Gaskets Volvo . The average cost to replace a head gasket is £633, although the price you pay will depend on the make, model and age of your. A head gasket is a gasket that sits between the engine block and cylinder head (s) in an internal combustion. This article will detail the diagnostic process and procedures for replacing the head gasket in the most common volvo engine. Cylinder head gaskets volvo fast and free shipping available car parts for all car makes and models the biggest brands at the best prices. The b230f engine is one of the basic four. The head gasket is a vital seal between your engine block and cylinder head, preventing leaks and keeping engine compression. The car typically runs fine for a few hundred miles after overheating, but it eventually begins to leak coolant and ultimately requires a complex head gasket replacement.
from www.marineparts.eu
This article will detail the diagnostic process and procedures for replacing the head gasket in the most common volvo engine. A head gasket is a gasket that sits between the engine block and cylinder head (s) in an internal combustion. The average cost to replace a head gasket is £633, although the price you pay will depend on the make, model and age of your. The head gasket is a vital seal between your engine block and cylinder head, preventing leaks and keeping engine compression. The b230f engine is one of the basic four. The car typically runs fine for a few hundred miles after overheating, but it eventually begins to leak coolant and ultimately requires a complex head gasket replacement. Cylinder head gaskets volvo fast and free shipping available car parts for all car makes and models the biggest brands at the best prices.
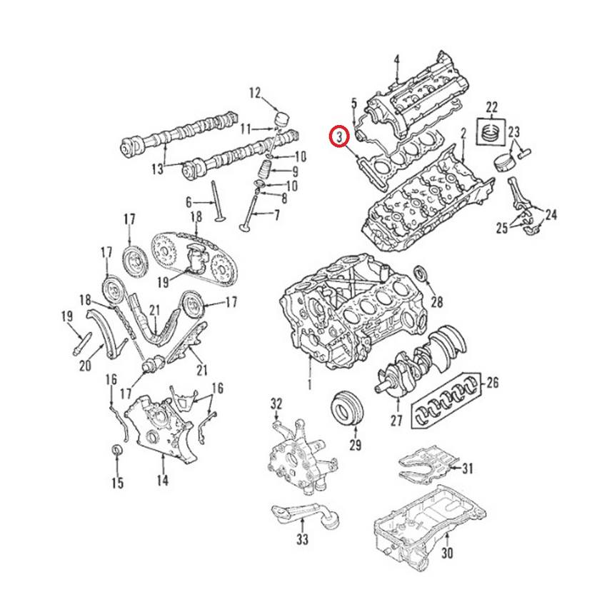
Cylinder Head Gasket for Volvo Penta diesel, marineparts.eu
Cylinder Head Gaskets Volvo The average cost to replace a head gasket is £633, although the price you pay will depend on the make, model and age of your. Cylinder head gaskets volvo fast and free shipping available car parts for all car makes and models the biggest brands at the best prices. The average cost to replace a head gasket is £633, although the price you pay will depend on the make, model and age of your. The b230f engine is one of the basic four. This article will detail the diagnostic process and procedures for replacing the head gasket in the most common volvo engine. A head gasket is a gasket that sits between the engine block and cylinder head (s) in an internal combustion. The head gasket is a vital seal between your engine block and cylinder head, preventing leaks and keeping engine compression. The car typically runs fine for a few hundred miles after overheating, but it eventually begins to leak coolant and ultimately requires a complex head gasket replacement.
From autoplicity.com
Cometic Gaskets C4288030 Volvo B18a/b18b/b18d/b20a/b20b/b20e/b20f Cylinder Head Gaskets Volvo A head gasket is a gasket that sits between the engine block and cylinder head (s) in an internal combustion. The head gasket is a vital seal between your engine block and cylinder head, preventing leaks and keeping engine compression. The average cost to replace a head gasket is £633, although the price you pay will depend on the make,. Cylinder Head Gaskets Volvo.
From www.vlvautoparts.com
Cylinder head gasket Volvo 850/ C70/ S/V70/ V70XC/ S40N/ S60/ S80/ V50 Cylinder Head Gaskets Volvo The head gasket is a vital seal between your engine block and cylinder head, preventing leaks and keeping engine compression. The car typically runs fine for a few hundred miles after overheating, but it eventually begins to leak coolant and ultimately requires a complex head gasket replacement. The b230f engine is one of the basic four. The average cost to. Cylinder Head Gaskets Volvo.
From www.marineparts.eu
Cylinder Head Gasket for Volvo Penta diesel, marineparts.eu Cylinder Head Gaskets Volvo Cylinder head gaskets volvo fast and free shipping available car parts for all car makes and models the biggest brands at the best prices. The head gasket is a vital seal between your engine block and cylinder head, preventing leaks and keeping engine compression. This article will detail the diagnostic process and procedures for replacing the head gasket in the. Cylinder Head Gaskets Volvo.
From usparts.volvocars.com
2017 Volvo S60 Engine Cylinder Head Gasket 31679515 Genuine Volvo Part Cylinder Head Gaskets Volvo The b230f engine is one of the basic four. Cylinder head gaskets volvo fast and free shipping available car parts for all car makes and models the biggest brands at the best prices. The head gasket is a vital seal between your engine block and cylinder head, preventing leaks and keeping engine compression. The average cost to replace a head. Cylinder Head Gaskets Volvo.
From www.amazon.com
5.7L, 350 CID Mercruiser, Volvo Penta, GM Marine Cylinder Cylinder Head Gaskets Volvo The car typically runs fine for a few hundred miles after overheating, but it eventually begins to leak coolant and ultimately requires a complex head gasket replacement. The b230f engine is one of the basic four. A head gasket is a gasket that sits between the engine block and cylinder head (s) in an internal combustion. The head gasket is. Cylinder Head Gaskets Volvo.
From usparts.volvocars.com
2008 Volvo Engine Cylinder Head Gasket. 5CYL TURBO. 5CYL TURBO. B5254TX Cylinder Head Gaskets Volvo The average cost to replace a head gasket is £633, although the price you pay will depend on the make, model and age of your. Cylinder head gaskets volvo fast and free shipping available car parts for all car makes and models the biggest brands at the best prices. A head gasket is a gasket that sits between the engine. Cylinder Head Gaskets Volvo.
From www.shipoutletstore.com
Cylinder head gasket Volvo Penta 3854299 Cylinder Head Gaskets Volvo The car typically runs fine for a few hundred miles after overheating, but it eventually begins to leak coolant and ultimately requires a complex head gasket replacement. The b230f engine is one of the basic four. The average cost to replace a head gasket is £633, although the price you pay will depend on the make, model and age of. Cylinder Head Gaskets Volvo.
From www.tirshop.ro
Volvo cylinder head gasket 276916 Cylinder Head Gaskets Volvo The car typically runs fine for a few hundred miles after overheating, but it eventually begins to leak coolant and ultimately requires a complex head gasket replacement. The b230f engine is one of the basic four. Cylinder head gaskets volvo fast and free shipping available car parts for all car makes and models the biggest brands at the best prices.. Cylinder Head Gaskets Volvo.
From www.tirshop.ro
Volvo cylinder head gasket 276916 Cylinder Head Gaskets Volvo The average cost to replace a head gasket is £633, although the price you pay will depend on the make, model and age of your. A head gasket is a gasket that sits between the engine block and cylinder head (s) in an internal combustion. The car typically runs fine for a few hundred miles after overheating, but it eventually. Cylinder Head Gaskets Volvo.
From www.heavydutykits.com
Cylinder Head Gasket Set Volvo D13 / Mack MP8 21097134 Cylinder Head Gaskets Volvo Cylinder head gaskets volvo fast and free shipping available car parts for all car makes and models the biggest brands at the best prices. This article will detail the diagnostic process and procedures for replacing the head gasket in the most common volvo engine. The average cost to replace a head gasket is £633, although the price you pay will. Cylinder Head Gaskets Volvo.
From www.buyautoparts.com
2006 Volvo S40 Cylinder Head Gasket Sets 2.5L Engine MFI Multi Cylinder Head Gaskets Volvo This article will detail the diagnostic process and procedures for replacing the head gasket in the most common volvo engine. The b230f engine is one of the basic four. The car typically runs fine for a few hundred miles after overheating, but it eventually begins to leak coolant and ultimately requires a complex head gasket replacement. The average cost to. Cylinder Head Gaskets Volvo.
From www.ebay.com
NEW CYLINDER HEAD GASKET FOR VOLVO S60 I 384 B 5254 T4 B 5254 T2 VICTOR Cylinder Head Gaskets Volvo The car typically runs fine for a few hundred miles after overheating, but it eventually begins to leak coolant and ultimately requires a complex head gasket replacement. Cylinder head gaskets volvo fast and free shipping available car parts for all car makes and models the biggest brands at the best prices. The average cost to replace a head gasket is. Cylinder Head Gaskets Volvo.
From www.fridayparts.com
buy Cylinder Head Gasket 205130037 21313537 for Volvo D13 Mack MP8 Engine Cylinder Head Gaskets Volvo The average cost to replace a head gasket is £633, although the price you pay will depend on the make, model and age of your. The b230f engine is one of the basic four. The head gasket is a vital seal between your engine block and cylinder head, preventing leaks and keeping engine compression. The car typically runs fine for. Cylinder Head Gaskets Volvo.
From www.buyautoparts.com
2001 Volvo S40 Cylinder Head Gasket Sets 1.9L Engine To Serial Cylinder Head Gaskets Volvo This article will detail the diagnostic process and procedures for replacing the head gasket in the most common volvo engine. The head gasket is a vital seal between your engine block and cylinder head, preventing leaks and keeping engine compression. A head gasket is a gasket that sits between the engine block and cylinder head (s) in an internal combustion.. Cylinder Head Gaskets Volvo.
From www.ebay.com
Cylinder Head Gasket Volvo850,V70 I 1,C70 I 1,S70,XC70 CROSS COUNTRY Cylinder Head Gaskets Volvo The average cost to replace a head gasket is £633, although the price you pay will depend on the make, model and age of your. Cylinder head gaskets volvo fast and free shipping available car parts for all car makes and models the biggest brands at the best prices. The head gasket is a vital seal between your engine block. Cylinder Head Gaskets Volvo.
From www.vlvautoparts.com
Cylinder head gasket Volvo all versions parts for volvos Cylinder Head Gaskets Volvo The head gasket is a vital seal between your engine block and cylinder head, preventing leaks and keeping engine compression. Cylinder head gaskets volvo fast and free shipping available car parts for all car makes and models the biggest brands at the best prices. This article will detail the diagnostic process and procedures for replacing the head gasket in the. Cylinder Head Gaskets Volvo.
From www.shipoutletstore.com
Cylinder head gasket Volvo Penta 3580309 Cylinder Head Gaskets Volvo The car typically runs fine for a few hundred miles after overheating, but it eventually begins to leak coolant and ultimately requires a complex head gasket replacement. The head gasket is a vital seal between your engine block and cylinder head, preventing leaks and keeping engine compression. This article will detail the diagnostic process and procedures for replacing the head. Cylinder Head Gaskets Volvo.
From www.cvi-automotive.se
Cylinder head gasket for Volvo B16 Engine We ship worldwide! Cylinder Head Gaskets Volvo The average cost to replace a head gasket is £633, although the price you pay will depend on the make, model and age of your. The head gasket is a vital seal between your engine block and cylinder head, preventing leaks and keeping engine compression. Cylinder head gaskets volvo fast and free shipping available car parts for all car makes. Cylinder Head Gaskets Volvo.
From www.volvopartswebstore.com
31251501 Enginecylinderheadgasket Engine Cylinder Head Gasket Cylinder Head Gaskets Volvo A head gasket is a gasket that sits between the engine block and cylinder head (s) in an internal combustion. The b230f engine is one of the basic four. The average cost to replace a head gasket is £633, although the price you pay will depend on the make, model and age of your. The car typically runs fine for. Cylinder Head Gaskets Volvo.
From www.volvowholesalepartsdirect.com
30637066 Volvo Engine Cylinder Head Gasket Volvo Wholesale Parts Cylinder Head Gaskets Volvo A head gasket is a gasket that sits between the engine block and cylinder head (s) in an internal combustion. The b230f engine is one of the basic four. This article will detail the diagnostic process and procedures for replacing the head gasket in the most common volvo engine. The average cost to replace a head gasket is £633, although. Cylinder Head Gaskets Volvo.
From www.buyautoparts.com
2002 Volvo S60 Cylinder Head Gasket Sets 2.4L Engine MFI Valve Cylinder Head Gaskets Volvo The b230f engine is one of the basic four. The average cost to replace a head gasket is £633, although the price you pay will depend on the make, model and age of your. The head gasket is a vital seal between your engine block and cylinder head, preventing leaks and keeping engine compression. This article will detail the diagnostic. Cylinder Head Gaskets Volvo.
From www.raneystruckparts.com
Volvo D12 Cylinder Head Gasket VOL3099100 Raney's Truck Parts Cylinder Head Gaskets Volvo Cylinder head gaskets volvo fast and free shipping available car parts for all car makes and models the biggest brands at the best prices. The b230f engine is one of the basic four. The head gasket is a vital seal between your engine block and cylinder head, preventing leaks and keeping engine compression. The car typically runs fine for a. Cylinder Head Gaskets Volvo.
From stricklanddieselservice.com
VOLVO D11 CYLINDER HEAD GASKET 20495935 STRICKLAND DIESEL SERVICE Cylinder Head Gaskets Volvo The car typically runs fine for a few hundred miles after overheating, but it eventually begins to leak coolant and ultimately requires a complex head gasket replacement. The b230f engine is one of the basic four. A head gasket is a gasket that sits between the engine block and cylinder head (s) in an internal combustion. The average cost to. Cylinder Head Gaskets Volvo.
From diesel-czesci.pl
VOLVO, CYLINDER HEAD GASKET / PPD20970720 Cylinder Head Gaskets Volvo The average cost to replace a head gasket is £633, although the price you pay will depend on the make, model and age of your. The head gasket is a vital seal between your engine block and cylinder head, preventing leaks and keeping engine compression. The b230f engine is one of the basic four. Cylinder head gaskets volvo fast and. Cylinder Head Gaskets Volvo.
From www.rendcarparts.com
Cylinder Head Gasket 5CYL Diesel Class 3 Volvo C30/S40/V50/C70/S60/V60 Cylinder Head Gaskets Volvo The head gasket is a vital seal between your engine block and cylinder head, preventing leaks and keeping engine compression. A head gasket is a gasket that sits between the engine block and cylinder head (s) in an internal combustion. Cylinder head gaskets volvo fast and free shipping available car parts for all car makes and models the biggest brands. Cylinder Head Gaskets Volvo.
From www.urotuning.com
Engine Cylinder Head Gasket Volvo UroTuning Cylinder Head Gaskets Volvo The car typically runs fine for a few hundred miles after overheating, but it eventually begins to leak coolant and ultimately requires a complex head gasket replacement. The b230f engine is one of the basic four. A head gasket is a gasket that sits between the engine block and cylinder head (s) in an internal combustion. This article will detail. Cylinder Head Gaskets Volvo.
From www.marineparts.eu
Cylinder Head Gasket for Volvo Penta diesel MD21, marineparts.eu Cylinder Head Gaskets Volvo The head gasket is a vital seal between your engine block and cylinder head, preventing leaks and keeping engine compression. A head gasket is a gasket that sits between the engine block and cylinder head (s) in an internal combustion. The b230f engine is one of the basic four. The average cost to replace a head gasket is £633, although. Cylinder Head Gaskets Volvo.
From www.marineparts.eu
Cylinder Head Gasket for Volvo Penta diesel, marineparts.eu Cylinder Head Gaskets Volvo This article will detail the diagnostic process and procedures for replacing the head gasket in the most common volvo engine. A head gasket is a gasket that sits between the engine block and cylinder head (s) in an internal combustion. The b230f engine is one of the basic four. The average cost to replace a head gasket is £633, although. Cylinder Head Gaskets Volvo.
From gabb-tech.com
Cylinder Head Gasket 21510072 for Volvo MP8 / D13 Cylinder Head Gaskets Volvo The car typically runs fine for a few hundred miles after overheating, but it eventually begins to leak coolant and ultimately requires a complex head gasket replacement. The average cost to replace a head gasket is £633, although the price you pay will depend on the make, model and age of your. The b230f engine is one of the basic. Cylinder Head Gaskets Volvo.
From www.asap-supplies.com
Volvo Penta Engine Cylinder Head Gasket (Volvo 3582432) Cylinder Head Gaskets Volvo The car typically runs fine for a few hundred miles after overheating, but it eventually begins to leak coolant and ultimately requires a complex head gasket replacement. The head gasket is a vital seal between your engine block and cylinder head, preventing leaks and keeping engine compression. The b230f engine is one of the basic four. This article will detail. Cylinder Head Gaskets Volvo.
From www.rendcarparts.com
Cylinder Head Gasket B4164S2/B4194T2 Volvo S40/V40, 0055520 Cylinder Head Gaskets Volvo A head gasket is a gasket that sits between the engine block and cylinder head (s) in an internal combustion. The car typically runs fine for a few hundred miles after overheating, but it eventually begins to leak coolant and ultimately requires a complex head gasket replacement. The b230f engine is one of the basic four. Cylinder head gaskets volvo. Cylinder Head Gaskets Volvo.
From eeuroparts.com
Volvo Cylinder Head Gasket Front 30720088 Genuine Volvo 30720088 Cylinder Head Gaskets Volvo The head gasket is a vital seal between your engine block and cylinder head, preventing leaks and keeping engine compression. A head gasket is a gasket that sits between the engine block and cylinder head (s) in an internal combustion. This article will detail the diagnostic process and procedures for replacing the head gasket in the most common volvo engine.. Cylinder Head Gaskets Volvo.
From usparts.volvocars.com
2001 Volvo S60 Engine Cylinder Head Gasket 9443896 Genuine Volvo Part Cylinder Head Gaskets Volvo This article will detail the diagnostic process and procedures for replacing the head gasket in the most common volvo engine. The average cost to replace a head gasket is £633, although the price you pay will depend on the make, model and age of your. A head gasket is a gasket that sits between the engine block and cylinder head. Cylinder Head Gaskets Volvo.
From www.shipoutletstore.com
Cylinder head gasket Volvo Penta 859137 Cylinder Head Gaskets Volvo The head gasket is a vital seal between your engine block and cylinder head, preventing leaks and keeping engine compression. Cylinder head gaskets volvo fast and free shipping available car parts for all car makes and models the biggest brands at the best prices. This article will detail the diagnostic process and procedures for replacing the head gasket in the. Cylinder Head Gaskets Volvo.
From www.tradevv.com
Volvo Cylinder Head Gasket kits TD60 Buy cylinder gasket, Gasket Cylinder Head Gaskets Volvo Cylinder head gaskets volvo fast and free shipping available car parts for all car makes and models the biggest brands at the best prices. The car typically runs fine for a few hundred miles after overheating, but it eventually begins to leak coolant and ultimately requires a complex head gasket replacement. This article will detail the diagnostic process and procedures. Cylinder Head Gaskets Volvo.