Wiring Kit For Splendor . Check at full left and full right steering. This wiring harness provides customers prevention from short circuits, extra load on the scooter wiring system, voltage. With this wiring kit, you can easily replace your old or damaged wiring harness and restore your bike’s electrical system to its original. A wiring harness is an organized set of wires, terminals and connectors that run throughout the entire vehicle and relay information and electric. This wiring harness is suitable for : Ppwiring harness are manufactured with the help of. A cable harness, also known as a wire harness, cable assembly, wiring assembly or wiring loom, is an assembly of cables or wires which. Throttle operation & free play adjustment cable inspection check for smooth rotation of the throttle grip from the fully open to the fully closed position.
from www.youtube.com
This wiring harness is suitable for : Ppwiring harness are manufactured with the help of. With this wiring kit, you can easily replace your old or damaged wiring harness and restore your bike’s electrical system to its original. Throttle operation & free play adjustment cable inspection check for smooth rotation of the throttle grip from the fully open to the fully closed position. Check at full left and full right steering. This wiring harness provides customers prevention from short circuits, extra load on the scooter wiring system, voltage. A cable harness, also known as a wire harness, cable assembly, wiring assembly or wiring loom, is an assembly of cables or wires which. A wiring harness is an organized set of wires, terminals and connectors that run throughout the entire vehicle and relay information and electric.
splendor wiring // how to install splendor wiring / स्प्लेंडर बाइक में
Wiring Kit For Splendor With this wiring kit, you can easily replace your old or damaged wiring harness and restore your bike’s electrical system to its original. Ppwiring harness are manufactured with the help of. This wiring harness provides customers prevention from short circuits, extra load on the scooter wiring system, voltage. A cable harness, also known as a wire harness, cable assembly, wiring assembly or wiring loom, is an assembly of cables or wires which. This wiring harness is suitable for : A wiring harness is an organized set of wires, terminals and connectors that run throughout the entire vehicle and relay information and electric. Throttle operation & free play adjustment cable inspection check for smooth rotation of the throttle grip from the fully open to the fully closed position. With this wiring kit, you can easily replace your old or damaged wiring harness and restore your bike’s electrical system to its original. Check at full left and full right steering.
From www.youtube.com
splendor wiring // how to install splendor wiring / स्प्लेंडर बाइक में Wiring Kit For Splendor A wiring harness is an organized set of wires, terminals and connectors that run throughout the entire vehicle and relay information and electric. Check at full left and full right steering. Throttle operation & free play adjustment cable inspection check for smooth rotation of the throttle grip from the fully open to the fully closed position. This wiring harness provides. Wiring Kit For Splendor.
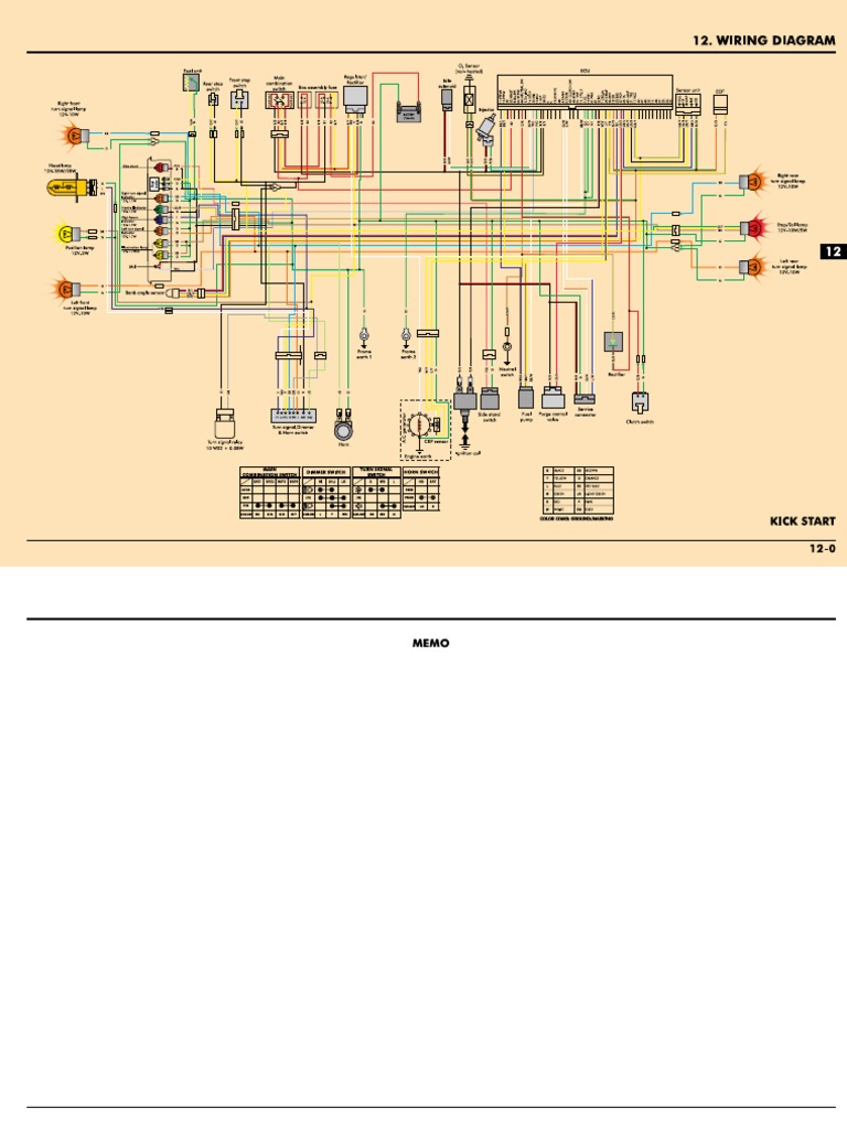
From www.scribd.com
12 Wiring Diagram Splendor PDF Wiring Kit For Splendor Throttle operation & free play adjustment cable inspection check for smooth rotation of the throttle grip from the fully open to the fully closed position. With this wiring kit, you can easily replace your old or damaged wiring harness and restore your bike’s electrical system to its original. This wiring harness provides customers prevention from short circuits, extra load on. Wiring Kit For Splendor.
From www.stxaviersschooljaipur.com
Sale > splendor wiring kit price > in stock Wiring Kit For Splendor This wiring harness is suitable for : A wiring harness is an organized set of wires, terminals and connectors that run throughout the entire vehicle and relay information and electric. This wiring harness provides customers prevention from short circuits, extra load on the scooter wiring system, voltage. A cable harness, also known as a wire harness, cable assembly, wiring assembly. Wiring Kit For Splendor.
From www.youtube.com
Splendor Wiring // Hero genuine parts vs local parts // your bike Wiring Kit For Splendor Check at full left and full right steering. A cable harness, also known as a wire harness, cable assembly, wiring assembly or wiring loom, is an assembly of cables or wires which. Throttle operation & free play adjustment cable inspection check for smooth rotation of the throttle grip from the fully open to the fully closed position. A wiring harness. Wiring Kit For Splendor.
From www.stxaviersschooljaipur.com
Sale > splendor wiring kit price > in stock Wiring Kit For Splendor A cable harness, also known as a wire harness, cable assembly, wiring assembly or wiring loom, is an assembly of cables or wires which. This wiring harness is suitable for : Throttle operation & free play adjustment cable inspection check for smooth rotation of the throttle grip from the fully open to the fully closed position. With this wiring kit,. Wiring Kit For Splendor.
From userdatagail.z21.web.core.windows.net
Hero Honda Splendor Bike Wiring Diagram Wiring Kit For Splendor Throttle operation & free play adjustment cable inspection check for smooth rotation of the throttle grip from the fully open to the fully closed position. This wiring harness provides customers prevention from short circuits, extra load on the scooter wiring system, voltage. Ppwiring harness are manufactured with the help of. This wiring harness is suitable for : Check at full. Wiring Kit For Splendor.
From www.youtube.com
hero splendor pro wiring problems YouTube Wiring Kit For Splendor This wiring harness is suitable for : A cable harness, also known as a wire harness, cable assembly, wiring assembly or wiring loom, is an assembly of cables or wires which. This wiring harness provides customers prevention from short circuits, extra load on the scooter wiring system, voltage. Check at full left and full right steering. A wiring harness is. Wiring Kit For Splendor.
From www.indiamart.com
Satpro wiring harness Hero Splendor/Spl.+, For Automotive, Model Name Wiring Kit For Splendor A wiring harness is an organized set of wires, terminals and connectors that run throughout the entire vehicle and relay information and electric. With this wiring kit, you can easily replace your old or damaged wiring harness and restore your bike’s electrical system to its original. This wiring harness is suitable for : Ppwiring harness are manufactured with the help. Wiring Kit For Splendor.
From www.indiamart.com
plastic Black wiring harness for Hero Splendor +100 ES BS4, For Wiring Kit For Splendor This wiring harness is suitable for : With this wiring kit, you can easily replace your old or damaged wiring harness and restore your bike’s electrical system to its original. A cable harness, also known as a wire harness, cable assembly, wiring assembly or wiring loom, is an assembly of cables or wires which. Ppwiring harness are manufactured with the. Wiring Kit For Splendor.
From www.youtube.com
Splendor bs6 wiring // bs6 wiring // splendor wiring // hero bs6 wiring Wiring Kit For Splendor Ppwiring harness are manufactured with the help of. A cable harness, also known as a wire harness, cable assembly, wiring assembly or wiring loom, is an assembly of cables or wires which. Throttle operation & free play adjustment cable inspection check for smooth rotation of the throttle grip from the fully open to the fully closed position. With this wiring. Wiring Kit For Splendor.
From www.safexbikes.com
COIL CDI WIRE SPLENDOR PRO (4 Pin + 2pin Wire Set) (Wiring Repair Wiring Kit For Splendor Ppwiring harness are manufactured with the help of. With this wiring kit, you can easily replace your old or damaged wiring harness and restore your bike’s electrical system to its original. A wiring harness is an organized set of wires, terminals and connectors that run throughout the entire vehicle and relay information and electric. Throttle operation & free play adjustment. Wiring Kit For Splendor.
From www.youtube.com
Splendor Plus BS4 Headlight on off switch Wiring Kit Without wire Wiring Kit For Splendor With this wiring kit, you can easily replace your old or damaged wiring harness and restore your bike’s electrical system to its original. This wiring harness is suitable for : A wiring harness is an organized set of wires, terminals and connectors that run throughout the entire vehicle and relay information and electric. A cable harness, also known as a. Wiring Kit For Splendor.
From www.indiamart.com
plastic Black wiring harness for Hero Splendor i Smart 100ES, For Wiring Kit For Splendor Throttle operation & free play adjustment cable inspection check for smooth rotation of the throttle grip from the fully open to the fully closed position. A wiring harness is an organized set of wires, terminals and connectors that run throughout the entire vehicle and relay information and electric. With this wiring kit, you can easily replace your old or damaged. Wiring Kit For Splendor.
From www.indiamart.com
Black wiring harness for Hero Splendor i Smart 110 ES i3S at Rs 1561 in Wiring Kit For Splendor With this wiring kit, you can easily replace your old or damaged wiring harness and restore your bike’s electrical system to its original. Throttle operation & free play adjustment cable inspection check for smooth rotation of the throttle grip from the fully open to the fully closed position. Check at full left and full right steering. A wiring harness is. Wiring Kit For Splendor.
From www.youtube.com
Old splendor starting coil wiring testing YouTube Wiring Kit For Splendor A cable harness, also known as a wire harness, cable assembly, wiring assembly or wiring loom, is an assembly of cables or wires which. This wiring harness provides customers prevention from short circuits, extra load on the scooter wiring system, voltage. With this wiring kit, you can easily replace your old or damaged wiring harness and restore your bike’s electrical. Wiring Kit For Splendor.
From www.youtube.com
splendor bike meter wiring kaise kare YouTube Wiring Kit For Splendor Check at full left and full right steering. A wiring harness is an organized set of wires, terminals and connectors that run throughout the entire vehicle and relay information and electric. This wiring harness provides customers prevention from short circuits, extra load on the scooter wiring system, voltage. With this wiring kit, you can easily replace your old or damaged. Wiring Kit For Splendor.
From www.youtube.com
splendor CDI ignition line wiring diagram full details स्पलेंडर सीडीआई Wiring Kit For Splendor Check at full left and full right steering. This wiring harness is suitable for : Ppwiring harness are manufactured with the help of. A cable harness, also known as a wire harness, cable assembly, wiring assembly or wiring loom, is an assembly of cables or wires which. With this wiring kit, you can easily replace your old or damaged wiring. Wiring Kit For Splendor.
From www.youtube.com
splendor plus wiring kit change kannadadalli mahiti YouTube Wiring Kit For Splendor A wiring harness is an organized set of wires, terminals and connectors that run throughout the entire vehicle and relay information and electric. Throttle operation & free play adjustment cable inspection check for smooth rotation of the throttle grip from the fully open to the fully closed position. Ppwiring harness are manufactured with the help of. Check at full left. Wiring Kit For Splendor.
From www.youtube.com
Hero honda splendor how to fit coil plate wiring. YouTube Wiring Kit For Splendor This wiring harness provides customers prevention from short circuits, extra load on the scooter wiring system, voltage. A cable harness, also known as a wire harness, cable assembly, wiring assembly or wiring loom, is an assembly of cables or wires which. Ppwiring harness are manufactured with the help of. A wiring harness is an organized set of wires, terminals and. Wiring Kit For Splendor.
From www.youtube.com
Splendor Plus Bs6 Wiring Diagram Pdf Files // Splendor Plus Bs6 Wiring Wiring Kit For Splendor With this wiring kit, you can easily replace your old or damaged wiring harness and restore your bike’s electrical system to its original. Ppwiring harness are manufactured with the help of. Throttle operation & free play adjustment cable inspection check for smooth rotation of the throttle grip from the fully open to the fully closed position. This wiring harness is. Wiring Kit For Splendor.
From eauto.co.in
Wiring Harness for Hero Splendor NXG Electric Start (2007 Model) Wiring Kit For Splendor A cable harness, also known as a wire harness, cable assembly, wiring assembly or wiring loom, is an assembly of cables or wires which. Ppwiring harness are manufactured with the help of. With this wiring kit, you can easily replace your old or damaged wiring harness and restore your bike’s electrical system to its original. A wiring harness is an. Wiring Kit For Splendor.
From www.indiamart.com
Plastic 5 Amp Splendor Wiring Harness at Rs 550 in Indore ID Wiring Kit For Splendor A cable harness, also known as a wire harness, cable assembly, wiring assembly or wiring loom, is an assembly of cables or wires which. Throttle operation & free play adjustment cable inspection check for smooth rotation of the throttle grip from the fully open to the fully closed position. Check at full left and full right steering. This wiring harness. Wiring Kit For Splendor.
From www.youtube.com
How to remove old wiring kit in splendor pro bike/motorbike tamil YouTube Wiring Kit For Splendor Check at full left and full right steering. A cable harness, also known as a wire harness, cable assembly, wiring assembly or wiring loom, is an assembly of cables or wires which. Ppwiring harness are manufactured with the help of. A wiring harness is an organized set of wires, terminals and connectors that run throughout the entire vehicle and relay. Wiring Kit For Splendor.
From www.youtube.com
Splendor plus wiring kit installing on euro 1 splendor and installing Wiring Kit For Splendor A wiring harness is an organized set of wires, terminals and connectors that run throughout the entire vehicle and relay information and electric. Ppwiring harness are manufactured with the help of. Throttle operation & free play adjustment cable inspection check for smooth rotation of the throttle grip from the fully open to the fully closed position. This wiring harness is. Wiring Kit For Splendor.
From www.youtube.com
hero honda splendor wiring kit changing. ️ YouTube Wiring Kit For Splendor Throttle operation & free play adjustment cable inspection check for smooth rotation of the throttle grip from the fully open to the fully closed position. This wiring harness is suitable for : A cable harness, also known as a wire harness, cable assembly, wiring assembly or wiring loom, is an assembly of cables or wires which. Ppwiring harness are manufactured. Wiring Kit For Splendor.
From www.stxaviersschooljaipur.com
Sale > splendor wiring kit price > in stock Wiring Kit For Splendor Check at full left and full right steering. Ppwiring harness are manufactured with the help of. This wiring harness is suitable for : A wiring harness is an organized set of wires, terminals and connectors that run throughout the entire vehicle and relay information and electric. This wiring harness provides customers prevention from short circuits, extra load on the scooter. Wiring Kit For Splendor.
From bynitty.blogspot.com
Wiring Diagram Of Hero Honda Super Splendor Wiring Kit For Splendor This wiring harness is suitable for : With this wiring kit, you can easily replace your old or damaged wiring harness and restore your bike’s electrical system to its original. A cable harness, also known as a wire harness, cable assembly, wiring assembly or wiring loom, is an assembly of cables or wires which. A wiring harness is an organized. Wiring Kit For Splendor.
From www.youtube.com
bike wiring // Hero splendor wiring // wiring // YouTube Wiring Kit For Splendor Ppwiring harness are manufactured with the help of. Throttle operation & free play adjustment cable inspection check for smooth rotation of the throttle grip from the fully open to the fully closed position. This wiring harness provides customers prevention from short circuits, extra load on the scooter wiring system, voltage. Check at full left and full right steering. A wiring. Wiring Kit For Splendor.
From www.youtube.com
Splendor plus bs6 full wiring / splendor Plus wiring / splendor plus Wiring Kit For Splendor With this wiring kit, you can easily replace your old or damaged wiring harness and restore your bike’s electrical system to its original. Throttle operation & free play adjustment cable inspection check for smooth rotation of the throttle grip from the fully open to the fully closed position. This wiring harness provides customers prevention from short circuits, extra load on. Wiring Kit For Splendor.
From indianbikesspares.com
Wiring Kit For Splendor 100 Ks(1994 M) Indian Bikes Spares Wiring Kit For Splendor With this wiring kit, you can easily replace your old or damaged wiring harness and restore your bike’s electrical system to its original. This wiring harness is suitable for : Check at full left and full right steering. A wiring harness is an organized set of wires, terminals and connectors that run throughout the entire vehicle and relay information and. Wiring Kit For Splendor.
From www.indiamart.com
plastic Black wiring harness for Hero Splendor +100 ES, For Industrial Wiring Kit For Splendor Check at full left and full right steering. This wiring harness is suitable for : Ppwiring harness are manufactured with the help of. This wiring harness provides customers prevention from short circuits, extra load on the scooter wiring system, voltage. With this wiring kit, you can easily replace your old or damaged wiring harness and restore your bike’s electrical system. Wiring Kit For Splendor.
From www.pinterest.com
15+ Hero Honda Splendor Engine Diagram Wiring Engine Diagram Wiring Kit For Splendor This wiring harness is suitable for : With this wiring kit, you can easily replace your old or damaged wiring harness and restore your bike’s electrical system to its original. Check at full left and full right steering. A cable harness, also known as a wire harness, cable assembly, wiring assembly or wiring loom, is an assembly of cables or. Wiring Kit For Splendor.
From kdautoclinic.blogspot.com
Hero splendor plus bike full wiring diagram by KD bikes restoration Wiring Kit For Splendor With this wiring kit, you can easily replace your old or damaged wiring harness and restore your bike’s electrical system to its original. Ppwiring harness are manufactured with the help of. Check at full left and full right steering. A wiring harness is an organized set of wires, terminals and connectors that run throughout the entire vehicle and relay information. Wiring Kit For Splendor.
From schematicdbackerman.z19.web.core.windows.net
Hero Honda Splendor Plus Wiring Diagram Wiring Kit For Splendor A cable harness, also known as a wire harness, cable assembly, wiring assembly or wiring loom, is an assembly of cables or wires which. This wiring harness provides customers prevention from short circuits, extra load on the scooter wiring system, voltage. Ppwiring harness are manufactured with the help of. A wiring harness is an organized set of wires, terminals and. Wiring Kit For Splendor.
From www.youtube.com
hero Splendor pro Wiring Price splendor wiring Hero bike wiring Wiring Kit For Splendor This wiring harness is suitable for : A wiring harness is an organized set of wires, terminals and connectors that run throughout the entire vehicle and relay information and electric. With this wiring kit, you can easily replace your old or damaged wiring harness and restore your bike’s electrical system to its original. Throttle operation & free play adjustment cable. Wiring Kit For Splendor.