Toyota Ignition Switch Problems . Your toyota corolla‘s ignition switch is one of the most vital items on the entire vehicle. A toyota 4runner’s ignition switch may not turn due to a faulty ignition cylinder, an obstructed key, or a malfunctioning steering wheel lock. This occurs when the switch fails to send the correct signal to. Common reasons the ignition key won't turn include attempting to use a key for a different vehicle, or a locked steering wheel. If it fails, the entire vehicle won’t be. Dealing with a stuck key in the ignition of your toyota rav4 can be frustrating, but understanding the potential causes and how to. Common fixes include lubricating the lock, checking the key for damage, or replacing the ignition cylinder. If your toyota corolla ignition is stuck, locked, or the key won’t turn on, check if the steering wheel is locked, make sure you are in your parking mode, disconnect the power to the starter solenoid, and check the ignition system. Turn the key to on and look for. Issues with different parts of the car can lead to such problems. One common cause of ignition problems in a toyota prius is a faulty ignition switch.
from www.med.tu.ac.th
Your toyota corolla‘s ignition switch is one of the most vital items on the entire vehicle. If your toyota corolla ignition is stuck, locked, or the key won’t turn on, check if the steering wheel is locked, make sure you are in your parking mode, disconnect the power to the starter solenoid, and check the ignition system. Dealing with a stuck key in the ignition of your toyota rav4 can be frustrating, but understanding the potential causes and how to. Turn the key to on and look for. A toyota 4runner’s ignition switch may not turn due to a faulty ignition cylinder, an obstructed key, or a malfunctioning steering wheel lock. One common cause of ignition problems in a toyota prius is a faulty ignition switch. Common reasons the ignition key won't turn include attempting to use a key for a different vehicle, or a locked steering wheel. Common fixes include lubricating the lock, checking the key for damage, or replacing the ignition cylinder. This occurs when the switch fails to send the correct signal to. If it fails, the entire vehicle won’t be.
Ignition Switch Problems Signs, Causes, What To Do In The
Toyota Ignition Switch Problems Common fixes include lubricating the lock, checking the key for damage, or replacing the ignition cylinder. Common reasons the ignition key won't turn include attempting to use a key for a different vehicle, or a locked steering wheel. Common fixes include lubricating the lock, checking the key for damage, or replacing the ignition cylinder. This occurs when the switch fails to send the correct signal to. Your toyota corolla‘s ignition switch is one of the most vital items on the entire vehicle. If it fails, the entire vehicle won’t be. Issues with different parts of the car can lead to such problems. Dealing with a stuck key in the ignition of your toyota rav4 can be frustrating, but understanding the potential causes and how to. A toyota 4runner’s ignition switch may not turn due to a faulty ignition cylinder, an obstructed key, or a malfunctioning steering wheel lock. If your toyota corolla ignition is stuck, locked, or the key won’t turn on, check if the steering wheel is locked, make sure you are in your parking mode, disconnect the power to the starter solenoid, and check the ignition system. One common cause of ignition problems in a toyota prius is a faulty ignition switch. Turn the key to on and look for.
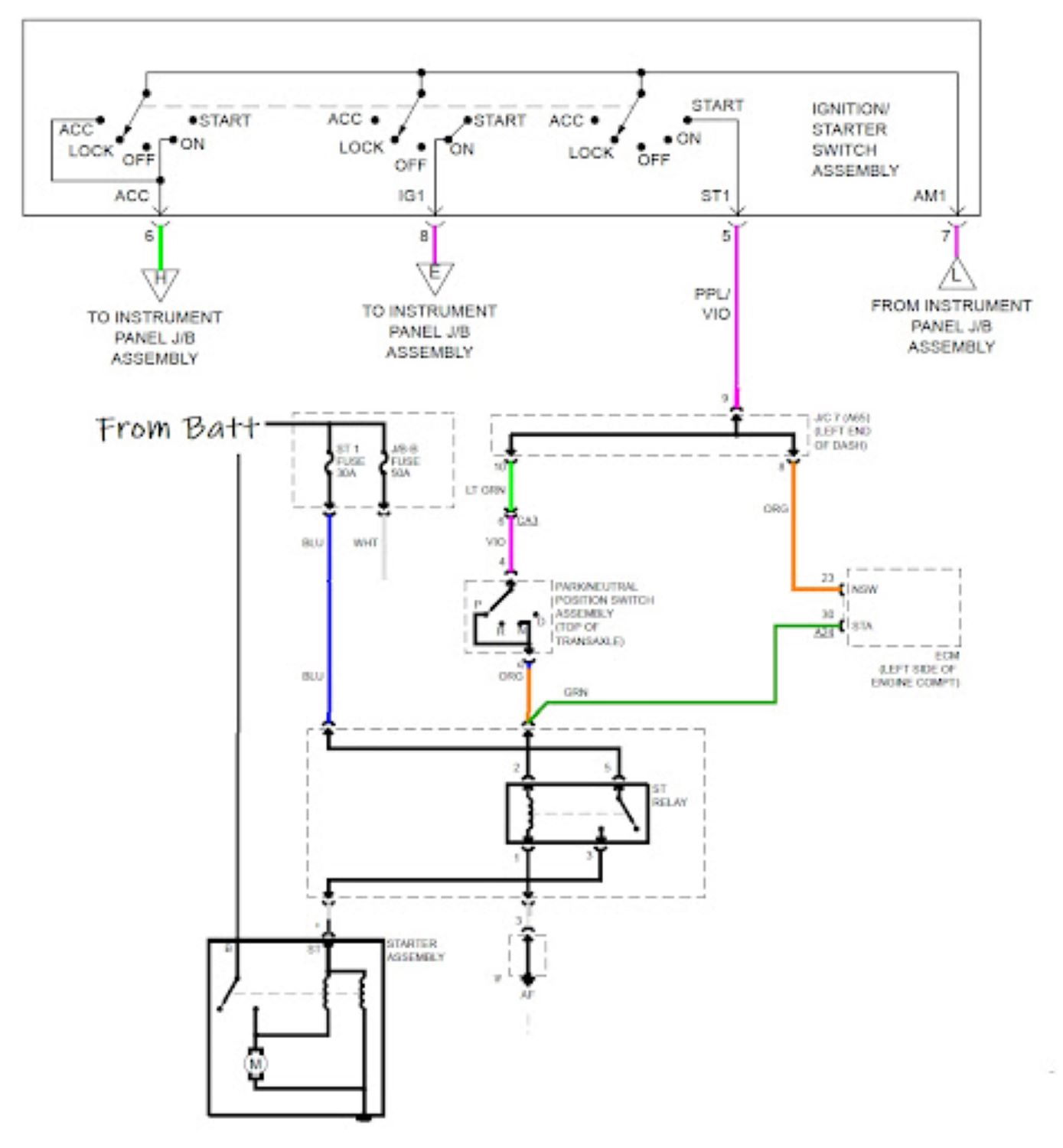
From www.wiringcore.com
4 terminal ignition switch wiring for generator wire color » Wiring Core Toyota Ignition Switch Problems Turn the key to on and look for. If it fails, the entire vehicle won’t be. Common reasons the ignition key won't turn include attempting to use a key for a different vehicle, or a locked steering wheel. Common fixes include lubricating the lock, checking the key for damage, or replacing the ignition cylinder. Issues with different parts of the. Toyota Ignition Switch Problems.
From www.youtube.com
SYMPTOMS OF A BAD IGNITION SWITCH YouTube Toyota Ignition Switch Problems Issues with different parts of the car can lead to such problems. One common cause of ignition problems in a toyota prius is a faulty ignition switch. This occurs when the switch fails to send the correct signal to. If your toyota corolla ignition is stuck, locked, or the key won’t turn on, check if the steering wheel is locked,. Toyota Ignition Switch Problems.
From www.dubizzle.com
Common Ignition Switch Problems and their Solutions Toyota Ignition Switch Problems Your toyota corolla‘s ignition switch is one of the most vital items on the entire vehicle. This occurs when the switch fails to send the correct signal to. If your toyota corolla ignition is stuck, locked, or the key won’t turn on, check if the steering wheel is locked, make sure you are in your parking mode, disconnect the power. Toyota Ignition Switch Problems.
From guidelistnagel.z1.web.core.windows.net
Toyota Ignition Switch Problems Toyota Ignition Switch Problems One common cause of ignition problems in a toyota prius is a faulty ignition switch. Turn the key to on and look for. This occurs when the switch fails to send the correct signal to. A toyota 4runner’s ignition switch may not turn due to a faulty ignition cylinder, an obstructed key, or a malfunctioning steering wheel lock. If your. Toyota Ignition Switch Problems.
From www.ebay.com
Toyota Ignition Switch 575102300071 eBay Toyota Ignition Switch Problems Common reasons the ignition key won't turn include attempting to use a key for a different vehicle, or a locked steering wheel. Your toyota corolla‘s ignition switch is one of the most vital items on the entire vehicle. This occurs when the switch fails to send the correct signal to. If it fails, the entire vehicle won’t be. Issues with. Toyota Ignition Switch Problems.
From wiring.hpricorpcom.com
Toyota Ignition Switch Wiring Diagram Wiring Diagram and Schematic Toyota Ignition Switch Problems Dealing with a stuck key in the ignition of your toyota rav4 can be frustrating, but understanding the potential causes and how to. If it fails, the entire vehicle won’t be. Turn the key to on and look for. A toyota 4runner’s ignition switch may not turn due to a faulty ignition cylinder, an obstructed key, or a malfunctioning steering. Toyota Ignition Switch Problems.
From www.carparts.com
Ignition Switch Problems Signs, Causes, What to Do In The Garage Toyota Ignition Switch Problems Turn the key to on and look for. Dealing with a stuck key in the ignition of your toyota rav4 can be frustrating, but understanding the potential causes and how to. Common reasons the ignition key won't turn include attempting to use a key for a different vehicle, or a locked steering wheel. This occurs when the switch fails to. Toyota Ignition Switch Problems.
From www.ebay.com
575102300071 TOYOTA 7FG1045 8FG1030 IGNITION SWITCH CLARK 448737 eBay Toyota Ignition Switch Problems Common fixes include lubricating the lock, checking the key for damage, or replacing the ignition cylinder. If it fails, the entire vehicle won’t be. This occurs when the switch fails to send the correct signal to. Common reasons the ignition key won't turn include attempting to use a key for a different vehicle, or a locked steering wheel. If your. Toyota Ignition Switch Problems.
From infinitecarsinsight.com
Comprehensive Guide to Toyota Ignition Switch Replacement Successful Toyota Ignition Switch Problems Dealing with a stuck key in the ignition of your toyota rav4 can be frustrating, but understanding the potential causes and how to. This occurs when the switch fails to send the correct signal to. One common cause of ignition problems in a toyota prius is a faulty ignition switch. Issues with different parts of the car can lead to. Toyota Ignition Switch Problems.
From www.med.tu.ac.th
Ignition Switch Problems Signs, Causes, What To Do In The Toyota Ignition Switch Problems Dealing with a stuck key in the ignition of your toyota rav4 can be frustrating, but understanding the potential causes and how to. Turn the key to on and look for. One common cause of ignition problems in a toyota prius is a faulty ignition switch. Common reasons the ignition key won't turn include attempting to use a key for. Toyota Ignition Switch Problems.
From www.youtube.com
Toyota Ignition Key Problem Key Won't Turn YouTube Toyota Ignition Switch Problems One common cause of ignition problems in a toyota prius is a faulty ignition switch. Your toyota corolla‘s ignition switch is one of the most vital items on the entire vehicle. If your toyota corolla ignition is stuck, locked, or the key won’t turn on, check if the steering wheel is locked, make sure you are in your parking mode,. Toyota Ignition Switch Problems.
From usermanualrhabdoms.z21.web.core.windows.net
Toyota Ignition Switch Problems Toyota Ignition Switch Problems Issues with different parts of the car can lead to such problems. One common cause of ignition problems in a toyota prius is a faulty ignition switch. Dealing with a stuck key in the ignition of your toyota rav4 can be frustrating, but understanding the potential causes and how to. Turn the key to on and look for. Common reasons. Toyota Ignition Switch Problems.
From userwiringsubreption.z13.web.core.windows.net
Toyota Ignition Switch Problems Toyota Ignition Switch Problems Issues with different parts of the car can lead to such problems. Common reasons the ignition key won't turn include attempting to use a key for a different vehicle, or a locked steering wheel. Dealing with a stuck key in the ignition of your toyota rav4 can be frustrating, but understanding the potential causes and how to. This occurs when. Toyota Ignition Switch Problems.
From www.liveabout.com
5 Ignition Switch Problems and How to Fix Them Toyota Ignition Switch Problems Your toyota corolla‘s ignition switch is one of the most vital items on the entire vehicle. Turn the key to on and look for. If your toyota corolla ignition is stuck, locked, or the key won’t turn on, check if the steering wheel is locked, make sure you are in your parking mode, disconnect the power to the starter solenoid,. Toyota Ignition Switch Problems.
From problemsofcar.com
1998 Toyota Ignition Switch Problem Problems Of Cars Toyota Ignition Switch Problems Common reasons the ignition key won't turn include attempting to use a key for a different vehicle, or a locked steering wheel. If it fails, the entire vehicle won’t be. Common fixes include lubricating the lock, checking the key for damage, or replacing the ignition cylinder. Turn the key to on and look for. If your toyota corolla ignition is. Toyota Ignition Switch Problems.
From wiring.hpricorpcom.com
Toyota Ignition Switch Wiring Diagram Wiring Diagram and Schematic Toyota Ignition Switch Problems A toyota 4runner’s ignition switch may not turn due to a faulty ignition cylinder, an obstructed key, or a malfunctioning steering wheel lock. If your toyota corolla ignition is stuck, locked, or the key won’t turn on, check if the steering wheel is locked, make sure you are in your parking mode, disconnect the power to the starter solenoid, and. Toyota Ignition Switch Problems.
From homewiringdiagram.blogspot.com
Toyota Corolla Ignition Switch Wiring Diagram Home Wiring Diagram Toyota Ignition Switch Problems If it fails, the entire vehicle won’t be. Common reasons the ignition key won't turn include attempting to use a key for a different vehicle, or a locked steering wheel. Your toyota corolla‘s ignition switch is one of the most vital items on the entire vehicle. Common fixes include lubricating the lock, checking the key for damage, or replacing the. Toyota Ignition Switch Problems.
From moowiring.com
Toyota Ignition Switch Wiring Diagram Moo Wiring Toyota Ignition Switch Problems If it fails, the entire vehicle won’t be. Turn the key to on and look for. This occurs when the switch fails to send the correct signal to. One common cause of ignition problems in a toyota prius is a faulty ignition switch. Common reasons the ignition key won't turn include attempting to use a key for a different vehicle,. Toyota Ignition Switch Problems.
From www.carpages.ca
How to Bypass the Ignition Switch to Start Your Car Carpages Blog Toyota Ignition Switch Problems One common cause of ignition problems in a toyota prius is a faulty ignition switch. Your toyota corolla‘s ignition switch is one of the most vital items on the entire vehicle. If your toyota corolla ignition is stuck, locked, or the key won’t turn on, check if the steering wheel is locked, make sure you are in your parking mode,. Toyota Ignition Switch Problems.
From wirelibbelford.z5.web.core.windows.net
Toyota Ignition Switch Wiring Diagram Toyota Ignition Switch Problems Common fixes include lubricating the lock, checking the key for damage, or replacing the ignition cylinder. If it fails, the entire vehicle won’t be. If your toyota corolla ignition is stuck, locked, or the key won’t turn on, check if the steering wheel is locked, make sure you are in your parking mode, disconnect the power to the starter solenoid,. Toyota Ignition Switch Problems.
From www.youtube.com
Removing and replacing Toyota ignition barrel YouTube Toyota Ignition Switch Problems Common fixes include lubricating the lock, checking the key for damage, or replacing the ignition cylinder. If it fails, the entire vehicle won’t be. Dealing with a stuck key in the ignition of your toyota rav4 can be frustrating, but understanding the potential causes and how to. If your toyota corolla ignition is stuck, locked, or the key won’t turn. Toyota Ignition Switch Problems.
From www.liveabout.com
5 Ignition Switch Problems and How to Fix Them Toyota Ignition Switch Problems If your toyota corolla ignition is stuck, locked, or the key won’t turn on, check if the steering wheel is locked, make sure you are in your parking mode, disconnect the power to the starter solenoid, and check the ignition system. This occurs when the switch fails to send the correct signal to. Common fixes include lubricating the lock, checking. Toyota Ignition Switch Problems.
From prosteeringcolumn.com
20002006 Toyota Tundra Ignition Lock Cylinder New Genuine O Toyota Ignition Switch Problems Your toyota corolla‘s ignition switch is one of the most vital items on the entire vehicle. Dealing with a stuck key in the ignition of your toyota rav4 can be frustrating, but understanding the potential causes and how to. If it fails, the entire vehicle won’t be. Common fixes include lubricating the lock, checking the key for damage, or replacing. Toyota Ignition Switch Problems.
From www.youtube.com
Toyota Ignition Lock Cylinder Repair by Dorman Products YouTube Toyota Ignition Switch Problems Your toyota corolla‘s ignition switch is one of the most vital items on the entire vehicle. If it fails, the entire vehicle won’t be. If your toyota corolla ignition is stuck, locked, or the key won’t turn on, check if the steering wheel is locked, make sure you are in your parking mode, disconnect the power to the starter solenoid,. Toyota Ignition Switch Problems.
From guidepartversify.z21.web.core.windows.net
Toyota Ignition Switch Problems Toyota Ignition Switch Problems Common fixes include lubricating the lock, checking the key for damage, or replacing the ignition cylinder. Turn the key to on and look for. If your toyota corolla ignition is stuck, locked, or the key won’t turn on, check if the steering wheel is locked, make sure you are in your parking mode, disconnect the power to the starter solenoid,. Toyota Ignition Switch Problems.
From apurugby.club
Ignition switch problems chevy truck Auto Club Toyota Ignition Switch Problems Turn the key to on and look for. One common cause of ignition problems in a toyota prius is a faulty ignition switch. Common reasons the ignition key won't turn include attempting to use a key for a different vehicle, or a locked steering wheel. If it fails, the entire vehicle won’t be. This occurs when the switch fails to. Toyota Ignition Switch Problems.
From guidemanualsynge.z21.web.core.windows.net
Toyota Avalon 2002 Ignition Switch Assembly Toyota Ignition Switch Problems Your toyota corolla‘s ignition switch is one of the most vital items on the entire vehicle. Common fixes include lubricating the lock, checking the key for damage, or replacing the ignition cylinder. Issues with different parts of the car can lead to such problems. Turn the key to on and look for. Dealing with a stuck key in the ignition. Toyota Ignition Switch Problems.
From wirelistfantasias.z14.web.core.windows.net
Ignition Switch 1988 Toyota Pickup Toyota Ignition Switch Problems One common cause of ignition problems in a toyota prius is a faulty ignition switch. This occurs when the switch fails to send the correct signal to. Issues with different parts of the car can lead to such problems. Common fixes include lubricating the lock, checking the key for damage, or replacing the ignition cylinder. If your toyota corolla ignition. Toyota Ignition Switch Problems.
From www.4runners.com
Ignition system issue Toyota 4Runner Forum Toyota Ignition Switch Problems If your toyota corolla ignition is stuck, locked, or the key won’t turn on, check if the steering wheel is locked, make sure you are in your parking mode, disconnect the power to the starter solenoid, and check the ignition system. Turn the key to on and look for. Your toyota corolla‘s ignition switch is one of the most vital. Toyota Ignition Switch Problems.
From www.med.tu.ac.th
2008 Toyota Ignition Switch Problems med.tu.ac.th Toyota Ignition Switch Problems A toyota 4runner’s ignition switch may not turn due to a faulty ignition cylinder, an obstructed key, or a malfunctioning steering wheel lock. This occurs when the switch fails to send the correct signal to. Turn the key to on and look for. Dealing with a stuck key in the ignition of your toyota rav4 can be frustrating, but understanding. Toyota Ignition Switch Problems.
From www.partsnext.com
Toyota 6905760211 CYLINDER & KEY SET, IGNITION SWITCH LOCK Toyota Ignition Switch Problems If it fails, the entire vehicle won’t be. Common fixes include lubricating the lock, checking the key for damage, or replacing the ignition cylinder. Issues with different parts of the car can lead to such problems. Your toyota corolla‘s ignition switch is one of the most vital items on the entire vehicle. A toyota 4runner’s ignition switch may not turn. Toyota Ignition Switch Problems.
From toyotask.com
How To Test The Ignition Switch In A 1987 Toyota Camry Toyota Ask Toyota Ignition Switch Problems A toyota 4runner’s ignition switch may not turn due to a faulty ignition cylinder, an obstructed key, or a malfunctioning steering wheel lock. This occurs when the switch fails to send the correct signal to. Issues with different parts of the car can lead to such problems. Your toyota corolla‘s ignition switch is one of the most vital items on. Toyota Ignition Switch Problems.
From www.tundras.com
Ignition Switch Wiring help Toyota Tundra Forum Toyota Ignition Switch Problems If your toyota corolla ignition is stuck, locked, or the key won’t turn on, check if the steering wheel is locked, make sure you are in your parking mode, disconnect the power to the starter solenoid, and check the ignition system. If it fails, the entire vehicle won’t be. Turn the key to on and look for. One common cause. Toyota Ignition Switch Problems.
From www.diagramboard.com
1989 Toyota Pickup Ignition Switch Wiring Diagram » Diagram Board Toyota Ignition Switch Problems Issues with different parts of the car can lead to such problems. Common fixes include lubricating the lock, checking the key for damage, or replacing the ignition cylinder. Dealing with a stuck key in the ignition of your toyota rav4 can be frustrating, but understanding the potential causes and how to. If your toyota corolla ignition is stuck, locked, or. Toyota Ignition Switch Problems.
From www.autolinkparts.com.au
IGNITION SWITCH FOR TOYOTA HILUX LN106 LN107 LN111 LN130 8/1988 7/ Toyota Ignition Switch Problems A toyota 4runner’s ignition switch may not turn due to a faulty ignition cylinder, an obstructed key, or a malfunctioning steering wheel lock. If your toyota corolla ignition is stuck, locked, or the key won’t turn on, check if the steering wheel is locked, make sure you are in your parking mode, disconnect the power to the starter solenoid, and. Toyota Ignition Switch Problems.