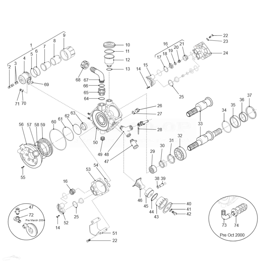
Silvan Diaphragm Pump Parts . silvan high capacity 12v pump 20l/min open flow. • all warranty repairs on silvan products are carried out by silvan dealers. our service kits have everything you need to service your pump or control valve in one convenient package, making regular. If any warranty repairs are. Aquatec pumps are made of the highest quality and are exclusive to silvan. explore product parts diagrams for silvan's sprayers, agripower farm equipment, and selecta products, detailing names and.
from www.grays.com
Aquatec pumps are made of the highest quality and are exclusive to silvan. our service kits have everything you need to service your pump or control valve in one convenient package, making regular. • all warranty repairs on silvan products are carried out by silvan dealers. explore product parts diagrams for silvan's sprayers, agripower farm equipment, and selecta products, detailing names and. silvan high capacity 12v pump 20l/min open flow. If any warranty repairs are.
Silvan BP60 Diaphragm pump. Pto driven condition unknown. Parts only
Silvan Diaphragm Pump Parts silvan high capacity 12v pump 20l/min open flow. If any warranty repairs are. Aquatec pumps are made of the highest quality and are exclusive to silvan. explore product parts diagrams for silvan's sprayers, agripower farm equipment, and selecta products, detailing names and. silvan high capacity 12v pump 20l/min open flow. our service kits have everything you need to service your pump or control valve in one convenient package, making regular. • all warranty repairs on silvan products are carried out by silvan dealers.
From www.theco-op.com.au
Silvan BP105/20 Diaphragm Pump Replacement Spare Parts Silvan Diaphragm Pump Parts silvan high capacity 12v pump 20l/min open flow. explore product parts diagrams for silvan's sprayers, agripower farm equipment, and selecta products, detailing names and. • all warranty repairs on silvan products are carried out by silvan dealers. Aquatec pumps are made of the highest quality and are exclusive to silvan. our service kits have everything you. Silvan Diaphragm Pump Parts.
From www.theco-op.com.au
Silvan Diaphragm pump spare parts / Comet Diaphragm pump spare parts Silvan Diaphragm Pump Parts Aquatec pumps are made of the highest quality and are exclusive to silvan. explore product parts diagrams for silvan's sprayers, agripower farm equipment, and selecta products, detailing names and. If any warranty repairs are. our service kits have everything you need to service your pump or control valve in one convenient package, making regular. silvan high capacity. Silvan Diaphragm Pump Parts.
From www.theco-op.com.au
Silvan Diaphragm Pump Spare Parts Lists — THE COOP Silvan Diaphragm Pump Parts silvan high capacity 12v pump 20l/min open flow. • all warranty repairs on silvan products are carried out by silvan dealers. Aquatec pumps are made of the highest quality and are exclusive to silvan. If any warranty repairs are. our service kits have everything you need to service your pump or control valve in one convenient package,. Silvan Diaphragm Pump Parts.
From www.theco-op.com.au
Silvan Diaphragm pump spare parts / Comet Diaphragm pump spare parts Silvan Diaphragm Pump Parts Aquatec pumps are made of the highest quality and are exclusive to silvan. • all warranty repairs on silvan products are carried out by silvan dealers. If any warranty repairs are. explore product parts diagrams for silvan's sprayers, agripower farm equipment, and selecta products, detailing names and. silvan high capacity 12v pump 20l/min open flow. our. Silvan Diaphragm Pump Parts.
From www.theco-op.com.au
Silvan Diaphragm pump spare parts / Comet Diaphragm pump spare parts Silvan Diaphragm Pump Parts explore product parts diagrams for silvan's sprayers, agripower farm equipment, and selecta products, detailing names and. • all warranty repairs on silvan products are carried out by silvan dealers. silvan high capacity 12v pump 20l/min open flow. If any warranty repairs are. our service kits have everything you need to service your pump or control valve. Silvan Diaphragm Pump Parts.
From www.theco-op.com.au
Silvan Diaphragm pump spare parts / Comet Diaphragm pump spare parts Silvan Diaphragm Pump Parts our service kits have everything you need to service your pump or control valve in one convenient package, making regular. If any warranty repairs are. Aquatec pumps are made of the highest quality and are exclusive to silvan. explore product parts diagrams for silvan's sprayers, agripower farm equipment, and selecta products, detailing names and. silvan high capacity. Silvan Diaphragm Pump Parts.
From www.theco-op.com.au
Silvan Diaphragm pump spare parts / Comet Diaphragm pump spare parts Silvan Diaphragm Pump Parts If any warranty repairs are. • all warranty repairs on silvan products are carried out by silvan dealers. explore product parts diagrams for silvan's sprayers, agripower farm equipment, and selecta products, detailing names and. our service kits have everything you need to service your pump or control valve in one convenient package, making regular. Aquatec pumps are. Silvan Diaphragm Pump Parts.
From www.theco-op.com.au
Silvan Diaphragm pump spare parts / Comet Diaphragm pump spare parts Silvan Diaphragm Pump Parts If any warranty repairs are. • all warranty repairs on silvan products are carried out by silvan dealers. explore product parts diagrams for silvan's sprayers, agripower farm equipment, and selecta products, detailing names and. our service kits have everything you need to service your pump or control valve in one convenient package, making regular. Aquatec pumps are. Silvan Diaphragm Pump Parts.
From www.grays.com
Silvan BP60 Diaphragm pump. Pto driven condition unknown. Parts only Silvan Diaphragm Pump Parts our service kits have everything you need to service your pump or control valve in one convenient package, making regular. • all warranty repairs on silvan products are carried out by silvan dealers. silvan high capacity 12v pump 20l/min open flow. explore product parts diagrams for silvan's sprayers, agripower farm equipment, and selecta products, detailing names. Silvan Diaphragm Pump Parts.
From www.theco-op.com.au
Silvan Diaphragm pump spare parts / Comet Diaphragm pump spare parts Silvan Diaphragm Pump Parts explore product parts diagrams for silvan's sprayers, agripower farm equipment, and selecta products, detailing names and. • all warranty repairs on silvan products are carried out by silvan dealers. Aquatec pumps are made of the highest quality and are exclusive to silvan. silvan high capacity 12v pump 20l/min open flow. our service kits have everything you. Silvan Diaphragm Pump Parts.
From www.theco-op.com.au
Silvan Diaphragm pump spare parts / Comet Diaphragm pump spare parts Silvan Diaphragm Pump Parts silvan high capacity 12v pump 20l/min open flow. If any warranty repairs are. explore product parts diagrams for silvan's sprayers, agripower farm equipment, and selecta products, detailing names and. our service kits have everything you need to service your pump or control valve in one convenient package, making regular. Aquatec pumps are made of the highest quality. Silvan Diaphragm Pump Parts.
From www.theco-op.com.au
Silvan Diaphragm pump spare parts / Comet Diaphragm pump spare parts Silvan Diaphragm Pump Parts explore product parts diagrams for silvan's sprayers, agripower farm equipment, and selecta products, detailing names and. our service kits have everything you need to service your pump or control valve in one convenient package, making regular. Aquatec pumps are made of the highest quality and are exclusive to silvan. silvan high capacity 12v pump 20l/min open flow.. Silvan Diaphragm Pump Parts.
From www.theco-op.com.au
Silvan BP Series Pump Suction DiaphragmPulsator C180017 suits Bp P Silvan Diaphragm Pump Parts Aquatec pumps are made of the highest quality and are exclusive to silvan. silvan high capacity 12v pump 20l/min open flow. explore product parts diagrams for silvan's sprayers, agripower farm equipment, and selecta products, detailing names and. If any warranty repairs are. our service kits have everything you need to service your pump or control valve in. Silvan Diaphragm Pump Parts.
From www.theco-op.com.au
Silvan Diaphragm pump spare parts / Comet Diaphragm pump spare parts Silvan Diaphragm Pump Parts • all warranty repairs on silvan products are carried out by silvan dealers. If any warranty repairs are. explore product parts diagrams for silvan's sprayers, agripower farm equipment, and selecta products, detailing names and. silvan high capacity 12v pump 20l/min open flow. Aquatec pumps are made of the highest quality and are exclusive to silvan. our. Silvan Diaphragm Pump Parts.
From www.theco-op.com.au
Silvan BP75/15 Diaphragm Pump Comet BP75 Diaphragm chemical spray Pump Silvan Diaphragm Pump Parts silvan high capacity 12v pump 20l/min open flow. Aquatec pumps are made of the highest quality and are exclusive to silvan. our service kits have everything you need to service your pump or control valve in one convenient package, making regular. • all warranty repairs on silvan products are carried out by silvan dealers. If any warranty. Silvan Diaphragm Pump Parts.
From www.theco-op.com.au
Silvan Diaphragm pump spare parts / Comet Diaphragm pump spare parts Silvan Diaphragm Pump Parts Aquatec pumps are made of the highest quality and are exclusive to silvan. • all warranty repairs on silvan products are carried out by silvan dealers. If any warranty repairs are. silvan high capacity 12v pump 20l/min open flow. explore product parts diagrams for silvan's sprayers, agripower farm equipment, and selecta products, detailing names and. our. Silvan Diaphragm Pump Parts.
From farmsuppliesmachineryandequipment.com.au
Silvan IDS960 High Pressure Diaphragm Pumps 93L/min IDS960 Farm Silvan Diaphragm Pump Parts explore product parts diagrams for silvan's sprayers, agripower farm equipment, and selecta products, detailing names and. If any warranty repairs are. Aquatec pumps are made of the highest quality and are exclusive to silvan. silvan high capacity 12v pump 20l/min open flow. our service kits have everything you need to service your pump or control valve in. Silvan Diaphragm Pump Parts.
From www.grays.com
Silvan BP60 Diaphragm pump. Pto driven condition unknown. Parts only Silvan Diaphragm Pump Parts Aquatec pumps are made of the highest quality and are exclusive to silvan. If any warranty repairs are. • all warranty repairs on silvan products are carried out by silvan dealers. our service kits have everything you need to service your pump or control valve in one convenient package, making regular. explore product parts diagrams for silvan's. Silvan Diaphragm Pump Parts.
From www.silvan.com.au
IDS2600 Diaphragm Pump Silvan Australia Silvan Diaphragm Pump Parts silvan high capacity 12v pump 20l/min open flow. If any warranty repairs are. explore product parts diagrams for silvan's sprayers, agripower farm equipment, and selecta products, detailing names and. • all warranty repairs on silvan products are carried out by silvan dealers. our service kits have everything you need to service your pump or control valve. Silvan Diaphragm Pump Parts.
From www.theco-op.com.au
Silvan Diaphragm pump spare parts / Comet Diaphragm pump spare parts Silvan Diaphragm Pump Parts • all warranty repairs on silvan products are carried out by silvan dealers. our service kits have everything you need to service your pump or control valve in one convenient package, making regular. explore product parts diagrams for silvan's sprayers, agripower farm equipment, and selecta products, detailing names and. If any warranty repairs are. Aquatec pumps are. Silvan Diaphragm Pump Parts.
From www.theco-op.com.au
Silvan Diaphragm pump spare parts / Comet Diaphragm pump spare parts Silvan Diaphragm Pump Parts If any warranty repairs are. Aquatec pumps are made of the highest quality and are exclusive to silvan. our service kits have everything you need to service your pump or control valve in one convenient package, making regular. explore product parts diagrams for silvan's sprayers, agripower farm equipment, and selecta products, detailing names and. silvan high capacity. Silvan Diaphragm Pump Parts.
From www.bunyipequipment.com.au
Silvan Pak Pump Diaphragm Pump (382168) Silvan Diaphragm Pump Parts our service kits have everything you need to service your pump or control valve in one convenient package, making regular. • all warranty repairs on silvan products are carried out by silvan dealers. If any warranty repairs are. Aquatec pumps are made of the highest quality and are exclusive to silvan. explore product parts diagrams for silvan's. Silvan Diaphragm Pump Parts.
From www.theco-op.com.au
Silvan Diaphragm pump spare parts / Comet Diaphragm pump spare parts Silvan Diaphragm Pump Parts • all warranty repairs on silvan products are carried out by silvan dealers. If any warranty repairs are. explore product parts diagrams for silvan's sprayers, agripower farm equipment, and selecta products, detailing names and. Aquatec pumps are made of the highest quality and are exclusive to silvan. our service kits have everything you need to service your. Silvan Diaphragm Pump Parts.
From www.theco-op.com.au
Silvan Diaphragm pump spare parts / Comet Diaphragm pump spare parts Silvan Diaphragm Pump Parts If any warranty repairs are. our service kits have everything you need to service your pump or control valve in one convenient package, making regular. silvan high capacity 12v pump 20l/min open flow. Aquatec pumps are made of the highest quality and are exclusive to silvan. explore product parts diagrams for silvan's sprayers, agripower farm equipment, and. Silvan Diaphragm Pump Parts.
From www.theco-op.com.au
Silvan Diaphragm pump spare parts / Comet Diaphragm pump spare parts Silvan Diaphragm Pump Parts our service kits have everything you need to service your pump or control valve in one convenient package, making regular. Aquatec pumps are made of the highest quality and are exclusive to silvan. silvan high capacity 12v pump 20l/min open flow. • all warranty repairs on silvan products are carried out by silvan dealers. explore product. Silvan Diaphragm Pump Parts.
From www.theco-op.com.au
Silvan Diaphragm pump spare parts / Comet Diaphragm pump spare parts Silvan Diaphragm Pump Parts If any warranty repairs are. explore product parts diagrams for silvan's sprayers, agripower farm equipment, and selecta products, detailing names and. our service kits have everything you need to service your pump or control valve in one convenient package, making regular. Aquatec pumps are made of the highest quality and are exclusive to silvan. • all warranty. Silvan Diaphragm Pump Parts.
From www.theco-op.com.au
Silvan Diaphragm pump spare parts / Comet Diaphragm pump spare parts Silvan Diaphragm Pump Parts explore product parts diagrams for silvan's sprayers, agripower farm equipment, and selecta products, detailing names and. silvan high capacity 12v pump 20l/min open flow. • all warranty repairs on silvan products are carried out by silvan dealers. If any warranty repairs are. our service kits have everything you need to service your pump or control valve. Silvan Diaphragm Pump Parts.
From www.theco-op.com.au
Silvan Diaphragm pump spare parts / Comet Diaphragm pump spare parts Silvan Diaphragm Pump Parts silvan high capacity 12v pump 20l/min open flow. Aquatec pumps are made of the highest quality and are exclusive to silvan. • all warranty repairs on silvan products are carried out by silvan dealers. our service kits have everything you need to service your pump or control valve in one convenient package, making regular. explore product. Silvan Diaphragm Pump Parts.
From www.theco-op.com.au
Silvan Diaphragm pump spare parts / Comet Diaphragm pump spare parts Silvan Diaphragm Pump Parts If any warranty repairs are. • all warranty repairs on silvan products are carried out by silvan dealers. Aquatec pumps are made of the highest quality and are exclusive to silvan. silvan high capacity 12v pump 20l/min open flow. our service kits have everything you need to service your pump or control valve in one convenient package,. Silvan Diaphragm Pump Parts.
From www.theco-op.com.au
Silvan Diaphragm pump spare parts / Comet Diaphragm pump spare parts Silvan Diaphragm Pump Parts our service kits have everything you need to service your pump or control valve in one convenient package, making regular. If any warranty repairs are. • all warranty repairs on silvan products are carried out by silvan dealers. Aquatec pumps are made of the highest quality and are exclusive to silvan. silvan high capacity 12v pump 20l/min. Silvan Diaphragm Pump Parts.
From www.bunyipequipment.com.au
Silvan BP60/20 Comet Diaphragm Pump Silvan Diaphragm Pump Parts • all warranty repairs on silvan products are carried out by silvan dealers. Aquatec pumps are made of the highest quality and are exclusive to silvan. explore product parts diagrams for silvan's sprayers, agripower farm equipment, and selecta products, detailing names and. silvan high capacity 12v pump 20l/min open flow. our service kits have everything you. Silvan Diaphragm Pump Parts.
From www.grays.com
Silvan BP60 Diaphragm pump. Pto driven condition unknown. Parts only Silvan Diaphragm Pump Parts If any warranty repairs are. Aquatec pumps are made of the highest quality and are exclusive to silvan. silvan high capacity 12v pump 20l/min open flow. explore product parts diagrams for silvan's sprayers, agripower farm equipment, and selecta products, detailing names and. our service kits have everything you need to service your pump or control valve in. Silvan Diaphragm Pump Parts.
From www.theco-op.com.au
Silvan Diaphragm Pump Spare Parts Lists Silvan Diaphragm Pump Parts explore product parts diagrams for silvan's sprayers, agripower farm equipment, and selecta products, detailing names and. Aquatec pumps are made of the highest quality and are exclusive to silvan. silvan high capacity 12v pump 20l/min open flow. If any warranty repairs are. • all warranty repairs on silvan products are carried out by silvan dealers. our. Silvan Diaphragm Pump Parts.
From farmsuppliesmachineryandequipment.com.au
Silvan BP130/20 Diaphragm Pump CBP13020 Farm Supplies Machinery & Equip Silvan Diaphragm Pump Parts • all warranty repairs on silvan products are carried out by silvan dealers. our service kits have everything you need to service your pump or control valve in one convenient package, making regular. explore product parts diagrams for silvan's sprayers, agripower farm equipment, and selecta products, detailing names and. If any warranty repairs are. Aquatec pumps are. Silvan Diaphragm Pump Parts.
From www.theco-op.com.au
Buy Silvan / Comet Diaphragm Pumps for Farm Chemical Applications Silvan Diaphragm Pump Parts our service kits have everything you need to service your pump or control valve in one convenient package, making regular. Aquatec pumps are made of the highest quality and are exclusive to silvan. silvan high capacity 12v pump 20l/min open flow. explore product parts diagrams for silvan's sprayers, agripower farm equipment, and selecta products, detailing names and.. Silvan Diaphragm Pump Parts.