Solaredge Rs485 Surge Protection Kit . Rs485 surge protection kit installation guide this document describes how to install the rs485 surge protection kit in a solaredge inverter.
from solarandheatstore.com
Rs485 surge protection kit installation guide this document describes how to install the rs485 surge protection kit in a solaredge inverter.
SolarEdge RS485 Expansion Kit Solar and Heat Store
Solaredge Rs485 Surge Protection Kit Rs485 surge protection kit installation guide this document describes how to install the rs485 surge protection kit in a solaredge inverter. Rs485 surge protection kit installation guide this document describes how to install the rs485 surge protection kit in a solaredge inverter.
From www.fatech-surge-protection.com
data surge protector, RS485 data surge protector Solaredge Rs485 Surge Protection Kit Rs485 surge protection kit installation guide this document describes how to install the rs485 surge protection kit in a solaredge inverter. Solaredge Rs485 Surge Protection Kit.
From www.solartopstore.com
SolarEdge RS485 Expansion Kit Solaredge Rs485 Surge Protection Kit Rs485 surge protection kit installation guide this document describes how to install the rs485 surge protection kit in a solaredge inverter. Solaredge Rs485 Surge Protection Kit.
From shopee.co.th
RS485 Surge Protector ตัวป้องกันกระแสไฟสูง ที่เกิดจากฟ้าผ่า (FL485 Solaredge Rs485 Surge Protection Kit Rs485 surge protection kit installation guide this document describes how to install the rs485 surge protection kit in a solaredge inverter. Solaredge Rs485 Surge Protection Kit.
From www.bhphotovideo.com
B&B Electronics RS485 Data Line Surge Protector 485HESP B&H Solaredge Rs485 Surge Protection Kit Rs485 surge protection kit installation guide this document describes how to install the rs485 surge protection kit in a solaredge inverter. Solaredge Rs485 Surge Protection Kit.
From westwardsales.com
3onedata FL485 RS485 Surge Protector Westward Sales Solaredge Rs485 Surge Protection Kit Rs485 surge protection kit installation guide this document describes how to install the rs485 surge protection kit in a solaredge inverter. Solaredge Rs485 Surge Protection Kit.
From wiki.tecomat.cz
Surge protection of the RS485 (RS232) communication interface Solaredge Rs485 Surge Protection Kit Rs485 surge protection kit installation guide this document describes how to install the rs485 surge protection kit in a solaredge inverter. Solaredge Rs485 Surge Protection Kit.
From solar-distribution.baywa-re.de
SolarEdge RS485SPD3BK3 RS485OV protection (5pcs) BayWa r.e Solaredge Rs485 Surge Protection Kit Rs485 surge protection kit installation guide this document describes how to install the rs485 surge protection kit in a solaredge inverter. Solaredge Rs485 Surge Protection Kit.
From www.greentechrenewables.com
SolarEdge RS485 Surge Protection Kit, SERS485SPD3BK4 Greentech Solaredge Rs485 Surge Protection Kit Rs485 surge protection kit installation guide this document describes how to install the rs485 surge protection kit in a solaredge inverter. Solaredge Rs485 Surge Protection Kit.
From www.khoilap.com
RS485 Control Signal Surge Protector USP201RS485 Solaredge Rs485 Surge Protection Kit Rs485 surge protection kit installation guide this document describes how to install the rs485 surge protection kit in a solaredge inverter. Solaredge Rs485 Surge Protection Kit.
From www.maxsel.de
SolarEdge SERS485SPD3BK4 RS485 ÜberspannungsschutzKit für Solaredge Rs485 Surge Protection Kit Rs485 surge protection kit installation guide this document describes how to install the rs485 surge protection kit in a solaredge inverter. Solaredge Rs485 Surge Protection Kit.
From lsp.global
Signal & Data Surge Protection Device SPD RS485 RS422 RS232 Solaredge Rs485 Surge Protection Kit Rs485 surge protection kit installation guide this document describes how to install the rs485 surge protection kit in a solaredge inverter. Solaredge Rs485 Surge Protection Kit.
From www.italsolsrl.it
ACCESSORI Italsol Energie rinnovabili Solaredge Rs485 Surge Protection Kit Rs485 surge protection kit installation guide this document describes how to install the rs485 surge protection kit in a solaredge inverter. Solaredge Rs485 Surge Protection Kit.
From descuentosolar.com
SolarEdge Surge Protection PlugIn for RS485 / 3PH (5pcs) Descuento Solaredge Rs485 Surge Protection Kit Rs485 surge protection kit installation guide this document describes how to install the rs485 surge protection kit in a solaredge inverter. Solaredge Rs485 Surge Protection Kit.
From www.estg.eu
SolarEdge AC Surge Protection upgrade kit ESTG Solaredge Rs485 Surge Protection Kit Rs485 surge protection kit installation guide this document describes how to install the rs485 surge protection kit in a solaredge inverter. Solaredge Rs485 Surge Protection Kit.
From www.solarflexion.com
SolarEdge SERS485SPD3BK4 Surge Protection Kit For SetAppIV Solaredge Rs485 Surge Protection Kit Rs485 surge protection kit installation guide this document describes how to install the rs485 surge protection kit in a solaredge inverter. Solaredge Rs485 Surge Protection Kit.
From caratar.en.made-in-china.com
RS485 Signal Protector, Industrial Grade Lightning Protection and Surge Solaredge Rs485 Surge Protection Kit Rs485 surge protection kit installation guide this document describes how to install the rs485 surge protection kit in a solaredge inverter. Solaredge Rs485 Surge Protection Kit.
From www.elektro-wandelt.de
SolarEdge SERS485SPD2K1 RS485 Surge Protection Kit online kaufen Solaredge Rs485 Surge Protection Kit Rs485 surge protection kit installation guide this document describes how to install the rs485 surge protection kit in a solaredge inverter. Solaredge Rs485 Surge Protection Kit.
From herholdts.co.za
SolarEdge RS485 Plugin Expansion Kit Solaredge Rs485 Surge Protection Kit Rs485 surge protection kit installation guide this document describes how to install the rs485 surge protection kit in a solaredge inverter. Solaredge Rs485 Surge Protection Kit.
From solarshop.baywa-re.ca
SolarEdge SERS485SPD2K1 Surge Protection Kit BayWa r.e. Solaredge Rs485 Surge Protection Kit Rs485 surge protection kit installation guide this document describes how to install the rs485 surge protection kit in a solaredge inverter. Solaredge Rs485 Surge Protection Kit.
From solarshop.baywa-re.lu
Inverter Accessories SolarEdge Surge Protection PlugIn for RS485 / 3 Solaredge Rs485 Surge Protection Kit Rs485 surge protection kit installation guide this document describes how to install the rs485 surge protection kit in a solaredge inverter. Solaredge Rs485 Surge Protection Kit.
From vdocuments.mx
SolarEdge RS485 Expansion Kit Sol Distribution Sheet/solaredgers485 Solaredge Rs485 Surge Protection Kit Rs485 surge protection kit installation guide this document describes how to install the rs485 surge protection kit in a solaredge inverter. Solaredge Rs485 Surge Protection Kit.
From www.solartoday.nl
SolarEdge RS485 overspanningsbeveiliging (5st) setapp SolarToday Solaredge Rs485 Surge Protection Kit Rs485 surge protection kit installation guide this document describes how to install the rs485 surge protection kit in a solaredge inverter. Solaredge Rs485 Surge Protection Kit.
From www.solaredge.com
Surge Protection Device Plugin Solution SolarEdge Solaredge Rs485 Surge Protection Kit Rs485 surge protection kit installation guide this document describes how to install the rs485 surge protection kit in a solaredge inverter. Solaredge Rs485 Surge Protection Kit.
From solarandheatstore.com
SolarEdge RS485 Expansion Kit Solar and Heat Store Solaredge Rs485 Surge Protection Kit Rs485 surge protection kit installation guide this document describes how to install the rs485 surge protection kit in a solaredge inverter. Solaredge Rs485 Surge Protection Kit.
From acar.pl
RS485 Protector Acar Solaredge Rs485 Surge Protection Kit Rs485 surge protection kit installation guide this document describes how to install the rs485 surge protection kit in a solaredge inverter. Solaredge Rs485 Surge Protection Kit.
From www.manualslib.com
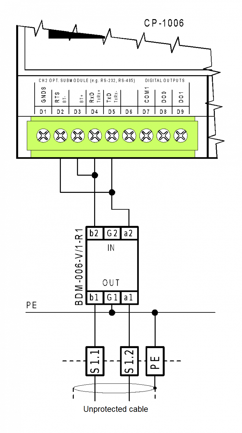
SOLAREDGE SERS485SPD2K2 INSTALLATION MANUAL Pdf Download ManualsLib Solaredge Rs485 Surge Protection Kit Rs485 surge protection kit installation guide this document describes how to install the rs485 surge protection kit in a solaredge inverter. Solaredge Rs485 Surge Protection Kit.
From aegmarket.com
RS485 Surge Protection Kit for inverters Versione o modello RS485SPD3BK3 Solaredge Rs485 Surge Protection Kit Rs485 surge protection kit installation guide this document describes how to install the rs485 surge protection kit in a solaredge inverter. Solaredge Rs485 Surge Protection Kit.
From www.directindustry.com
RS485 surge protector RayDat RS 485 Raycap LAN / compact / gas Solaredge Rs485 Surge Protection Kit Rs485 surge protection kit installation guide this document describes how to install the rs485 surge protection kit in a solaredge inverter. Solaredge Rs485 Surge Protection Kit.
From descuentosolar.com
SolarEdge Surge Protection PlugIn for RS485 / 3PH (5pcs) Descuento Solaredge Rs485 Surge Protection Kit Rs485 surge protection kit installation guide this document describes how to install the rs485 surge protection kit in a solaredge inverter. Solaredge Rs485 Surge Protection Kit.
From www.solarvie.at
SolarEdge SE1000RS485IF Extension Kit Solarvie Solaredge Rs485 Surge Protection Kit Rs485 surge protection kit installation guide this document describes how to install the rs485 surge protection kit in a solaredge inverter. Solaredge Rs485 Surge Protection Kit.
From www.firstshop.co.za
SolarEdge RS485 Surge Protection Kit for Inverters SERS485SPD2BK1 Solaredge Rs485 Surge Protection Kit Rs485 surge protection kit installation guide this document describes how to install the rs485 surge protection kit in a solaredge inverter. Solaredge Rs485 Surge Protection Kit.
From thorspd.en.made-in-china.com
RS485 Surge Protector 12V SPD Lightning Arrester RS485 Surge Protection Solaredge Rs485 Surge Protection Kit Rs485 surge protection kit installation guide this document describes how to install the rs485 surge protection kit in a solaredge inverter. Solaredge Rs485 Surge Protection Kit.
From www.rs232-converters.com
RS485 Surge Suppressor / Protector / Arrestor Solaredge Rs485 Surge Protection Kit Rs485 surge protection kit installation guide this document describes how to install the rs485 surge protection kit in a solaredge inverter. Solaredge Rs485 Surge Protection Kit.
From merxu.com
SolarEdge Plugin de protection contre les surtensions pour RS485 Solaredge Rs485 Surge Protection Kit Rs485 surge protection kit installation guide this document describes how to install the rs485 surge protection kit in a solaredge inverter. Solaredge Rs485 Surge Protection Kit.
From www.walmart.com
RS485 Surge Protector Devices 510KA SPD 24V Thunder Arrester Solaredge Rs485 Surge Protection Kit Rs485 surge protection kit installation guide this document describes how to install the rs485 surge protection kit in a solaredge inverter. Solaredge Rs485 Surge Protection Kit.