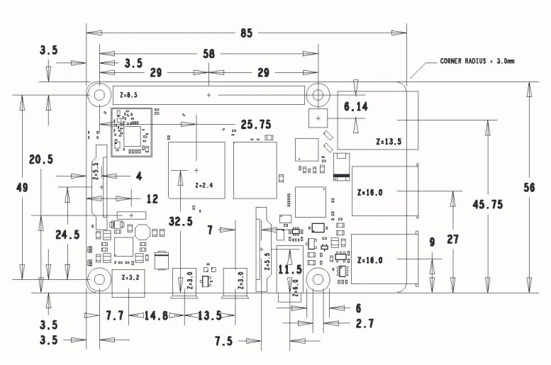
Raspberry Pi Board Size . The raspberry pi 4 has two usb 3.0 ports and two usb 2.0 ports, compared to the four usb 2.0 ports on the raspberry pi 3 b+. Raspberry pi 4 model b will remain in production until at least january 2034. Here you will find mechanical drawings for all models of the raspberry pi including the pi 3, pi 2, pi zero, pi zero w, b+ and a+ as well. The camera / display connectors use the 15 pin connector which has previously been used with the raspberry pi zero range of boards, most. This header is backwards compatible. The raspberry pi 4 is the same size as the raspberry. 85mm x 56mm), the pi 5 has many subtle differences that can be seen at first. While the raspberry pi 4 and 5 share a similar form factor (e.g., same size:
from projects.raspberrypi.org
While the raspberry pi 4 and 5 share a similar form factor (e.g., same size: The raspberry pi 4 has two usb 3.0 ports and two usb 2.0 ports, compared to the four usb 2.0 ports on the raspberry pi 3 b+. The raspberry pi 4 is the same size as the raspberry. Here you will find mechanical drawings for all models of the raspberry pi including the pi 3, pi 2, pi zero, pi zero w, b+ and a+ as well. Raspberry pi 4 model b will remain in production until at least january 2034. The camera / display connectors use the 15 pin connector which has previously been used with the raspberry pi zero range of boards, most. This header is backwards compatible. 85mm x 56mm), the pi 5 has many subtle differences that can be seen at first.
Getting started with Raspberry Pi Meet Raspberry Pi Raspberry Pi Projects
Raspberry Pi Board Size The raspberry pi 4 has two usb 3.0 ports and two usb 2.0 ports, compared to the four usb 2.0 ports on the raspberry pi 3 b+. The camera / display connectors use the 15 pin connector which has previously been used with the raspberry pi zero range of boards, most. Raspberry pi 4 model b will remain in production until at least january 2034. Here you will find mechanical drawings for all models of the raspberry pi including the pi 3, pi 2, pi zero, pi zero w, b+ and a+ as well. The raspberry pi 4 is the same size as the raspberry. This header is backwards compatible. 85mm x 56mm), the pi 5 has many subtle differences that can be seen at first. While the raspberry pi 4 and 5 share a similar form factor (e.g., same size: The raspberry pi 4 has two usb 3.0 ports and two usb 2.0 ports, compared to the four usb 2.0 ports on the raspberry pi 3 b+.
From kb.adamsdesk.com
Identify a Raspberry Pi Board Adamsdesk KB Raspberry Pi Board Size Raspberry pi 4 model b will remain in production until at least january 2034. 85mm x 56mm), the pi 5 has many subtle differences that can be seen at first. Here you will find mechanical drawings for all models of the raspberry pi including the pi 3, pi 2, pi zero, pi zero w, b+ and a+ as well. The. Raspberry Pi Board Size.
From blog.protoneer.co.nz
Raspberry Pi Zero Footprint And Dimensions Protoneer.co.nz Raspberry Pi Board Size The raspberry pi 4 is the same size as the raspberry. The raspberry pi 4 has two usb 3.0 ports and two usb 2.0 ports, compared to the four usb 2.0 ports on the raspberry pi 3 b+. 85mm x 56mm), the pi 5 has many subtle differences that can be seen at first. While the raspberry pi 4 and. Raspberry Pi Board Size.
From www.watelectronics.com
Raspberry Pi Technology, Working and Its Applications Raspberry Pi Board Size Raspberry pi 4 model b will remain in production until at least january 2034. Here you will find mechanical drawings for all models of the raspberry pi including the pi 3, pi 2, pi zero, pi zero w, b+ and a+ as well. The raspberry pi 4 has two usb 3.0 ports and two usb 2.0 ports, compared to the. Raspberry Pi Board Size.
From www.raspberrypi-spy.co.uk
Raspberry Pi Mechanical Drawings & Dimensions Raspberry Pi Spy Raspberry Pi Board Size The raspberry pi 4 is the same size as the raspberry. 85mm x 56mm), the pi 5 has many subtle differences that can be seen at first. The raspberry pi 4 has two usb 3.0 ports and two usb 2.0 ports, compared to the four usb 2.0 ports on the raspberry pi 3 b+. Here you will find mechanical drawings. Raspberry Pi Board Size.
From odlstore.com
Raspberry Pi CM4 Cluster MiniITX board 6 RPI CM4 supported Raspberry Pi Board Size The raspberry pi 4 has two usb 3.0 ports and two usb 2.0 ports, compared to the four usb 2.0 ports on the raspberry pi 3 b+. 85mm x 56mm), the pi 5 has many subtle differences that can be seen at first. This header is backwards compatible. Raspberry pi 4 model b will remain in production until at least. Raspberry Pi Board Size.
From mungfali.com
Raspberry Pi Pico Dimensions Raspberry Pi Board Size This header is backwards compatible. Raspberry pi 4 model b will remain in production until at least january 2034. 85mm x 56mm), the pi 5 has many subtle differences that can be seen at first. The camera / display connectors use the 15 pin connector which has previously been used with the raspberry pi zero range of boards, most. While. Raspberry Pi Board Size.
From microcontrollerslab.com
Raspberry Pi 4 Pinout Description, Features, Peripherals , Applications Raspberry Pi Board Size The camera / display connectors use the 15 pin connector which has previously been used with the raspberry pi zero range of boards, most. The raspberry pi 4 has two usb 3.0 ports and two usb 2.0 ports, compared to the four usb 2.0 ports on the raspberry pi 3 b+. Here you will find mechanical drawings for all models. Raspberry Pi Board Size.
From opensource.com
Which Raspberry Pi should you choose? Raspberry Pi Board Size This header is backwards compatible. The raspberry pi 4 is the same size as the raspberry. Here you will find mechanical drawings for all models of the raspberry pi including the pi 3, pi 2, pi zero, pi zero w, b+ and a+ as well. The raspberry pi 4 has two usb 3.0 ports and two usb 2.0 ports, compared. Raspberry Pi Board Size.
From www.raspiworld.com
All Raspberry Pi Products Dimension Drawings Ras Pi World Raspberry Pi Board Size The raspberry pi 4 is the same size as the raspberry. This header is backwards compatible. 85mm x 56mm), the pi 5 has many subtle differences that can be seen at first. Raspberry pi 4 model b will remain in production until at least january 2034. Here you will find mechanical drawings for all models of the raspberry pi including. Raspberry Pi Board Size.
From www.waveshare.com
Raspberry Pi Pico, A LowCost, HighPerformance Microcontroller Board With Flexible Digital Raspberry Pi Board Size 85mm x 56mm), the pi 5 has many subtle differences that can be seen at first. This header is backwards compatible. Raspberry pi 4 model b will remain in production until at least january 2034. The raspberry pi 4 has two usb 3.0 ports and two usb 2.0 ports, compared to the four usb 2.0 ports on the raspberry pi. Raspberry Pi Board Size.
From components101.com
Raspberry Pi Pico Pinout, Datasheet, and Specifications Raspberry Pi Board Size While the raspberry pi 4 and 5 share a similar form factor (e.g., same size: This header is backwards compatible. 85mm x 56mm), the pi 5 has many subtle differences that can be seen at first. Here you will find mechanical drawings for all models of the raspberry pi including the pi 3, pi 2, pi zero, pi zero w,. Raspberry Pi Board Size.
From geek-university.com
Raspberry Pi board Raspberry Pi Raspberry Pi Board Size This header is backwards compatible. While the raspberry pi 4 and 5 share a similar form factor (e.g., same size: The camera / display connectors use the 15 pin connector which has previously been used with the raspberry pi zero range of boards, most. Here you will find mechanical drawings for all models of the raspberry pi including the pi. Raspberry Pi Board Size.
From circuitdbolecranal.z13.web.core.windows.net
Raspberry Pi 4 Model B Full Schematic Raspberry Pi Board Size The raspberry pi 4 is the same size as the raspberry. Raspberry pi 4 model b will remain in production until at least january 2034. The raspberry pi 4 has two usb 3.0 ports and two usb 2.0 ports, compared to the four usb 2.0 ports on the raspberry pi 3 b+. The camera / display connectors use the 15. Raspberry Pi Board Size.
From www.circuitbasics.com
Raspberry Pi Circuit Basics Raspberry Pi Board Size The camera / display connectors use the 15 pin connector which has previously been used with the raspberry pi zero range of boards, most. 85mm x 56mm), the pi 5 has many subtle differences that can be seen at first. The raspberry pi 4 has two usb 3.0 ports and two usb 2.0 ports, compared to the four usb 2.0. Raspberry Pi Board Size.
From www.pyrosoft.co.uk
Raspberry Pi Measurements & Dimensions Paul Maunders log Raspberry Pi Board Size This header is backwards compatible. The raspberry pi 4 has two usb 3.0 ports and two usb 2.0 ports, compared to the four usb 2.0 ports on the raspberry pi 3 b+. While the raspberry pi 4 and 5 share a similar form factor (e.g., same size: The camera / display connectors use the 15 pin connector which has previously. Raspberry Pi Board Size.
From www.jeffgeerling.com
The Raspberry Pi Compute Module 4 Review Jeff Geerling Raspberry Pi Board Size While the raspberry pi 4 and 5 share a similar form factor (e.g., same size: The camera / display connectors use the 15 pin connector which has previously been used with the raspberry pi zero range of boards, most. The raspberry pi 4 has two usb 3.0 ports and two usb 2.0 ports, compared to the four usb 2.0 ports. Raspberry Pi Board Size.
From raspberrypi.stackexchange.com
Dimension of Model B rev 2 mounting holes Raspberry Pi Stack Exchange Raspberry Pi Board Size While the raspberry pi 4 and 5 share a similar form factor (e.g., same size: The raspberry pi 4 is the same size as the raspberry. 85mm x 56mm), the pi 5 has many subtle differences that can be seen at first. Raspberry pi 4 model b will remain in production until at least january 2034. The raspberry pi 4. Raspberry Pi Board Size.
From www.daemonprintsupplies.com
Raspberry Pi Board Raspberry Pi Board Size The raspberry pi 4 has two usb 3.0 ports and two usb 2.0 ports, compared to the four usb 2.0 ports on the raspberry pi 3 b+. Raspberry pi 4 model b will remain in production until at least january 2034. While the raspberry pi 4 and 5 share a similar form factor (e.g., same size: Here you will find. Raspberry Pi Board Size.
From core-electronics.com.au
Raspberry Pi Boards Compared Tutorial Australia Raspberry Pi Board Size The raspberry pi 4 has two usb 3.0 ports and two usb 2.0 ports, compared to the four usb 2.0 ports on the raspberry pi 3 b+. The raspberry pi 4 is the same size as the raspberry. Raspberry pi 4 model b will remain in production until at least january 2034. This header is backwards compatible. 85mm x 56mm),. Raspberry Pi Board Size.
From blog.protoneer.co.nz
Raspberry Pi B+ Dimensions and Pinout Protoneer.co.nz Raspberry Pi Board Size While the raspberry pi 4 and 5 share a similar form factor (e.g., same size: Raspberry pi 4 model b will remain in production until at least january 2034. The raspberry pi 4 is the same size as the raspberry. The camera / display connectors use the 15 pin connector which has previously been used with the raspberry pi zero. Raspberry Pi Board Size.
From projects.raspberrypi.org
Getting started with Raspberry Pi Meet Raspberry Pi Raspberry Pi Projects Raspberry Pi Board Size 85mm x 56mm), the pi 5 has many subtle differences that can be seen at first. The camera / display connectors use the 15 pin connector which has previously been used with the raspberry pi zero range of boards, most. The raspberry pi 4 is the same size as the raspberry. While the raspberry pi 4 and 5 share a. Raspberry Pi Board Size.
From www.dfrobot.com
4GB Raspberry Pi 5 Single Board Computer with Arm CortexA76 DFRobot Raspberry Pi Board Size Raspberry pi 4 model b will remain in production until at least january 2034. 85mm x 56mm), the pi 5 has many subtle differences that can be seen at first. The raspberry pi 4 is the same size as the raspberry. The raspberry pi 4 has two usb 3.0 ports and two usb 2.0 ports, compared to the four usb. Raspberry Pi Board Size.
From rayhightower.com
Ruby on Raspberry Pi · Raspberry Pi Board Size While the raspberry pi 4 and 5 share a similar form factor (e.g., same size: This header is backwards compatible. 85mm x 56mm), the pi 5 has many subtle differences that can be seen at first. The raspberry pi 4 is the same size as the raspberry. The camera / display connectors use the 15 pin connector which has previously. Raspberry Pi Board Size.
From www.14core.com
The Raspberry Pi model how to address theme Raspberry Pi Board Size The raspberry pi 4 is the same size as the raspberry. Here you will find mechanical drawings for all models of the raspberry pi including the pi 3, pi 2, pi zero, pi zero w, b+ and a+ as well. This header is backwards compatible. The camera / display connectors use the 15 pin connector which has previously been used. Raspberry Pi Board Size.
From www.etechnophiles.com
Raspberry Pi 4 GPIO Pinout & Specifications (Updated) Raspberry Pi Board Size The camera / display connectors use the 15 pin connector which has previously been used with the raspberry pi zero range of boards, most. 85mm x 56mm), the pi 5 has many subtle differences that can be seen at first. The raspberry pi 4 has two usb 3.0 ports and two usb 2.0 ports, compared to the four usb 2.0. Raspberry Pi Board Size.
From tc.gts3.org
Introduction to Raspberry Pi 3 Raspberry Pi Board Size The raspberry pi 4 is the same size as the raspberry. Here you will find mechanical drawings for all models of the raspberry pi including the pi 3, pi 2, pi zero, pi zero w, b+ and a+ as well. The raspberry pi 4 has two usb 3.0 ports and two usb 2.0 ports, compared to the four usb 2.0. Raspberry Pi Board Size.
From www.raspberrypi-spy.co.uk
Introducing the Raspberry Pi 3 B+ Single Board Computer Raspberry Pi Spy Raspberry Pi Board Size The camera / display connectors use the 15 pin connector which has previously been used with the raspberry pi zero range of boards, most. This header is backwards compatible. Raspberry pi 4 model b will remain in production until at least january 2034. 85mm x 56mm), the pi 5 has many subtle differences that can be seen at first. While. Raspberry Pi Board Size.
From www.theengineeringprojects.com
Introduction to Raspberry Pi 3 B+ The Engineering Projects Raspberry Pi Board Size Here you will find mechanical drawings for all models of the raspberry pi including the pi 3, pi 2, pi zero, pi zero w, b+ and a+ as well. This header is backwards compatible. 85mm x 56mm), the pi 5 has many subtle differences that can be seen at first. The raspberry pi 4 is the same size as the. Raspberry Pi Board Size.
From mintwithraspberry.blogspot.com
Raspberry Pi 3 Model B Measurements Raspberry Raspberry Pi Board Size Here you will find mechanical drawings for all models of the raspberry pi including the pi 3, pi 2, pi zero, pi zero w, b+ and a+ as well. Raspberry pi 4 model b will remain in production until at least january 2034. The raspberry pi 4 is the same size as the raspberry. The raspberry pi 4 has two. Raspberry Pi Board Size.
From www.raspberrylovers.com
Raspberry Pi 3 B Size Raspberry Raspberry Pi Board Size This header is backwards compatible. 85mm x 56mm), the pi 5 has many subtle differences that can be seen at first. While the raspberry pi 4 and 5 share a similar form factor (e.g., same size: The raspberry pi 4 has two usb 3.0 ports and two usb 2.0 ports, compared to the four usb 2.0 ports on the raspberry. Raspberry Pi Board Size.
From www.etechnophiles.com
Raspberry Pi 3 GPIO Pinout and Specs in detail (Model B) Raspberry Pi Board Size This header is backwards compatible. The camera / display connectors use the 15 pin connector which has previously been used with the raspberry pi zero range of boards, most. 85mm x 56mm), the pi 5 has many subtle differences that can be seen at first. Raspberry pi 4 model b will remain in production until at least january 2034. Here. Raspberry Pi Board Size.
From www.cnx-software.com
Raspberry Pi 3 Board is Powered by BCM2837 Cortex A53 Processor, Sells for 35 Raspberry Pi Board Size 85mm x 56mm), the pi 5 has many subtle differences that can be seen at first. The raspberry pi 4 is the same size as the raspberry. This header is backwards compatible. The raspberry pi 4 has two usb 3.0 ports and two usb 2.0 ports, compared to the four usb 2.0 ports on the raspberry pi 3 b+. Raspberry. Raspberry Pi Board Size.
From learn.adafruit.com
Mounting Holes Introducing the Raspberry Pi Model B+ Adafruit Learning System Raspberry Pi Board Size 85mm x 56mm), the pi 5 has many subtle differences that can be seen at first. The camera / display connectors use the 15 pin connector which has previously been used with the raspberry pi zero range of boards, most. While the raspberry pi 4 and 5 share a similar form factor (e.g., same size: The raspberry pi 4 has. Raspberry Pi Board Size.
From www.pcmag.com
Beginner's Guide How to Get Started With Raspberry Pi PCMag Raspberry Pi Board Size Raspberry pi 4 model b will remain in production until at least january 2034. This header is backwards compatible. Here you will find mechanical drawings for all models of the raspberry pi including the pi 3, pi 2, pi zero, pi zero w, b+ and a+ as well. The camera / display connectors use the 15 pin connector which has. Raspberry Pi Board Size.
From yadom.eu
Raspberry Pi 5 board 4Gb version Raspberry Pi Board Size The raspberry pi 4 has two usb 3.0 ports and two usb 2.0 ports, compared to the four usb 2.0 ports on the raspberry pi 3 b+. The camera / display connectors use the 15 pin connector which has previously been used with the raspberry pi zero range of boards, most. Raspberry pi 4 model b will remain in production. Raspberry Pi Board Size.