Mk6 Gti Subframe . Looking for anyone that has experience with any kits for the sub frame. Intakes, exhaust systems, downpipes, coilovers, wheels and more! Like this oem mk6 subframe! I've had the clanking/knocking issues for a while. Today i replace the dog bone subframe engine mount on the mk6 gti and install the ecs tuning dogbone mount insert. Dog bone mount is literally the long piece that sticks out. Vw mk6 gti performance parts. Ecs front subframe locking collar kit. Reduce rear subframe movement for a more planted driving experience brand: One love auto group is your trusted source for used and new vw parts with fast and free shipping. First, my problem was much more than just the standard subframe “clunk” seen by many who have a pq35 platform based car with. The subframe mount is what vwr, vibratechnics, and hpa offer.
        
        from www.ebay.ie 
     
        
        Reduce rear subframe movement for a more planted driving experience brand: Looking for anyone that has experience with any kits for the sub frame. I've had the clanking/knocking issues for a while. First, my problem was much more than just the standard subframe “clunk” seen by many who have a pq35 platform based car with. Vw mk6 gti performance parts. Ecs front subframe locking collar kit. Today i replace the dog bone subframe engine mount on the mk6 gti and install the ecs tuning dogbone mount insert. Like this oem mk6 subframe! Intakes, exhaust systems, downpipes, coilovers, wheels and more! One love auto group is your trusted source for used and new vw parts with fast and free shipping.
    
    	
            
	
		 
         
    SUMMIT Rear Lower 6Point Body Chassis & Subframe Brace for VW Golf MK5 & 6 GTI eBay 
    Mk6 Gti Subframe  Today i replace the dog bone subframe engine mount on the mk6 gti and install the ecs tuning dogbone mount insert. One love auto group is your trusted source for used and new vw parts with fast and free shipping. Dog bone mount is literally the long piece that sticks out. First, my problem was much more than just the standard subframe “clunk” seen by many who have a pq35 platform based car with. Intakes, exhaust systems, downpipes, coilovers, wheels and more! Today i replace the dog bone subframe engine mount on the mk6 gti and install the ecs tuning dogbone mount insert. Reduce rear subframe movement for a more planted driving experience brand: Ecs front subframe locking collar kit. Like this oem mk6 subframe! Vw mk6 gti performance parts. Looking for anyone that has experience with any kits for the sub frame. The subframe mount is what vwr, vibratechnics, and hpa offer. I've had the clanking/knocking issues for a while.
            
	
		 
         
 
    
        From www.golfmk6.com 
                    13 GL subframe?! VW GTI MKVI Forum / VW Golf R Forum / VW Golf MKVI Forum / VW GTI Forum Mk6 Gti Subframe  I've had the clanking/knocking issues for a while. Reduce rear subframe movement for a more planted driving experience brand: One love auto group is your trusted source for used and new vw parts with fast and free shipping. Ecs front subframe locking collar kit. Vw mk6 gti performance parts. Like this oem mk6 subframe! The subframe mount is what vwr,. Mk6 Gti Subframe.
     
    
        From ultraracing-usa.com 
                    VOLKSWAGEN GOLF GTI/R32/R (MK5/MK6) 20032014 FRONT LOWER SUBFRAME (4 POINTS) Mk6 Gti Subframe  Vw mk6 gti performance parts. Reduce rear subframe movement for a more planted driving experience brand: Like this oem mk6 subframe! The subframe mount is what vwr, vibratechnics, and hpa offer. Intakes, exhaust systems, downpipes, coilovers, wheels and more! First, my problem was much more than just the standard subframe “clunk” seen by many who have a pq35 platform based. Mk6 Gti Subframe.
     
    
        From www.parkinracingdevelopments.co.uk 
                    MK6 tubular T45 front subframe PRD Mk6 Gti Subframe  Dog bone mount is literally the long piece that sticks out. Looking for anyone that has experience with any kits for the sub frame. I've had the clanking/knocking issues for a while. Vw mk6 gti performance parts. The subframe mount is what vwr, vibratechnics, and hpa offer. Reduce rear subframe movement for a more planted driving experience brand: Today i. Mk6 Gti Subframe.
     
    
        From www.golfmk6.com 
                    13 GL subframe?! VW GTI MKVI Forum / VW Golf R Forum / VW Golf MKVI Forum / VW GTI Forum Mk6 Gti Subframe  Vw mk6 gti performance parts. Looking for anyone that has experience with any kits for the sub frame. Today i replace the dog bone subframe engine mount on the mk6 gti and install the ecs tuning dogbone mount insert. Reduce rear subframe movement for a more planted driving experience brand: Dog bone mount is literally the long piece that sticks. Mk6 Gti Subframe.
     
    
        From www.scorpionexhaust-roadrunnermotorsport.co.uk 
                    Scorpion Golf Mk6 Gti & Edition 35 Predator catback Exhaust SVWS071C Mk6 Gti Subframe  Today i replace the dog bone subframe engine mount on the mk6 gti and install the ecs tuning dogbone mount insert. First, my problem was much more than just the standard subframe “clunk” seen by many who have a pq35 platform based car with. Dog bone mount is literally the long piece that sticks out. One love auto group is. Mk6 Gti Subframe.
     
    
        From www.golfmk6.com 
                    Need Help with Torque Sol. Subframe Collar kit BOLTS!?! VW GTI MKVI Forum / VW Golf R Forum Mk6 Gti Subframe  I've had the clanking/knocking issues for a while. One love auto group is your trusted source for used and new vw parts with fast and free shipping. Ecs front subframe locking collar kit. Like this oem mk6 subframe! Today i replace the dog bone subframe engine mount on the mk6 gti and install the ecs tuning dogbone mount insert. Vw. Mk6 Gti Subframe.
     
    
        From www.bonanza.com 
                    Mk6 Vw Jetta Gli Subframe K Frame Irs Independent Rear Suspension Assy Oem 736 Other Mk6 Gti Subframe  The subframe mount is what vwr, vibratechnics, and hpa offer. Intakes, exhaust systems, downpipes, coilovers, wheels and more! Dog bone mount is literally the long piece that sticks out. First, my problem was much more than just the standard subframe “clunk” seen by many who have a pq35 platform based car with. Reduce rear subframe movement for a more planted. Mk6 Gti Subframe.
     
    
        From www.reddit.com 
                    Mk6 VW GTI. While inspecting my GTI I found this plastic piece laying in my subframe. It has no Mk6 Gti Subframe  Intakes, exhaust systems, downpipes, coilovers, wheels and more! Vw mk6 gti performance parts. Like this oem mk6 subframe! I've had the clanking/knocking issues for a while. The subframe mount is what vwr, vibratechnics, and hpa offer. One love auto group is your trusted source for used and new vw parts with fast and free shipping. Looking for anyone that has. Mk6 Gti Subframe.
     
    
        From myperformanceparts.com 
                    Swave & Summit Rear Lower Big 6Point Back Exhaust Tunnel Body Chassis & Subframe Axle Bush Tie Mk6 Gti Subframe  Today i replace the dog bone subframe engine mount on the mk6 gti and install the ecs tuning dogbone mount insert. Reduce rear subframe movement for a more planted driving experience brand: The subframe mount is what vwr, vibratechnics, and hpa offer. Ecs front subframe locking collar kit. Dog bone mount is literally the long piece that sticks out. Looking. Mk6 Gti Subframe.
     
    
        From www.vwbreakers.co.uk 
                    Volkswagen Golf MK6 20092012 Front Subframe Cradle 1K0199369F Store Used Volkswagen Parts Mk6 Gti Subframe  Like this oem mk6 subframe! Reduce rear subframe movement for a more planted driving experience brand: The subframe mount is what vwr, vibratechnics, and hpa offer. Today i replace the dog bone subframe engine mount on the mk6 gti and install the ecs tuning dogbone mount insert. Ecs front subframe locking collar kit. First, my problem was much more than. Mk6 Gti Subframe.
     
    
        From www.golfmk6.com 
                    Subframe bolt came out completely VW GTI MKVI Forum / VW Golf R Forum / VW Golf MKVI Forum Mk6 Gti Subframe  I've had the clanking/knocking issues for a while. First, my problem was much more than just the standard subframe “clunk” seen by many who have a pq35 platform based car with. Vw mk6 gti performance parts. One love auto group is your trusted source for used and new vw parts with fast and free shipping. Looking for anyone that has. Mk6 Gti Subframe.
     
    
        From ultraracing-usa.com 
                    VOLKSWAGEN JETTA (MK6) 20122018 REAR LOWER SUBFRAME (4 POINTS) Mk6 Gti Subframe  First, my problem was much more than just the standard subframe “clunk” seen by many who have a pq35 platform based car with. Reduce rear subframe movement for a more planted driving experience brand: Looking for anyone that has experience with any kits for the sub frame. The subframe mount is what vwr, vibratechnics, and hpa offer. Intakes, exhaust systems,. Mk6 Gti Subframe.
     
    
        From www.airtecmotorsport.com 
                    SUMMIT Rear Lower Small 4 point Subframe Axle VType Tie Bar Brace for VW Golf MK5, MK6 & MK7 Mk6 Gti Subframe  Ecs front subframe locking collar kit. I've had the clanking/knocking issues for a while. Intakes, exhaust systems, downpipes, coilovers, wheels and more! First, my problem was much more than just the standard subframe “clunk” seen by many who have a pq35 platform based car with. One love auto group is your trusted source for used and new vw parts with. Mk6 Gti Subframe.
     
    
        From nipponautospares.com 
                    1995 Toyota Celica Rear Subframe Mk6 T200 Series Gt4 67634 Mk6 Gti Subframe  I've had the clanking/knocking issues for a while. Looking for anyone that has experience with any kits for the sub frame. Reduce rear subframe movement for a more planted driving experience brand: One love auto group is your trusted source for used and new vw parts with fast and free shipping. Vw mk6 gti performance parts. Intakes, exhaust systems, downpipes,. Mk6 Gti Subframe.
     
    
        From korean.alibaba.com 
                    Front Subframe Crossmember Mk6 1.0 0916 Oem 8v515019bd/d65134800b/8v515019ad Buy Car Mk6 Gti Subframe  Reduce rear subframe movement for a more planted driving experience brand: Ecs front subframe locking collar kit. First, my problem was much more than just the standard subframe “clunk” seen by many who have a pq35 platform based car with. Today i replace the dog bone subframe engine mount on the mk6 gti and install the ecs tuning dogbone mount. Mk6 Gti Subframe.
     
    
        From www.034motorsport.com 
                    Installation Instructions MkV/MkVI Volkswagen Golf/Jetta/GTI/GLI Subframe Locking Collar Kit Mk6 Gti Subframe  The subframe mount is what vwr, vibratechnics, and hpa offer. Reduce rear subframe movement for a more planted driving experience brand: Vw mk6 gti performance parts. Intakes, exhaust systems, downpipes, coilovers, wheels and more! Like this oem mk6 subframe! One love auto group is your trusted source for used and new vw parts with fast and free shipping. Today i. Mk6 Gti Subframe.
     
    
        From www.golfmk6.com 
                    VWR Subframe mount review VW GTI MKVI Forum / VW Golf R Forum / VW Golf MKVI Forum / VW GTI Mk6 Gti Subframe  Looking for anyone that has experience with any kits for the sub frame. Vw mk6 gti performance parts. Today i replace the dog bone subframe engine mount on the mk6 gti and install the ecs tuning dogbone mount insert. Reduce rear subframe movement for a more planted driving experience brand: One love auto group is your trusted source for used. Mk6 Gti Subframe.
     
    
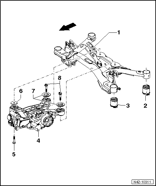
        From workshop-manuals.com 
                    Volkswagen Manuals > Golf Mk6 > Running gear, axles, steering > Rear suspension, drive Mk6 Gti Subframe  I've had the clanking/knocking issues for a while. Looking for anyone that has experience with any kits for the sub frame. One love auto group is your trusted source for used and new vw parts with fast and free shipping. Vw mk6 gti performance parts. Ecs front subframe locking collar kit. Dog bone mount is literally the long piece that. Mk6 Gti Subframe.
     
    
        From www.ebay.com 
                    Fit For VW Golf/GTI MK5 MK6 0413 Lower Engine Mounting Subframe Bush 1K0199867A eBay Mk6 Gti Subframe  Today i replace the dog bone subframe engine mount on the mk6 gti and install the ecs tuning dogbone mount insert. Dog bone mount is literally the long piece that sticks out. I've had the clanking/knocking issues for a while. Reduce rear subframe movement for a more planted driving experience brand: Ecs front subframe locking collar kit. Vw mk6 gti. Mk6 Gti Subframe.
     
    
        From www.europaparts.com 
                    Audi, VW Subframe Mount (Mk5 Mk6, Lower) 1K0199867Q by OE Supplier Europa Parts Mk6 Gti Subframe  Dog bone mount is literally the long piece that sticks out. Today i replace the dog bone subframe engine mount on the mk6 gti and install the ecs tuning dogbone mount insert. First, my problem was much more than just the standard subframe “clunk” seen by many who have a pq35 platform based car with. The subframe mount is what. Mk6 Gti Subframe.
     
    
        From workshop-manuals.com 
                    Volkswagen Service and Repair Manuals > Golf Mk6 > Running gear, axles, steering Rear Mk6 Gti Subframe  Intakes, exhaust systems, downpipes, coilovers, wheels and more! The subframe mount is what vwr, vibratechnics, and hpa offer. Like this oem mk6 subframe! Dog bone mount is literally the long piece that sticks out. One love auto group is your trusted source for used and new vw parts with fast and free shipping. First, my problem was much more than. Mk6 Gti Subframe.
     
    
        From www.golfmk6.com 
                    Subframe bolt came out completely VW GTI MKVI Forum / VW Golf R Forum / VW Golf MKVI Forum Mk6 Gti Subframe  Vw mk6 gti performance parts. One love auto group is your trusted source for used and new vw parts with fast and free shipping. Reduce rear subframe movement for a more planted driving experience brand: Ecs front subframe locking collar kit. Like this oem mk6 subframe! Today i replace the dog bone subframe engine mount on the mk6 gti and. Mk6 Gti Subframe.
     
    
        From www.gmpperformance.com 
                    GMP Performance VW Mk5/Mk6 Golf/Jetta/GTI/GLI/R32/Passat/Rabbit 034Motorsport Stainless Steel Mk6 Gti Subframe  Today i replace the dog bone subframe engine mount on the mk6 gti and install the ecs tuning dogbone mount insert. Vw mk6 gti performance parts. Intakes, exhaust systems, downpipes, coilovers, wheels and more! First, my problem was much more than just the standard subframe “clunk” seen by many who have a pq35 platform based car with. One love auto. Mk6 Gti Subframe.
     
    
        From www.youtube.com 
                    ECS Tuning Front & Rear Subframe Locking Collar Kit Install MK6 GTI YouTube Mk6 Gti Subframe  Today i replace the dog bone subframe engine mount on the mk6 gti and install the ecs tuning dogbone mount insert. The subframe mount is what vwr, vibratechnics, and hpa offer. Like this oem mk6 subframe! Ecs front subframe locking collar kit. Reduce rear subframe movement for a more planted driving experience brand: First, my problem was much more than. Mk6 Gti Subframe.
     
    
        From www.bonanza.com 
                    Mk6 Vw Jetta Gli Subframe K Frame Irs Independent Rear Suspension Assy Oem 736 Other Mk6 Gti Subframe  Ecs front subframe locking collar kit. One love auto group is your trusted source for used and new vw parts with fast and free shipping. Reduce rear subframe movement for a more planted driving experience brand: The subframe mount is what vwr, vibratechnics, and hpa offer. Intakes, exhaust systems, downpipes, coilovers, wheels and more! Vw mk6 gti performance parts. I've. Mk6 Gti Subframe.
     
    
        From www.bonanza.com 
                    Mk6 Vw Jetta Gli Subframe K Frame Independent Rear Suspension Assembly Oem 812 Shocks & Struts Mk6 Gti Subframe  Reduce rear subframe movement for a more planted driving experience brand: The subframe mount is what vwr, vibratechnics, and hpa offer. Looking for anyone that has experience with any kits for the sub frame. I've had the clanking/knocking issues for a while. Vw mk6 gti performance parts. Intakes, exhaust systems, downpipes, coilovers, wheels and more! First, my problem was much. Mk6 Gti Subframe.
     
    
        From www.ebay.ie 
                    SUMMIT Rear Lower 6Point Body Chassis & Subframe Brace for VW Golf MK5 & 6 GTI eBay Mk6 Gti Subframe  Reduce rear subframe movement for a more planted driving experience brand: Dog bone mount is literally the long piece that sticks out. Ecs front subframe locking collar kit. Like this oem mk6 subframe! One love auto group is your trusted source for used and new vw parts with fast and free shipping. Intakes, exhaust systems, downpipes, coilovers, wheels and more!. Mk6 Gti Subframe.
     
    
        From forums.vwvortex.com 
                    ARM Motorsports MK6 GTi Downpipe Review. Mk6 Gti Subframe  The subframe mount is what vwr, vibratechnics, and hpa offer. Like this oem mk6 subframe! I've had the clanking/knocking issues for a while. Looking for anyone that has experience with any kits for the sub frame. Reduce rear subframe movement for a more planted driving experience brand: Today i replace the dog bone subframe engine mount on the mk6 gti. Mk6 Gti Subframe.
     
    
        From www.oneloveautogroup.com 
                    mk6 GTI Jetta Subframe One Love Auto Group Used VW Parts Mk6 Gti Subframe  Vw mk6 gti performance parts. Today i replace the dog bone subframe engine mount on the mk6 gti and install the ecs tuning dogbone mount insert. Reduce rear subframe movement for a more planted driving experience brand: Ecs front subframe locking collar kit. One love auto group is your trusted source for used and new vw parts with fast and. Mk6 Gti Subframe.
     
    
        From www.034motorsport.com 
                    Installation Instructions MkV/MkVI Volkswagen Golf/Jetta/GTI/GLI Subframe Locking Collar Kit Mk6 Gti Subframe  Reduce rear subframe movement for a more planted driving experience brand: Today i replace the dog bone subframe engine mount on the mk6 gti and install the ecs tuning dogbone mount insert. Looking for anyone that has experience with any kits for the sub frame. One love auto group is your trusted source for used and new vw parts with. Mk6 Gti Subframe.
     
    
        From www.bonanza.com 
                    Mk6 Vw Jetta Gli Subframe K Frame Irs Independent Rear Suspension Assy Oem 736 Other Mk6 Gti Subframe  Ecs front subframe locking collar kit. First, my problem was much more than just the standard subframe “clunk” seen by many who have a pq35 platform based car with. Today i replace the dog bone subframe engine mount on the mk6 gti and install the ecs tuning dogbone mount insert. Reduce rear subframe movement for a more planted driving experience. Mk6 Gti Subframe.
     
    
        From workshop-manuals.com 
                    Volkswagen Manuals > Golf Mk6 > Running gear, axles, steering > Front suspension, drive Mk6 Gti Subframe  Vw mk6 gti performance parts. The subframe mount is what vwr, vibratechnics, and hpa offer. Reduce rear subframe movement for a more planted driving experience brand: Looking for anyone that has experience with any kits for the sub frame. Dog bone mount is literally the long piece that sticks out. I've had the clanking/knocking issues for a while. Intakes, exhaust. Mk6 Gti Subframe.
     
    
        From www.golfmk6.com 
                    Front Sway Bar Install tips VW GTI MKVI Forum / VW Golf R Forum / VW Golf MKVI Forum / VW GTI Mk6 Gti Subframe  One love auto group is your trusted source for used and new vw parts with fast and free shipping. Intakes, exhaust systems, downpipes, coilovers, wheels and more! Today i replace the dog bone subframe engine mount on the mk6 gti and install the ecs tuning dogbone mount insert. I've had the clanking/knocking issues for a while. Like this oem mk6. Mk6 Gti Subframe.
     
    
        From workshop-manuals.com 
                    Volkswagen Service and Repair Manuals > Golf Mk6 > Running gear, axles, steering Mk6 Gti Subframe  Like this oem mk6 subframe! I've had the clanking/knocking issues for a while. Vw mk6 gti performance parts. Ecs front subframe locking collar kit. Dog bone mount is literally the long piece that sticks out. Intakes, exhaust systems, downpipes, coilovers, wheels and more! The subframe mount is what vwr, vibratechnics, and hpa offer. Today i replace the dog bone subframe. Mk6 Gti Subframe.
     
    
        From www.golfmk6.com 
                    VWR Subframe mount review VW GTI MKVI Forum / VW Golf R Forum / VW Golf MKVI Forum / VW GTI Mk6 Gti Subframe  Reduce rear subframe movement for a more planted driving experience brand: Vw mk6 gti performance parts. Today i replace the dog bone subframe engine mount on the mk6 gti and install the ecs tuning dogbone mount insert. I've had the clanking/knocking issues for a while. Intakes, exhaust systems, downpipes, coilovers, wheels and more! One love auto group is your trusted. Mk6 Gti Subframe.