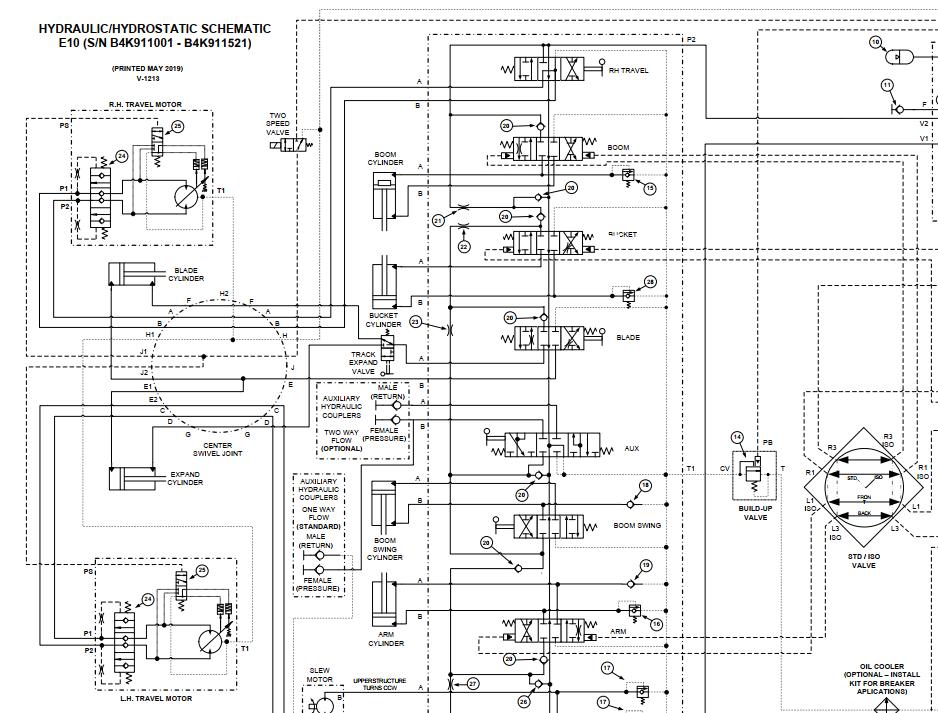
Bobcat E10 Hydraulic Hose Diagram . Always use these numbers when referring. this document provides a hydraulic and electrical schematic for a bobcat e10 excavator. It includes details like the file. genuine bobcat e10 excavator digital service manual, 6986788enuspdf provides the owner or operator with detailed service. s/n a33p11001 & above complete factory service repair manual for the bobcat e10 compact excavator.this manual contains service, repair. cover rubber hoses, battery and all other flammable parts. bobcat parts online is your official source for parts diagrams and parts lists. If you plan to purchase parts for regular maintenance or. Keep a fire extinguisher near the machine when welding. write the correct information for your bobcat excavator in the spaces below. bobcat excavator e10 hydraulic & electrical schematic.
from www.jackssmallengines.com
s/n a33p11001 & above complete factory service repair manual for the bobcat e10 compact excavator.this manual contains service, repair. bobcat parts online is your official source for parts diagrams and parts lists. If you plan to purchase parts for regular maintenance or. Keep a fire extinguisher near the machine when welding. cover rubber hoses, battery and all other flammable parts. Always use these numbers when referring. It includes details like the file. write the correct information for your bobcat excavator in the spaces below. bobcat excavator e10 hydraulic & electrical schematic. genuine bobcat e10 excavator digital service manual, 6986788enuspdf provides the owner or operator with detailed service.
Bunton, Bobcat, Ryan 933331 36 HYDRO MID16HP KAW ZCTRL Parts Diagram
Bobcat E10 Hydraulic Hose Diagram s/n a33p11001 & above complete factory service repair manual for the bobcat e10 compact excavator.this manual contains service, repair. It includes details like the file. cover rubber hoses, battery and all other flammable parts. Always use these numbers when referring. write the correct information for your bobcat excavator in the spaces below. bobcat parts online is your official source for parts diagrams and parts lists. this document provides a hydraulic and electrical schematic for a bobcat e10 excavator. Keep a fire extinguisher near the machine when welding. bobcat excavator e10 hydraulic & electrical schematic. s/n a33p11001 & above complete factory service repair manual for the bobcat e10 compact excavator.this manual contains service, repair. genuine bobcat e10 excavator digital service manual, 6986788enuspdf provides the owner or operator with detailed service. If you plan to purchase parts for regular maintenance or.
From www.specdiag.pl
Bobcat instrukcje napraw schematy DTR service manuals Bobcat E10 Bobcat E10 Hydraulic Hose Diagram It includes details like the file. bobcat excavator e10 hydraulic & electrical schematic. cover rubber hoses, battery and all other flammable parts. this document provides a hydraulic and electrical schematic for a bobcat e10 excavator. write the correct information for your bobcat excavator in the spaces below. If you plan to purchase parts for regular maintenance. Bobcat E10 Hydraulic Hose Diagram.
From diagramdataimmensity.z4.web.core.windows.net
Bobcat 753 Hydraulic Hose Diagram Bobcat E10 Hydraulic Hose Diagram bobcat excavator e10 hydraulic & electrical schematic. this document provides a hydraulic and electrical schematic for a bobcat e10 excavator. cover rubber hoses, battery and all other flammable parts. It includes details like the file. Always use these numbers when referring. write the correct information for your bobcat excavator in the spaces below. If you plan. Bobcat E10 Hydraulic Hose Diagram.
From 777parts.com
7276051 HOSE HYDRAULIC ASSY Bobcat spare part Bobcat E10 Hydraulic Hose Diagram Always use these numbers when referring. bobcat excavator e10 hydraulic & electrical schematic. genuine bobcat e10 excavator digital service manual, 6986788enuspdf provides the owner or operator with detailed service. bobcat parts online is your official source for parts diagrams and parts lists. cover rubber hoses, battery and all other flammable parts. It includes details like the. Bobcat E10 Hydraulic Hose Diagram.
From hwpartstore.com
Bobcat 371 Tilt Cylinder Hydraulic Hose HW Part Store Bobcat E10 Hydraulic Hose Diagram If you plan to purchase parts for regular maintenance or. cover rubber hoses, battery and all other flammable parts. bobcat excavator e10 hydraulic & electrical schematic. write the correct information for your bobcat excavator in the spaces below. bobcat parts online is your official source for parts diagrams and parts lists. It includes details like the. Bobcat E10 Hydraulic Hose Diagram.
From www.al-mscoastallaw.com
Bobcat 753 Hydraulic Hose Diagram Diagrams Resume Template Bobcat E10 Hydraulic Hose Diagram write the correct information for your bobcat excavator in the spaces below. It includes details like the file. Always use these numbers when referring. s/n a33p11001 & above complete factory service repair manual for the bobcat e10 compact excavator.this manual contains service, repair. this document provides a hydraulic and electrical schematic for a bobcat e10 excavator. . Bobcat E10 Hydraulic Hose Diagram.
From fixenginelittle.z19.web.core.windows.net
Bobcat 430 Hydraulic Hose Diagram Bobcat E10 Hydraulic Hose Diagram bobcat parts online is your official source for parts diagrams and parts lists. Always use these numbers when referring. cover rubber hoses, battery and all other flammable parts. It includes details like the file. s/n a33p11001 & above complete factory service repair manual for the bobcat e10 compact excavator.this manual contains service, repair. this document provides. Bobcat E10 Hydraulic Hose Diagram.
From www.jackssmallengines.com
Bunton, Bobcat, Ryan 942242F (2317 and below) PREDATOR PRO 33HP GEN W Bobcat E10 Hydraulic Hose Diagram It includes details like the file. bobcat parts online is your official source for parts diagrams and parts lists. genuine bobcat e10 excavator digital service manual, 6986788enuspdf provides the owner or operator with detailed service. s/n a33p11001 & above complete factory service repair manual for the bobcat e10 compact excavator.this manual contains service, repair. write the. Bobcat E10 Hydraulic Hose Diagram.
From libbymaikali.blogspot.com
bobcat hydraulic pump diagram LibbyMaikali Bobcat E10 Hydraulic Hose Diagram bobcat excavator e10 hydraulic & electrical schematic. genuine bobcat e10 excavator digital service manual, 6986788enuspdf provides the owner or operator with detailed service. If you plan to purchase parts for regular maintenance or. bobcat parts online is your official source for parts diagrams and parts lists. It includes details like the file. s/n a33p11001 & above. Bobcat E10 Hydraulic Hose Diagram.
From www.autorepairmanuals.ws
Bobcat Compact Excavator E10 Service Manual_6986788 Auto Repair Bobcat E10 Hydraulic Hose Diagram bobcat parts online is your official source for parts diagrams and parts lists. bobcat excavator e10 hydraulic & electrical schematic. If you plan to purchase parts for regular maintenance or. genuine bobcat e10 excavator digital service manual, 6986788enuspdf provides the owner or operator with detailed service. cover rubber hoses, battery and all other flammable parts. . Bobcat E10 Hydraulic Hose Diagram.
From servicepartmanuals.com
Bobcat Machinery E10 Electric and Hydraulic Schematic PDF Bobcat E10 Hydraulic Hose Diagram Always use these numbers when referring. Keep a fire extinguisher near the machine when welding. genuine bobcat e10 excavator digital service manual, 6986788enuspdf provides the owner or operator with detailed service. cover rubber hoses, battery and all other flammable parts. bobcat excavator e10 hydraulic & electrical schematic. If you plan to purchase parts for regular maintenance or.. Bobcat E10 Hydraulic Hose Diagram.
From www.al-mscoastallaw.com
Bobcat 753 Hydraulic Hose Diagram Diagrams Resume Template Bobcat E10 Hydraulic Hose Diagram bobcat parts online is your official source for parts diagrams and parts lists. It includes details like the file. write the correct information for your bobcat excavator in the spaces below. If you plan to purchase parts for regular maintenance or. bobcat excavator e10 hydraulic & electrical schematic. cover rubber hoses, battery and all other flammable. Bobcat E10 Hydraulic Hose Diagram.
From hqservicemanual.com
Bobcat E10 Compact Excavator Service Repair Manual Download 20072015 Bobcat E10 Hydraulic Hose Diagram cover rubber hoses, battery and all other flammable parts. Keep a fire extinguisher near the machine when welding. Always use these numbers when referring. bobcat parts online is your official source for parts diagrams and parts lists. If you plan to purchase parts for regular maintenance or. write the correct information for your bobcat excavator in the. Bobcat E10 Hydraulic Hose Diagram.
From servicepartmanuals.com
Bobcat Excavator E10 Hydraulic & Electrical Schematic Bobcat E10 Hydraulic Hose Diagram write the correct information for your bobcat excavator in the spaces below. genuine bobcat e10 excavator digital service manual, 6986788enuspdf provides the owner or operator with detailed service. bobcat parts online is your official source for parts diagrams and parts lists. Keep a fire extinguisher near the machine when welding. cover rubber hoses, battery and all. Bobcat E10 Hydraulic Hose Diagram.
From www.heydownloads.com
Bobcat E10 Compact Excavator Service Manual 6986788 (0820) PDF Bobcat E10 Hydraulic Hose Diagram s/n a33p11001 & above complete factory service repair manual for the bobcat e10 compact excavator.this manual contains service, repair. Always use these numbers when referring. If you plan to purchase parts for regular maintenance or. bobcat parts online is your official source for parts diagrams and parts lists. write the correct information for your bobcat excavator in. Bobcat E10 Hydraulic Hose Diagram.
From shop.bobcat.com
Hydraulic Hose 7165958 Bobcat Company Bobcat E10 Hydraulic Hose Diagram this document provides a hydraulic and electrical schematic for a bobcat e10 excavator. If you plan to purchase parts for regular maintenance or. cover rubber hoses, battery and all other flammable parts. s/n a33p11001 & above complete factory service repair manual for the bobcat e10 compact excavator.this manual contains service, repair. write the correct information for. Bobcat E10 Hydraulic Hose Diagram.
From www.al-mscoastallaw.com
Bobcat 751 Hydraulic Hose Diagram Diagrams Resume Template Bobcat E10 Hydraulic Hose Diagram If you plan to purchase parts for regular maintenance or. genuine bobcat e10 excavator digital service manual, 6986788enuspdf provides the owner or operator with detailed service. It includes details like the file. Always use these numbers when referring. bobcat parts online is your official source for parts diagrams and parts lists. cover rubber hoses, battery and all. Bobcat E10 Hydraulic Hose Diagram.
From www.autorepairmanuals.ws
Bobcat Compact Excavator E10 Operation and Maintenance Manual 7334487 Bobcat E10 Hydraulic Hose Diagram Always use these numbers when referring. It includes details like the file. bobcat excavator e10 hydraulic & electrical schematic. Keep a fire extinguisher near the machine when welding. this document provides a hydraulic and electrical schematic for a bobcat e10 excavator. cover rubber hoses, battery and all other flammable parts. s/n a33p11001 & above complete factory. Bobcat E10 Hydraulic Hose Diagram.
From servicepartmanuals.com
Bobcat Loader T590 Hydraulic & Electrical Schematic Bobcat E10 Hydraulic Hose Diagram bobcat parts online is your official source for parts diagrams and parts lists. genuine bobcat e10 excavator digital service manual, 6986788enuspdf provides the owner or operator with detailed service. cover rubber hoses, battery and all other flammable parts. Always use these numbers when referring. bobcat excavator e10 hydraulic & electrical schematic. It includes details like the. Bobcat E10 Hydraulic Hose Diagram.
From www.vrogue.co
Diagram Bobcat Hydraulic Pump Diagram Mydiagram Onlin vrogue.co Bobcat E10 Hydraulic Hose Diagram bobcat parts online is your official source for parts diagrams and parts lists. bobcat excavator e10 hydraulic & electrical schematic. Keep a fire extinguisher near the machine when welding. Always use these numbers when referring. It includes details like the file. cover rubber hoses, battery and all other flammable parts. genuine bobcat e10 excavator digital service. Bobcat E10 Hydraulic Hose Diagram.
From www.al-mscoastallaw.com
Bobcat 325 Hydraulic Hose Diagram Diagrams Resume Template Bobcat E10 Hydraulic Hose Diagram this document provides a hydraulic and electrical schematic for a bobcat e10 excavator. If you plan to purchase parts for regular maintenance or. s/n a33p11001 & above complete factory service repair manual for the bobcat e10 compact excavator.this manual contains service, repair. Always use these numbers when referring. genuine bobcat e10 excavator digital service manual, 6986788enuspdf provides. Bobcat E10 Hydraulic Hose Diagram.
From www.epcatalogs.com
Bobcat E10 Compact Excavator Service Manual PDF Download Bobcat E10 Hydraulic Hose Diagram bobcat excavator e10 hydraulic & electrical schematic. this document provides a hydraulic and electrical schematic for a bobcat e10 excavator. genuine bobcat e10 excavator digital service manual, 6986788enuspdf provides the owner or operator with detailed service. cover rubber hoses, battery and all other flammable parts. Keep a fire extinguisher near the machine when welding. write. Bobcat E10 Hydraulic Hose Diagram.
From wiringdiagramyamaha.blogspot.com
Bobcat Hydraulic Pump Diagram wiring diagram yamaha Bobcat E10 Hydraulic Hose Diagram write the correct information for your bobcat excavator in the spaces below. Keep a fire extinguisher near the machine when welding. genuine bobcat e10 excavator digital service manual, 6986788enuspdf provides the owner or operator with detailed service. bobcat excavator e10 hydraulic & electrical schematic. s/n a33p11001 & above complete factory service repair manual for the bobcat. Bobcat E10 Hydraulic Hose Diagram.
From www.al-mscoastallaw.com
Bobcat 753 Hydraulic Hose Diagram Diagrams Resume Template Bobcat E10 Hydraulic Hose Diagram s/n a33p11001 & above complete factory service repair manual for the bobcat e10 compact excavator.this manual contains service, repair. Keep a fire extinguisher near the machine when welding. If you plan to purchase parts for regular maintenance or. bobcat excavator e10 hydraulic & electrical schematic. bobcat parts online is your official source for parts diagrams and parts. Bobcat E10 Hydraulic Hose Diagram.
From autoepcservice.com
Bobcat Excavator E10 Electrical and Hydraulic Schematic Bobcat E10 Hydraulic Hose Diagram cover rubber hoses, battery and all other flammable parts. s/n a33p11001 & above complete factory service repair manual for the bobcat e10 compact excavator.this manual contains service, repair. bobcat parts online is your official source for parts diagrams and parts lists. Always use these numbers when referring. Keep a fire extinguisher near the machine when welding. . Bobcat E10 Hydraulic Hose Diagram.
From www.autorepairmanuals.ws
Bobcat Compact Excavator E10 E10z Operation & Maintenance Manuals Bobcat E10 Hydraulic Hose Diagram cover rubber hoses, battery and all other flammable parts. It includes details like the file. genuine bobcat e10 excavator digital service manual, 6986788enuspdf provides the owner or operator with detailed service. this document provides a hydraulic and electrical schematic for a bobcat e10 excavator. bobcat parts online is your official source for parts diagrams and parts. Bobcat E10 Hydraulic Hose Diagram.
From www.justanswer.com
I have a bobcat mini excavator with hydraulic drive/pump problems, the Bobcat E10 Hydraulic Hose Diagram Keep a fire extinguisher near the machine when welding. s/n a33p11001 & above complete factory service repair manual for the bobcat e10 compact excavator.this manual contains service, repair. bobcat parts online is your official source for parts diagrams and parts lists. this document provides a hydraulic and electrical schematic for a bobcat e10 excavator. Always use these. Bobcat E10 Hydraulic Hose Diagram.
From servicepartmanuals.com
Bobcat Compact Excavator E10 Electrical & Hydraulic Diagram Bobcat E10 Hydraulic Hose Diagram this document provides a hydraulic and electrical schematic for a bobcat e10 excavator. bobcat parts online is your official source for parts diagrams and parts lists. cover rubber hoses, battery and all other flammable parts. bobcat excavator e10 hydraulic & electrical schematic. Always use these numbers when referring. s/n a33p11001 & above complete factory service. Bobcat E10 Hydraulic Hose Diagram.
From enginelibentertain.z4.web.core.windows.net
Bobcat Hydraulic Hose Diagram Bobcat E10 Hydraulic Hose Diagram bobcat excavator e10 hydraulic & electrical schematic. Keep a fire extinguisher near the machine when welding. s/n a33p11001 & above complete factory service repair manual for the bobcat e10 compact excavator.this manual contains service, repair. this document provides a hydraulic and electrical schematic for a bobcat e10 excavator. cover rubber hoses, battery and all other flammable. Bobcat E10 Hydraulic Hose Diagram.
From schematicljubkujei6.z22.web.core.windows.net
Bobcat 763 Hydraulic Hose Diagram Bobcat E10 Hydraulic Hose Diagram bobcat parts online is your official source for parts diagrams and parts lists. It includes details like the file. this document provides a hydraulic and electrical schematic for a bobcat e10 excavator. genuine bobcat e10 excavator digital service manual, 6986788enuspdf provides the owner or operator with detailed service. cover rubber hoses, battery and all other flammable. Bobcat E10 Hydraulic Hose Diagram.
From schematicwaxberry.z21.web.core.windows.net
Basic Hydraulic Pump Schematic Diagram Bobcat E10 Hydraulic Hose Diagram write the correct information for your bobcat excavator in the spaces below. It includes details like the file. Keep a fire extinguisher near the machine when welding. bobcat excavator e10 hydraulic & electrical schematic. this document provides a hydraulic and electrical schematic for a bobcat e10 excavator. Always use these numbers when referring. If you plan to. Bobcat E10 Hydraulic Hose Diagram.
From servicepartmanuals.com
Bobcat Compact Excavator E10 E10z Operation & Maintenance Manuals Bobcat E10 Hydraulic Hose Diagram bobcat parts online is your official source for parts diagrams and parts lists. Always use these numbers when referring. cover rubber hoses, battery and all other flammable parts. Keep a fire extinguisher near the machine when welding. s/n a33p11001 & above complete factory service repair manual for the bobcat e10 compact excavator.this manual contains service, repair. If. Bobcat E10 Hydraulic Hose Diagram.
From www.autorepairmanuals.ws
Bobcat Excavator E10 Electrical and Hydraulic Schematic Auto Repair Bobcat E10 Hydraulic Hose Diagram genuine bobcat e10 excavator digital service manual, 6986788enuspdf provides the owner or operator with detailed service. this document provides a hydraulic and electrical schematic for a bobcat e10 excavator. cover rubber hoses, battery and all other flammable parts. s/n a33p11001 & above complete factory service repair manual for the bobcat e10 compact excavator.this manual contains service,. Bobcat E10 Hydraulic Hose Diagram.
From www.jackssmallengines.com
Bunton, Bobcat, Ryan 933331 36 HYDRO MID16HP KAW ZCTRL Parts Diagram Bobcat E10 Hydraulic Hose Diagram write the correct information for your bobcat excavator in the spaces below. this document provides a hydraulic and electrical schematic for a bobcat e10 excavator. bobcat excavator e10 hydraulic & electrical schematic. genuine bobcat e10 excavator digital service manual, 6986788enuspdf provides the owner or operator with detailed service. cover rubber hoses, battery and all other. Bobcat E10 Hydraulic Hose Diagram.
From autoepcservice.com
Bobcat Compact Excavator E10 Electrical & Hydraulic Diagram Bobcat E10 Hydraulic Hose Diagram It includes details like the file. Always use these numbers when referring. this document provides a hydraulic and electrical schematic for a bobcat e10 excavator. bobcat excavator e10 hydraulic & electrical schematic. If you plan to purchase parts for regular maintenance or. write the correct information for your bobcat excavator in the spaces below. bobcat parts. Bobcat E10 Hydraulic Hose Diagram.
From autoepcservice.com
Bobcat Compact Excavator E10 Electric and Hydraulic Schematic Bobcat E10 Hydraulic Hose Diagram Always use these numbers when referring. bobcat parts online is your official source for parts diagrams and parts lists. this document provides a hydraulic and electrical schematic for a bobcat e10 excavator. If you plan to purchase parts for regular maintenance or. bobcat excavator e10 hydraulic & electrical schematic. It includes details like the file. write. Bobcat E10 Hydraulic Hose Diagram.