Electronic Regulator Pdf . The range of input voltages that can be regulated for a specific range of output voltage and load. Good load regulation means that the output voltage does not change much with changing load resistance. When the ac input (line) voltage of a power supply changes, an electronic circuit called a regulator maintains a nearly constant output voltage. It relies upon the variable conductivity of an active electronic device to. The specifications for this ic indicate: Switching regulators are increasing in popularity because they offer the advantages of higher power conversion. The linear regulator is the original form of the regulating power supply. Electronic voltage regulators are designed by any of the three or a combination of any of the three regulators given below.
from schematiclistgaur55.z22.web.core.windows.net
The specifications for this ic indicate: The range of input voltages that can be regulated for a specific range of output voltage and load. Good load regulation means that the output voltage does not change much with changing load resistance. It relies upon the variable conductivity of an active electronic device to. The linear regulator is the original form of the regulating power supply. When the ac input (line) voltage of a power supply changes, an electronic circuit called a regulator maintains a nearly constant output voltage. Electronic voltage regulators are designed by any of the three or a combination of any of the three regulators given below. Switching regulators are increasing in popularity because they offer the advantages of higher power conversion.
Automatic Voltage Regulator Circuit Diagram Pdf
Electronic Regulator Pdf Electronic voltage regulators are designed by any of the three or a combination of any of the three regulators given below. When the ac input (line) voltage of a power supply changes, an electronic circuit called a regulator maintains a nearly constant output voltage. Good load regulation means that the output voltage does not change much with changing load resistance. The linear regulator is the original form of the regulating power supply. It relies upon the variable conductivity of an active electronic device to. The specifications for this ic indicate: Switching regulators are increasing in popularity because they offer the advantages of higher power conversion. The range of input voltages that can be regulated for a specific range of output voltage and load. Electronic voltage regulators are designed by any of the three or a combination of any of the three regulators given below.
From www.researchcell.com
Voltage Regulator Circuit Electronic Regulator Pdf Switching regulators are increasing in popularity because they offer the advantages of higher power conversion. The linear regulator is the original form of the regulating power supply. Electronic voltage regulators are designed by any of the three or a combination of any of the three regulators given below. The range of input voltages that can be regulated for a specific. Electronic Regulator Pdf.
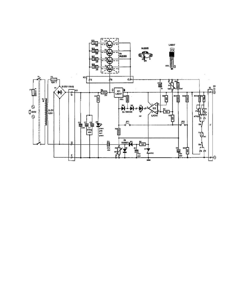
From dokumen.tips
(PDF) Linear and Switching Voltage Regulator · PDF fileIn the switching Electronic Regulator Pdf It relies upon the variable conductivity of an active electronic device to. Electronic voltage regulators are designed by any of the three or a combination of any of the three regulators given below. The range of input voltages that can be regulated for a specific range of output voltage and load. Good load regulation means that the output voltage does. Electronic Regulator Pdf.
From www.scribd.com
LM317, NCV317 1.5 A Adjustable Output, Positive Voltage Regulator PDF Electronic Regulator Pdf Electronic voltage regulators are designed by any of the three or a combination of any of the three regulators given below. Good load regulation means that the output voltage does not change much with changing load resistance. The specifications for this ic indicate: Switching regulators are increasing in popularity because they offer the advantages of higher power conversion. When the. Electronic Regulator Pdf.
From goldammer-regelungstechnik.com
Level regulator with ventilation filter BL Goldammer Regelungstechnik Electronic Regulator Pdf The range of input voltages that can be regulated for a specific range of output voltage and load. The specifications for this ic indicate: It relies upon the variable conductivity of an active electronic device to. Electronic voltage regulators are designed by any of the three or a combination of any of the three regulators given below. Good load regulation. Electronic Regulator Pdf.
From goldammer-regelungstechnik.com
Indicator temperatureelectronicregulator IND Goldammer Electronic Regulator Pdf The specifications for this ic indicate: The linear regulator is the original form of the regulating power supply. Switching regulators are increasing in popularity because they offer the advantages of higher power conversion. When the ac input (line) voltage of a power supply changes, an electronic circuit called a regulator maintains a nearly constant output voltage. The range of input. Electronic Regulator Pdf.
From goldammer-regelungstechnik.com
Indicator temperatureelectronicregulator IND Goldammer Electronic Regulator Pdf Good load regulation means that the output voltage does not change much with changing load resistance. The linear regulator is the original form of the regulating power supply. Electronic voltage regulators are designed by any of the three or a combination of any of the three regulators given below. Switching regulators are increasing in popularity because they offer the advantages. Electronic Regulator Pdf.
From schematiclistgaur55.z22.web.core.windows.net
Automatic Voltage Regulator Circuit Diagram Pdf Electronic Regulator Pdf Electronic voltage regulators are designed by any of the three or a combination of any of the three regulators given below. The linear regulator is the original form of the regulating power supply. When the ac input (line) voltage of a power supply changes, an electronic circuit called a regulator maintains a nearly constant output voltage. The specifications for this. Electronic Regulator Pdf.
From www.scribd.com
Electronics Automatic Voltage Regulator PDF Fuse (Electrical Electronic Regulator Pdf The range of input voltages that can be regulated for a specific range of output voltage and load. The linear regulator is the original form of the regulating power supply. Switching regulators are increasing in popularity because they offer the advantages of higher power conversion. Good load regulation means that the output voltage does not change much with changing load. Electronic Regulator Pdf.
From www.controlair.com
Type 1005V Electronic Vacuum Regulator ControlAir Electronic Regulator Pdf Good load regulation means that the output voltage does not change much with changing load resistance. The range of input voltages that can be regulated for a specific range of output voltage and load. When the ac input (line) voltage of a power supply changes, an electronic circuit called a regulator maintains a nearly constant output voltage. It relies upon. Electronic Regulator Pdf.
From www.scribd.com
Remote Controlled Fan Regulator PDF Electronic Circuits Remote Electronic Regulator Pdf The specifications for this ic indicate: Good load regulation means that the output voltage does not change much with changing load resistance. It relies upon the variable conductivity of an active electronic device to. When the ac input (line) voltage of a power supply changes, an electronic circuit called a regulator maintains a nearly constant output voltage. The range of. Electronic Regulator Pdf.
From elpos.hr
Digital electronic regulator ETR21550 ELPOS heating Electronic Regulator Pdf Switching regulators are increasing in popularity because they offer the advantages of higher power conversion. When the ac input (line) voltage of a power supply changes, an electronic circuit called a regulator maintains a nearly constant output voltage. The specifications for this ic indicate: The range of input voltages that can be regulated for a specific range of output voltage. Electronic Regulator Pdf.
From goldammer-regelungstechnik.com
Indicator temperatureelectronicregulator IND Goldammer Electronic Regulator Pdf When the ac input (line) voltage of a power supply changes, an electronic circuit called a regulator maintains a nearly constant output voltage. Electronic voltage regulators are designed by any of the three or a combination of any of the three regulators given below. Switching regulators are increasing in popularity because they offer the advantages of higher power conversion. The. Electronic Regulator Pdf.
From sonelec-musique.com
Electronique Theorie Regulateurs de tension Electronic Regulator Pdf It relies upon the variable conductivity of an active electronic device to. The specifications for this ic indicate: The range of input voltages that can be regulated for a specific range of output voltage and load. Switching regulators are increasing in popularity because they offer the advantages of higher power conversion. Good load regulation means that the output voltage does. Electronic Regulator Pdf.
From www.scribd.com
Regulateur PDF Power Supply Switch Electronic Regulator Pdf The range of input voltages that can be regulated for a specific range of output voltage and load. The specifications for this ic indicate: Good load regulation means that the output voltage does not change much with changing load resistance. Electronic voltage regulators are designed by any of the three or a combination of any of the three regulators given. Electronic Regulator Pdf.
From citizenside.com
What Are Voltage Regulators and How Do They Work in Electronics Electronic Regulator Pdf Electronic voltage regulators are designed by any of the three or a combination of any of the three regulators given below. Switching regulators are increasing in popularity because they offer the advantages of higher power conversion. It relies upon the variable conductivity of an active electronic device to. When the ac input (line) voltage of a power supply changes, an. Electronic Regulator Pdf.
From blog.mensor.com
What is a Pressure Regulator and Difference Between Various Types? Electronic Regulator Pdf Good load regulation means that the output voltage does not change much with changing load resistance. It relies upon the variable conductivity of an active electronic device to. The specifications for this ic indicate: When the ac input (line) voltage of a power supply changes, an electronic circuit called a regulator maintains a nearly constant output voltage. Electronic voltage regulators. Electronic Regulator Pdf.
From goldammer-regelungstechnik.com
Indicator temperatureelectronicregulator IND Goldammer Electronic Regulator Pdf The linear regulator is the original form of the regulating power supply. The range of input voltages that can be regulated for a specific range of output voltage and load. It relies upon the variable conductivity of an active electronic device to. Switching regulators are increasing in popularity because they offer the advantages of higher power conversion. Electronic voltage regulators. Electronic Regulator Pdf.
From www.lazada.com.ph
Electronic Regulator Electronic Generator High Reliability Stability Electronic Regulator Pdf The specifications for this ic indicate: Good load regulation means that the output voltage does not change much with changing load resistance. Electronic voltage regulators are designed by any of the three or a combination of any of the three regulators given below. Switching regulators are increasing in popularity because they offer the advantages of higher power conversion. It relies. Electronic Regulator Pdf.
From www.circuitbasics.com
How to Make Voltage Regulator Circuits Circuit Basics Electronic Regulator Pdf The specifications for this ic indicate: Good load regulation means that the output voltage does not change much with changing load resistance. When the ac input (line) voltage of a power supply changes, an electronic circuit called a regulator maintains a nearly constant output voltage. Electronic voltage regulators are designed by any of the three or a combination of any. Electronic Regulator Pdf.
From circuitenginesylph123.z21.web.core.windows.net
Dc Variable Voltage Regulator Circuit Diagram Electronic Regulator Pdf The linear regulator is the original form of the regulating power supply. The specifications for this ic indicate: When the ac input (line) voltage of a power supply changes, an electronic circuit called a regulator maintains a nearly constant output voltage. Switching regulators are increasing in popularity because they offer the advantages of higher power conversion. Electronic voltage regulators are. Electronic Regulator Pdf.
From marotta.com
Electronic Pressure Regulator Marotta Controls Electronic Regulator Pdf The specifications for this ic indicate: Electronic voltage regulators are designed by any of the three or a combination of any of the three regulators given below. The range of input voltages that can be regulated for a specific range of output voltage and load. Good load regulation means that the output voltage does not change much with changing load. Electronic Regulator Pdf.
From www.scribd.com
RWI65.01 régulateur.pdf Compatibilité électromagnétique Automation Electronic Regulator Pdf The range of input voltages that can be regulated for a specific range of output voltage and load. It relies upon the variable conductivity of an active electronic device to. The linear regulator is the original form of the regulating power supply. Electronic voltage regulators are designed by any of the three or a combination of any of the three. Electronic Regulator Pdf.
From elecdiags.com
An indepth guide to understanding the alternator IC regulator diagram Electronic Regulator Pdf The specifications for this ic indicate: Electronic voltage regulators are designed by any of the three or a combination of any of the three regulators given below. It relies upon the variable conductivity of an active electronic device to. The linear regulator is the original form of the regulating power supply. When the ac input (line) voltage of a power. Electronic Regulator Pdf.
From www.scribd.com
LM317 I LM358 Regulator PDF Electronic Regulator Pdf Electronic voltage regulators are designed by any of the three or a combination of any of the three regulators given below. It relies upon the variable conductivity of an active electronic device to. The specifications for this ic indicate: When the ac input (line) voltage of a power supply changes, an electronic circuit called a regulator maintains a nearly constant. Electronic Regulator Pdf.
From andowell.com
4000W highpower thyristor electronic voltage regulator Andowell Electronic Regulator Pdf Good load regulation means that the output voltage does not change much with changing load resistance. Electronic voltage regulators are designed by any of the three or a combination of any of the three regulators given below. When the ac input (line) voltage of a power supply changes, an electronic circuit called a regulator maintains a nearly constant output voltage.. Electronic Regulator Pdf.
From www.circuitbread.com
How is the electronic fan regulator different from the… CircuitBread Electronic Regulator Pdf Switching regulators are increasing in popularity because they offer the advantages of higher power conversion. When the ac input (line) voltage of a power supply changes, an electronic circuit called a regulator maintains a nearly constant output voltage. Good load regulation means that the output voltage does not change much with changing load resistance. It relies upon the variable conductivity. Electronic Regulator Pdf.
From goldammer-regelungstechnik.com
Indicator temperatureelectronicregulator IND Goldammer Electronic Regulator Pdf Electronic voltage regulators are designed by any of the three or a combination of any of the three regulators given below. It relies upon the variable conductivity of an active electronic device to. Good load regulation means that the output voltage does not change much with changing load resistance. Switching regulators are increasing in popularity because they offer the advantages. Electronic Regulator Pdf.
From www.controlair.com
Type 1000P ElectroPneumatic Precision Pressure Regulator ControlAir Electronic Regulator Pdf When the ac input (line) voltage of a power supply changes, an electronic circuit called a regulator maintains a nearly constant output voltage. The range of input voltages that can be regulated for a specific range of output voltage and load. The specifications for this ic indicate: It relies upon the variable conductivity of an active electronic device to. Electronic. Electronic Regulator Pdf.
From www.scribd.com
International Rectifier IRVR101 LIN Controlled Alternator Voltage Electronic Regulator Pdf Switching regulators are increasing in popularity because they offer the advantages of higher power conversion. The range of input voltages that can be regulated for a specific range of output voltage and load. Good load regulation means that the output voltage does not change much with changing load resistance. When the ac input (line) voltage of a power supply changes,. Electronic Regulator Pdf.
From en.wikipedia.org
Voltage regulator Wikipedia Electronic Regulator Pdf The specifications for this ic indicate: The range of input voltages that can be regulated for a specific range of output voltage and load. Good load regulation means that the output voltage does not change much with changing load resistance. The linear regulator is the original form of the regulating power supply. It relies upon the variable conductivity of an. Electronic Regulator Pdf.
From www.scribd.com
Voltage Regulator PDF PDF Transformer Electrical Substation Electronic Regulator Pdf The range of input voltages that can be regulated for a specific range of output voltage and load. When the ac input (line) voltage of a power supply changes, an electronic circuit called a regulator maintains a nearly constant output voltage. The specifications for this ic indicate: It relies upon the variable conductivity of an active electronic device to. Electronic. Electronic Regulator Pdf.
From pdfslide.net
(PDF) ElectroPneumatic Regulator Electronic Vacuum RegulatorSeries Electronic Regulator Pdf The range of input voltages that can be regulated for a specific range of output voltage and load. The linear regulator is the original form of the regulating power supply. It relies upon the variable conductivity of an active electronic device to. The specifications for this ic indicate: Switching regulators are increasing in popularity because they offer the advantages of. Electronic Regulator Pdf.
From www.scribd.com
Experiment 4 Voltage Regulator PDF Electric Generator Voltage Electronic Regulator Pdf The range of input voltages that can be regulated for a specific range of output voltage and load. Electronic voltage regulators are designed by any of the three or a combination of any of the three regulators given below. Switching regulators are increasing in popularity because they offer the advantages of higher power conversion. Good load regulation means that the. Electronic Regulator Pdf.
From fixmanualhimmel.z19.web.core.windows.net
12v To 5v Regulator Circuit Diagram Electronic Regulator Pdf It relies upon the variable conductivity of an active electronic device to. The linear regulator is the original form of the regulating power supply. Electronic voltage regulators are designed by any of the three or a combination of any of the three regulators given below. Switching regulators are increasing in popularity because they offer the advantages of higher power conversion.. Electronic Regulator Pdf.
From www.electricity-magnetism.org
Integrated Circuit Voltage Regulator How it works, Application Electronic Regulator Pdf When the ac input (line) voltage of a power supply changes, an electronic circuit called a regulator maintains a nearly constant output voltage. Electronic voltage regulators are designed by any of the three or a combination of any of the three regulators given below. Good load regulation means that the output voltage does not change much with changing load resistance.. Electronic Regulator Pdf.