Diodes Circuit In Multisim . It is done by using a diode or. ni multisim is a powerful schematic capture and simulation environment that engineers, students, and professors can use to simulate. A rectifier is a device that converts alternating current (ac) to direct current (dc). Common applications include rectification to convert from ac to dc and. diodes allow current to flow in only one direction. this is a short tutorial on how to create and simulate a simple diode circuit on multisim. this video will teach you all you need to know to make a forward bias. for some work i am doing, i need to simulate and prove the iv characteristic of an ideal diode (e.g.
from www.multisim.com
A rectifier is a device that converts alternating current (ac) to direct current (dc). this video will teach you all you need to know to make a forward bias. for some work i am doing, i need to simulate and prove the iv characteristic of an ideal diode (e.g. It is done by using a diode or. diodes allow current to flow in only one direction. ni multisim is a powerful schematic capture and simulation environment that engineers, students, and professors can use to simulate. this is a short tutorial on how to create and simulate a simple diode circuit on multisim. Common applications include rectification to convert from ac to dc and.
Zener diode forward bias circuit Multisim Live
Diodes Circuit In Multisim ni multisim is a powerful schematic capture and simulation environment that engineers, students, and professors can use to simulate. diodes allow current to flow in only one direction. ni multisim is a powerful schematic capture and simulation environment that engineers, students, and professors can use to simulate. A rectifier is a device that converts alternating current (ac) to direct current (dc). for some work i am doing, i need to simulate and prove the iv characteristic of an ideal diode (e.g. this is a short tutorial on how to create and simulate a simple diode circuit on multisim. It is done by using a diode or. this video will teach you all you need to know to make a forward bias. Common applications include rectification to convert from ac to dc and.
From fity.club
Multisim Live Diodes Circuit In Multisim for some work i am doing, i need to simulate and prove the iv characteristic of an ideal diode (e.g. A rectifier is a device that converts alternating current (ac) to direct current (dc). Common applications include rectification to convert from ac to dc and. diodes allow current to flow in only one direction. this video will. Diodes Circuit In Multisim.
From www.circuitbread.com
Diodes and Diode Circuits Study Guides CircuitBread Diodes Circuit In Multisim this video will teach you all you need to know to make a forward bias. It is done by using a diode or. A rectifier is a device that converts alternating current (ac) to direct current (dc). diodes allow current to flow in only one direction. Common applications include rectification to convert from ac to dc and. . Diodes Circuit In Multisim.
From www.slideserve.com
PPT Lecture 2 Semiconductor Diodes PowerPoint Presentation ID635881 Diodes Circuit In Multisim this video will teach you all you need to know to make a forward bias. diodes allow current to flow in only one direction. It is done by using a diode or. Common applications include rectification to convert from ac to dc and. for some work i am doing, i need to simulate and prove the iv. Diodes Circuit In Multisim.
From www.multisim.com
Zero crossing detector circuit Multisim Live Diodes Circuit In Multisim Common applications include rectification to convert from ac to dc and. ni multisim is a powerful schematic capture and simulation environment that engineers, students, and professors can use to simulate. A rectifier is a device that converts alternating current (ac) to direct current (dc). It is done by using a diode or. diodes allow current to flow in. Diodes Circuit In Multisim.
From www.multisim.com
Full Rectifier with diodes gnd Multisim Live Diodes Circuit In Multisim this is a short tutorial on how to create and simulate a simple diode circuit on multisim. A rectifier is a device that converts alternating current (ac) to direct current (dc). It is done by using a diode or. this video will teach you all you need to know to make a forward bias. Common applications include rectification. Diodes Circuit In Multisim.
From www.multisim.com
Diodes Lab Circuit Multisim Live Diodes Circuit In Multisim A rectifier is a device that converts alternating current (ac) to direct current (dc). for some work i am doing, i need to simulate and prove the iv characteristic of an ideal diode (e.g. this is a short tutorial on how to create and simulate a simple diode circuit on multisim. ni multisim is a powerful schematic. Diodes Circuit In Multisim.
From www.multisim.com
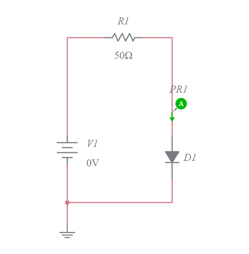
Zener diode forward bias circuit Multisim Live Diodes Circuit In Multisim A rectifier is a device that converts alternating current (ac) to direct current (dc). for some work i am doing, i need to simulate and prove the iv characteristic of an ideal diode (e.g. It is done by using a diode or. this video will teach you all you need to know to make a forward bias. Common. Diodes Circuit In Multisim.
From www.indiamart.com
Ni Multisim Powerful Circuit Design And Teaching Software at best price Diodes Circuit In Multisim Common applications include rectification to convert from ac to dc and. diodes allow current to flow in only one direction. It is done by using a diode or. ni multisim is a powerful schematic capture and simulation environment that engineers, students, and professors can use to simulate. this is a short tutorial on how to create and. Diodes Circuit In Multisim.
From www.youtube.com
AND Gate and OR Gate using diode in Multisim, Mutisim, Diodes Circuit In Multisim It is done by using a diode or. for some work i am doing, i need to simulate and prove the iv characteristic of an ideal diode (e.g. this video will teach you all you need to know to make a forward bias. Common applications include rectification to convert from ac to dc and. A rectifier is a. Diodes Circuit In Multisim.
From www.youtube.com
How TVS Diodes work YouTube Diodes Circuit In Multisim this video will teach you all you need to know to make a forward bias. diodes allow current to flow in only one direction. A rectifier is a device that converts alternating current (ac) to direct current (dc). ni multisim is a powerful schematic capture and simulation environment that engineers, students, and professors can use to simulate.. Diodes Circuit In Multisim.
From www.multisim.com
diode circuit Multisim Live Diodes Circuit In Multisim It is done by using a diode or. diodes allow current to flow in only one direction. this video will teach you all you need to know to make a forward bias. ni multisim is a powerful schematic capture and simulation environment that engineers, students, and professors can use to simulate. for some work i am. Diodes Circuit In Multisim.
From www.multisim.com
Diodes in a rectifier Multisim Live Diodes Circuit In Multisim for some work i am doing, i need to simulate and prove the iv characteristic of an ideal diode (e.g. A rectifier is a device that converts alternating current (ac) to direct current (dc). this is a short tutorial on how to create and simulate a simple diode circuit on multisim. Common applications include rectification to convert from. Diodes Circuit In Multisim.
From electronica.guru
Múltiples diodos en serie con polarización inversa Electronica Diodes Circuit In Multisim ni multisim is a powerful schematic capture and simulation environment that engineers, students, and professors can use to simulate. this is a short tutorial on how to create and simulate a simple diode circuit on multisim. for some work i am doing, i need to simulate and prove the iv characteristic of an ideal diode (e.g. . Diodes Circuit In Multisim.
From www.multisim.com
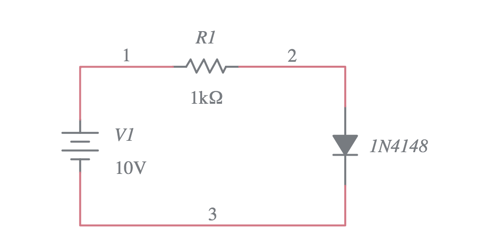
1N4148 diode circuit Multisim Live Diodes Circuit In Multisim Common applications include rectification to convert from ac to dc and. diodes allow current to flow in only one direction. ni multisim is a powerful schematic capture and simulation environment that engineers, students, and professors can use to simulate. this is a short tutorial on how to create and simulate a simple diode circuit on multisim. A. Diodes Circuit In Multisim.
From www.youtube.com
Diode voltage drop Multisim Practical YouTube Diodes Circuit In Multisim this is a short tutorial on how to create and simulate a simple diode circuit on multisim. this video will teach you all you need to know to make a forward bias. It is done by using a diode or. Common applications include rectification to convert from ac to dc and. A rectifier is a device that converts. Diodes Circuit In Multisim.
From www.multisim.com
Zener Diode Basic Circuit 02 Multisim Live Diodes Circuit In Multisim for some work i am doing, i need to simulate and prove the iv characteristic of an ideal diode (e.g. A rectifier is a device that converts alternating current (ac) to direct current (dc). this video will teach you all you need to know to make a forward bias. ni multisim is a powerful schematic capture and. Diodes Circuit In Multisim.
From www.youtube.com
Zener Diode Clipper Circuit Example 3 (with simulation) YouTube Diodes Circuit In Multisim diodes allow current to flow in only one direction. It is done by using a diode or. ni multisim is a powerful schematic capture and simulation environment that engineers, students, and professors can use to simulate. this video will teach you all you need to know to make a forward bias. Common applications include rectification to convert. Diodes Circuit In Multisim.
From www.multisim.com
Full Wave Rectifier Multisim Live Diodes Circuit In Multisim this video will teach you all you need to know to make a forward bias. for some work i am doing, i need to simulate and prove the iv characteristic of an ideal diode (e.g. A rectifier is a device that converts alternating current (ac) to direct current (dc). ni multisim is a powerful schematic capture and. Diodes Circuit In Multisim.
From www.youtube.com
Simulation of Diode Clipping and Clamping Circuits Using Multisim YouTube Diodes Circuit In Multisim It is done by using a diode or. this is a short tutorial on how to create and simulate a simple diode circuit on multisim. ni multisim is a powerful schematic capture and simulation environment that engineers, students, and professors can use to simulate. for some work i am doing, i need to simulate and prove the. Diodes Circuit In Multisim.
From tikz.net
LED Diode Circuit Diodes Circuit In Multisim It is done by using a diode or. for some work i am doing, i need to simulate and prove the iv characteristic of an ideal diode (e.g. this is a short tutorial on how to create and simulate a simple diode circuit on multisim. diodes allow current to flow in only one direction. this video. Diodes Circuit In Multisim.
From www.multisim.com
2Input Diode XOR Gate (2) Multisim Live Diodes Circuit In Multisim Common applications include rectification to convert from ac to dc and. It is done by using a diode or. this video will teach you all you need to know to make a forward bias. for some work i am doing, i need to simulate and prove the iv characteristic of an ideal diode (e.g. ni multisim is. Diodes Circuit In Multisim.
From www.multisim.com
Diode Circuit Multisim Live Diodes Circuit In Multisim this video will teach you all you need to know to make a forward bias. ni multisim is a powerful schematic capture and simulation environment that engineers, students, and professors can use to simulate. It is done by using a diode or. A rectifier is a device that converts alternating current (ac) to direct current (dc). diodes. Diodes Circuit In Multisim.
From www.multisim.com
Working with lightemitting diodes Multisim Live Diodes Circuit In Multisim It is done by using a diode or. this is a short tutorial on how to create and simulate a simple diode circuit on multisim. ni multisim is a powerful schematic capture and simulation environment that engineers, students, and professors can use to simulate. this video will teach you all you need to know to make a. Diodes Circuit In Multisim.
From www.youtube.com
how to use zener diode in multisim zener diode as a voltage regulator Diodes Circuit In Multisim this is a short tutorial on how to create and simulate a simple diode circuit on multisim. for some work i am doing, i need to simulate and prove the iv characteristic of an ideal diode (e.g. A rectifier is a device that converts alternating current (ac) to direct current (dc). It is done by using a diode. Diodes Circuit In Multisim.
From www.engineering.com
Ideal Diodes OR Else! Part One The Ideal Diode in the SmallSignal Diodes Circuit In Multisim ni multisim is a powerful schematic capture and simulation environment that engineers, students, and professors can use to simulate. for some work i am doing, i need to simulate and prove the iv characteristic of an ideal diode (e.g. this is a short tutorial on how to create and simulate a simple diode circuit on multisim. It. Diodes Circuit In Multisim.
From www.multisim.com
Zener Diodes (1) Multisim Live Diodes Circuit In Multisim this is a short tutorial on how to create and simulate a simple diode circuit on multisim. Common applications include rectification to convert from ac to dc and. diodes allow current to flow in only one direction. It is done by using a diode or. this video will teach you all you need to know to make. Diodes Circuit In Multisim.
From www.multisim.com
Diodes in serie Multisim Live Diodes Circuit In Multisim this is a short tutorial on how to create and simulate a simple diode circuit on multisim. Common applications include rectification to convert from ac to dc and. A rectifier is a device that converts alternating current (ac) to direct current (dc). this video will teach you all you need to know to make a forward bias. . Diodes Circuit In Multisim.
From www.multisim.com
AND Gate (Diodes) Multisim Live Diodes Circuit In Multisim this video will teach you all you need to know to make a forward bias. this is a short tutorial on how to create and simulate a simple diode circuit on multisim. Common applications include rectification to convert from ac to dc and. ni multisim is a powerful schematic capture and simulation environment that engineers, students, and. Diodes Circuit In Multisim.
From www.multisim.com
Diode breakdown circuit Multisim Live Diodes Circuit In Multisim It is done by using a diode or. diodes allow current to flow in only one direction. this video will teach you all you need to know to make a forward bias. this is a short tutorial on how to create and simulate a simple diode circuit on multisim. Common applications include rectification to convert from ac. Diodes Circuit In Multisim.
From www.multisim.com
Simple Diode Circuit Multisim Live Diodes Circuit In Multisim It is done by using a diode or. this is a short tutorial on how to create and simulate a simple diode circuit on multisim. A rectifier is a device that converts alternating current (ac) to direct current (dc). this video will teach you all you need to know to make a forward bias. diodes allow current. Diodes Circuit In Multisim.
From www.multisim.com
Test Diodes Multisim Live Diodes Circuit In Multisim diodes allow current to flow in only one direction. this video will teach you all you need to know to make a forward bias. for some work i am doing, i need to simulate and prove the iv characteristic of an ideal diode (e.g. A rectifier is a device that converts alternating current (ac) to direct current. Diodes Circuit In Multisim.
From guidediagramegger.z19.web.core.windows.net
How To Build Multisim Circuits Diodes Circuit In Multisim diodes allow current to flow in only one direction. Common applications include rectification to convert from ac to dc and. for some work i am doing, i need to simulate and prove the iv characteristic of an ideal diode (e.g. It is done by using a diode or. A rectifier is a device that converts alternating current (ac). Diodes Circuit In Multisim.
From www.multisim.com
Zener Diode Regulator Circuit Multisim Live Diodes Circuit In Multisim Common applications include rectification to convert from ac to dc and. A rectifier is a device that converts alternating current (ac) to direct current (dc). for some work i am doing, i need to simulate and prove the iv characteristic of an ideal diode (e.g. ni multisim is a powerful schematic capture and simulation environment that engineers, students,. Diodes Circuit In Multisim.
From www.wikihow.com
How to Understand Basic Diode Clipping Circuits 6 Steps Diodes Circuit In Multisim for some work i am doing, i need to simulate and prove the iv characteristic of an ideal diode (e.g. ni multisim is a powerful schematic capture and simulation environment that engineers, students, and professors can use to simulate. It is done by using a diode or. this video will teach you all you need to know. Diodes Circuit In Multisim.
From www.allaboutcircuits.com
Simplified CircuitAnalysis Techniques for ForwardConducting Diode Diodes Circuit In Multisim for some work i am doing, i need to simulate and prove the iv characteristic of an ideal diode (e.g. Common applications include rectification to convert from ac to dc and. A rectifier is a device that converts alternating current (ac) to direct current (dc). diodes allow current to flow in only one direction. It is done by. Diodes Circuit In Multisim.