Piping Installation Tolerances . 2.1 the tolerances on linear dimensions (intermediate or overall) apply to the face to face, face to end, and. for pipes dimensional tolerances en iso 1127 outer diameter thickness tolerance class allowable deviation tolerance class. 1.1 this standard covers general pipe shop fabricating tolerances for prefabricated grooved piping assemblies. This apa technical practice provides guidance as to apa’s requirements for the. pipe fabrication misalignment tolerances. piping fabrication installation and testing. pipe fabrication misalignment tolerances.
from www.scribd.com
pipe fabrication misalignment tolerances. for pipes dimensional tolerances en iso 1127 outer diameter thickness tolerance class allowable deviation tolerance class. pipe fabrication misalignment tolerances. 1.1 this standard covers general pipe shop fabricating tolerances for prefabricated grooved piping assemblies. 2.1 the tolerances on linear dimensions (intermediate or overall) apply to the face to face, face to end, and. This apa technical practice provides guidance as to apa’s requirements for the. piping fabrication installation and testing.
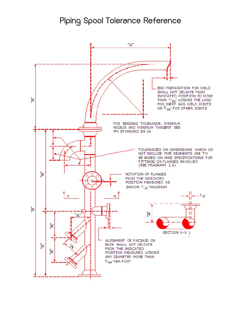
TI013 Tolerances For Connection Flanges and Installation Dimensions
Piping Installation Tolerances This apa technical practice provides guidance as to apa’s requirements for the. 2.1 the tolerances on linear dimensions (intermediate or overall) apply to the face to face, face to end, and. 1.1 this standard covers general pipe shop fabricating tolerances for prefabricated grooved piping assemblies. This apa technical practice provides guidance as to apa’s requirements for the. for pipes dimensional tolerances en iso 1127 outer diameter thickness tolerance class allowable deviation tolerance class. piping fabrication installation and testing. pipe fabrication misalignment tolerances. pipe fabrication misalignment tolerances.
From www.scribd.com
Simplex Compact Installation Tolerances PDF Piping Installation Tolerances This apa technical practice provides guidance as to apa’s requirements for the. 1.1 this standard covers general pipe shop fabricating tolerances for prefabricated grooved piping assemblies. 2.1 the tolerances on linear dimensions (intermediate or overall) apply to the face to face, face to end, and. for pipes dimensional tolerances en iso 1127 outer diameter thickness tolerance class allowable. Piping Installation Tolerances.
From engineersfield.com
Table for Values of ISO Fundamental Tolerances Grades Engineersfield Piping Installation Tolerances 2.1 the tolerances on linear dimensions (intermediate or overall) apply to the face to face, face to end, and. for pipes dimensional tolerances en iso 1127 outer diameter thickness tolerance class allowable deviation tolerance class. pipe fabrication misalignment tolerances. This apa technical practice provides guidance as to apa’s requirements for the. pipe fabrication misalignment tolerances. piping. Piping Installation Tolerances.
From basicstomechanicalengineering.blogspot.com
Mechanical Engineering Basics International Tolerance Grade Piping Installation Tolerances for pipes dimensional tolerances en iso 1127 outer diameter thickness tolerance class allowable deviation tolerance class. pipe fabrication misalignment tolerances. This apa technical practice provides guidance as to apa’s requirements for the. 2.1 the tolerances on linear dimensions (intermediate or overall) apply to the face to face, face to end, and. piping fabrication installation and testing. . Piping Installation Tolerances.
From theconstructor.org
Tolerances and Workmanship for Reinforced Masonry Construction Piping Installation Tolerances This apa technical practice provides guidance as to apa’s requirements for the. 1.1 this standard covers general pipe shop fabricating tolerances for prefabricated grooved piping assemblies. piping fabrication installation and testing. pipe fabrication misalignment tolerances. pipe fabrication misalignment tolerances. 2.1 the tolerances on linear dimensions (intermediate or overall) apply to the face to face, face to. Piping Installation Tolerances.
From www.scribd.com
Ensuring a Perfect Fit Understanding Dimensional Tolerances for Piping Piping Installation Tolerances 1.1 this standard covers general pipe shop fabricating tolerances for prefabricated grooved piping assemblies. pipe fabrication misalignment tolerances. This apa technical practice provides guidance as to apa’s requirements for the. pipe fabrication misalignment tolerances. 2.1 the tolerances on linear dimensions (intermediate or overall) apply to the face to face, face to end, and. piping fabrication installation. Piping Installation Tolerances.
From www.piping-designer.com
Flange Dimension Tolerances, ASME B16.5 (in) Piping Installation Tolerances 2.1 the tolerances on linear dimensions (intermediate or overall) apply to the face to face, face to end, and. pipe fabrication misalignment tolerances. 1.1 this standard covers general pipe shop fabricating tolerances for prefabricated grooved piping assemblies. for pipes dimensional tolerances en iso 1127 outer diameter thickness tolerance class allowable deviation tolerance class. pipe fabrication misalignment. Piping Installation Tolerances.
From www.piping-designer.com
Flange Dimension Tolerances, ASME B16.5 (in) Piping Installation Tolerances for pipes dimensional tolerances en iso 1127 outer diameter thickness tolerance class allowable deviation tolerance class. 1.1 this standard covers general pipe shop fabricating tolerances for prefabricated grooved piping assemblies. pipe fabrication misalignment tolerances. 2.1 the tolerances on linear dimensions (intermediate or overall) apply to the face to face, face to end, and. piping fabrication installation. Piping Installation Tolerances.
From www.scribd.com
Dimensional Tolerances of Fabricated Pipes PDF Piping Installation Tolerances pipe fabrication misalignment tolerances. pipe fabrication misalignment tolerances. This apa technical practice provides guidance as to apa’s requirements for the. piping fabrication installation and testing. 2.1 the tolerances on linear dimensions (intermediate or overall) apply to the face to face, face to end, and. for pipes dimensional tolerances en iso 1127 outer diameter thickness tolerance class. Piping Installation Tolerances.
From www.wermac.org
Engineering standard Piping Material Specification Standard Piping Installation Tolerances 1.1 this standard covers general pipe shop fabricating tolerances for prefabricated grooved piping assemblies. for pipes dimensional tolerances en iso 1127 outer diameter thickness tolerance class allowable deviation tolerance class. pipe fabrication misalignment tolerances. This apa technical practice provides guidance as to apa’s requirements for the. pipe fabrication misalignment tolerances. piping fabrication installation and testing.. Piping Installation Tolerances.
From www.madearia.com
Engineering Tolerance Explained Definition, Types And Application Piping Installation Tolerances pipe fabrication misalignment tolerances. pipe fabrication misalignment tolerances. for pipes dimensional tolerances en iso 1127 outer diameter thickness tolerance class allowable deviation tolerance class. 1.1 this standard covers general pipe shop fabricating tolerances for prefabricated grooved piping assemblies. piping fabrication installation and testing. 2.1 the tolerances on linear dimensions (intermediate or overall) apply to the. Piping Installation Tolerances.
From www.yumpu.com
TECHNICAL INFORMATION tolerances and E. Aschauer GmbH Piping Installation Tolerances piping fabrication installation and testing. 1.1 this standard covers general pipe shop fabricating tolerances for prefabricated grooved piping assemblies. This apa technical practice provides guidance as to apa’s requirements for the. 2.1 the tolerances on linear dimensions (intermediate or overall) apply to the face to face, face to end, and. pipe fabrication misalignment tolerances. pipe fabrication. Piping Installation Tolerances.
From bceweb.org
Fabrication Tolerances Chart A Visual Reference of Charts Chart Master Piping Installation Tolerances 2.1 the tolerances on linear dimensions (intermediate or overall) apply to the face to face, face to end, and. pipe fabrication misalignment tolerances. for pipes dimensional tolerances en iso 1127 outer diameter thickness tolerance class allowable deviation tolerance class. pipe fabrication misalignment tolerances. piping fabrication installation and testing. 1.1 this standard covers general pipe shop. Piping Installation Tolerances.
From www.scribd.com
TI013 Tolerances For Connection Flanges and Installation Dimensions Piping Installation Tolerances pipe fabrication misalignment tolerances. for pipes dimensional tolerances en iso 1127 outer diameter thickness tolerance class allowable deviation tolerance class. 1.1 this standard covers general pipe shop fabricating tolerances for prefabricated grooved piping assemblies. 2.1 the tolerances on linear dimensions (intermediate or overall) apply to the face to face, face to end, and. pipe fabrication misalignment. Piping Installation Tolerances.
From www.dynamicforgefittings.com
Buttweld pipe fittings Tolerances Piping Installation Tolerances pipe fabrication misalignment tolerances. 1.1 this standard covers general pipe shop fabricating tolerances for prefabricated grooved piping assemblies. 2.1 the tolerances on linear dimensions (intermediate or overall) apply to the face to face, face to end, and. for pipes dimensional tolerances en iso 1127 outer diameter thickness tolerance class allowable deviation tolerance class. piping fabrication installation. Piping Installation Tolerances.
From www.scribd.com
Tolerances for Pipe Fabrication Misalignment Tolerance Piping Installation Tolerances for pipes dimensional tolerances en iso 1127 outer diameter thickness tolerance class allowable deviation tolerance class. 2.1 the tolerances on linear dimensions (intermediate or overall) apply to the face to face, face to end, and. 1.1 this standard covers general pipe shop fabricating tolerances for prefabricated grooved piping assemblies. piping fabrication installation and testing. pipe fabrication. Piping Installation Tolerances.
From www.wermac.org
Engineering standard Piping Material Specification Tolerances for Piping Installation Tolerances piping fabrication installation and testing. 2.1 the tolerances on linear dimensions (intermediate or overall) apply to the face to face, face to end, and. pipe fabrication misalignment tolerances. This apa technical practice provides guidance as to apa’s requirements for the. 1.1 this standard covers general pipe shop fabricating tolerances for prefabricated grooved piping assemblies. pipe fabrication. Piping Installation Tolerances.
From en1304.blogspot.com
ENGR 1304 Chapter 7 Tolerances Piping Installation Tolerances piping fabrication installation and testing. 2.1 the tolerances on linear dimensions (intermediate or overall) apply to the face to face, face to end, and. pipe fabrication misalignment tolerances. for pipes dimensional tolerances en iso 1127 outer diameter thickness tolerance class allowable deviation tolerance class. This apa technical practice provides guidance as to apa’s requirements for the. . Piping Installation Tolerances.
From the-guide.com.au
Installation tolerances The Guide Piping Installation Tolerances This apa technical practice provides guidance as to apa’s requirements for the. for pipes dimensional tolerances en iso 1127 outer diameter thickness tolerance class allowable deviation tolerance class. piping fabrication installation and testing. 2.1 the tolerances on linear dimensions (intermediate or overall) apply to the face to face, face to end, and. pipe fabrication misalignment tolerances. . Piping Installation Tolerances.
From werk24.io
Tolerances IT Grades, General Tolerances Piping Installation Tolerances pipe fabrication misalignment tolerances. piping fabrication installation and testing. This apa technical practice provides guidance as to apa’s requirements for the. pipe fabrication misalignment tolerances. 1.1 this standard covers general pipe shop fabricating tolerances for prefabricated grooved piping assemblies. 2.1 the tolerances on linear dimensions (intermediate or overall) apply to the face to face, face to. Piping Installation Tolerances.
From www.youtube.com
Piping Engineering Tolerances Dimensional Tolerances of Commonly used Piping Installation Tolerances piping fabrication installation and testing. This apa technical practice provides guidance as to apa’s requirements for the. 1.1 this standard covers general pipe shop fabricating tolerances for prefabricated grooved piping assemblies. 2.1 the tolerances on linear dimensions (intermediate or overall) apply to the face to face, face to end, and. pipe fabrication misalignment tolerances. for pipes. Piping Installation Tolerances.
From www.scribd.com
ASTM Specification & Tolerance For Tubing & Piping Piping Installation Tolerances pipe fabrication misalignment tolerances. for pipes dimensional tolerances en iso 1127 outer diameter thickness tolerance class allowable deviation tolerance class. This apa technical practice provides guidance as to apa’s requirements for the. piping fabrication installation and testing. pipe fabrication misalignment tolerances. 1.1 this standard covers general pipe shop fabricating tolerances for prefabricated grooved piping assemblies.. Piping Installation Tolerances.
From lockesolutions.com
What are the Typical Tolerances for Precast Concrete? Leading Precast Piping Installation Tolerances pipe fabrication misalignment tolerances. pipe fabrication misalignment tolerances. for pipes dimensional tolerances en iso 1127 outer diameter thickness tolerance class allowable deviation tolerance class. piping fabrication installation and testing. 2.1 the tolerances on linear dimensions (intermediate or overall) apply to the face to face, face to end, and. 1.1 this standard covers general pipe shop. Piping Installation Tolerances.
From rawgoodtext.web.fc2.com
Iso 2768 Hole Tolerance Table Piping Installation Tolerances 2.1 the tolerances on linear dimensions (intermediate or overall) apply to the face to face, face to end, and. pipe fabrication misalignment tolerances. piping fabrication installation and testing. for pipes dimensional tolerances en iso 1127 outer diameter thickness tolerance class allowable deviation tolerance class. pipe fabrication misalignment tolerances. 1.1 this standard covers general pipe shop. Piping Installation Tolerances.
From the-guide.com.au
Installation tolerances The Guide Piping Installation Tolerances 1.1 this standard covers general pipe shop fabricating tolerances for prefabricated grooved piping assemblies. piping fabrication installation and testing. 2.1 the tolerances on linear dimensions (intermediate or overall) apply to the face to face, face to end, and. pipe fabrication misalignment tolerances. pipe fabrication misalignment tolerances. This apa technical practice provides guidance as to apa’s requirements. Piping Installation Tolerances.
From www.youtube.com
Piping Engineering Piping Fabrication Tolerances as per ASME YouTube Piping Installation Tolerances This apa technical practice provides guidance as to apa’s requirements for the. pipe fabrication misalignment tolerances. pipe fabrication misalignment tolerances. for pipes dimensional tolerances en iso 1127 outer diameter thickness tolerance class allowable deviation tolerance class. 1.1 this standard covers general pipe shop fabricating tolerances for prefabricated grooved piping assemblies. piping fabrication installation and testing.. Piping Installation Tolerances.
From www.bossard.com
Basic tolerances and tolerance fields Bossard Switzerland Piping Installation Tolerances This apa technical practice provides guidance as to apa’s requirements for the. 1.1 this standard covers general pipe shop fabricating tolerances for prefabricated grooved piping assemblies. pipe fabrication misalignment tolerances. pipe fabrication misalignment tolerances. 2.1 the tolerances on linear dimensions (intermediate or overall) apply to the face to face, face to end, and. for pipes dimensional. Piping Installation Tolerances.
From the-guide.com.au
Installation tolerances The Guide Piping Installation Tolerances piping fabrication installation and testing. pipe fabrication misalignment tolerances. 2.1 the tolerances on linear dimensions (intermediate or overall) apply to the face to face, face to end, and. pipe fabrication misalignment tolerances. for pipes dimensional tolerances en iso 1127 outer diameter thickness tolerance class allowable deviation tolerance class. This apa technical practice provides guidance as to. Piping Installation Tolerances.
From underfill.blogspot.com
PIPE FABRICATION TOLERANCES ( COURTESY PFI ) Piping Installation Tolerances 2.1 the tolerances on linear dimensions (intermediate or overall) apply to the face to face, face to end, and. piping fabrication installation and testing. pipe fabrication misalignment tolerances. 1.1 this standard covers general pipe shop fabricating tolerances for prefabricated grooved piping assemblies. pipe fabrication misalignment tolerances. for pipes dimensional tolerances en iso 1127 outer diameter. Piping Installation Tolerances.
From www.scribd.com
general tolerances Engineering Tolerance Metalworking Piping Installation Tolerances piping fabrication installation and testing. for pipes dimensional tolerances en iso 1127 outer diameter thickness tolerance class allowable deviation tolerance class. 1.1 this standard covers general pipe shop fabricating tolerances for prefabricated grooved piping assemblies. This apa technical practice provides guidance as to apa’s requirements for the. pipe fabrication misalignment tolerances. 2.1 the tolerances on linear. Piping Installation Tolerances.
From www.engineersedge.com
External Pipe Thread Design, Specifications and NPT Pipe Thread Tolerances Piping Installation Tolerances for pipes dimensional tolerances en iso 1127 outer diameter thickness tolerance class allowable deviation tolerance class. 1.1 this standard covers general pipe shop fabricating tolerances for prefabricated grooved piping assemblies. piping fabrication installation and testing. pipe fabrication misalignment tolerances. pipe fabrication misalignment tolerances. This apa technical practice provides guidance as to apa’s requirements for the.. Piping Installation Tolerances.
From vdocuments.site
Dimensions and Tolerances C+N,pipe Piping Installation Tolerances 2.1 the tolerances on linear dimensions (intermediate or overall) apply to the face to face, face to end, and. for pipes dimensional tolerances en iso 1127 outer diameter thickness tolerance class allowable deviation tolerance class. 1.1 this standard covers general pipe shop fabricating tolerances for prefabricated grooved piping assemblies. This apa technical practice provides guidance as to apa’s. Piping Installation Tolerances.
From celsiainc.com
Heat Pipe Design Guide Celsia Piping Installation Tolerances 1.1 this standard covers general pipe shop fabricating tolerances for prefabricated grooved piping assemblies. 2.1 the tolerances on linear dimensions (intermediate or overall) apply to the face to face, face to end, and. pipe fabrication misalignment tolerances. pipe fabrication misalignment tolerances. piping fabrication installation and testing. This apa technical practice provides guidance as to apa’s requirements. Piping Installation Tolerances.
From www.researchgate.net
Installation tolerances at the PMA and FTA location Download Piping Installation Tolerances pipe fabrication misalignment tolerances. 2.1 the tolerances on linear dimensions (intermediate or overall) apply to the face to face, face to end, and. pipe fabrication misalignment tolerances. 1.1 this standard covers general pipe shop fabricating tolerances for prefabricated grooved piping assemblies. piping fabrication installation and testing. for pipes dimensional tolerances en iso 1127 outer diameter. Piping Installation Tolerances.
From www.youtube.com
How to apply General Tolerance Steps to be followed in ISO 286 Piping Installation Tolerances piping fabrication installation and testing. 1.1 this standard covers general pipe shop fabricating tolerances for prefabricated grooved piping assemblies. pipe fabrication misalignment tolerances. 2.1 the tolerances on linear dimensions (intermediate or overall) apply to the face to face, face to end, and. pipe fabrication misalignment tolerances. This apa technical practice provides guidance as to apa’s requirements. Piping Installation Tolerances.
From biocover.netlify.app
Iso Fits And Tolerances Chart Piping Installation Tolerances piping fabrication installation and testing. pipe fabrication misalignment tolerances. 1.1 this standard covers general pipe shop fabricating tolerances for prefabricated grooved piping assemblies. for pipes dimensional tolerances en iso 1127 outer diameter thickness tolerance class allowable deviation tolerance class. pipe fabrication misalignment tolerances. 2.1 the tolerances on linear dimensions (intermediate or overall) apply to the. Piping Installation Tolerances.