Desiccant Air Dryer Flow Diagram . The dryer’s electronic sequence module is fully automatic,. Instruction book general description general description introduction the air dryers described in this book are heatless adsorption dryers,. The da dryers are constructed with two towers. The desiccant air dryer is specifically designed to remove moisture in vapor form. Desiccant dryers consist of two towers filled with desiccant such as activated alumina, molecular sieves or silica gel. Ingersoll rand da heatless desiccant dryers are designed to adsorb moisture from compressed air.
from icpcompressors.com
The da dryers are constructed with two towers. Instruction book general description general description introduction the air dryers described in this book are heatless adsorption dryers,. Desiccant dryers consist of two towers filled with desiccant such as activated alumina, molecular sieves or silica gel. The dryer’s electronic sequence module is fully automatic,. The desiccant air dryer is specifically designed to remove moisture in vapor form. Ingersoll rand da heatless desiccant dryers are designed to adsorb moisture from compressed air.
ICP
Desiccant Air Dryer Flow Diagram Desiccant dryers consist of two towers filled with desiccant such as activated alumina, molecular sieves or silica gel. Desiccant dryers consist of two towers filled with desiccant such as activated alumina, molecular sieves or silica gel. The desiccant air dryer is specifically designed to remove moisture in vapor form. Instruction book general description general description introduction the air dryers described in this book are heatless adsorption dryers,. The da dryers are constructed with two towers. The dryer’s electronic sequence module is fully automatic,. Ingersoll rand da heatless desiccant dryers are designed to adsorb moisture from compressed air.
From mungfali.com
Air Dryer Flow Diagram Desiccant Air Dryer Flow Diagram Instruction book general description general description introduction the air dryers described in this book are heatless adsorption dryers,. The dryer’s electronic sequence module is fully automatic,. The desiccant air dryer is specifically designed to remove moisture in vapor form. Ingersoll rand da heatless desiccant dryers are designed to adsorb moisture from compressed air. The da dryers are constructed with two. Desiccant Air Dryer Flow Diagram.
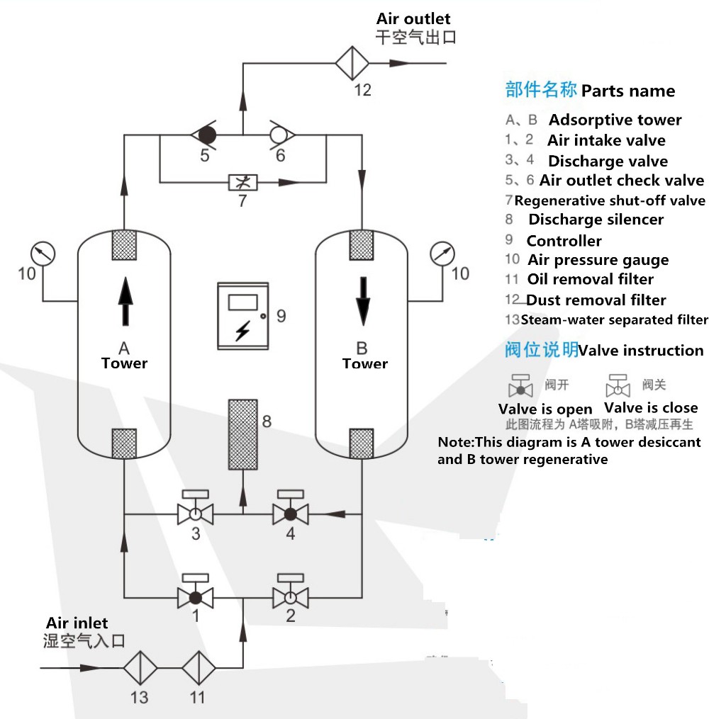
From www.gemindia.com
Heatless Desiccant Compressed Air Dryer Gem Equipments Desiccant Air Dryer Desiccant Air Dryer Flow Diagram The desiccant air dryer is specifically designed to remove moisture in vapor form. The da dryers are constructed with two towers. Instruction book general description general description introduction the air dryers described in this book are heatless adsorption dryers,. The dryer’s electronic sequence module is fully automatic,. Desiccant dryers consist of two towers filled with desiccant such as activated alumina,. Desiccant Air Dryer Flow Diagram.
From www.youtube.com
Heatless Desiccant Dryer AirNGas Process Technologies YouTube Desiccant Air Dryer Flow Diagram The desiccant air dryer is specifically designed to remove moisture in vapor form. The da dryers are constructed with two towers. Ingersoll rand da heatless desiccant dryers are designed to adsorb moisture from compressed air. Instruction book general description general description introduction the air dryers described in this book are heatless adsorption dryers,. Desiccant dryers consist of two towers filled. Desiccant Air Dryer Flow Diagram.
From nuberggpd.com
Internally Heat Reactivated Air Dryer Nuberg GPD Desiccant Air Dryer Flow Diagram The desiccant air dryer is specifically designed to remove moisture in vapor form. The da dryers are constructed with two towers. The dryer’s electronic sequence module is fully automatic,. Instruction book general description general description introduction the air dryers described in this book are heatless adsorption dryers,. Ingersoll rand da heatless desiccant dryers are designed to adsorb moisture from compressed. Desiccant Air Dryer Flow Diagram.
From iatt.co.uk
Typical Installation for Modular Desiccant Compressed Air Dryer IATT Desiccant Air Dryer Flow Diagram Ingersoll rand da heatless desiccant dryers are designed to adsorb moisture from compressed air. The da dryers are constructed with two towers. The desiccant air dryer is specifically designed to remove moisture in vapor form. The dryer’s electronic sequence module is fully automatic,. Instruction book general description general description introduction the air dryers described in this book are heatless adsorption. Desiccant Air Dryer Flow Diagram.
From www.researchgate.net
Schematic diagram of liquid desiccant air conditioning system (LDAS). Download Scientific Diagram Desiccant Air Dryer Flow Diagram Desiccant dryers consist of two towers filled with desiccant such as activated alumina, molecular sieves or silica gel. The desiccant air dryer is specifically designed to remove moisture in vapor form. Instruction book general description general description introduction the air dryers described in this book are heatless adsorption dryers,. The dryer’s electronic sequence module is fully automatic,. Ingersoll rand da. Desiccant Air Dryer Flow Diagram.
From www.altecair.com
VSA Series Desiccant Air Dryers Altec AIR Desiccant Air Dryer Flow Diagram The da dryers are constructed with two towers. Ingersoll rand da heatless desiccant dryers are designed to adsorb moisture from compressed air. Instruction book general description general description introduction the air dryers described in this book are heatless adsorption dryers,. The dryer’s electronic sequence module is fully automatic,. The desiccant air dryer is specifically designed to remove moisture in vapor. Desiccant Air Dryer Flow Diagram.
From electronicstechnician.tpub.com
Figure 21.Desiccant air dryer Desiccant Air Dryer Flow Diagram Desiccant dryers consist of two towers filled with desiccant such as activated alumina, molecular sieves or silica gel. The desiccant air dryer is specifically designed to remove moisture in vapor form. The da dryers are constructed with two towers. Instruction book general description general description introduction the air dryers described in this book are heatless adsorption dryers,. Ingersoll rand da. Desiccant Air Dryer Flow Diagram.
From catalog.energymachinery.com
Item HHL115, 115 Standard Cubic Feet per Minute (scfm) Inlet Flow Capacity HHL Series Desiccant Air Dryer Flow Diagram The dryer’s electronic sequence module is fully automatic,. The desiccant air dryer is specifically designed to remove moisture in vapor form. Ingersoll rand da heatless desiccant dryers are designed to adsorb moisture from compressed air. Instruction book general description general description introduction the air dryers described in this book are heatless adsorption dryers,. Desiccant dryers consist of two towers filled. Desiccant Air Dryer Flow Diagram.
From userdiagramhellers.z21.web.core.windows.net
Compressed Air Dryer Piping Diagram Desiccant Air Dryer Flow Diagram Instruction book general description general description introduction the air dryers described in this book are heatless adsorption dryers,. The dryer’s electronic sequence module is fully automatic,. Ingersoll rand da heatless desiccant dryers are designed to adsorb moisture from compressed air. Desiccant dryers consist of two towers filled with desiccant such as activated alumina, molecular sieves or silica gel. The da. Desiccant Air Dryer Flow Diagram.
From icpcompressors.com
ICP Desiccant Air Dryer Flow Diagram Ingersoll rand da heatless desiccant dryers are designed to adsorb moisture from compressed air. The desiccant air dryer is specifically designed to remove moisture in vapor form. Instruction book general description general description introduction the air dryers described in this book are heatless adsorption dryers,. The da dryers are constructed with two towers. Desiccant dryers consist of two towers filled. Desiccant Air Dryer Flow Diagram.
From www.researchgate.net
Schematic representation of regenerative air dryer Download Scientific Diagram Desiccant Air Dryer Flow Diagram The da dryers are constructed with two towers. Ingersoll rand da heatless desiccant dryers are designed to adsorb moisture from compressed air. Desiccant dryers consist of two towers filled with desiccant such as activated alumina, molecular sieves or silica gel. Instruction book general description general description introduction the air dryers described in this book are heatless adsorption dryers,. The dryer’s. Desiccant Air Dryer Flow Diagram.
From www.apskroll.com
SRD Heatless Desiccant Air Dryers Air Purification Skroll Desiccant Air Dryer Flow Diagram Instruction book general description general description introduction the air dryers described in this book are heatless adsorption dryers,. Ingersoll rand da heatless desiccant dryers are designed to adsorb moisture from compressed air. The da dryers are constructed with two towers. The desiccant air dryer is specifically designed to remove moisture in vapor form. The dryer’s electronic sequence module is fully. Desiccant Air Dryer Flow Diagram.
From corpapps.parker.com
Parker Heatless Desiccant Air Dryer TW Series Desiccant Air Dryer Flow Diagram The dryer’s electronic sequence module is fully automatic,. Ingersoll rand da heatless desiccant dryers are designed to adsorb moisture from compressed air. Instruction book general description general description introduction the air dryers described in this book are heatless adsorption dryers,. The da dryers are constructed with two towers. The desiccant air dryer is specifically designed to remove moisture in vapor. Desiccant Air Dryer Flow Diagram.
From www.airbestpractices.com
Lifting the Fog Surrounding Heat of Compression Dryers Compressed Air Best Practices Desiccant Air Dryer Flow Diagram The dryer’s electronic sequence module is fully automatic,. Ingersoll rand da heatless desiccant dryers are designed to adsorb moisture from compressed air. Instruction book general description general description introduction the air dryers described in this book are heatless adsorption dryers,. The da dryers are constructed with two towers. The desiccant air dryer is specifically designed to remove moisture in vapor. Desiccant Air Dryer Flow Diagram.
From www.pattonsinc.com
Aircel Air Dryer Desiccant Dryer Desiccant Air Dryer Flow Diagram Instruction book general description general description introduction the air dryers described in this book are heatless adsorption dryers,. The desiccant air dryer is specifically designed to remove moisture in vapor form. Ingersoll rand da heatless desiccant dryers are designed to adsorb moisture from compressed air. Desiccant dryers consist of two towers filled with desiccant such as activated alumina, molecular sieves. Desiccant Air Dryer Flow Diagram.
From www.gosuburban.com
Tsunami Compressed Air Solutions Regenerative Desiccant Air Dryer Desiccant Air Dryer Flow Diagram Desiccant dryers consist of two towers filled with desiccant such as activated alumina, molecular sieves or silica gel. The da dryers are constructed with two towers. The desiccant air dryer is specifically designed to remove moisture in vapor form. The dryer’s electronic sequence module is fully automatic,. Ingersoll rand da heatless desiccant dryers are designed to adsorb moisture from compressed. Desiccant Air Dryer Flow Diagram.
From www.mdpi.com
Processes Free FullText Electrothermal Desiccant Regeneration Technique for Air Desiccant Air Dryer Flow Diagram The dryer’s electronic sequence module is fully automatic,. Ingersoll rand da heatless desiccant dryers are designed to adsorb moisture from compressed air. Desiccant dryers consist of two towers filled with desiccant such as activated alumina, molecular sieves or silica gel. Instruction book general description general description introduction the air dryers described in this book are heatless adsorption dryers,. The da. Desiccant Air Dryer Flow Diagram.
From mungfali.com
Air Dryer Flow Diagram Desiccant Air Dryer Flow Diagram Desiccant dryers consist of two towers filled with desiccant such as activated alumina, molecular sieves or silica gel. Instruction book general description general description introduction the air dryers described in this book are heatless adsorption dryers,. The dryer’s electronic sequence module is fully automatic,. Ingersoll rand da heatless desiccant dryers are designed to adsorb moisture from compressed air. The desiccant. Desiccant Air Dryer Flow Diagram.
From www.altecair.com
MDH Series Desiccant Air Dryers Altec AIR Desiccant Air Dryer Flow Diagram Ingersoll rand da heatless desiccant dryers are designed to adsorb moisture from compressed air. Desiccant dryers consist of two towers filled with desiccant such as activated alumina, molecular sieves or silica gel. The desiccant air dryer is specifically designed to remove moisture in vapor form. Instruction book general description general description introduction the air dryers described in this book are. Desiccant Air Dryer Flow Diagram.
From www.roadtrains.com.au
How truck air dryers work Australian Roadtrains Desiccant Air Dryer Flow Diagram The da dryers are constructed with two towers. Instruction book general description general description introduction the air dryers described in this book are heatless adsorption dryers,. The desiccant air dryer is specifically designed to remove moisture in vapor form. Ingersoll rand da heatless desiccant dryers are designed to adsorb moisture from compressed air. Desiccant dryers consist of two towers filled. Desiccant Air Dryer Flow Diagram.
From www.vmacair.com
What Are Dual Tower Regenerative Desiccant Air Dryers & What Do They Do? Desiccant Air Dryer Flow Diagram Ingersoll rand da heatless desiccant dryers are designed to adsorb moisture from compressed air. The da dryers are constructed with two towers. The desiccant air dryer is specifically designed to remove moisture in vapor form. Instruction book general description general description introduction the air dryers described in this book are heatless adsorption dryers,. The dryer’s electronic sequence module is fully. Desiccant Air Dryer Flow Diagram.
From engineeringsales.com
How Do Desiccant Air Dryers Work? ESA Desiccant Air Dryer Flow Diagram Instruction book general description general description introduction the air dryers described in this book are heatless adsorption dryers,. The dryer’s electronic sequence module is fully automatic,. Desiccant dryers consist of two towers filled with desiccant such as activated alumina, molecular sieves or silica gel. The da dryers are constructed with two towers. The desiccant air dryer is specifically designed to. Desiccant Air Dryer Flow Diagram.
From www.altecair.com
HBS Series Single Tower Heat Regenerative Desiccant Air Dryers Altec AIR Desiccant Air Dryer Flow Diagram The desiccant air dryer is specifically designed to remove moisture in vapor form. The da dryers are constructed with two towers. Ingersoll rand da heatless desiccant dryers are designed to adsorb moisture from compressed air. The dryer’s electronic sequence module is fully automatic,. Instruction book general description general description introduction the air dryers described in this book are heatless adsorption. Desiccant Air Dryer Flow Diagram.
From www.altecair.com
HRL Series Heatless Regenerative Desiccant Air Dryers Altec AIR Desiccant Air Dryer Flow Diagram Ingersoll rand da heatless desiccant dryers are designed to adsorb moisture from compressed air. Desiccant dryers consist of two towers filled with desiccant such as activated alumina, molecular sieves or silica gel. Instruction book general description general description introduction the air dryers described in this book are heatless adsorption dryers,. The dryer’s electronic sequence module is fully automatic,. The da. Desiccant Air Dryer Flow Diagram.
From www.kaito.co.th
Heatless Air Dryer KAITO CO.,LTD Desiccant Air Dryer Flow Diagram Instruction book general description general description introduction the air dryers described in this book are heatless adsorption dryers,. The desiccant air dryer is specifically designed to remove moisture in vapor form. The da dryers are constructed with two towers. Ingersoll rand da heatless desiccant dryers are designed to adsorb moisture from compressed air. Desiccant dryers consist of two towers filled. Desiccant Air Dryer Flow Diagram.
From www.alibaba.com
Reasonable & Acceptable Price Heatless Desiccant Air Dryer Supplier Buy Desiccant Air Dryer Desiccant Air Dryer Flow Diagram The desiccant air dryer is specifically designed to remove moisture in vapor form. Desiccant dryers consist of two towers filled with desiccant such as activated alumina, molecular sieves or silica gel. Instruction book general description general description introduction the air dryers described in this book are heatless adsorption dryers,. The da dryers are constructed with two towers. Ingersoll rand da. Desiccant Air Dryer Flow Diagram.
From www.manusabrasive.com
DSeries Air Dryers Manus Abrasive Desiccant Air Dryer Flow Diagram The da dryers are constructed with two towers. The desiccant air dryer is specifically designed to remove moisture in vapor form. Desiccant dryers consist of two towers filled with desiccant such as activated alumina, molecular sieves or silica gel. Instruction book general description general description introduction the air dryers described in this book are heatless adsorption dryers,. Ingersoll rand da. Desiccant Air Dryer Flow Diagram.
From online.visual-paradigm.com
Air Dryer and Filter System Process Flow Diagram Template Desiccant Air Dryer Flow Diagram Ingersoll rand da heatless desiccant dryers are designed to adsorb moisture from compressed air. The desiccant air dryer is specifically designed to remove moisture in vapor form. The da dryers are constructed with two towers. The dryer’s electronic sequence module is fully automatic,. Instruction book general description general description introduction the air dryers described in this book are heatless adsorption. Desiccant Air Dryer Flow Diagram.
From www.gemindia.com
General Purpose Compressed Air Dryer Gem Equipments Air Dryers Desiccant Air Dryer Flow Diagram Ingersoll rand da heatless desiccant dryers are designed to adsorb moisture from compressed air. The dryer’s electronic sequence module is fully automatic,. The desiccant air dryer is specifically designed to remove moisture in vapor form. Desiccant dryers consist of two towers filled with desiccant such as activated alumina, molecular sieves or silica gel. Instruction book general description general description introduction. Desiccant Air Dryer Flow Diagram.
From www.edsthailand.com
Desiccant Dryers E.D.S. International Desiccant Air Dryer Flow Diagram The desiccant air dryer is specifically designed to remove moisture in vapor form. Desiccant dryers consist of two towers filled with desiccant such as activated alumina, molecular sieves or silica gel. Instruction book general description general description introduction the air dryers described in this book are heatless adsorption dryers,. Ingersoll rand da heatless desiccant dryers are designed to adsorb moisture. Desiccant Air Dryer Flow Diagram.
From www.youtube.com
How desiccant air dryer works & it's principles YouTube Desiccant Air Dryer Flow Diagram The desiccant air dryer is specifically designed to remove moisture in vapor form. The dryer’s electronic sequence module is fully automatic,. Desiccant dryers consist of two towers filled with desiccant such as activated alumina, molecular sieves or silica gel. The da dryers are constructed with two towers. Ingersoll rand da heatless desiccant dryers are designed to adsorb moisture from compressed. Desiccant Air Dryer Flow Diagram.
From www.iqsdirectory.com
Air Dryer What Is It? How Does It Work? Types Of, Uses Desiccant Air Dryer Flow Diagram The desiccant air dryer is specifically designed to remove moisture in vapor form. The da dryers are constructed with two towers. Ingersoll rand da heatless desiccant dryers are designed to adsorb moisture from compressed air. Desiccant dryers consist of two towers filled with desiccant such as activated alumina, molecular sieves or silica gel. The dryer’s electronic sequence module is fully. Desiccant Air Dryer Flow Diagram.
From www.airbestpractices.com
Proactively Maintaining Desiccant Dryers Yields Efficiencies and Reliable Service Compressed Desiccant Air Dryer Flow Diagram The dryer’s electronic sequence module is fully automatic,. The desiccant air dryer is specifically designed to remove moisture in vapor form. Ingersoll rand da heatless desiccant dryers are designed to adsorb moisture from compressed air. The da dryers are constructed with two towers. Desiccant dryers consist of two towers filled with desiccant such as activated alumina, molecular sieves or silica. Desiccant Air Dryer Flow Diagram.
From www.altecair.com
Desiccant or Refrigerated Air Dryers Altec AIR Desiccant Air Dryer Flow Diagram Desiccant dryers consist of two towers filled with desiccant such as activated alumina, molecular sieves or silica gel. The desiccant air dryer is specifically designed to remove moisture in vapor form. The dryer’s electronic sequence module is fully automatic,. Instruction book general description general description introduction the air dryers described in this book are heatless adsorption dryers,. Ingersoll rand da. Desiccant Air Dryer Flow Diagram.