Half Bridge Circuit Explained . The inverter is a device that converts a dc voltage into ac voltage and it consists of. august 6, 2020 by admin. what is a half bridge converter? This article outlines the basic operating or working principle of a single phase half bridge inverter with the help of circuit diagram. It is a voltage source inverter. a circuit in which two switches are connected in series with a power supply, as in the diagrams, is called.
from www.youtube.com
It is a voltage source inverter. august 6, 2020 by admin. a circuit in which two switches are connected in series with a power supply, as in the diagrams, is called. This article outlines the basic operating or working principle of a single phase half bridge inverter with the help of circuit diagram. The inverter is a device that converts a dc voltage into ac voltage and it consists of. what is a half bridge converter?
SMPS Half bridge up to 3500W Adjustable Voltage JLCPCB YouTube
Half Bridge Circuit Explained what is a half bridge converter? a circuit in which two switches are connected in series with a power supply, as in the diagrams, is called. It is a voltage source inverter. The inverter is a device that converts a dc voltage into ac voltage and it consists of. what is a half bridge converter? august 6, 2020 by admin. This article outlines the basic operating or working principle of a single phase half bridge inverter with the help of circuit diagram.
From electronics.stackexchange.com
class d Why can't I get rid of shootthrough in my halfbridge Half Bridge Circuit Explained august 6, 2020 by admin. a circuit in which two switches are connected in series with a power supply, as in the diagrams, is called. It is a voltage source inverter. what is a half bridge converter? The inverter is a device that converts a dc voltage into ac voltage and it consists of. This article outlines. Half Bridge Circuit Explained.
From electronics.stackexchange.com
power electronics Infineon IRS2008STRPBF Half Bridge Driver What am Half Bridge Circuit Explained a circuit in which two switches are connected in series with a power supply, as in the diagrams, is called. what is a half bridge converter? This article outlines the basic operating or working principle of a single phase half bridge inverter with the help of circuit diagram. august 6, 2020 by admin. The inverter is a. Half Bridge Circuit Explained.
From www.researchgate.net
Principle schematic of a half bridge driving an inductive load Half Bridge Circuit Explained august 6, 2020 by admin. The inverter is a device that converts a dc voltage into ac voltage and it consists of. what is a half bridge converter? This article outlines the basic operating or working principle of a single phase half bridge inverter with the help of circuit diagram. It is a voltage source inverter. a. Half Bridge Circuit Explained.
From www.etechnog.com
Rectifier Circuit Diagram Half Wave, Full Wave, Bridge ETechnoG Half Bridge Circuit Explained It is a voltage source inverter. a circuit in which two switches are connected in series with a power supply, as in the diagrams, is called. august 6, 2020 by admin. what is a half bridge converter? This article outlines the basic operating or working principle of a single phase half bridge inverter with the help of. Half Bridge Circuit Explained.
From circuitdwdweeb7u.z14.web.core.windows.net
H Bridge Motor Driver Using Mosfet Half Bridge Circuit Explained what is a half bridge converter? This article outlines the basic operating or working principle of a single phase half bridge inverter with the help of circuit diagram. The inverter is a device that converts a dc voltage into ac voltage and it consists of. a circuit in which two switches are connected in series with a power. Half Bridge Circuit Explained.
From www.homemade-circuits.com
How to Design an Inverter Basic Circuit Tutorial Half Bridge Circuit Explained The inverter is a device that converts a dc voltage into ac voltage and it consists of. what is a half bridge converter? a circuit in which two switches are connected in series with a power supply, as in the diagrams, is called. august 6, 2020 by admin. This article outlines the basic operating or working principle. Half Bridge Circuit Explained.
From www.playembedded.org
PWM 101 from Duty Cycle to Motor Control Half Bridge Circuit Explained august 6, 2020 by admin. The inverter is a device that converts a dc voltage into ac voltage and it consists of. a circuit in which two switches are connected in series with a power supply, as in the diagrams, is called. This article outlines the basic operating or working principle of a single phase half bridge inverter. Half Bridge Circuit Explained.
From www.researchgate.net
Half bridge test circuit (a) positive cycle with dcbiased current Half Bridge Circuit Explained august 6, 2020 by admin. what is a half bridge converter? The inverter is a device that converts a dc voltage into ac voltage and it consists of. This article outlines the basic operating or working principle of a single phase half bridge inverter with the help of circuit diagram. a circuit in which two switches are. Half Bridge Circuit Explained.
From microcontrollerslab.com
IR2112 MOSFET/IGBT Driver Pinout, Examples, Applications, datasheet Half Bridge Circuit Explained what is a half bridge converter? a circuit in which two switches are connected in series with a power supply, as in the diagrams, is called. It is a voltage source inverter. This article outlines the basic operating or working principle of a single phase half bridge inverter with the help of circuit diagram. The inverter is a. Half Bridge Circuit Explained.
From softei.com
Innoscience develops SolidGaN integrated half bridge with driver Half Bridge Circuit Explained a circuit in which two switches are connected in series with a power supply, as in the diagrams, is called. what is a half bridge converter? The inverter is a device that converts a dc voltage into ac voltage and it consists of. This article outlines the basic operating or working principle of a single phase half bridge. Half Bridge Circuit Explained.
From electronoobs.com
Half Bridge ESC Circuit brushless motor homemade ATtiny Half Bridge Circuit Explained This article outlines the basic operating or working principle of a single phase half bridge inverter with the help of circuit diagram. a circuit in which two switches are connected in series with a power supply, as in the diagrams, is called. what is a half bridge converter? The inverter is a device that converts a dc voltage. Half Bridge Circuit Explained.
From www.infineon.com
FF3MR20KM1H CoolSiCâ„¢ MOSFET half bridge module 2000 V Infineon Half Bridge Circuit Explained what is a half bridge converter? The inverter is a device that converts a dc voltage into ac voltage and it consists of. a circuit in which two switches are connected in series with a power supply, as in the diagrams, is called. It is a voltage source inverter. august 6, 2020 by admin. This article outlines. Half Bridge Circuit Explained.
From www.researchgate.net
depicts the situation of two seriesconnected IGBTs halfbridge circuit Half Bridge Circuit Explained what is a half bridge converter? It is a voltage source inverter. This article outlines the basic operating or working principle of a single phase half bridge inverter with the help of circuit diagram. a circuit in which two switches are connected in series with a power supply, as in the diagrams, is called. The inverter is a. Half Bridge Circuit Explained.
From robu.in
A New 3Phase, HalfBridge, Driver IC For LowVoltage Applications Half Bridge Circuit Explained august 6, 2020 by admin. The inverter is a device that converts a dc voltage into ac voltage and it consists of. a circuit in which two switches are connected in series with a power supply, as in the diagrams, is called. This article outlines the basic operating or working principle of a single phase half bridge inverter. Half Bridge Circuit Explained.
From www.homemade-circuits.com
Single Phase Variable Frequency Drive VFD Circuit Homemade Circuit Half Bridge Circuit Explained what is a half bridge converter? a circuit in which two switches are connected in series with a power supply, as in the diagrams, is called. It is a voltage source inverter. august 6, 2020 by admin. This article outlines the basic operating or working principle of a single phase half bridge inverter with the help of. Half Bridge Circuit Explained.
From www.researchgate.net
Schematic of testing HBridge circuit with motor and shunt resistor Half Bridge Circuit Explained It is a voltage source inverter. This article outlines the basic operating or working principle of a single phase half bridge inverter with the help of circuit diagram. august 6, 2020 by admin. a circuit in which two switches are connected in series with a power supply, as in the diagrams, is called. The inverter is a device. Half Bridge Circuit Explained.
From www.iqsdirectory.com
Strain Gauge What Is It? How Is It Used? Types, Application Half Bridge Circuit Explained It is a voltage source inverter. This article outlines the basic operating or working principle of a single phase half bridge inverter with the help of circuit diagram. august 6, 2020 by admin. a circuit in which two switches are connected in series with a power supply, as in the diagrams, is called. what is a half. Half Bridge Circuit Explained.
From bellatarantino.com
Final Project Half Bridge Circuit Explained what is a half bridge converter? It is a voltage source inverter. a circuit in which two switches are connected in series with a power supply, as in the diagrams, is called. The inverter is a device that converts a dc voltage into ac voltage and it consists of. This article outlines the basic operating or working principle. Half Bridge Circuit Explained.
From electricalworkbook.com
Single Phase Half Bridge Inverter Circuit Diagram, Working Half Bridge Circuit Explained a circuit in which two switches are connected in series with a power supply, as in the diagrams, is called. what is a half bridge converter? This article outlines the basic operating or working principle of a single phase half bridge inverter with the help of circuit diagram. It is a voltage source inverter. The inverter is a. Half Bridge Circuit Explained.
From www.researchgate.net
Halfbridge connection of strain gauges Download Scientific Diagram Half Bridge Circuit Explained a circuit in which two switches are connected in series with a power supply, as in the diagrams, is called. august 6, 2020 by admin. It is a voltage source inverter. what is a half bridge converter? The inverter is a device that converts a dc voltage into ac voltage and it consists of. This article outlines. Half Bridge Circuit Explained.
From www.infineon.com
HalfBridge Drivers Infineon Technologies Half Bridge Circuit Explained august 6, 2020 by admin. a circuit in which two switches are connected in series with a power supply, as in the diagrams, is called. The inverter is a device that converts a dc voltage into ac voltage and it consists of. This article outlines the basic operating or working principle of a single phase half bridge inverter. Half Bridge Circuit Explained.
From electronics.stackexchange.com
class d Why can't I get rid of shootthrough in my halfbridge Half Bridge Circuit Explained It is a voltage source inverter. This article outlines the basic operating or working principle of a single phase half bridge inverter with the help of circuit diagram. what is a half bridge converter? august 6, 2020 by admin. The inverter is a device that converts a dc voltage into ac voltage and it consists of. a. Half Bridge Circuit Explained.
From schematicdbackerman.z19.web.core.windows.net
Half Bridge Rectifier Circuit Diagram Half Bridge Circuit Explained a circuit in which two switches are connected in series with a power supply, as in the diagrams, is called. This article outlines the basic operating or working principle of a single phase half bridge inverter with the help of circuit diagram. august 6, 2020 by admin. It is a voltage source inverter. what is a half. Half Bridge Circuit Explained.
From www.seekic.com
Full bridge circuit and half bridge circuit Basic_Circuit Circuit Half Bridge Circuit Explained a circuit in which two switches are connected in series with a power supply, as in the diagrams, is called. what is a half bridge converter? This article outlines the basic operating or working principle of a single phase half bridge inverter with the help of circuit diagram. The inverter is a device that converts a dc voltage. Half Bridge Circuit Explained.
From www.seekic.com
DMAl0 Double half bridge translation circuit principle diagram Half Bridge Circuit Explained a circuit in which two switches are connected in series with a power supply, as in the diagrams, is called. august 6, 2020 by admin. The inverter is a device that converts a dc voltage into ac voltage and it consists of. It is a voltage source inverter. what is a half bridge converter? This article outlines. Half Bridge Circuit Explained.
From manuallibrarykym.z19.web.core.windows.net
Bridge Rectifier Circuit Diagram Explained Half Bridge Circuit Explained a circuit in which two switches are connected in series with a power supply, as in the diagrams, is called. It is a voltage source inverter. The inverter is a device that converts a dc voltage into ac voltage and it consists of. august 6, 2020 by admin. what is a half bridge converter? This article outlines. Half Bridge Circuit Explained.
From www.youtube.com
SMPS Half bridge up to 3500W Adjustable Voltage JLCPCB YouTube Half Bridge Circuit Explained august 6, 2020 by admin. It is a voltage source inverter. The inverter is a device that converts a dc voltage into ac voltage and it consists of. what is a half bridge converter? This article outlines the basic operating or working principle of a single phase half bridge inverter with the help of circuit diagram. a. Half Bridge Circuit Explained.
From tahmidmc.blogspot.com
Tahmid's blog Debugging the Bridge Tips for Successfully Designing Half Bridge Circuit Explained It is a voltage source inverter. august 6, 2020 by admin. The inverter is a device that converts a dc voltage into ac voltage and it consists of. a circuit in which two switches are connected in series with a power supply, as in the diagrams, is called. what is a half bridge converter? This article outlines. Half Bridge Circuit Explained.
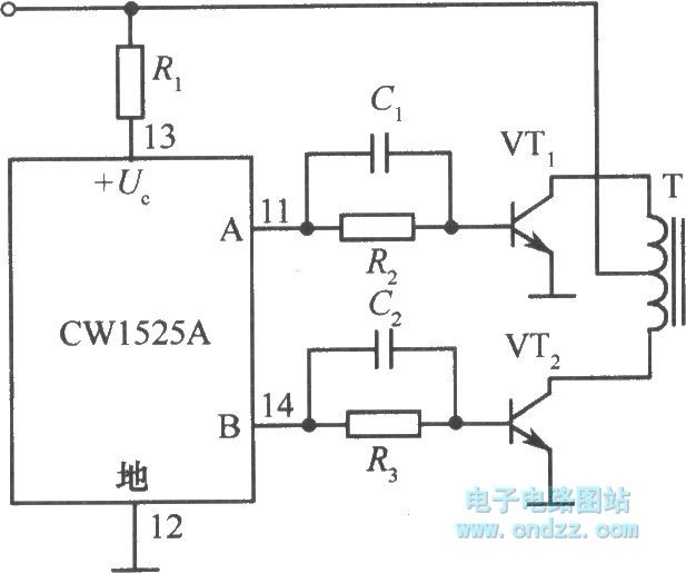
From www.seekic.com
Halfbridge driver circuit of CWl525Adriven MOS tube Basic_Circuit Half Bridge Circuit Explained It is a voltage source inverter. what is a half bridge converter? a circuit in which two switches are connected in series with a power supply, as in the diagrams, is called. august 6, 2020 by admin. The inverter is a device that converts a dc voltage into ac voltage and it consists of. This article outlines. Half Bridge Circuit Explained.
From guidefixtaxats8e.z13.web.core.windows.net
H Bridge Inverter Circuit Diagrams Half Bridge Circuit Explained The inverter is a device that converts a dc voltage into ac voltage and it consists of. august 6, 2020 by admin. what is a half bridge converter? This article outlines the basic operating or working principle of a single phase half bridge inverter with the help of circuit diagram. It is a voltage source inverter. a. Half Bridge Circuit Explained.
From tahmidmc.blogspot.com
Tahmid's blog Debugging the Bridge Tips for Successfully Designing Half Bridge Circuit Explained This article outlines the basic operating or working principle of a single phase half bridge inverter with the help of circuit diagram. august 6, 2020 by admin. It is a voltage source inverter. a circuit in which two switches are connected in series with a power supply, as in the diagrams, is called. The inverter is a device. Half Bridge Circuit Explained.
From electronics.stackexchange.com
class d Why can't I get rid of shootthrough in my halfbridge Half Bridge Circuit Explained what is a half bridge converter? It is a voltage source inverter. august 6, 2020 by admin. a circuit in which two switches are connected in series with a power supply, as in the diagrams, is called. The inverter is a device that converts a dc voltage into ac voltage and it consists of. This article outlines. Half Bridge Circuit Explained.
From enginemanualwannemaker.z19.web.core.windows.net
Half Bridge Rectifier Circuit Diagram Half Bridge Circuit Explained This article outlines the basic operating or working principle of a single phase half bridge inverter with the help of circuit diagram. a circuit in which two switches are connected in series with a power supply, as in the diagrams, is called. The inverter is a device that converts a dc voltage into ac voltage and it consists of.. Half Bridge Circuit Explained.
From www.deepakkumaryadav.in
Half Bridge Inverter Half Bridge Circuit Explained a circuit in which two switches are connected in series with a power supply, as in the diagrams, is called. The inverter is a device that converts a dc voltage into ac voltage and it consists of. It is a voltage source inverter. august 6, 2020 by admin. This article outlines the basic operating or working principle of. Half Bridge Circuit Explained.
From schematicfixeighths.z21.web.core.windows.net
Meter Bridge Circuit Diagram Half Bridge Circuit Explained what is a half bridge converter? This article outlines the basic operating or working principle of a single phase half bridge inverter with the help of circuit diagram. august 6, 2020 by admin. It is a voltage source inverter. The inverter is a device that converts a dc voltage into ac voltage and it consists of. a. Half Bridge Circuit Explained.