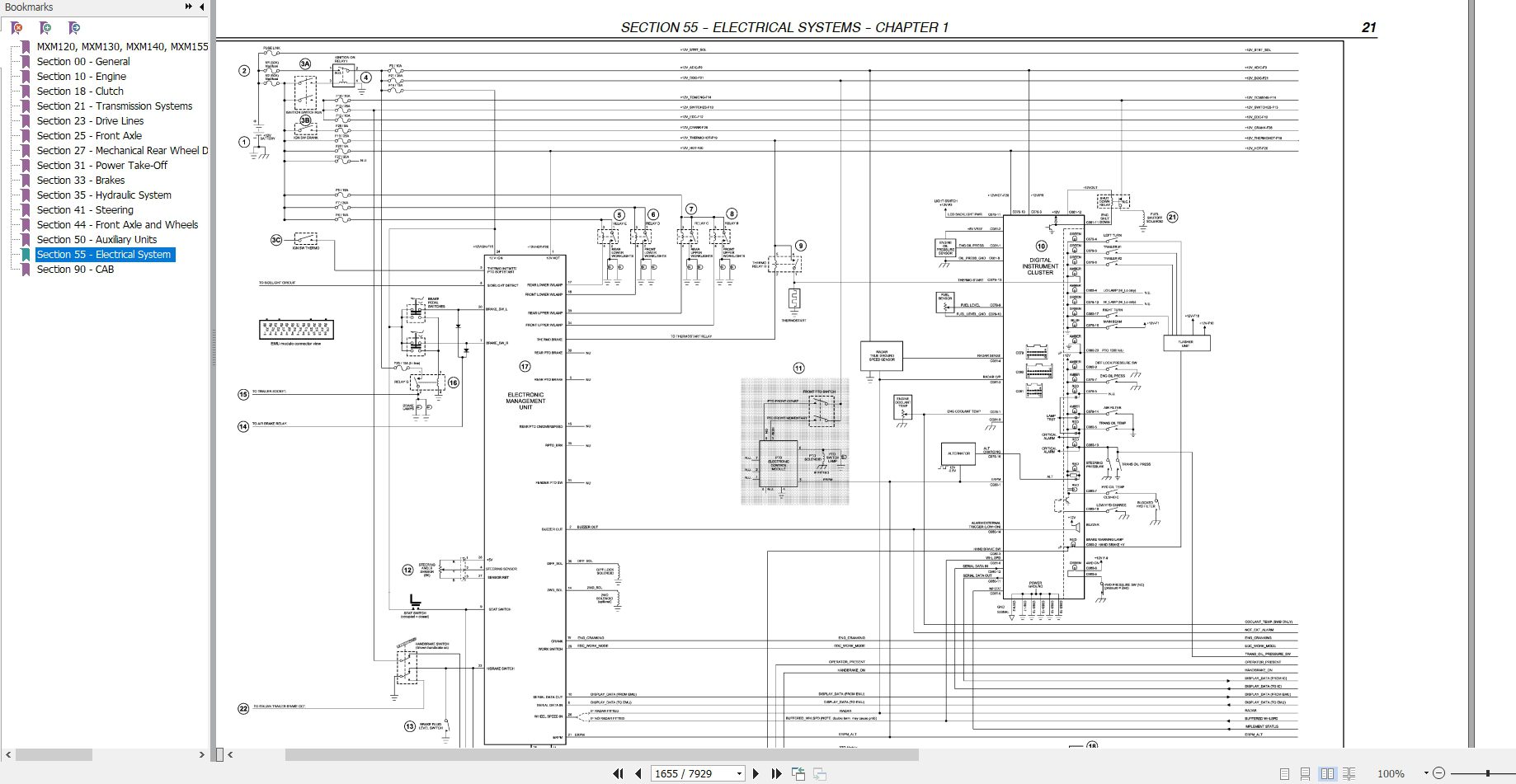
Case Mxm Error Codes . We have 1 case mxm130 maxxum tractor manual available for free. I think both those codes are 4wd codes. case ih transmission fault codes. manuals and user guides for case mxm130 maxxum tractor. manuals and user guides for case mxm190 farm tractor. If they are how do i get them cleared and tell. find your error code then buy your case ih online store and new holland online store parts from us! We have 1 case mxm190 farm tractor manual available for free pdf. have mxm 120 2wd tractor with error codes p22 and p23. codes common to all mxm/tms digital instrument cluster codes (eic) view and download case mxm120 operator's manual online. Mxm120 tractor pdf manual download. Mxm130, mxm140, mxm155, mxm175, mxm190. complete service repair manual with electrical wiring diagrams for caseih tractors mxm series (mxm120, mxm130, mxm140, mxm155,.
from imgflip.com
We have 1 case mxm190 farm tractor manual available for free pdf. We have 1 case mxm130 maxxum tractor manual available for free. Mxm120 tractor pdf manual download. find your error code then buy your case ih online store and new holland online store parts from us! If they are how do i get them cleared and tell. case ih transmission fault codes. manuals and user guides for case mxm130 maxxum tractor. complete service repair manual with electrical wiring diagrams for caseih tractors mxm series (mxm120, mxm130, mxm140, mxm155,. codes common to all mxm/tms digital instrument cluster codes (eic) view and download case mxm120 operator's manual online.
Possible raid warning. We have detected another Device in your house
Case Mxm Error Codes codes common to all mxm/tms digital instrument cluster codes (eic) If they are how do i get them cleared and tell. manuals and user guides for case mxm190 farm tractor. Mxm120 tractor pdf manual download. manuals and user guides for case mxm130 maxxum tractor. codes common to all mxm/tms digital instrument cluster codes (eic) find your error code then buy your case ih online store and new holland online store parts from us! case ih transmission fault codes. I think both those codes are 4wd codes. have mxm 120 2wd tractor with error codes p22 and p23. We have 1 case mxm190 farm tractor manual available for free pdf. complete service repair manual with electrical wiring diagrams for caseih tractors mxm series (mxm120, mxm130, mxm140, mxm155,. We have 1 case mxm130 maxxum tractor manual available for free. Mxm130, mxm140, mxm155, mxm175, mxm190. view and download case mxm120 operator's manual online.
From www.agrofy.com.ar
Tractor Case Mxm 190 Pro Duales Para Trabajar Agrofy Case Mxm Error Codes We have 1 case mxm190 farm tractor manual available for free pdf. If they are how do i get them cleared and tell. find your error code then buy your case ih online store and new holland online store parts from us! case ih transmission fault codes. view and download case mxm120 operator's manual online. I think. Case Mxm Error Codes.
From www.olx.pl
Case MXM 120 ciągnik rolniczy Borki • OLX.pl Case Mxm Error Codes find your error code then buy your case ih online store and new holland online store parts from us! We have 1 case mxm190 farm tractor manual available for free pdf. case ih transmission fault codes. complete service repair manual with electrical wiring diagrams for caseih tractors mxm series (mxm120, mxm130, mxm140, mxm155,. have mxm 120. Case Mxm Error Codes.
From workshoprepairlobose.z21.web.core.windows.net
Does O'reilly Check Engine Codes Case Mxm Error Codes case ih transmission fault codes. have mxm 120 2wd tractor with error codes p22 and p23. manuals and user guides for case mxm190 farm tractor. find your error code then buy your case ih online store and new holland online store parts from us! Mxm120 tractor pdf manual download. view and download case mxm120 operator's. Case Mxm Error Codes.
From www.agrimanuals.com
Case IH Tractor MXM 120 130 140 155 175 190 Calibration /Configuration Case Mxm Error Codes Mxm130, mxm140, mxm155, mxm175, mxm190. have mxm 120 2wd tractor with error codes p22 and p23. find your error code then buy your case ih online store and new holland online store parts from us! manuals and user guides for case mxm190 farm tractor. view and download case mxm120 operator's manual online. Mxm120 tractor pdf manual. Case Mxm Error Codes.
From www.autorepairmanuals.ws
Case Skid Steer Loader SR130SR250, SV185SV300, TR270TR320, TV380 Case Mxm Error Codes We have 1 case mxm190 farm tractor manual available for free pdf. view and download case mxm120 operator's manual online. We have 1 case mxm130 maxxum tractor manual available for free. have mxm 120 2wd tractor with error codes p22 and p23. case ih transmission fault codes. Mxm130, mxm140, mxm155, mxm175, mxm190. If they are how do. Case Mxm Error Codes.
From www.autorepairmanuals.ws
Case Crawler 40 Series E Service Manual_838230R0 Auto Repair Manual Case Mxm Error Codes manuals and user guides for case mxm190 farm tractor. We have 1 case mxm190 farm tractor manual available for free pdf. manuals and user guides for case mxm130 maxxum tractor. case ih transmission fault codes. codes common to all mxm/tms digital instrument cluster codes (eic) If they are how do i get them cleared and tell.. Case Mxm Error Codes.
From www.youtube.com
Mxm 175 case international powershift diagnosis YouTube Case Mxm Error Codes We have 1 case mxm190 farm tractor manual available for free pdf. find your error code then buy your case ih online store and new holland online store parts from us! codes common to all mxm/tms digital instrument cluster codes (eic) If they are how do i get them cleared and tell. case ih transmission fault codes.. Case Mxm Error Codes.
From www.njuskalo.hr
CASE MXM 175 PRO Case Mxm Error Codes complete service repair manual with electrical wiring diagrams for caseih tractors mxm series (mxm120, mxm130, mxm140, mxm155,. manuals and user guides for case mxm190 farm tractor. have mxm 120 2wd tractor with error codes p22 and p23. case ih transmission fault codes. We have 1 case mxm130 maxxum tractor manual available for free. Mxm130, mxm140, mxm155,. Case Mxm Error Codes.
From www.autorepairmanuals.ws
Case Crawler Excavator CX145CSR Tier 4 Service Manual_47395870A Auto Case Mxm Error Codes view and download case mxm120 operator's manual online. We have 1 case mxm130 maxxum tractor manual available for free. complete service repair manual with electrical wiring diagrams for caseih tractors mxm series (mxm120, mxm130, mxm140, mxm155,. Mxm120 tractor pdf manual download. manuals and user guides for case mxm190 farm tractor. Mxm130, mxm140, mxm155, mxm175, mxm190. find. Case Mxm Error Codes.
From tractordetails.net
JLG Fault Codes List Ultimate Troubleshooting Guide! 🔧 Case Mxm Error Codes I think both those codes are 4wd codes. view and download case mxm120 operator's manual online. have mxm 120 2wd tractor with error codes p22 and p23. find your error code then buy your case ih online store and new holland online store parts from us! complete service repair manual with electrical wiring diagrams for caseih. Case Mxm Error Codes.
From www.koopvanderwalusedparts.com
LEVELLING Case IH MXM Series Koop van der Wal Case Mxm Error Codes complete service repair manual with electrical wiring diagrams for caseih tractors mxm series (mxm120, mxm130, mxm140, mxm155,. view and download case mxm120 operator's manual online. I think both those codes are 4wd codes. case ih transmission fault codes. We have 1 case mxm130 maxxum tractor manual available for free. If they are how do i get them. Case Mxm Error Codes.
From dokumen.tips
(PDF) Sharp MXM453N Error Codes Free Downloads DOKUMEN.TIPS Case Mxm Error Codes manuals and user guides for case mxm130 maxxum tractor. We have 1 case mxm190 farm tractor manual available for free pdf. complete service repair manual with electrical wiring diagrams for caseih tractors mxm series (mxm120, mxm130, mxm140, mxm155,. have mxm 120 2wd tractor with error codes p22 and p23. case ih transmission fault codes. If they. Case Mxm Error Codes.
From www.esaerenotomotiv.com.tr
CASE MXM AYARLIKOL 47130636 Case Mxm Error Codes I think both those codes are 4wd codes. Mxm130, mxm140, mxm155, mxm175, mxm190. If they are how do i get them cleared and tell. Mxm120 tractor pdf manual download. We have 1 case mxm130 maxxum tractor manual available for free. codes common to all mxm/tms digital instrument cluster codes (eic) We have 1 case mxm190 farm tractor manual available. Case Mxm Error Codes.
From autoepcservice.com
Case IH Tractor MXM120 MXM130, MXM140, MXM155, MXM175, MXM190 Repair Case Mxm Error Codes Mxm120 tractor pdf manual download. Mxm130, mxm140, mxm155, mxm175, mxm190. find your error code then buy your case ih online store and new holland online store parts from us! view and download case mxm120 operator's manual online. manuals and user guides for case mxm130 maxxum tractor. manuals and user guides for case mxm190 farm tractor. . Case Mxm Error Codes.
From www.tractorshackparts.co.uk
Exhaust Case MXM 120 155 Corner Post Tractor Shack Parts Case Mxm Error Codes view and download case mxm120 operator's manual online. If they are how do i get them cleared and tell. manuals and user guides for case mxm130 maxxum tractor. manuals and user guides for case mxm190 farm tractor. I think both those codes are 4wd codes. Mxm130, mxm140, mxm155, mxm175, mxm190. case ih transmission fault codes. Mxm120. Case Mxm Error Codes.
From www.autorepairmanuals.ws
Case Loader 480 Service Manual_972572R0 Auto Repair Manual Forum Case Mxm Error Codes We have 1 case mxm190 farm tractor manual available for free pdf. If they are how do i get them cleared and tell. I think both those codes are 4wd codes. manuals and user guides for case mxm130 maxxum tractor. codes common to all mxm/tms digital instrument cluster codes (eic) Mxm120 tractor pdf manual download. We have 1. Case Mxm Error Codes.
From www.youtube.com
Case MXM 190 calibration error YouTube Case Mxm Error Codes codes common to all mxm/tms digital instrument cluster codes (eic) view and download case mxm120 operator's manual online. If they are how do i get them cleared and tell. Mxm120 tractor pdf manual download. We have 1 case mxm190 farm tractor manual available for free pdf. manuals and user guides for case mxm190 farm tractor. case. Case Mxm Error Codes.
From servicepartmanuals.com
Case IH Tractor MXM 120190 supplement Service Manual_666002 Case Mxm Error Codes Mxm130, mxm140, mxm155, mxm175, mxm190. codes common to all mxm/tms digital instrument cluster codes (eic) manuals and user guides for case mxm190 farm tractor. find your error code then buy your case ih online store and new holland online store parts from us! We have 1 case mxm130 maxxum tractor manual available for free. I think both. Case Mxm Error Codes.
From www.autorepairmanuals.ws
Case Skid Steer Loader SR130SR250, SV185SV300, TR270TR320, TV380 Case Mxm Error Codes codes common to all mxm/tms digital instrument cluster codes (eic) find your error code then buy your case ih online store and new holland online store parts from us! manuals and user guides for case mxm130 maxxum tractor. case ih transmission fault codes. Mxm130, mxm140, mxm155, mxm175, mxm190. have mxm 120 2wd tractor with error. Case Mxm Error Codes.
From www.autorepairmanuals.ws
Case CX14 637900NA Mini Excavator Operators Manual Auto Repair Case Mxm Error Codes have mxm 120 2wd tractor with error codes p22 and p23. complete service repair manual with electrical wiring diagrams for caseih tractors mxm series (mxm120, mxm130, mxm140, mxm155,. codes common to all mxm/tms digital instrument cluster codes (eic) If they are how do i get them cleared and tell. manuals and user guides for case mxm130. Case Mxm Error Codes.
From www.youtube.com
LS22 Mods Case IH MXM 190 Modvorstellung YouTube Case Mxm Error Codes manuals and user guides for case mxm130 maxxum tractor. view and download case mxm120 operator's manual online. I think both those codes are 4wd codes. We have 1 case mxm190 farm tractor manual available for free pdf. case ih transmission fault codes. complete service repair manual with electrical wiring diagrams for caseih tractors mxm series (mxm120,. Case Mxm Error Codes.
From www.autorepairmanuals.ws
Case Gasoline Crawler 420 Service Manual_970121 Auto Repair Manual Case Mxm Error Codes manuals and user guides for case mxm190 farm tractor. We have 1 case mxm190 farm tractor manual available for free pdf. codes common to all mxm/tms digital instrument cluster codes (eic) have mxm 120 2wd tractor with error codes p22 and p23. Mxm130, mxm140, mxm155, mxm175, mxm190. complete service repair manual with electrical wiring diagrams for. Case Mxm Error Codes.
From www.youtube.com
Viewing Fault Codes in Case IH A Post YouTube Case Mxm Error Codes We have 1 case mxm130 maxxum tractor manual available for free. manuals and user guides for case mxm190 farm tractor. codes common to all mxm/tms digital instrument cluster codes (eic) find your error code then buy your case ih online store and new holland online store parts from us! Mxm120 tractor pdf manual download. I think both. Case Mxm Error Codes.
From procarmanuals.com
BMW All Fault Codes List PDF Download Case Mxm Error Codes have mxm 120 2wd tractor with error codes p22 and p23. We have 1 case mxm190 farm tractor manual available for free pdf. codes common to all mxm/tms digital instrument cluster codes (eic) Mxm120 tractor pdf manual download. view and download case mxm120 operator's manual online. I think both those codes are 4wd codes. manuals and. Case Mxm Error Codes.
From www.autorepairmanuals.ws
Case Tractor Magnum MXM 120 130 140 155 175 190 Repair Manual Auto Case Mxm Error Codes Mxm120 tractor pdf manual download. We have 1 case mxm190 farm tractor manual available for free pdf. codes common to all mxm/tms digital instrument cluster codes (eic) manuals and user guides for case mxm130 maxxum tractor. have mxm 120 2wd tractor with error codes p22 and p23. I think both those codes are 4wd codes. view. Case Mxm Error Codes.
From www.autorepairmanuals.ws
Case Crawler Excavator CX210D LR Service Manual_47891798 Auto Repair Case Mxm Error Codes Mxm120 tractor pdf manual download. Mxm130, mxm140, mxm155, mxm175, mxm190. We have 1 case mxm130 maxxum tractor manual available for free. view and download case mxm120 operator's manual online. case ih transmission fault codes. If they are how do i get them cleared and tell. codes common to all mxm/tms digital instrument cluster codes (eic) find. Case Mxm Error Codes.
From imgflip.com
Possible raid warning. We have detected another Device in your house Case Mxm Error Codes Mxm120 tractor pdf manual download. find your error code then buy your case ih online store and new holland online store parts from us! We have 1 case mxm190 farm tractor manual available for free pdf. manuals and user guides for case mxm130 maxxum tractor. case ih transmission fault codes. have mxm 120 2wd tractor with. Case Mxm Error Codes.
From repairmachinesposoih.z22.web.core.windows.net
Cummins Fault Code Troubleshooting Manual Case Mxm Error Codes Mxm130, mxm140, mxm155, mxm175, mxm190. manuals and user guides for case mxm130 maxxum tractor. view and download case mxm120 operator's manual online. find your error code then buy your case ih online store and new holland online store parts from us! We have 1 case mxm130 maxxum tractor manual available for free. complete service repair manual. Case Mxm Error Codes.
From farmingsimulator22mods.it
Case IH MXM 190 BETA Farming Simulator 22 Mod FS22 Mod Case Mxm Error Codes manuals and user guides for case mxm190 farm tractor. codes common to all mxm/tms digital instrument cluster codes (eic) view and download case mxm120 operator's manual online. Mxm130, mxm140, mxm155, mxm175, mxm190. Mxm120 tractor pdf manual download. find your error code then buy your case ih online store and new holland online store parts from us!. Case Mxm Error Codes.
From www.manualslib.com
CASE MXM120 OPERATOR'S MANUAL Pdf Download ManualsLib Case Mxm Error Codes complete service repair manual with electrical wiring diagrams for caseih tractors mxm series (mxm120, mxm130, mxm140, mxm155,. find your error code then buy your case ih online store and new holland online store parts from us! manuals and user guides for case mxm130 maxxum tractor. If they are how do i get them cleared and tell. We. Case Mxm Error Codes.
From www.autorepairmanuals.ws
Case CX50B Tier 4 Excavator Operators Manual Auto Repair Manual Forum Case Mxm Error Codes We have 1 case mxm190 farm tractor manual available for free pdf. Mxm130, mxm140, mxm155, mxm175, mxm190. case ih transmission fault codes. complete service repair manual with electrical wiring diagrams for caseih tractors mxm series (mxm120, mxm130, mxm140, mxm155,. We have 1 case mxm130 maxxum tractor manual available for free. manuals and user guides for case mxm130. Case Mxm Error Codes.
From www.autorepairmanuals.ws
CASE 621C721C Loaders Service Manual Auto Repair Manual Forum Case Mxm Error Codes If they are how do i get them cleared and tell. manuals and user guides for case mxm190 farm tractor. We have 1 case mxm130 maxxum tractor manual available for free. case ih transmission fault codes. have mxm 120 2wd tractor with error codes p22 and p23. view and download case mxm120 operator's manual online. Mxm120. Case Mxm Error Codes.
From www.autorepairmanuals.ws
Case 580K Phase 3 Backhoe Service Manual Auto Repair Manual Forum Case Mxm Error Codes have mxm 120 2wd tractor with error codes p22 and p23. Mxm120 tractor pdf manual download. Mxm130, mxm140, mxm155, mxm175, mxm190. complete service repair manual with electrical wiring diagrams for caseih tractors mxm series (mxm120, mxm130, mxm140, mxm155,. codes common to all mxm/tms digital instrument cluster codes (eic) We have 1 case mxm130 maxxum tractor manual available. Case Mxm Error Codes.
From www.autorepairmanuals.ws
Case Crawler Excavator CX210D, CX230D Service Manual_47961278_ES Auto Case Mxm Error Codes We have 1 case mxm130 maxxum tractor manual available for free. have mxm 120 2wd tractor with error codes p22 and p23. codes common to all mxm/tms digital instrument cluster codes (eic) We have 1 case mxm190 farm tractor manual available for free pdf. manuals and user guides for case mxm190 farm tractor. I think both those. Case Mxm Error Codes.
From github.com
I get an error · Issue 177 · Avindr/MxMIssueTracking · GitHub Case Mxm Error Codes have mxm 120 2wd tractor with error codes p22 and p23. complete service repair manual with electrical wiring diagrams for caseih tractors mxm series (mxm120, mxm130, mxm140, mxm155,. Mxm130, mxm140, mxm155, mxm175, mxm190. We have 1 case mxm190 farm tractor manual available for free pdf. I think both those codes are 4wd codes. We have 1 case mxm130. Case Mxm Error Codes.