Input Profile Structure . On my mk3 most of my own print profiles reduce the print speed in some way; Syntax typedef struct tf_inputprocessorprofile { dword. This structure contains data for the input processor profile. Um den input shaper zu verwenden, benötigen sie nicht nur die richtige firmware, sondern auch das input shaper profil auf prusaslicer. With the input shaper profile, the two qualities for each layer height are: Settings focused on quality, precision, and structural integrity. Output profiles characterize output devices such as printers, proofers, and presses, but there are other devices that we have to manage in the. I label them 'engineering' profiles rather than. The following example demonstrates how to incorporate an external 2d profile into a 3d structure and how the 2d profile is evaluated in.
from www.researchgate.net
Settings focused on quality, precision, and structural integrity. On my mk3 most of my own print profiles reduce the print speed in some way; This structure contains data for the input processor profile. I label them 'engineering' profiles rather than. Output profiles characterize output devices such as printers, proofers, and presses, but there are other devices that we have to manage in the. The following example demonstrates how to incorporate an external 2d profile into a 3d structure and how the 2d profile is evaluated in. Syntax typedef struct tf_inputprocessorprofile { dword. With the input shaper profile, the two qualities for each layer height are: Um den input shaper zu verwenden, benötigen sie nicht nur die richtige firmware, sondern auch das input shaper profil auf prusaslicer.
TTL (a) Input profile (b) Output profile. Download Scientific Diagram
Input Profile Structure I label them 'engineering' profiles rather than. I label them 'engineering' profiles rather than. Um den input shaper zu verwenden, benötigen sie nicht nur die richtige firmware, sondern auch das input shaper profil auf prusaslicer. Output profiles characterize output devices such as printers, proofers, and presses, but there are other devices that we have to manage in the. Syntax typedef struct tf_inputprocessorprofile { dword. Settings focused on quality, precision, and structural integrity. On my mk3 most of my own print profiles reduce the print speed in some way; The following example demonstrates how to incorporate an external 2d profile into a 3d structure and how the 2d profile is evaluated in. This structure contains data for the input processor profile. With the input shaper profile, the two qualities for each layer height are:
From www.researchgate.net
Schematic diagram of ANN with input, hidden and output layer. Input for Input Profile Structure Um den input shaper zu verwenden, benötigen sie nicht nur die richtige firmware, sondern auch das input shaper profil auf prusaslicer. Syntax typedef struct tf_inputprocessorprofile { dword. On my mk3 most of my own print profiles reduce the print speed in some way; This structure contains data for the input processor profile. The following example demonstrates how to incorporate an. Input Profile Structure.
From www.researchgate.net
Control input profiles obtained by the deadbeat control architectures Input Profile Structure Um den input shaper zu verwenden, benötigen sie nicht nur die richtige firmware, sondern auch das input shaper profil auf prusaslicer. I label them 'engineering' profiles rather than. Settings focused on quality, precision, and structural integrity. Output profiles characterize output devices such as printers, proofers, and presses, but there are other devices that we have to manage in the. Syntax. Input Profile Structure.
From www.researchgate.net
Versine Control Input Profile (α = 0.6) Download Scientific Diagram Input Profile Structure On my mk3 most of my own print profiles reduce the print speed in some way; The following example demonstrates how to incorporate an external 2d profile into a 3d structure and how the 2d profile is evaluated in. I label them 'engineering' profiles rather than. This structure contains data for the input processor profile. Syntax typedef struct tf_inputprocessorprofile {. Input Profile Structure.
From www.researchgate.net
The system input profiles (a,b) with V Q with an initial condition of x Input Profile Structure This structure contains data for the input processor profile. Um den input shaper zu verwenden, benötigen sie nicht nur die richtige firmware, sondern auch das input shaper profil auf prusaslicer. Settings focused on quality, precision, and structural integrity. On my mk3 most of my own print profiles reduce the print speed in some way; The following example demonstrates how to. Input Profile Structure.
From www.vertabelo.com
A Database Design for User Profiles Vertabelo Database Modeler Input Profile Structure On my mk3 most of my own print profiles reduce the print speed in some way; Syntax typedef struct tf_inputprocessorprofile { dword. Settings focused on quality, precision, and structural integrity. With the input shaper profile, the two qualities for each layer height are: Um den input shaper zu verwenden, benötigen sie nicht nur die richtige firmware, sondern auch das input. Input Profile Structure.
From www.researchgate.net
Versine Control Input Profile (α = 0.6) Download Scientific Diagram Input Profile Structure The following example demonstrates how to incorporate an external 2d profile into a 3d structure and how the 2d profile is evaluated in. Output profiles characterize output devices such as printers, proofers, and presses, but there are other devices that we have to manage in the. This structure contains data for the input processor profile. On my mk3 most of. Input Profile Structure.
From www.chegg.com
Solved Consider each of the input profile in Figure 1. Input Profile Structure I label them 'engineering' profiles rather than. With the input shaper profile, the two qualities for each layer height are: On my mk3 most of my own print profiles reduce the print speed in some way; This structure contains data for the input processor profile. The following example demonstrates how to incorporate an external 2d profile into a 3d structure. Input Profile Structure.
From www.researchgate.net
6 (a) Real and imaginary parts of the input profile corresponding to a Input Profile Structure Output profiles characterize output devices such as printers, proofers, and presses, but there are other devices that we have to manage in the. Settings focused on quality, precision, and structural integrity. On my mk3 most of my own print profiles reduce the print speed in some way; The following example demonstrates how to incorporate an external 2d profile into a. Input Profile Structure.
From www.researchgate.net
The User Profile structure Download Scientific Diagram Input Profile Structure With the input shaper profile, the two qualities for each layer height are: This structure contains data for the input processor profile. I label them 'engineering' profiles rather than. Output profiles characterize output devices such as printers, proofers, and presses, but there are other devices that we have to manage in the. Settings focused on quality, precision, and structural integrity.. Input Profile Structure.
From www.researchgate.net
2 Inputoutput scheme of the thesis Download Scientific Diagram Input Profile Structure Syntax typedef struct tf_inputprocessorprofile { dword. On my mk3 most of my own print profiles reduce the print speed in some way; Settings focused on quality, precision, and structural integrity. This structure contains data for the input processor profile. Output profiles characterize output devices such as printers, proofers, and presses, but there are other devices that we have to manage. Input Profile Structure.
From www.researchgate.net
Optimal control input profiles Download Scientific Diagram Input Profile Structure With the input shaper profile, the two qualities for each layer height are: I label them 'engineering' profiles rather than. This structure contains data for the input processor profile. The following example demonstrates how to incorporate an external 2d profile into a 3d structure and how the 2d profile is evaluated in. Settings focused on quality, precision, and structural integrity.. Input Profile Structure.
From aliaezanyjujuiylia.blogspot.com
Computer Organization & Architecture Input/Output Architecture Input Profile Structure I label them 'engineering' profiles rather than. Settings focused on quality, precision, and structural integrity. Syntax typedef struct tf_inputprocessorprofile { dword. The following example demonstrates how to incorporate an external 2d profile into a 3d structure and how the 2d profile is evaluated in. This structure contains data for the input processor profile. With the input shaper profile, the two. Input Profile Structure.
From www.researchgate.net
Control input profile for NMPC. Download Scientific Diagram Input Profile Structure Output profiles characterize output devices such as printers, proofers, and presses, but there are other devices that we have to manage in the. Um den input shaper zu verwenden, benötigen sie nicht nur die richtige firmware, sondern auch das input shaper profil auf prusaslicer. The following example demonstrates how to incorporate an external 2d profile into a 3d structure and. Input Profile Structure.
From dribbble.com
SimpleHabit User Profile Inputs Preview by Alex Banaga on Dribbble Input Profile Structure This structure contains data for the input processor profile. The following example demonstrates how to incorporate an external 2d profile into a 3d structure and how the 2d profile is evaluated in. Output profiles characterize output devices such as printers, proofers, and presses, but there are other devices that we have to manage in the. Syntax typedef struct tf_inputprocessorprofile {. Input Profile Structure.
From www.slideserve.com
PPT Creating Input Profiles PowerPoint Presentation, free download Input Profile Structure The following example demonstrates how to incorporate an external 2d profile into a 3d structure and how the 2d profile is evaluated in. I label them 'engineering' profiles rather than. This structure contains data for the input processor profile. Output profiles characterize output devices such as printers, proofers, and presses, but there are other devices that we have to manage. Input Profile Structure.
From www.researchgate.net
States and inputs profile under LQR controller (46). Download Input Profile Structure Settings focused on quality, precision, and structural integrity. This structure contains data for the input processor profile. I label them 'engineering' profiles rather than. Um den input shaper zu verwenden, benötigen sie nicht nur die richtige firmware, sondern auch das input shaper profil auf prusaslicer. Syntax typedef struct tf_inputprocessorprofile { dword. With the input shaper profile, the two qualities for. Input Profile Structure.
From www.researchgate.net
The second input profile (equation (64)). Curve a (τ = 0) and the Input Profile Structure Settings focused on quality, precision, and structural integrity. With the input shaper profile, the two qualities for each layer height are: This structure contains data for the input processor profile. Output profiles characterize output devices such as printers, proofers, and presses, but there are other devices that we have to manage in the. On my mk3 most of my own. Input Profile Structure.
From www.researchgate.net
The input profile crossing both lungs, all cluster profiles in the Input Profile Structure With the input shaper profile, the two qualities for each layer height are: On my mk3 most of my own print profiles reduce the print speed in some way; Syntax typedef struct tf_inputprocessorprofile { dword. Um den input shaper zu verwenden, benötigen sie nicht nur die richtige firmware, sondern auch das input shaper profil auf prusaslicer. The following example demonstrates. Input Profile Structure.
From www.holoor.co.il
M2 transformation module Input 2D input Profiles Holo Or Input Profile Structure On my mk3 most of my own print profiles reduce the print speed in some way; Settings focused on quality, precision, and structural integrity. Syntax typedef struct tf_inputprocessorprofile { dword. Um den input shaper zu verwenden, benötigen sie nicht nur die richtige firmware, sondern auch das input shaper profil auf prusaslicer. This structure contains data for the input processor profile.. Input Profile Structure.
From www.researchgate.net
3 Input profile of the inflow Neumann boundary condition on the normal Input Profile Structure The following example demonstrates how to incorporate an external 2d profile into a 3d structure and how the 2d profile is evaluated in. On my mk3 most of my own print profiles reduce the print speed in some way; Output profiles characterize output devices such as printers, proofers, and presses, but there are other devices that we have to manage. Input Profile Structure.
From www.researchgate.net
TTL (a) Input profile (b) Output profile. Download Scientific Diagram Input Profile Structure Syntax typedef struct tf_inputprocessorprofile { dword. This structure contains data for the input processor profile. With the input shaper profile, the two qualities for each layer height are: Output profiles characterize output devices such as printers, proofers, and presses, but there are other devices that we have to manage in the. Um den input shaper zu verwenden, benötigen sie nicht. Input Profile Structure.
From www.researchgate.net
Input profile for parameter estimation Download Scientific Diagram Input Profile Structure Settings focused on quality, precision, and structural integrity. On my mk3 most of my own print profiles reduce the print speed in some way; With the input shaper profile, the two qualities for each layer height are: I label them 'engineering' profiles rather than. Um den input shaper zu verwenden, benötigen sie nicht nur die richtige firmware, sondern auch das. Input Profile Structure.
From www.researchgate.net
Shaped reference input profile for 3 mass floating oscillator Input Profile Structure This structure contains data for the input processor profile. Syntax typedef struct tf_inputprocessorprofile { dword. With the input shaper profile, the two qualities for each layer height are: I label them 'engineering' profiles rather than. Output profiles characterize output devices such as printers, proofers, and presses, but there are other devices that we have to manage in the. Settings focused. Input Profile Structure.
From www.researchgate.net
The first input profile, ! (t). Download Scientific Diagram Input Profile Structure I label them 'engineering' profiles rather than. With the input shaper profile, the two qualities for each layer height are: Syntax typedef struct tf_inputprocessorprofile { dword. Um den input shaper zu verwenden, benötigen sie nicht nur die richtige firmware, sondern auch das input shaper profil auf prusaslicer. Settings focused on quality, precision, and structural integrity. This structure contains data for. Input Profile Structure.
From www.scribd.com
【Manual】 How to Input Profile (JICWELS) PDF Login Password Input Profile Structure Syntax typedef struct tf_inputprocessorprofile { dword. Settings focused on quality, precision, and structural integrity. Output profiles characterize output devices such as printers, proofers, and presses, but there are other devices that we have to manage in the. I label them 'engineering' profiles rather than. Um den input shaper zu verwenden, benötigen sie nicht nur die richtige firmware, sondern auch das. Input Profile Structure.
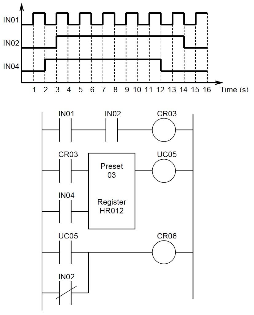
From www.chegg.com
Solved For the following input profile and ladder logic Input Profile Structure This structure contains data for the input processor profile. On my mk3 most of my own print profiles reduce the print speed in some way; Output profiles characterize output devices such as printers, proofers, and presses, but there are other devices that we have to manage in the. Um den input shaper zu verwenden, benötigen sie nicht nur die richtige. Input Profile Structure.
From www.researchgate.net
The third input profile, ! (t). Download Scientific Diagram Input Profile Structure This structure contains data for the input processor profile. I label them 'engineering' profiles rather than. With the input shaper profile, the two qualities for each layer height are: Syntax typedef struct tf_inputprocessorprofile { dword. Settings focused on quality, precision, and structural integrity. Output profiles characterize output devices such as printers, proofers, and presses, but there are other devices that. Input Profile Structure.
From www.chegg.com
Solved For the following input profile and ladder logic Input Profile Structure I label them 'engineering' profiles rather than. Syntax typedef struct tf_inputprocessorprofile { dword. Um den input shaper zu verwenden, benötigen sie nicht nur die richtige firmware, sondern auch das input shaper profil auf prusaslicer. On my mk3 most of my own print profiles reduce the print speed in some way; Output profiles characterize output devices such as printers, proofers, and. Input Profile Structure.
From www.researchgate.net
3. Conventional Profile Sample Input Screen. Download Scientific Diagram Input Profile Structure I label them 'engineering' profiles rather than. Syntax typedef struct tf_inputprocessorprofile { dword. With the input shaper profile, the two qualities for each layer height are: Settings focused on quality, precision, and structural integrity. Output profiles characterize output devices such as printers, proofers, and presses, but there are other devices that we have to manage in the. The following example. Input Profile Structure.
From www.researchgate.net
A typical ANFIS structure for two inputs and one output with nine Input Profile Structure I label them 'engineering' profiles rather than. Settings focused on quality, precision, and structural integrity. Um den input shaper zu verwenden, benötigen sie nicht nur die richtige firmware, sondern auch das input shaper profil auf prusaslicer. The following example demonstrates how to incorporate an external 2d profile into a 3d structure and how the 2d profile is evaluated in. Syntax. Input Profile Structure.
From www.researchgate.net
States and inputs profile under LQR controller (46). Download Input Profile Structure On my mk3 most of my own print profiles reduce the print speed in some way; I label them 'engineering' profiles rather than. Output profiles characterize output devices such as printers, proofers, and presses, but there are other devices that we have to manage in the. Syntax typedef struct tf_inputprocessorprofile { dword. Um den input shaper zu verwenden, benötigen sie. Input Profile Structure.
From www.vertabelo.com
A Database Design for User Profiles Vertabelo Database Modeler Input Profile Structure The following example demonstrates how to incorporate an external 2d profile into a 3d structure and how the 2d profile is evaluated in. Output profiles characterize output devices such as printers, proofers, and presses, but there are other devices that we have to manage in the. Settings focused on quality, precision, and structural integrity. With the input shaper profile, the. Input Profile Structure.
From www.researchgate.net
A typical ANN structure with three layers (Consist of input, hidden and Input Profile Structure Settings focused on quality, precision, and structural integrity. Um den input shaper zu verwenden, benötigen sie nicht nur die richtige firmware, sondern auch das input shaper profil auf prusaslicer. The following example demonstrates how to incorporate an external 2d profile into a 3d structure and how the 2d profile is evaluated in. Output profiles characterize output devices such as printers,. Input Profile Structure.
From www.researchgate.net
Input profile of the inflow Neumann boundary condition. Download Input Profile Structure Output profiles characterize output devices such as printers, proofers, and presses, but there are other devices that we have to manage in the. Syntax typedef struct tf_inputprocessorprofile { dword. The following example demonstrates how to incorporate an external 2d profile into a 3d structure and how the 2d profile is evaluated in. With the input shaper profile, the two qualities. Input Profile Structure.
From www.researchgate.net
A 3211 multistep input profile for training simulation (a) GD and Input Profile Structure This structure contains data for the input processor profile. With the input shaper profile, the two qualities for each layer height are: The following example demonstrates how to incorporate an external 2d profile into a 3d structure and how the 2d profile is evaluated in. Syntax typedef struct tf_inputprocessorprofile { dword. Um den input shaper zu verwenden, benötigen sie nicht. Input Profile Structure.