Amplifier Definition Analog . It takes in a weak electrical signal/waveform and. An amplifier is an electronic device or circuit which is used to increase the magnitude of the signal applied to its input. An amplifier is an electronic device used to increase the magnitude of voltage/current/power of an input signal. An electrical or electronic amplifier is a circuit that uses an external power supply to generate an output. Analog and digital amplifiers are two distinct approaches to amplifying audio signals, each with its own unique. An amplifier (often loosely called an amp) is an electromagnetic or electronic component that boosts an electric current. Amplifier is the generic term used to describe a circuit which. Common types of analog amplifiers include voltage amplifiers and current amplifiers. These amplifiers work with continuous signals, like audio and radio frequency (rf) signals.
from headphonicity.com
Amplifier is the generic term used to describe a circuit which. Common types of analog amplifiers include voltage amplifiers and current amplifiers. An amplifier (often loosely called an amp) is an electromagnetic or electronic component that boosts an electric current. These amplifiers work with continuous signals, like audio and radio frequency (rf) signals. It takes in a weak electrical signal/waveform and. An electrical or electronic amplifier is a circuit that uses an external power supply to generate an output. An amplifier is an electronic device or circuit which is used to increase the magnitude of the signal applied to its input. An amplifier is an electronic device used to increase the magnitude of voltage/current/power of an input signal. Analog and digital amplifiers are two distinct approaches to amplifying audio signals, each with its own unique.
What is a headphone amp? Definition, Mechanism & Important
Amplifier Definition Analog It takes in a weak electrical signal/waveform and. Amplifier is the generic term used to describe a circuit which. An amplifier (often loosely called an amp) is an electromagnetic or electronic component that boosts an electric current. Analog and digital amplifiers are two distinct approaches to amplifying audio signals, each with its own unique. These amplifiers work with continuous signals, like audio and radio frequency (rf) signals. An amplifier is an electronic device used to increase the magnitude of voltage/current/power of an input signal. An electrical or electronic amplifier is a circuit that uses an external power supply to generate an output. It takes in a weak electrical signal/waveform and. Common types of analog amplifiers include voltage amplifiers and current amplifiers. An amplifier is an electronic device or circuit which is used to increase the magnitude of the signal applied to its input.
From www.audio-high-store.com
Analog Devices OP27EPZ Precision Amplifier Amplifier Definition Analog An amplifier (often loosely called an amp) is an electromagnetic or electronic component that boosts an electric current. An amplifier is an electronic device or circuit which is used to increase the magnitude of the signal applied to its input. Common types of analog amplifiers include voltage amplifiers and current amplifiers. It takes in a weak electrical signal/waveform and. An. Amplifier Definition Analog.
From www.youtube.com
TUTORIAL The Very Basics of Amplifiers What, How, Why & When Amplifier Definition Analog An amplifier is an electronic device or circuit which is used to increase the magnitude of the signal applied to its input. Common types of analog amplifiers include voltage amplifiers and current amplifiers. Analog and digital amplifiers are two distinct approaches to amplifying audio signals, each with its own unique. An electrical or electronic amplifier is a circuit that uses. Amplifier Definition Analog.
From www.instructables.com
Build an EMG Audio Amplifier! (Electromyography) 8 Steps (with Amplifier Definition Analog It takes in a weak electrical signal/waveform and. These amplifiers work with continuous signals, like audio and radio frequency (rf) signals. An amplifier (often loosely called an amp) is an electromagnetic or electronic component that boosts an electric current. Common types of analog amplifiers include voltage amplifiers and current amplifiers. An amplifier is an electronic device used to increase the. Amplifier Definition Analog.
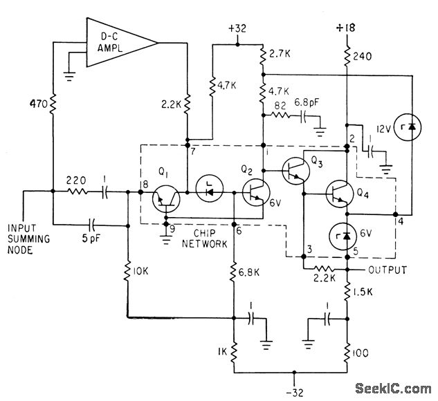
From www.seekic.com
ANALOG_PREAMP Amplifier_Circuit Circuit Diagram Amplifier Definition Analog An amplifier (often loosely called an amp) is an electromagnetic or electronic component that boosts an electric current. Analog and digital amplifiers are two distinct approaches to amplifying audio signals, each with its own unique. An amplifier is an electronic device used to increase the magnitude of voltage/current/power of an input signal. It takes in a weak electrical signal/waveform and.. Amplifier Definition Analog.
From www.youtube.com
Analog Controlled Variable Gain Amplifier Available at RFMD YouTube Amplifier Definition Analog Amplifier is the generic term used to describe a circuit which. An electrical or electronic amplifier is a circuit that uses an external power supply to generate an output. An amplifier is an electronic device or circuit which is used to increase the magnitude of the signal applied to its input. These amplifiers work with continuous signals, like audio and. Amplifier Definition Analog.
From www.youtube.com
ECE3400 Lecture 17 CECC Amplifier Cascade Amplifier Definition Analog An amplifier is an electronic device or circuit which is used to increase the magnitude of the signal applied to its input. Amplifier is the generic term used to describe a circuit which. It takes in a weak electrical signal/waveform and. These amplifiers work with continuous signals, like audio and radio frequency (rf) signals. Common types of analog amplifiers include. Amplifier Definition Analog.
From www.youtube.com
How does an Amplifier Work? (ClassA) YouTube Amplifier Definition Analog An electrical or electronic amplifier is a circuit that uses an external power supply to generate an output. Common types of analog amplifiers include voltage amplifiers and current amplifiers. An amplifier is an electronic device or circuit which is used to increase the magnitude of the signal applied to its input. An amplifier (often loosely called an amp) is an. Amplifier Definition Analog.
From www.electronicsandyou.com
Basic Analog Circuit Tutorial and Overview Electronics and You Amplifier Definition Analog Common types of analog amplifiers include voltage amplifiers and current amplifiers. These amplifiers work with continuous signals, like audio and radio frequency (rf) signals. An amplifier is an electronic device or circuit which is used to increase the magnitude of the signal applied to its input. An amplifier (often loosely called an amp) is an electromagnetic or electronic component that. Amplifier Definition Analog.
From www.canuckaudiomart.com
TUBE Integrated Amplifier Analog Acoustics Photo 1592210 Canuck Amplifier Definition Analog Analog and digital amplifiers are two distinct approaches to amplifying audio signals, each with its own unique. An amplifier is an electronic device or circuit which is used to increase the magnitude of the signal applied to its input. It takes in a weak electrical signal/waveform and. An amplifier (often loosely called an amp) is an electromagnetic or electronic component. Amplifier Definition Analog.
From www.circuits-diy.com
10 Watt Audio Amplifier using OpAmp and Power Transistors Amplifier Definition Analog Common types of analog amplifiers include voltage amplifiers and current amplifiers. Amplifier is the generic term used to describe a circuit which. An amplifier (often loosely called an amp) is an electromagnetic or electronic component that boosts an electric current. An amplifier is an electronic device used to increase the magnitude of voltage/current/power of an input signal. It takes in. Amplifier Definition Analog.
From www.vectorstock.com
Analog music stereo audio amplifier and tuner Vector Image Amplifier Definition Analog These amplifiers work with continuous signals, like audio and radio frequency (rf) signals. It takes in a weak electrical signal/waveform and. Common types of analog amplifiers include voltage amplifiers and current amplifiers. An electrical or electronic amplifier is a circuit that uses an external power supply to generate an output. An amplifier is an electronic device used to increase the. Amplifier Definition Analog.
From www.researchgate.net
Analogue electronic circuits a, Inverting amplifier. b, Integrating Amplifier Definition Analog An electrical or electronic amplifier is a circuit that uses an external power supply to generate an output. It takes in a weak electrical signal/waveform and. These amplifiers work with continuous signals, like audio and radio frequency (rf) signals. Common types of analog amplifiers include voltage amplifiers and current amplifiers. Analog and digital amplifiers are two distinct approaches to amplifying. Amplifier Definition Analog.
From learn.sparkfun.com
Analog vs. Digital SparkFun Learn Amplifier Definition Analog An amplifier (often loosely called an amp) is an electromagnetic or electronic component that boosts an electric current. An amplifier is an electronic device used to increase the magnitude of voltage/current/power of an input signal. An amplifier is an electronic device or circuit which is used to increase the magnitude of the signal applied to its input. Common types of. Amplifier Definition Analog.
From www.wiringview.co
Schematic Of Audio Amplifiers Wiring View and Schematics Diagram Amplifier Definition Analog An amplifier is an electronic device used to increase the magnitude of voltage/current/power of an input signal. Amplifier is the generic term used to describe a circuit which. Analog and digital amplifiers are two distinct approaches to amplifying audio signals, each with its own unique. An amplifier is an electronic device or circuit which is used to increase the magnitude. Amplifier Definition Analog.
From analyseameter.com
Amplifier Definition and explanation with Diagram Analyse A Meter Amplifier Definition Analog These amplifiers work with continuous signals, like audio and radio frequency (rf) signals. Amplifier is the generic term used to describe a circuit which. Analog and digital amplifiers are two distinct approaches to amplifying audio signals, each with its own unique. An amplifier is an electronic device or circuit which is used to increase the magnitude of the signal applied. Amplifier Definition Analog.
From www.analogictips.com
What’s the difference between instrumentation and precision amplifiers? Amplifier Definition Analog An amplifier (often loosely called an amp) is an electromagnetic or electronic component that boosts an electric current. These amplifiers work with continuous signals, like audio and radio frequency (rf) signals. It takes in a weak electrical signal/waveform and. Common types of analog amplifiers include voltage amplifiers and current amplifiers. An electrical or electronic amplifier is a circuit that uses. Amplifier Definition Analog.
From hyperelectronic.net
Inverting Amplifier HyperElectronic Amplifier Definition Analog Amplifier is the generic term used to describe a circuit which. It takes in a weak electrical signal/waveform and. An amplifier (often loosely called an amp) is an electromagnetic or electronic component that boosts an electric current. An amplifier is an electronic device used to increase the magnitude of voltage/current/power of an input signal. Common types of analog amplifiers include. Amplifier Definition Analog.
From headphonicity.com
What is a headphone amp? Definition, Mechanism & Important Amplifier Definition Analog An electrical or electronic amplifier is a circuit that uses an external power supply to generate an output. An amplifier is an electronic device or circuit which is used to increase the magnitude of the signal applied to its input. It takes in a weak electrical signal/waveform and. Common types of analog amplifiers include voltage amplifiers and current amplifiers. Analog. Amplifier Definition Analog.
From bestwaterproofspeaker.com
What Is An Amplifier ? Complete Study BWS Amplifier Definition Analog Amplifier is the generic term used to describe a circuit which. It takes in a weak electrical signal/waveform and. An electrical or electronic amplifier is a circuit that uses an external power supply to generate an output. An amplifier (often loosely called an amp) is an electromagnetic or electronic component that boosts an electric current. Common types of analog amplifiers. Amplifier Definition Analog.
From hifi4sale.forumotion.com
audio analogue amplifier Amplifier Definition Analog An electrical or electronic amplifier is a circuit that uses an external power supply to generate an output. It takes in a weak electrical signal/waveform and. These amplifiers work with continuous signals, like audio and radio frequency (rf) signals. An amplifier is an electronic device or circuit which is used to increase the magnitude of the signal applied to its. Amplifier Definition Analog.
From www.planetanalog.com
Improve EMI rejection with a simple frontend amplifier Analog Amplifier Definition Analog An amplifier is an electronic device or circuit which is used to increase the magnitude of the signal applied to its input. Analog and digital amplifiers are two distinct approaches to amplifying audio signals, each with its own unique. An amplifier is an electronic device used to increase the magnitude of voltage/current/power of an input signal. Common types of analog. Amplifier Definition Analog.
From www.slideserve.com
PPT Chapter 1 Signals and Amplifiers PowerPoint Presentation, free Amplifier Definition Analog An amplifier is an electronic device or circuit which is used to increase the magnitude of the signal applied to its input. It takes in a weak electrical signal/waveform and. Common types of analog amplifiers include voltage amplifiers and current amplifiers. An amplifier (often loosely called an amp) is an electromagnetic or electronic component that boosts an electric current. Analog. Amplifier Definition Analog.
From witchdoctor.co.nz
Appreciating Artisan Analogue Amplifiers witchdoctor.co.nz Amplifier Definition Analog An amplifier is an electronic device or circuit which is used to increase the magnitude of the signal applied to its input. Analog and digital amplifiers are two distinct approaches to amplifying audio signals, each with its own unique. These amplifiers work with continuous signals, like audio and radio frequency (rf) signals. Common types of analog amplifiers include voltage amplifiers. Amplifier Definition Analog.
From www.slideserve.com
PPT EMT 212/4 ANALOG ELECTRONIC II CHAPTER 2 OPAMP APPLICATIONS Amplifier Definition Analog Analog and digital amplifiers are two distinct approaches to amplifying audio signals, each with its own unique. An electrical or electronic amplifier is a circuit that uses an external power supply to generate an output. These amplifiers work with continuous signals, like audio and radio frequency (rf) signals. An amplifier is an electronic device or circuit which is used to. Amplifier Definition Analog.
From www.monolithicpower.com
Operational Amplifier Basics, Types and Uses Article MPS Amplifier Definition Analog An electrical or electronic amplifier is a circuit that uses an external power supply to generate an output. An amplifier is an electronic device used to increase the magnitude of voltage/current/power of an input signal. Common types of analog amplifiers include voltage amplifiers and current amplifiers. Analog and digital amplifiers are two distinct approaches to amplifying audio signals, each with. Amplifier Definition Analog.
From www.slideserve.com
PPT ANALOGUE ELECTRONICS I PowerPoint Presentation, free download Amplifier Definition Analog Analog and digital amplifiers are two distinct approaches to amplifying audio signals, each with its own unique. Common types of analog amplifiers include voltage amplifiers and current amplifiers. An amplifier is an electronic device or circuit which is used to increase the magnitude of the signal applied to its input. Amplifier is the generic term used to describe a circuit. Amplifier Definition Analog.
From exoujghzw.blob.core.windows.net
Power Amplifier Definition Analog at Dorothy Robert blog Amplifier Definition Analog An electrical or electronic amplifier is a circuit that uses an external power supply to generate an output. An amplifier (often loosely called an amp) is an electromagnetic or electronic component that boosts an electric current. An amplifier is an electronic device used to increase the magnitude of voltage/current/power of an input signal. Analog and digital amplifiers are two distinct. Amplifier Definition Analog.
From eduinput.com
What is Amplifier?Definition, Types, And Characteristics Amplifier Definition Analog An amplifier (often loosely called an amp) is an electromagnetic or electronic component that boosts an electric current. Analog and digital amplifiers are two distinct approaches to amplifying audio signals, each with its own unique. An amplifier is an electronic device or circuit which is used to increase the magnitude of the signal applied to its input. Common types of. Amplifier Definition Analog.
From www.seekic.com
WIDEBAND_ANALOG_AMPLIFIER Amplifier_Circuit Circuit Diagram Amplifier Definition Analog An amplifier (often loosely called an amp) is an electromagnetic or electronic component that boosts an electric current. Amplifier is the generic term used to describe a circuit which. An amplifier is an electronic device used to increase the magnitude of voltage/current/power of an input signal. An electrical or electronic amplifier is a circuit that uses an external power supply. Amplifier Definition Analog.
From www.concert-soundequipment.com
2 Channel Analog Audio Amplifier Amplifier Definition Analog An amplifier (often loosely called an amp) is an electromagnetic or electronic component that boosts an electric current. Amplifier is the generic term used to describe a circuit which. These amplifiers work with continuous signals, like audio and radio frequency (rf) signals. An amplifier is an electronic device or circuit which is used to increase the magnitude of the signal. Amplifier Definition Analog.
From www.researchgate.net
Basic types of operational amplifiers Download Table Amplifier Definition Analog An electrical or electronic amplifier is a circuit that uses an external power supply to generate an output. Amplifier is the generic term used to describe a circuit which. Analog and digital amplifiers are two distinct approaches to amplifying audio signals, each with its own unique. An amplifier (often loosely called an amp) is an electromagnetic or electronic component that. Amplifier Definition Analog.
From www.hackatronic.com
What is operational amplifier? basics concepts » Hackatronic Amplifier Definition Analog These amplifiers work with continuous signals, like audio and radio frequency (rf) signals. It takes in a weak electrical signal/waveform and. Common types of analog amplifiers include voltage amplifiers and current amplifiers. Amplifier is the generic term used to describe a circuit which. Analog and digital amplifiers are two distinct approaches to amplifying audio signals, each with its own unique.. Amplifier Definition Analog.
From www.chegg.com
Solved An analogue amplifier circuit is shown in Figure 1 Amplifier Definition Analog An amplifier (often loosely called an amp) is an electromagnetic or electronic component that boosts an electric current. It takes in a weak electrical signal/waveform and. Analog and digital amplifiers are two distinct approaches to amplifying audio signals, each with its own unique. An electrical or electronic amplifier is a circuit that uses an external power supply to generate an. Amplifier Definition Analog.
From www.wiringdraw.com
How To Make Simple Audio Amplifier Circuit Wiring Draw And Schematic Amplifier Definition Analog An electrical or electronic amplifier is a circuit that uses an external power supply to generate an output. Amplifier is the generic term used to describe a circuit which. Analog and digital amplifiers are two distinct approaches to amplifying audio signals, each with its own unique. These amplifiers work with continuous signals, like audio and radio frequency (rf) signals. Common. Amplifier Definition Analog.
From www.canuckaudiomart.com
TUBE Integrated Amplifier Analog Acoustics Photo 1592209 Canuck Amplifier Definition Analog These amplifiers work with continuous signals, like audio and radio frequency (rf) signals. Common types of analog amplifiers include voltage amplifiers and current amplifiers. An amplifier (often loosely called an amp) is an electromagnetic or electronic component that boosts an electric current. Analog and digital amplifiers are two distinct approaches to amplifying audio signals, each with its own unique. It. Amplifier Definition Analog.