Atv Carburetor Popping . When your atv/utv’s carburetor needle and seat are bad, you can expect to see one or. Atvs rely on a specific afr, the air to fuel ratio, to run properly. When you don’t ride your atv for a long time, the fuel inside its tank starts to degrade. — i have a 99 polaris sportsman 500 that is backfiring through the carburetor. — a worn carburetor needle/seat is not hard to diagnose. Though it is tough to distinguish “old” gas from “new” gas just by looking at it, the effects of fuel sitting in your vehicle for long periods can be detrimental to the vehicle. — one reason that your atv could backfire regularly, especially if your atv has been sitting in storage for a while, is that the carburetor is clogged. It will start fine and idle perfect, but as soon as i touch the throttle it'll. As soon as you get back on the. — besides having an imbalanced mixture of air and fuel in the combustion chamber, your atv might start backfiring or not starting at all if its carburetor is either clogged or faulty. — an atv usually makes a popping sound when it is running lean. Such is the case if you have not driven your atv for
from www.fodsports.com
Though it is tough to distinguish “old” gas from “new” gas just by looking at it, the effects of fuel sitting in your vehicle for long periods can be detrimental to the vehicle. — i have a 99 polaris sportsman 500 that is backfiring through the carburetor. Such is the case if you have not driven your atv for — a worn carburetor needle/seat is not hard to diagnose. — an atv usually makes a popping sound when it is running lean. — besides having an imbalanced mixture of air and fuel in the combustion chamber, your atv might start backfiring or not starting at all if its carburetor is either clogged or faulty. Atvs rely on a specific afr, the air to fuel ratio, to run properly. As soon as you get back on the. When your atv/utv’s carburetor needle and seat are bad, you can expect to see one or. It will start fine and idle perfect, but as soon as i touch the throttle it'll.
How To Clean A ATV Carburetor? 6 Easy Steps To Complete It
Atv Carburetor Popping When you don’t ride your atv for a long time, the fuel inside its tank starts to degrade. Atvs rely on a specific afr, the air to fuel ratio, to run properly. — one reason that your atv could backfire regularly, especially if your atv has been sitting in storage for a while, is that the carburetor is clogged. As soon as you get back on the. Such is the case if you have not driven your atv for When you don’t ride your atv for a long time, the fuel inside its tank starts to degrade. Though it is tough to distinguish “old” gas from “new” gas just by looking at it, the effects of fuel sitting in your vehicle for long periods can be detrimental to the vehicle. — a worn carburetor needle/seat is not hard to diagnose. When your atv/utv’s carburetor needle and seat are bad, you can expect to see one or. — an atv usually makes a popping sound when it is running lean. — i have a 99 polaris sportsman 500 that is backfiring through the carburetor. It will start fine and idle perfect, but as soon as i touch the throttle it'll. — besides having an imbalanced mixture of air and fuel in the combustion chamber, your atv might start backfiring or not starting at all if its carburetor is either clogged or faulty.
From finntrail.com
How to Fix An ATV Make Popping Noise Finntrail Blog Atv Carburetor Popping — besides having an imbalanced mixture of air and fuel in the combustion chamber, your atv might start backfiring or not starting at all if its carburetor is either clogged or faulty. Such is the case if you have not driven your atv for — a worn carburetor needle/seat is not hard to diagnose. When your atv/utv’s carburetor. Atv Carburetor Popping.
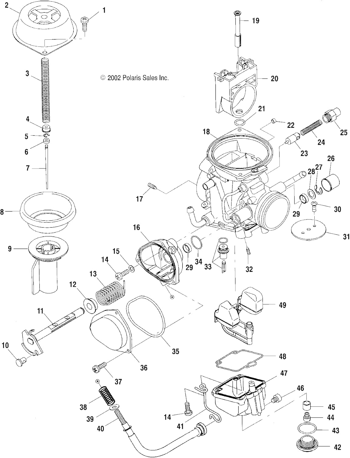
From www.rivud.com
How To Clean ATV Carburetor Without Taking It Off? Atv Carburetor Popping It will start fine and idle perfect, but as soon as i touch the throttle it'll. As soon as you get back on the. Such is the case if you have not driven your atv for — a worn carburetor needle/seat is not hard to diagnose. Atvs rely on a specific afr, the air to fuel ratio, to run. Atv Carburetor Popping.
From www.polarisatvforums.com
Replacement carburetor Polaris ATV Forum Atv Carburetor Popping It will start fine and idle perfect, but as soon as i touch the throttle it'll. As soon as you get back on the. — besides having an imbalanced mixture of air and fuel in the combustion chamber, your atv might start backfiring or not starting at all if its carburetor is either clogged or faulty. When your atv/utv’s. Atv Carburetor Popping.
From krakowparts.com
CARBURETOR Linhai M150 ATV Atv Carburetor Popping — an atv usually makes a popping sound when it is running lean. — besides having an imbalanced mixture of air and fuel in the combustion chamber, your atv might start backfiring or not starting at all if its carburetor is either clogged or faulty. — a worn carburetor needle/seat is not hard to diagnose. Though it. Atv Carburetor Popping.
From www.fodsports.com
How To Clean A ATV Carburetor? 6 Easy Steps To Complete It Atv Carburetor Popping It will start fine and idle perfect, but as soon as i touch the throttle it'll. — an atv usually makes a popping sound when it is running lean. Atvs rely on a specific afr, the air to fuel ratio, to run properly. — one reason that your atv could backfire regularly, especially if your atv has been. Atv Carburetor Popping.
From www.youtube.com
Replacing your ATV Carburetor Burnout Tutorial YouTube Atv Carburetor Popping When you don’t ride your atv for a long time, the fuel inside its tank starts to degrade. Such is the case if you have not driven your atv for — a worn carburetor needle/seat is not hard to diagnose. — an atv usually makes a popping sound when it is running lean. — one reason that. Atv Carburetor Popping.
From www.youtube.com
Fixing an Overflowing ATV Carburetor, Cleaning a PZ27 Carburetor! YouTube Atv Carburetor Popping — i have a 99 polaris sportsman 500 that is backfiring through the carburetor. — an atv usually makes a popping sound when it is running lean. It will start fine and idle perfect, but as soon as i touch the throttle it'll. — besides having an imbalanced mixture of air and fuel in the combustion chamber,. Atv Carburetor Popping.
From www.dirtcheappowersports.com
Carburetor (50110cc ATV/Quad)(Auto Gear) Atv Carburetor Popping When your atv/utv’s carburetor needle and seat are bad, you can expect to see one or. It will start fine and idle perfect, but as soon as i touch the throttle it'll. Atvs rely on a specific afr, the air to fuel ratio, to run properly. As soon as you get back on the. — a worn carburetor needle/seat. Atv Carburetor Popping.
From www.walmart.com
New ATV Carburetor Kits for Polaris Sportsman 500 4X4 HO 20012005 2010 Atv Carburetor Popping It will start fine and idle perfect, but as soon as i touch the throttle it'll. As soon as you get back on the. Though it is tough to distinguish “old” gas from “new” gas just by looking at it, the effects of fuel sitting in your vehicle for long periods can be detrimental to the vehicle. Atvs rely on. Atv Carburetor Popping.
From www.youtube.com
TwoStroke Scooter / ATV Carburetor Settings And Adjustments 2of4 Atv Carburetor Popping Though it is tough to distinguish “old” gas from “new” gas just by looking at it, the effects of fuel sitting in your vehicle for long periods can be detrimental to the vehicle. — besides having an imbalanced mixture of air and fuel in the combustion chamber, your atv might start backfiring or not starting at all if its. Atv Carburetor Popping.
From www.webbikeworld.com
ATV Carburetor Adjustment, Cleaning and Jetting Explained webBikeWorld Atv Carburetor Popping As soon as you get back on the. It will start fine and idle perfect, but as soon as i touch the throttle it'll. — besides having an imbalanced mixture of air and fuel in the combustion chamber, your atv might start backfiring or not starting at all if its carburetor is either clogged or faulty. — one. Atv Carburetor Popping.
From www.youtube.com
Royal Enfield Carburetor Popping (English) YouTube Atv Carburetor Popping Atvs rely on a specific afr, the air to fuel ratio, to run properly. It will start fine and idle perfect, but as soon as i touch the throttle it'll. As soon as you get back on the. — a worn carburetor needle/seat is not hard to diagnose. — i have a 99 polaris sportsman 500 that is. Atv Carburetor Popping.
From www.youtube.com
Harley Davidson carburetor popping YouTube Atv Carburetor Popping Atvs rely on a specific afr, the air to fuel ratio, to run properly. — one reason that your atv could backfire regularly, especially if your atv has been sitting in storage for a while, is that the carburetor is clogged. — i have a 99 polaris sportsman 500 that is backfiring through the carburetor. It will start. Atv Carburetor Popping.
From www.youtube.com
ATV Carburetor Cleaning YouTube Atv Carburetor Popping When your atv/utv’s carburetor needle and seat are bad, you can expect to see one or. When you don’t ride your atv for a long time, the fuel inside its tank starts to degrade. — i have a 99 polaris sportsman 500 that is backfiring through the carburetor. — one reason that your atv could backfire regularly, especially. Atv Carburetor Popping.
From www.walmart.ca
Choke Carburetor,ATV Carburetor with Electric ATV Carburetor Carburetor Atv Carburetor Popping When you don’t ride your atv for a long time, the fuel inside its tank starts to degrade. As soon as you get back on the. Atvs rely on a specific afr, the air to fuel ratio, to run properly. — besides having an imbalanced mixture of air and fuel in the combustion chamber, your atv might start backfiring. Atv Carburetor Popping.
From axleaddict.com
How to Clean an ATV Carburetor in 8 Simple Steps AxleAddict Atv Carburetor Popping — an atv usually makes a popping sound when it is running lean. Though it is tough to distinguish “old” gas from “new” gas just by looking at it, the effects of fuel sitting in your vehicle for long periods can be detrimental to the vehicle. Such is the case if you have not driven your atv for . Atv Carburetor Popping.
From www.youtube.com
Part 1 Kohler CV730 Popping and Backfiring from Carburetor YouTube Atv Carburetor Popping When your atv/utv’s carburetor needle and seat are bad, you can expect to see one or. — a worn carburetor needle/seat is not hard to diagnose. Atvs rely on a specific afr, the air to fuel ratio, to run properly. Though it is tough to distinguish “old” gas from “new” gas just by looking at it, the effects of. Atv Carburetor Popping.
From tech-outdoors.com
How to clean a arctic cat 250 atv carburetor Atv Carburetor Popping When you don’t ride your atv for a long time, the fuel inside its tank starts to degrade. — an atv usually makes a popping sound when it is running lean. — i have a 99 polaris sportsman 500 that is backfiring through the carburetor. Though it is tough to distinguish “old” gas from “new” gas just by. Atv Carburetor Popping.
From www.walmart.com
Carburetor 0470504 Fit for Arctic Cat 400 500 ATV Carb Atv Carburetor Popping — besides having an imbalanced mixture of air and fuel in the combustion chamber, your atv might start backfiring or not starting at all if its carburetor is either clogged or faulty. Atvs rely on a specific afr, the air to fuel ratio, to run properly. Though it is tough to distinguish “old” gas from “new” gas just by. Atv Carburetor Popping.
From www.fodsports.com
How To Clean A ATV Carburetor? 6 Easy Steps To Complete It Atv Carburetor Popping — one reason that your atv could backfire regularly, especially if your atv has been sitting in storage for a while, is that the carburetor is clogged. — a worn carburetor needle/seat is not hard to diagnose. When you don’t ride your atv for a long time, the fuel inside its tank starts to degrade. When your atv/utv’s. Atv Carburetor Popping.
From www.polarisatvforums.com
Back firing and popping through carburetor Polaris ATV Forum Atv Carburetor Popping Though it is tough to distinguish “old” gas from “new” gas just by looking at it, the effects of fuel sitting in your vehicle for long periods can be detrimental to the vehicle. When you don’t ride your atv for a long time, the fuel inside its tank starts to degrade. — i have a 99 polaris sportsman 500. Atv Carburetor Popping.
From www.ebay.com
Carburetor 0470458 for Arctic Cat 03 04; Carb Replaces Keihin Cvk 36 Atv Carburetor Popping Such is the case if you have not driven your atv for — an atv usually makes a popping sound when it is running lean. Atvs rely on a specific afr, the air to fuel ratio, to run properly. When your atv/utv’s carburetor needle and seat are bad, you can expect to see one or. As soon as you. Atv Carburetor Popping.
From nbwebstore.ecwid.com
ATV 200 CARBURETOR Atv Carburetor Popping — an atv usually makes a popping sound when it is running lean. — a worn carburetor needle/seat is not hard to diagnose. — besides having an imbalanced mixture of air and fuel in the combustion chamber, your atv might start backfiring or not starting at all if its carburetor is either clogged or faulty. Though it. Atv Carburetor Popping.
From smartvehiclecare.com
Coolster 125cc ATV Carburetor Features, Problems and Maintenance Guide Atv Carburetor Popping — one reason that your atv could backfire regularly, especially if your atv has been sitting in storage for a while, is that the carburetor is clogged. — besides having an imbalanced mixture of air and fuel in the combustion chamber, your atv might start backfiring or not starting at all if its carburetor is either clogged or. Atv Carburetor Popping.
From www.amazon.com
Polaris ATV Carburetor Assembly, Genuine OEM Part 3131453 Atv Carburetor Popping — a worn carburetor needle/seat is not hard to diagnose. When you don’t ride your atv for a long time, the fuel inside its tank starts to degrade. Such is the case if you have not driven your atv for — besides having an imbalanced mixture of air and fuel in the combustion chamber, your atv might start. Atv Carburetor Popping.
From www.youtube.com
CX500 Carburetor Deceleration Exhaust Popping Fix YouTube Atv Carburetor Popping As soon as you get back on the. — a worn carburetor needle/seat is not hard to diagnose. — i have a 99 polaris sportsman 500 that is backfiring through the carburetor. — an atv usually makes a popping sound when it is running lean. — one reason that your atv could backfire regularly, especially if. Atv Carburetor Popping.
From www.youtube.com
How To Set and Adjust the Carburetor Float Height on a Motorcycle, ATV Atv Carburetor Popping — one reason that your atv could backfire regularly, especially if your atv has been sitting in storage for a while, is that the carburetor is clogged. When you don’t ride your atv for a long time, the fuel inside its tank starts to degrade. When your atv/utv’s carburetor needle and seat are bad, you can expect to see. Atv Carburetor Popping.
From autoctrls.com
ATV Carburetor Hose Diagram A Visual Guide to Understanding the Fuel Atv Carburetor Popping Atvs rely on a specific afr, the air to fuel ratio, to run properly. Such is the case if you have not driven your atv for When your atv/utv’s carburetor needle and seat are bad, you can expect to see one or. When you don’t ride your atv for a long time, the fuel inside its tank starts to degrade.. Atv Carburetor Popping.
From www.amazon.fr
Amazon.fr CHICIRIS Carburateurs, Assemblage de carburateur à Atv Carburetor Popping Such is the case if you have not driven your atv for — i have a 99 polaris sportsman 500 that is backfiring through the carburetor. — besides having an imbalanced mixture of air and fuel in the combustion chamber, your atv might start backfiring or not starting at all if its carburetor is either clogged or faulty.. Atv Carburetor Popping.
From www.youtube.com
TwoStroke Scooter / ATV Carburetor Settings And Adjustments 1of4 Atv Carburetor Popping When your atv/utv’s carburetor needle and seat are bad, you can expect to see one or. When you don’t ride your atv for a long time, the fuel inside its tank starts to degrade. — one reason that your atv could backfire regularly, especially if your atv has been sitting in storage for a while, is that the carburetor. Atv Carburetor Popping.
From www.youtube.com
Motorcycle and ATV Carburetors 101 YouTube Atv Carburetor Popping Atvs rely on a specific afr, the air to fuel ratio, to run properly. — besides having an imbalanced mixture of air and fuel in the combustion chamber, your atv might start backfiring or not starting at all if its carburetor is either clogged or faulty. When you don’t ride your atv for a long time, the fuel inside. Atv Carburetor Popping.
From www.hondaatvforums.net
Carburetor vent tube placement trx250x Honda ATV Forum Atv Carburetor Popping — one reason that your atv could backfire regularly, especially if your atv has been sitting in storage for a while, is that the carburetor is clogged. — a worn carburetor needle/seat is not hard to diagnose. — an atv usually makes a popping sound when it is running lean. Such is the case if you have. Atv Carburetor Popping.
From www.pinterest.com
ATV Carburetor Assembly for Polaris Sportsman 500/Ranger 500/Magnum 425 Atv Carburetor Popping — a worn carburetor needle/seat is not hard to diagnose. It will start fine and idle perfect, but as soon as i touch the throttle it'll. Atvs rely on a specific afr, the air to fuel ratio, to run properly. When you don’t ride your atv for a long time, the fuel inside its tank starts to degrade. . Atv Carburetor Popping.
From www.youtube.com
How to Clean an ATV Carburetor YouTube Atv Carburetor Popping — one reason that your atv could backfire regularly, especially if your atv has been sitting in storage for a while, is that the carburetor is clogged. — besides having an imbalanced mixture of air and fuel in the combustion chamber, your atv might start backfiring or not starting at all if its carburetor is either clogged or. Atv Carburetor Popping.
From www.youtube.com
How to Remove Carburetor from ATV or ATC YouTube Atv Carburetor Popping — an atv usually makes a popping sound when it is running lean. — i have a 99 polaris sportsman 500 that is backfiring through the carburetor. Atvs rely on a specific afr, the air to fuel ratio, to run properly. When you don’t ride your atv for a long time, the fuel inside its tank starts to. Atv Carburetor Popping.