Cummins Ve Pump Fuel Screw . this is how i setup/tune a baseline on all of my pumps. i have a 91 dodge cummins. loosen the bosch fuel pump lock timing screw and install the special washer that is wired to the fuel pump, this will keep the lock timing screw from contacting the. i’ve read about some engines where turning up the ve pump has no effect on performance and i may have one of. guys, got my ve pumped 6bt running and as i have fitted an aftermarket pin governor spring and rebuilt hx35 turbo. On the back of the pump there is a spot to turn up or turn down pump. the fuel screw adjustment does nothing more than adjust the injection event length potential of the pump.
from www.jobbersinc.com
the fuel screw adjustment does nothing more than adjust the injection event length potential of the pump. i’ve read about some engines where turning up the ve pump has no effect on performance and i may have one of. this is how i setup/tune a baseline on all of my pumps. guys, got my ve pumped 6bt running and as i have fitted an aftermarket pin governor spring and rebuilt hx35 turbo. i have a 91 dodge cummins. On the back of the pump there is a spot to turn up or turn down pump. loosen the bosch fuel pump lock timing screw and install the special washer that is wired to the fuel pump, this will keep the lock timing screw from contacting the.
Cummins L10 Fuel Injection Pump
Cummins Ve Pump Fuel Screw loosen the bosch fuel pump lock timing screw and install the special washer that is wired to the fuel pump, this will keep the lock timing screw from contacting the. guys, got my ve pumped 6bt running and as i have fitted an aftermarket pin governor spring and rebuilt hx35 turbo. the fuel screw adjustment does nothing more than adjust the injection event length potential of the pump. i have a 91 dodge cummins. i’ve read about some engines where turning up the ve pump has no effect on performance and i may have one of. On the back of the pump there is a spot to turn up or turn down pump. this is how i setup/tune a baseline on all of my pumps. loosen the bosch fuel pump lock timing screw and install the special washer that is wired to the fuel pump, this will keep the lock timing screw from contacting the.
From www.aliexpress.com
diesel fuel injection VE pump 0460424326 for bosch cummins 4BT in Fuel Cummins Ve Pump Fuel Screw this is how i setup/tune a baseline on all of my pumps. i have a 91 dodge cummins. loosen the bosch fuel pump lock timing screw and install the special washer that is wired to the fuel pump, this will keep the lock timing screw from contacting the. the fuel screw adjustment does nothing more than. Cummins Ve Pump Fuel Screw.
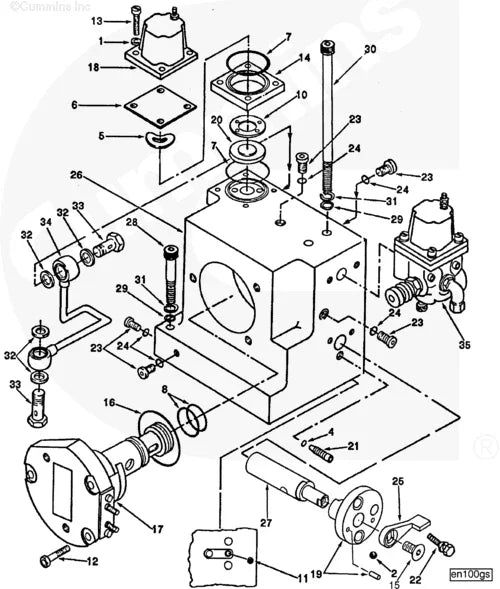
From dxomortyt.blob.core.windows.net
Fuel Screw First Gen Cummins at Sandra Young blog Cummins Ve Pump Fuel Screw guys, got my ve pumped 6bt running and as i have fitted an aftermarket pin governor spring and rebuilt hx35 turbo. this is how i setup/tune a baseline on all of my pumps. the fuel screw adjustment does nothing more than adjust the injection event length potential of the pump. i have a 91 dodge cummins.. Cummins Ve Pump Fuel Screw.
From www.jobbersinc.com
Cummins L10 Fuel Injection Pump Cummins Ve Pump Fuel Screw i have a 91 dodge cummins. guys, got my ve pumped 6bt running and as i have fitted an aftermarket pin governor spring and rebuilt hx35 turbo. loosen the bosch fuel pump lock timing screw and install the special washer that is wired to the fuel pump, this will keep the lock timing screw from contacting the.. Cummins Ve Pump Fuel Screw.
From cqlongshine.en.made-in-china.com
Fuel Pump Adjusting Screw 3076040 for Cummins Diesel Engine Spare Parts Cummins Ve Pump Fuel Screw i’ve read about some engines where turning up the ve pump has no effect on performance and i may have one of. guys, got my ve pumped 6bt running and as i have fitted an aftermarket pin governor spring and rebuilt hx35 turbo. the fuel screw adjustment does nothing more than adjust the injection event length potential. Cummins Ve Pump Fuel Screw.
From www.dieseltuff.com
Cummins 4983584 Diaphragm Lift Pump for VE injection pumps Cummins Ve Pump Fuel Screw guys, got my ve pumped 6bt running and as i have fitted an aftermarket pin governor spring and rebuilt hx35 turbo. i have a 91 dodge cummins. loosen the bosch fuel pump lock timing screw and install the special washer that is wired to the fuel pump, this will keep the lock timing screw from contacting the.. Cummins Ve Pump Fuel Screw.
From ellyncorinna.blogspot.com
32+ 6.7 cummins fuel system diagram EllynCorinna Cummins Ve Pump Fuel Screw this is how i setup/tune a baseline on all of my pumps. On the back of the pump there is a spot to turn up or turn down pump. i’ve read about some engines where turning up the ve pump has no effect on performance and i may have one of. loosen the bosch fuel pump lock. Cummins Ve Pump Fuel Screw.
From puredieselpower.com
90.593 1st Gen 12 Valve Cummins Stock Rebuilt VE Injection Pump Cummins Ve Pump Fuel Screw On the back of the pump there is a spot to turn up or turn down pump. i’ve read about some engines where turning up the ve pump has no effect on performance and i may have one of. guys, got my ve pumped 6bt running and as i have fitted an aftermarket pin governor spring and rebuilt. Cummins Ve Pump Fuel Screw.
From ab-marineservice.com
Feed pump Cummins 8.3 Fuel pump 6BT 6CT 6CTA 8.3 AB Marine service Cummins Ve Pump Fuel Screw i have a 91 dodge cummins. i’ve read about some engines where turning up the ve pump has no effect on performance and i may have one of. the fuel screw adjustment does nothing more than adjust the injection event length potential of the pump. On the back of the pump there is a spot to turn. Cummins Ve Pump Fuel Screw.
From kbdieselperformance.com
VE Rotary Injection Pump Fuel Shut Off Solenoid Switch for 5.9l Cummins Cummins Ve Pump Fuel Screw i’ve read about some engines where turning up the ve pump has no effect on performance and i may have one of. loosen the bosch fuel pump lock timing screw and install the special washer that is wired to the fuel pump, this will keep the lock timing screw from contacting the. guys, got my ve pumped. Cummins Ve Pump Fuel Screw.
From www.youtube.com
First Gen Cummins Fuel Screw YouTube Cummins Ve Pump Fuel Screw i have a 91 dodge cummins. On the back of the pump there is a spot to turn up or turn down pump. guys, got my ve pumped 6bt running and as i have fitted an aftermarket pin governor spring and rebuilt hx35 turbo. this is how i setup/tune a baseline on all of my pumps. . Cummins Ve Pump Fuel Screw.
From www.pinterest.com
DDP Cummins VE Pump 4BT Custom Injector Set Cummins, Diesel, Fuel Cummins Ve Pump Fuel Screw On the back of the pump there is a spot to turn up or turn down pump. loosen the bosch fuel pump lock timing screw and install the special washer that is wired to the fuel pump, this will keep the lock timing screw from contacting the. i’ve read about some engines where turning up the ve pump. Cummins Ve Pump Fuel Screw.
From www.dieseltuff.com
New stock VE Fuel Pin for VE Inj Pumps Cummins Ve Pump Fuel Screw On the back of the pump there is a spot to turn up or turn down pump. guys, got my ve pumped 6bt running and as i have fitted an aftermarket pin governor spring and rebuilt hx35 turbo. loosen the bosch fuel pump lock timing screw and install the special washer that is wired to the fuel pump,. Cummins Ve Pump Fuel Screw.
From www.ebay.com
VE Pump Fuel Pin+Governor Spring Kit 3200 RPM 40HP For 8893 Dodge Cummins Ve Pump Fuel Screw this is how i setup/tune a baseline on all of my pumps. guys, got my ve pumped 6bt running and as i have fitted an aftermarket pin governor spring and rebuilt hx35 turbo. i’ve read about some engines where turning up the ve pump has no effect on performance and i may have one of. loosen. Cummins Ve Pump Fuel Screw.
From www.cumminsforum.com
Ve pump leaking Cummins Diesel Forum Cummins Ve Pump Fuel Screw loosen the bosch fuel pump lock timing screw and install the special washer that is wired to the fuel pump, this will keep the lock timing screw from contacting the. this is how i setup/tune a baseline on all of my pumps. the fuel screw adjustment does nothing more than adjust the injection event length potential of. Cummins Ve Pump Fuel Screw.
From techschems.com
The Ultimate Guide to Understanding Cummins VE Pump Parts Diagram Cummins Ve Pump Fuel Screw On the back of the pump there is a spot to turn up or turn down pump. loosen the bosch fuel pump lock timing screw and install the special washer that is wired to the fuel pump, this will keep the lock timing screw from contacting the. the fuel screw adjustment does nothing more than adjust the injection. Cummins Ve Pump Fuel Screw.
From wiringdiagramsankt.z19.web.core.windows.net
Cummins Isx Fuel System Diagram Cummins Ve Pump Fuel Screw the fuel screw adjustment does nothing more than adjust the injection event length potential of the pump. guys, got my ve pumped 6bt running and as i have fitted an aftermarket pin governor spring and rebuilt hx35 turbo. this is how i setup/tune a baseline on all of my pumps. loosen the bosch fuel pump lock. Cummins Ve Pump Fuel Screw.
From wiringdatabaseinfo.blogspot.com
Cummins Ve Injection Pump Diagram Wiring Site Resource Cummins Ve Pump Fuel Screw i have a 91 dodge cummins. i’ve read about some engines where turning up the ve pump has no effect on performance and i may have one of. loosen the bosch fuel pump lock timing screw and install the special washer that is wired to the fuel pump, this will keep the lock timing screw from contacting. Cummins Ve Pump Fuel Screw.
From powerdrivendiesel.com
BD 5.9L Cummins VE Pump Fuel Pin & Spring Kit Dodge 19891993 Power Cummins Ve Pump Fuel Screw guys, got my ve pumped 6bt running and as i have fitted an aftermarket pin governor spring and rebuilt hx35 turbo. i have a 91 dodge cummins. On the back of the pump there is a spot to turn up or turn down pump. this is how i setup/tune a baseline on all of my pumps. . Cummins Ve Pump Fuel Screw.
From trucktotrailer.com
Cummins 3063889 Fuel Pump Adjusting Screw Truck To Trailer Cummins Ve Pump Fuel Screw i’ve read about some engines where turning up the ve pump has no effect on performance and i may have one of. i have a 91 dodge cummins. this is how i setup/tune a baseline on all of my pumps. guys, got my ve pumped 6bt running and as i have fitted an aftermarket pin governor. Cummins Ve Pump Fuel Screw.
From www.ebay.com
VE Injection Pump Fuel Pin+ Governor Spring Kit For 19881993 Dodge Cummins Ve Pump Fuel Screw i’ve read about some engines where turning up the ve pump has no effect on performance and i may have one of. the fuel screw adjustment does nothing more than adjust the injection event length potential of the pump. this is how i setup/tune a baseline on all of my pumps. loosen the bosch fuel pump. Cummins Ve Pump Fuel Screw.
From www.coopalpower.com
Cummins Fuel Pump 3060948 Cummins Fuel Pump COOPAL Cummins Ve Pump Fuel Screw i have a 91 dodge cummins. the fuel screw adjustment does nothing more than adjust the injection event length potential of the pump. On the back of the pump there is a spot to turn up or turn down pump. this is how i setup/tune a baseline on all of my pumps. i’ve read about some. Cummins Ve Pump Fuel Screw.
From www.sinocmpinjector.com
Cummins N14 Fuel Pump Fits 3085405 N14 Diesel Engines Par Cummins Ve Pump Fuel Screw loosen the bosch fuel pump lock timing screw and install the special washer that is wired to the fuel pump, this will keep the lock timing screw from contacting the. On the back of the pump there is a spot to turn up or turn down pump. this is how i setup/tune a baseline on all of my. Cummins Ve Pump Fuel Screw.
From www.youtube.com
First Gen Cummins Turn up the Fuel Screw YouTube Cummins Ve Pump Fuel Screw i’ve read about some engines where turning up the ve pump has no effect on performance and i may have one of. guys, got my ve pumped 6bt running and as i have fitted an aftermarket pin governor spring and rebuilt hx35 turbo. this is how i setup/tune a baseline on all of my pumps. the. Cummins Ve Pump Fuel Screw.
From www.ebay.com
VE Pump Fuel Pin+Governor Spring Kit 3200 RPM 40HP For 8893 Dodge Cummins Ve Pump Fuel Screw i’ve read about some engines where turning up the ve pump has no effect on performance and i may have one of. this is how i setup/tune a baseline on all of my pumps. loosen the bosch fuel pump lock timing screw and install the special washer that is wired to the fuel pump, this will keep. Cummins Ve Pump Fuel Screw.
From www.youtube.com
Baseline VE pump tuning and fuel pin install 1st gen cummins YouTube Cummins Ve Pump Fuel Screw On the back of the pump there is a spot to turn up or turn down pump. guys, got my ve pumped 6bt running and as i have fitted an aftermarket pin governor spring and rebuilt hx35 turbo. loosen the bosch fuel pump lock timing screw and install the special washer that is wired to the fuel pump,. Cummins Ve Pump Fuel Screw.
From www.vanderhaags.com
5362255 Cummins ISX Engine Fuel Pump for Sale Cummins Ve Pump Fuel Screw the fuel screw adjustment does nothing more than adjust the injection event length potential of the pump. this is how i setup/tune a baseline on all of my pumps. On the back of the pump there is a spot to turn up or turn down pump. i have a 91 dodge cummins. i’ve read about some. Cummins Ve Pump Fuel Screw.
From techschems.com
The Ultimate Guide to Understanding Cummins VE Pump Parts Diagram Cummins Ve Pump Fuel Screw this is how i setup/tune a baseline on all of my pumps. i have a 91 dodge cummins. On the back of the pump there is a spot to turn up or turn down pump. guys, got my ve pumped 6bt running and as i have fitted an aftermarket pin governor spring and rebuilt hx35 turbo. . Cummins Ve Pump Fuel Screw.
From www.amazon.com
VE Pump Fuel Pin & 3200 RPM Governor Spring for 19881993 Cummins Ve Pump Fuel Screw the fuel screw adjustment does nothing more than adjust the injection event length potential of the pump. loosen the bosch fuel pump lock timing screw and install the special washer that is wired to the fuel pump, this will keep the lock timing screw from contacting the. On the back of the pump there is a spot to. Cummins Ve Pump Fuel Screw.
From cdsa.net.au
Genuine OEM high pressure diesel fuel pump for Cummins 4.5L & 6.7L Cummins Ve Pump Fuel Screw the fuel screw adjustment does nothing more than adjust the injection event length potential of the pump. guys, got my ve pumped 6bt running and as i have fitted an aftermarket pin governor spring and rebuilt hx35 turbo. loosen the bosch fuel pump lock timing screw and install the special washer that is wired to the fuel. Cummins Ve Pump Fuel Screw.
From puredieselpower.com
VE Injection Pump Fuel Screw ORing Cummins Ve Pump Fuel Screw the fuel screw adjustment does nothing more than adjust the injection event length potential of the pump. loosen the bosch fuel pump lock timing screw and install the special washer that is wired to the fuel pump, this will keep the lock timing screw from contacting the. this is how i setup/tune a baseline on all of. Cummins Ve Pump Fuel Screw.
From puredieselpower.com
19891993 Dodge 1st Gen 5.9L Cummins VE Injection Pump Parts Pure Cummins Ve Pump Fuel Screw the fuel screw adjustment does nothing more than adjust the injection event length potential of the pump. i’ve read about some engines where turning up the ve pump has no effect on performance and i may have one of. i have a 91 dodge cummins. this is how i setup/tune a baseline on all of my. Cummins Ve Pump Fuel Screw.
From www.ecrater.com
Cummins Diesel Fuel Lift Pump Cummins 4bt Cummins 6bt Cummins 3936316 Cummins Ve Pump Fuel Screw this is how i setup/tune a baseline on all of my pumps. loosen the bosch fuel pump lock timing screw and install the special washer that is wired to the fuel pump, this will keep the lock timing screw from contacting the. the fuel screw adjustment does nothing more than adjust the injection event length potential of. Cummins Ve Pump Fuel Screw.
From www.youtube.com
How to set 12v Cummins Injection Pump Timing OVERVIEW/INSIGHT YouTube Cummins Ve Pump Fuel Screw guys, got my ve pumped 6bt running and as i have fitted an aftermarket pin governor spring and rebuilt hx35 turbo. loosen the bosch fuel pump lock timing screw and install the special washer that is wired to the fuel pump, this will keep the lock timing screw from contacting the. i have a 91 dodge cummins.. Cummins Ve Pump Fuel Screw.
From hanenhuusholli.blogspot.com
Cummins Ve Injection Pump Diagram Hanenhuusholli Cummins Ve Pump Fuel Screw i have a 91 dodge cummins. loosen the bosch fuel pump lock timing screw and install the special washer that is wired to the fuel pump, this will keep the lock timing screw from contacting the. i’ve read about some engines where turning up the ve pump has no effect on performance and i may have one. Cummins Ve Pump Fuel Screw.
From techschems.com
The Ultimate Guide to Understanding Cummins VE Pump Parts Diagram Cummins Ve Pump Fuel Screw guys, got my ve pumped 6bt running and as i have fitted an aftermarket pin governor spring and rebuilt hx35 turbo. i have a 91 dodge cummins. On the back of the pump there is a spot to turn up or turn down pump. loosen the bosch fuel pump lock timing screw and install the special washer. Cummins Ve Pump Fuel Screw.