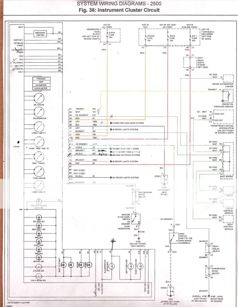
C10 Gauge Cluster Wiring . One common problem that can occur is a. It would be helpful to obtain a service manual for your specific year. The gauges and instrument cluster section of the wiring diagram provides detailed information on the wiring for the various gauges, such as the. The diagram is surrounded by a alpha/numeric loaction grid. I am ordering a new gauge cluster (classic instruments) for my c10. We are installing the @classicinstrumentsboynecity @holleyperformance. Your gauge needle would be pointing to nearly 3 o’clock, and would climb as soon as you key on/have switched 12v power. These diagrams use a new format. By understanding the wiring diagram and the function of each wire, truck owners can identify and resolve issues with their instrument cluster.
from diagramsnetios.blogspot.com
Your gauge needle would be pointing to nearly 3 o’clock, and would climb as soon as you key on/have switched 12v power. We are installing the @classicinstrumentsboynecity @holleyperformance. These diagrams use a new format. By understanding the wiring diagram and the function of each wire, truck owners can identify and resolve issues with their instrument cluster. I am ordering a new gauge cluster (classic instruments) for my c10. It would be helpful to obtain a service manual for your specific year. The gauges and instrument cluster section of the wiring diagram provides detailed information on the wiring for the various gauges, such as the. The diagram is surrounded by a alpha/numeric loaction grid. One common problem that can occur is a.
1972 Chevrolet C10 Wiring Diagram Instrument ios
C10 Gauge Cluster Wiring The diagram is surrounded by a alpha/numeric loaction grid. These diagrams use a new format. I am ordering a new gauge cluster (classic instruments) for my c10. The gauges and instrument cluster section of the wiring diagram provides detailed information on the wiring for the various gauges, such as the. By understanding the wiring diagram and the function of each wire, truck owners can identify and resolve issues with their instrument cluster. It would be helpful to obtain a service manual for your specific year. One common problem that can occur is a. We are installing the @classicinstrumentsboynecity @holleyperformance. Your gauge needle would be pointing to nearly 3 o’clock, and would climb as soon as you key on/have switched 12v power. The diagram is surrounded by a alpha/numeric loaction grid.
From schematicpartmoll.z13.web.core.windows.net
Radio Wiring Diagram For Chevy C10 C10 Gauge Cluster Wiring One common problem that can occur is a. The diagram is surrounded by a alpha/numeric loaction grid. We are installing the @classicinstrumentsboynecity @holleyperformance. Your gauge needle would be pointing to nearly 3 o’clock, and would climb as soon as you key on/have switched 12v power. I am ordering a new gauge cluster (classic instruments) for my c10. These diagrams use. C10 Gauge Cluster Wiring.
From www.turbobuicks.com
Gauge cluster Instrument Panel wiring. C10 Gauge Cluster Wiring I am ordering a new gauge cluster (classic instruments) for my c10. We are installing the @classicinstrumentsboynecity @holleyperformance. These diagrams use a new format. It would be helpful to obtain a service manual for your specific year. One common problem that can occur is a. By understanding the wiring diagram and the function of each wire, truck owners can identify. C10 Gauge Cluster Wiring.
From www.silveradosierra.com
2009 2500HD gauge cluster woes! no power to cluster harness Chevy C10 Gauge Cluster Wiring It would be helpful to obtain a service manual for your specific year. We are installing the @classicinstrumentsboynecity @holleyperformance. I am ordering a new gauge cluster (classic instruments) for my c10. The diagram is surrounded by a alpha/numeric loaction grid. By understanding the wiring diagram and the function of each wire, truck owners can identify and resolve issues with their. C10 Gauge Cluster Wiring.
From wireliststrangers.z13.web.core.windows.net
1986 C10 Instrument Cluster Wiring Diagram C10 Gauge Cluster Wiring I am ordering a new gauge cluster (classic instruments) for my c10. We are installing the @classicinstrumentsboynecity @holleyperformance. Your gauge needle would be pointing to nearly 3 o’clock, and would climb as soon as you key on/have switched 12v power. By understanding the wiring diagram and the function of each wire, truck owners can identify and resolve issues with their. C10 Gauge Cluster Wiring.
From partdiagramelioplataf4.z14.web.core.windows.net
1970 Chevelle Alternator Wiring Diagram C10 Gauge Cluster Wiring One common problem that can occur is a. I am ordering a new gauge cluster (classic instruments) for my c10. By understanding the wiring diagram and the function of each wire, truck owners can identify and resolve issues with their instrument cluster. These diagrams use a new format. The diagram is surrounded by a alpha/numeric loaction grid. We are installing. C10 Gauge Cluster Wiring.
From circuitlibcleveland.z19.web.core.windows.net
87 Chevy C10 Engine Wiring Diagram C10 Gauge Cluster Wiring These diagrams use a new format. The diagram is surrounded by a alpha/numeric loaction grid. Your gauge needle would be pointing to nearly 3 o’clock, and would climb as soon as you key on/have switched 12v power. The gauges and instrument cluster section of the wiring diagram provides detailed information on the wiring for the various gauges, such as the.. C10 Gauge Cluster Wiring.
From enginestella77.z21.web.core.windows.net
2007 Chevy Silverado Gauge Cluster C10 Gauge Cluster Wiring By understanding the wiring diagram and the function of each wire, truck owners can identify and resolve issues with their instrument cluster. One common problem that can occur is a. I am ordering a new gauge cluster (classic instruments) for my c10. These diagrams use a new format. The gauges and instrument cluster section of the wiring diagram provides detailed. C10 Gauge Cluster Wiring.
From diagramlibrondvra0uw.z13.web.core.windows.net
7387 Chevy Truck Wiring Connectors C10 Gauge Cluster Wiring The gauges and instrument cluster section of the wiring diagram provides detailed information on the wiring for the various gauges, such as the. Your gauge needle would be pointing to nearly 3 o’clock, and would climb as soon as you key on/have switched 12v power. By understanding the wiring diagram and the function of each wire, truck owners can identify. C10 Gauge Cluster Wiring.
From www.gmsquarebody.com
Wire colors and locations ?? GM Square Body 1973 1987 GM Truck Forum C10 Gauge Cluster Wiring The gauges and instrument cluster section of the wiring diagram provides detailed information on the wiring for the various gauges, such as the. Your gauge needle would be pointing to nearly 3 o’clock, and would climb as soon as you key on/have switched 12v power. I am ordering a new gauge cluster (classic instruments) for my c10. The diagram is. C10 Gauge Cluster Wiring.
From www.youtube.com
1984 C10 Project LS Swap Part 132 (Cluster Swap Using a 9091 C10 Gauge Cluster Wiring By understanding the wiring diagram and the function of each wire, truck owners can identify and resolve issues with their instrument cluster. Your gauge needle would be pointing to nearly 3 o’clock, and would climb as soon as you key on/have switched 12v power. We are installing the @classicinstrumentsboynecity @holleyperformance. It would be helpful to obtain a service manual for. C10 Gauge Cluster Wiring.
From craigwallpaper05.blogspot.com
1986 Chevy C10 Engine Wiring Diagram / 1986 Chevy C10 Silverado 305 C10 Gauge Cluster Wiring We are installing the @classicinstrumentsboynecity @holleyperformance. Your gauge needle would be pointing to nearly 3 o’clock, and would climb as soon as you key on/have switched 12v power. One common problem that can occur is a. I am ordering a new gauge cluster (classic instruments) for my c10. The gauges and instrument cluster section of the wiring diagram provides detailed. C10 Gauge Cluster Wiring.
From userdiagramknapped.z21.web.core.windows.net
7387 Chevy Truck Wiring Harness C10 Gauge Cluster Wiring Your gauge needle would be pointing to nearly 3 o’clock, and would climb as soon as you key on/have switched 12v power. I am ordering a new gauge cluster (classic instruments) for my c10. The gauges and instrument cluster section of the wiring diagram provides detailed information on the wiring for the various gauges, such as the. The diagram is. C10 Gauge Cluster Wiring.
From www.vrogue.co
73 87 Chevy Truck Instrument Cluster Wiring Diagram vrogue.co C10 Gauge Cluster Wiring We are installing the @classicinstrumentsboynecity @holleyperformance. I am ordering a new gauge cluster (classic instruments) for my c10. One common problem that can occur is a. Your gauge needle would be pointing to nearly 3 o’clock, and would climb as soon as you key on/have switched 12v power. By understanding the wiring diagram and the function of each wire, truck. C10 Gauge Cluster Wiring.
From wiringfixquandang.z19.web.core.windows.net
Chevy C10 Instrument Cluster Wiring Diagram C10 Gauge Cluster Wiring It would be helpful to obtain a service manual for your specific year. By understanding the wiring diagram and the function of each wire, truck owners can identify and resolve issues with their instrument cluster. Your gauge needle would be pointing to nearly 3 o’clock, and would climb as soon as you key on/have switched 12v power. The diagram is. C10 Gauge Cluster Wiring.
From www.motortrend.com
19731987 Chevy C10 & GMC Truck Dakota Digital Gauge Cluster Install C10 Gauge Cluster Wiring One common problem that can occur is a. The gauges and instrument cluster section of the wiring diagram provides detailed information on the wiring for the various gauges, such as the. It would be helpful to obtain a service manual for your specific year. The diagram is surrounded by a alpha/numeric loaction grid. I am ordering a new gauge cluster. C10 Gauge Cluster Wiring.
From www.classicindustries.com
Classic Instruments Gauges Chevrolet Truck Parts Dash Components C10 Gauge Cluster Wiring We are installing the @classicinstrumentsboynecity @holleyperformance. I am ordering a new gauge cluster (classic instruments) for my c10. These diagrams use a new format. The diagram is surrounded by a alpha/numeric loaction grid. By understanding the wiring diagram and the function of each wire, truck owners can identify and resolve issues with their instrument cluster. One common problem that can. C10 Gauge Cluster Wiring.
From enginediagramnoelle.z6.web.core.windows.net
Gauge Cluster For 1986 Chevy C10 C10 Gauge Cluster Wiring We are installing the @classicinstrumentsboynecity @holleyperformance. One common problem that can occur is a. The diagram is surrounded by a alpha/numeric loaction grid. Your gauge needle would be pointing to nearly 3 o’clock, and would climb as soon as you key on/have switched 12v power. I am ordering a new gauge cluster (classic instruments) for my c10. The gauges and. C10 Gauge Cluster Wiring.
From userdiagramambries.z22.web.core.windows.net
73 87 Chevy Wiring Diagrams Site C10 Gauge Cluster Wiring Your gauge needle would be pointing to nearly 3 o’clock, and would climb as soon as you key on/have switched 12v power. The diagram is surrounded by a alpha/numeric loaction grid. By understanding the wiring diagram and the function of each wire, truck owners can identify and resolve issues with their instrument cluster. I am ordering a new gauge cluster. C10 Gauge Cluster Wiring.
From fixengineburger.z19.web.core.windows.net
Wiring Diagram 1972 Chevy Truck C10 Gauge Cluster Wiring The diagram is surrounded by a alpha/numeric loaction grid. By understanding the wiring diagram and the function of each wire, truck owners can identify and resolve issues with their instrument cluster. These diagrams use a new format. One common problem that can occur is a. Your gauge needle would be pointing to nearly 3 o’clock, and would climb as soon. C10 Gauge Cluster Wiring.
From userdiagramknapped.z21.web.core.windows.net
7387 Chevy Truck Bulkhead Wiring C10 Gauge Cluster Wiring These diagrams use a new format. The gauges and instrument cluster section of the wiring diagram provides detailed information on the wiring for the various gauges, such as the. Your gauge needle would be pointing to nearly 3 o’clock, and would climb as soon as you key on/have switched 12v power. I am ordering a new gauge cluster (classic instruments). C10 Gauge Cluster Wiring.
From enginepartglockner.z19.web.core.windows.net
7387 Chevy Truck Instrument Cluster Wiring Diagram C10 Gauge Cluster Wiring The gauges and instrument cluster section of the wiring diagram provides detailed information on the wiring for the various gauges, such as the. These diagrams use a new format. We are installing the @classicinstrumentsboynecity @holleyperformance. I am ordering a new gauge cluster (classic instruments) for my c10. The diagram is surrounded by a alpha/numeric loaction grid. Your gauge needle would. C10 Gauge Cluster Wiring.
From enginerileypianinos.z21.web.core.windows.net
73 87 Chevy Wiring Diagrams Site C10 Gauge Cluster Wiring By understanding the wiring diagram and the function of each wire, truck owners can identify and resolve issues with their instrument cluster. Your gauge needle would be pointing to nearly 3 o’clock, and would climb as soon as you key on/have switched 12v power. I am ordering a new gauge cluster (classic instruments) for my c10. The gauges and instrument. C10 Gauge Cluster Wiring.
From fixmachineunderwent101.z22.web.core.windows.net
2007 Chevy Silverado Instrument Cluster C10 Gauge Cluster Wiring One common problem that can occur is a. The gauges and instrument cluster section of the wiring diagram provides detailed information on the wiring for the various gauges, such as the. By understanding the wiring diagram and the function of each wire, truck owners can identify and resolve issues with their instrument cluster. These diagrams use a new format. Your. C10 Gauge Cluster Wiring.
From dxcviiiqogaragerepair.z13.web.core.windows.net
Gauge Cluster 1974 Chevy Truck C10 Gauge Cluster Wiring We are installing the @classicinstrumentsboynecity @holleyperformance. By understanding the wiring diagram and the function of each wire, truck owners can identify and resolve issues with their instrument cluster. The gauges and instrument cluster section of the wiring diagram provides detailed information on the wiring for the various gauges, such as the. These diagrams use a new format. It would be. C10 Gauge Cluster Wiring.
From schematicdatacalced123.z13.web.core.windows.net
87 Chevy Truck Radio Wiring C10 Gauge Cluster Wiring The gauges and instrument cluster section of the wiring diagram provides detailed information on the wiring for the various gauges, such as the. We are installing the @classicinstrumentsboynecity @holleyperformance. The diagram is surrounded by a alpha/numeric loaction grid. By understanding the wiring diagram and the function of each wire, truck owners can identify and resolve issues with their instrument cluster.. C10 Gauge Cluster Wiring.
From circuitengineviera.z5.web.core.windows.net
Chevy C10 Fuel Gauge Wiring Diagram C10 Gauge Cluster Wiring One common problem that can occur is a. By understanding the wiring diagram and the function of each wire, truck owners can identify and resolve issues with their instrument cluster. The gauges and instrument cluster section of the wiring diagram provides detailed information on the wiring for the various gauges, such as the. Your gauge needle would be pointing to. C10 Gauge Cluster Wiring.
From circuitwiringstroke123.z13.web.core.windows.net
Pinout Gm Instrument Cluster Wiring Diagram C10 Gauge Cluster Wiring These diagrams use a new format. The diagram is surrounded by a alpha/numeric loaction grid. We are installing the @classicinstrumentsboynecity @holleyperformance. The gauges and instrument cluster section of the wiring diagram provides detailed information on the wiring for the various gauges, such as the. One common problem that can occur is a. By understanding the wiring diagram and the function. C10 Gauge Cluster Wiring.
From diagramsnetios.blogspot.com
1972 Chevrolet C10 Wiring Diagram Instrument ios C10 Gauge Cluster Wiring These diagrams use a new format. Your gauge needle would be pointing to nearly 3 o’clock, and would climb as soon as you key on/have switched 12v power. I am ordering a new gauge cluster (classic instruments) for my c10. One common problem that can occur is a. We are installing the @classicinstrumentsboynecity @holleyperformance. By understanding the wiring diagram and. C10 Gauge Cluster Wiring.
From www.66c10.com
Gauge cluster install 1966 Chevy C10 C10 Gauge Cluster Wiring Your gauge needle would be pointing to nearly 3 o’clock, and would climb as soon as you key on/have switched 12v power. The diagram is surrounded by a alpha/numeric loaction grid. By understanding the wiring diagram and the function of each wire, truck owners can identify and resolve issues with their instrument cluster. I am ordering a new gauge cluster. C10 Gauge Cluster Wiring.
From userenginedebouch.z14.web.core.windows.net
2012 Chevy Truck Cluster Wiring C10 Gauge Cluster Wiring By understanding the wiring diagram and the function of each wire, truck owners can identify and resolve issues with their instrument cluster. It would be helpful to obtain a service manual for your specific year. The gauges and instrument cluster section of the wiring diagram provides detailed information on the wiring for the various gauges, such as the. The diagram. C10 Gauge Cluster Wiring.
From schematicopsedajo.z22.web.core.windows.net
1994 Chevy Silverado Gauge Cluster Wiring Diagram C10 Gauge Cluster Wiring By understanding the wiring diagram and the function of each wire, truck owners can identify and resolve issues with their instrument cluster. We are installing the @classicinstrumentsboynecity @holleyperformance. Your gauge needle would be pointing to nearly 3 o’clock, and would climb as soon as you key on/have switched 12v power. It would be helpful to obtain a service manual for. C10 Gauge Cluster Wiring.
From userdiagramknapped.z21.web.core.windows.net
71 Chevy Truck Wiring Diagrams C10 Gauge Cluster Wiring It would be helpful to obtain a service manual for your specific year. We are installing the @classicinstrumentsboynecity @holleyperformance. Your gauge needle would be pointing to nearly 3 o’clock, and would climb as soon as you key on/have switched 12v power. By understanding the wiring diagram and the function of each wire, truck owners can identify and resolve issues with. C10 Gauge Cluster Wiring.
From www.carbuffnetwork.com
1967’72 C10 Cluster with Info Screen Speedo CarBuff Network C10 Gauge Cluster Wiring Your gauge needle would be pointing to nearly 3 o’clock, and would climb as soon as you key on/have switched 12v power. One common problem that can occur is a. We are installing the @classicinstrumentsboynecity @holleyperformance. By understanding the wiring diagram and the function of each wire, truck owners can identify and resolve issues with their instrument cluster. It would. C10 Gauge Cluster Wiring.
From schematicgesindetq.z4.web.core.windows.net
Wiring Diagram 1965 Chevy C10 C10 Gauge Cluster Wiring The diagram is surrounded by a alpha/numeric loaction grid. I am ordering a new gauge cluster (classic instruments) for my c10. One common problem that can occur is a. We are installing the @classicinstrumentsboynecity @holleyperformance. It would be helpful to obtain a service manual for your specific year. Your gauge needle would be pointing to nearly 3 o’clock, and would. C10 Gauge Cluster Wiring.
From www.vehicles-classifieds.com
Vintage Oem 19691972 C10 Gauge Cluster 6772 Chevy Gmc Used for sale C10 Gauge Cluster Wiring Your gauge needle would be pointing to nearly 3 o’clock, and would climb as soon as you key on/have switched 12v power. I am ordering a new gauge cluster (classic instruments) for my c10. By understanding the wiring diagram and the function of each wire, truck owners can identify and resolve issues with their instrument cluster. The diagram is surrounded. C10 Gauge Cluster Wiring.