Suzuki Jimny Power Steering Belt . I’ve already loosened the tensioner and there’s about 1/2 inch or so that i. There is a pin inside a quadrant on the tensioner pulley that undoes. Include your vin number when ordering I’m having trouble getting the drive belt on the pulleys. Fair pricing & mechanics that. 16 rows get the exact price for a power steering belt replacement on your suzuki jimny using our free quote engine. The p/s steering one very easy (dont listen to horror stories on here), put the tensioner on first and turn it to give full play and. Suzuki jimny power steering belt ja11, ja71, ja12. On my twin cam the power steering belt has to come off first:
from simssuzukiparts.co.uk
The p/s steering one very easy (dont listen to horror stories on here), put the tensioner on first and turn it to give full play and. 16 rows get the exact price for a power steering belt replacement on your suzuki jimny using our free quote engine. I’ve already loosened the tensioner and there’s about 1/2 inch or so that i. Suzuki jimny power steering belt ja11, ja71, ja12. There is a pin inside a quadrant on the tensioner pulley that undoes. Fair pricing & mechanics that. Include your vin number when ordering On my twin cam the power steering belt has to come off first: I’m having trouble getting the drive belt on the pulleys.
NEW Genuine Suzuki JIMNY POWER STEERING PRESSURE & RETURN PIPE 492008
Suzuki Jimny Power Steering Belt Include your vin number when ordering 16 rows get the exact price for a power steering belt replacement on your suzuki jimny using our free quote engine. There is a pin inside a quadrant on the tensioner pulley that undoes. Include your vin number when ordering On my twin cam the power steering belt has to come off first: Suzuki jimny power steering belt ja11, ja71, ja12. I’m having trouble getting the drive belt on the pulleys. The p/s steering one very easy (dont listen to horror stories on here), put the tensioner on first and turn it to give full play and. I’ve already loosened the tensioner and there’s about 1/2 inch or so that i. Fair pricing & mechanics that.
From simssuzukiparts.co.uk
NEW Genuine Suzuki JIMNY POWER STEERING PRESSURE & RETURN PIPE 492008 Suzuki Jimny Power Steering Belt Suzuki jimny power steering belt ja11, ja71, ja12. The p/s steering one very easy (dont listen to horror stories on here), put the tensioner on first and turn it to give full play and. 16 rows get the exact price for a power steering belt replacement on your suzuki jimny using our free quote engine. I’ve already loosened the tensioner. Suzuki Jimny Power Steering Belt.
From www.xshockdakar.com
Steering dumper +3'' suzuki jimny Suzuki Jimny Power Steering Belt Suzuki jimny power steering belt ja11, ja71, ja12. There is a pin inside a quadrant on the tensioner pulley that undoes. I’m having trouble getting the drive belt on the pulleys. On my twin cam the power steering belt has to come off first: Fair pricing & mechanics that. The p/s steering one very easy (dont listen to horror stories. Suzuki Jimny Power Steering Belt.
From www.2carpros.com
2002 Suzuki Vitara Serpentine Belt Routing and Timing Belt Diagrams Suzuki Jimny Power Steering Belt I’m having trouble getting the drive belt on the pulleys. Include your vin number when ordering The p/s steering one very easy (dont listen to horror stories on here), put the tensioner on first and turn it to give full play and. Fair pricing & mechanics that. There is a pin inside a quadrant on the tensioner pulley that undoes.. Suzuki Jimny Power Steering Belt.
From www.masterforest-boutique.com
Idler for power steering belt, Suzuki Santana Jimny Suzuki Jimny Power Steering Belt Fair pricing & mechanics that. I’ve already loosened the tensioner and there’s about 1/2 inch or so that i. Include your vin number when ordering The p/s steering one very easy (dont listen to horror stories on here), put the tensioner on first and turn it to give full play and. 16 rows get the exact price for a power. Suzuki Jimny Power Steering Belt.
From hxejkkdam.blob.core.windows.net
Jimny Power Steering Box at Irene Gillespie blog Suzuki Jimny Power Steering Belt There is a pin inside a quadrant on the tensioner pulley that undoes. I’ve already loosened the tensioner and there’s about 1/2 inch or so that i. Include your vin number when ordering 16 rows get the exact price for a power steering belt replacement on your suzuki jimny using our free quote engine. The p/s steering one very easy. Suzuki Jimny Power Steering Belt.
From www.pinterest.co.uk
2002 Suzuki Vitara Serpentine Belt Routing and Timing Belt Diagrams Suzuki Jimny Power Steering Belt Fair pricing & mechanics that. Include your vin number when ordering The p/s steering one very easy (dont listen to horror stories on here), put the tensioner on first and turn it to give full play and. On my twin cam the power steering belt has to come off first: Suzuki jimny power steering belt ja11, ja71, ja12. There is. Suzuki Jimny Power Steering Belt.
From med-auto.com
How to change the alternator belt on your own Suzuki Jimny Power Steering Belt There is a pin inside a quadrant on the tensioner pulley that undoes. Include your vin number when ordering On my twin cam the power steering belt has to come off first: Fair pricing & mechanics that. I’m having trouble getting the drive belt on the pulleys. Suzuki jimny power steering belt ja11, ja71, ja12. The p/s steering one very. Suzuki Jimny Power Steering Belt.
From www.carpartsdirect.asia
BELT, SUZUKIGEN FAN CARRY, JIMNY * (ST90, SJ410) Car Parts Direct Asia Suzuki Jimny Power Steering Belt Suzuki jimny power steering belt ja11, ja71, ja12. I’ve already loosened the tensioner and there’s about 1/2 inch or so that i. There is a pin inside a quadrant on the tensioner pulley that undoes. Include your vin number when ordering 16 rows get the exact price for a power steering belt replacement on your suzuki jimny using our free. Suzuki Jimny Power Steering Belt.
From www.jzsteering.com
FOR BMW 5 AND 6 SERIES 32106777494 POWER STEERING RACK_power steering Suzuki Jimny Power Steering Belt Fair pricing & mechanics that. The p/s steering one very easy (dont listen to horror stories on here), put the tensioner on first and turn it to give full play and. I’ve already loosened the tensioner and there’s about 1/2 inch or so that i. There is a pin inside a quadrant on the tensioner pulley that undoes. Include your. Suzuki Jimny Power Steering Belt.
From www.bukalapak.com
Jual Paket power steering suzuki jimny katana di Lapak ekajaya4x4 Suzuki Jimny Power Steering Belt I’m having trouble getting the drive belt on the pulleys. The p/s steering one very easy (dont listen to horror stories on here), put the tensioner on first and turn it to give full play and. Include your vin number when ordering I’ve already loosened the tensioner and there’s about 1/2 inch or so that i. 16 rows get the. Suzuki Jimny Power Steering Belt.
From www.autopartssupply.com.au
Suzuki Jimny Alternator Drive Belt 1.3 M13A 2000On 4PK835 Gates Suzuki Jimny Power Steering Belt The p/s steering one very easy (dont listen to horror stories on here), put the tensioner on first and turn it to give full play and. I’ve already loosened the tensioner and there’s about 1/2 inch or so that i. On my twin cam the power steering belt has to come off first: Include your vin number when ordering I’m. Suzuki Jimny Power Steering Belt.
From suzukikatanajimny.blogspot.com
oli power steering suzuki jimny katana netes Suzuki Jimny Power Steering Belt There is a pin inside a quadrant on the tensioner pulley that undoes. I’m having trouble getting the drive belt on the pulleys. Suzuki jimny power steering belt ja11, ja71, ja12. The p/s steering one very easy (dont listen to horror stories on here), put the tensioner on first and turn it to give full play and. Fair pricing &. Suzuki Jimny Power Steering Belt.
From www.aliexpress.com
Power Steering Pump For Suzuki Jimny 1.3 1998 2012 49100 81A20 49100 Suzuki Jimny Power Steering Belt Suzuki jimny power steering belt ja11, ja71, ja12. On my twin cam the power steering belt has to come off first: The p/s steering one very easy (dont listen to horror stories on here), put the tensioner on first and turn it to give full play and. Include your vin number when ordering I’ve already loosened the tensioner and there’s. Suzuki Jimny Power Steering Belt.
From www.aliexpress.com
BRANDNEWPOWERSTEERINGPUMPForSuzukiJimny199820124910081A20 Suzuki Jimny Power Steering Belt Suzuki jimny power steering belt ja11, ja71, ja12. I’m having trouble getting the drive belt on the pulleys. Include your vin number when ordering 16 rows get the exact price for a power steering belt replacement on your suzuki jimny using our free quote engine. On my twin cam the power steering belt has to come off first: The p/s. Suzuki Jimny Power Steering Belt.
From www.ebay.com
Fan/Drive Belt SET Suzuki Jimny 1.3 G13BB (9801) eBay Suzuki Jimny Power Steering Belt On my twin cam the power steering belt has to come off first: I’ve already loosened the tensioner and there’s about 1/2 inch or so that i. Fair pricing & mechanics that. 16 rows get the exact price for a power steering belt replacement on your suzuki jimny using our free quote engine. Suzuki jimny power steering belt ja11, ja71,. Suzuki Jimny Power Steering Belt.
From www.cartrade.com
Maruti Suzuki Jimny Steering Mounted Controls Right Maruti Suzuki Suzuki Jimny Power Steering Belt 16 rows get the exact price for a power steering belt replacement on your suzuki jimny using our free quote engine. I’m having trouble getting the drive belt on the pulleys. I’ve already loosened the tensioner and there’s about 1/2 inch or so that i. Include your vin number when ordering The p/s steering one very easy (dont listen to. Suzuki Jimny Power Steering Belt.
From shopee.com.my
SUZUKI JIMNY POWER STEERING RACK KIT / POWER STEERING BOX KIT JAPAN Suzuki Jimny Power Steering Belt I’m having trouble getting the drive belt on the pulleys. Suzuki jimny power steering belt ja11, ja71, ja12. On my twin cam the power steering belt has to come off first: The p/s steering one very easy (dont listen to horror stories on here), put the tensioner on first and turn it to give full play and. There is a. Suzuki Jimny Power Steering Belt.
From www.justanswer.com
Suzuki Jimny 2004 Power Steering Belt Tension Q&A Fan Belt Diagram Suzuki Jimny Power Steering Belt Suzuki jimny power steering belt ja11, ja71, ja12. I’ve already loosened the tensioner and there’s about 1/2 inch or so that i. The p/s steering one very easy (dont listen to horror stories on here), put the tensioner on first and turn it to give full play and. 16 rows get the exact price for a power steering belt replacement. Suzuki Jimny Power Steering Belt.
From simssuzukiparts.co.uk
NEW Genuine Suzuki JIMNY Power Steering Belt Tensioner Pulley 4916064 Suzuki Jimny Power Steering Belt I’ve already loosened the tensioner and there’s about 1/2 inch or so that i. The p/s steering one very easy (dont listen to horror stories on here), put the tensioner on first and turn it to give full play and. Fair pricing & mechanics that. I’m having trouble getting the drive belt on the pulleys. 16 rows get the exact. Suzuki Jimny Power Steering Belt.
From www.bigjimny.com
VBelt Auxillary Belt G13BB (Suzuki) BigJimny Store Suzuki Jimny Power Steering Belt The p/s steering one very easy (dont listen to horror stories on here), put the tensioner on first and turn it to give full play and. Fair pricing & mechanics that. On my twin cam the power steering belt has to come off first: Suzuki jimny power steering belt ja11, ja71, ja12. I’m having trouble getting the drive belt on. Suzuki Jimny Power Steering Belt.
From www.bigjimny.com
VBelt Auxillary Belt (Suzuki) BigJimny Store Suzuki Jimny Power Steering Belt On my twin cam the power steering belt has to come off first: 16 rows get the exact price for a power steering belt replacement on your suzuki jimny using our free quote engine. I’ve already loosened the tensioner and there’s about 1/2 inch or so that i. Suzuki jimny power steering belt ja11, ja71, ja12. There is a pin. Suzuki Jimny Power Steering Belt.
From www.bukalapak.com
Jual Paket power steering suzuki jimny katana di lapak ekajaya4x4 Suzuki Jimny Power Steering Belt I’m having trouble getting the drive belt on the pulleys. On my twin cam the power steering belt has to come off first: Fair pricing & mechanics that. I’ve already loosened the tensioner and there’s about 1/2 inch or so that i. Include your vin number when ordering The p/s steering one very easy (dont listen to horror stories on. Suzuki Jimny Power Steering Belt.
From www.ebay.com
DRIVE BELT 4PK900A FOR SUZUKI JIMNY 1.3lt 1998 2002 (AIRCON P/STEER Suzuki Jimny Power Steering Belt 16 rows get the exact price for a power steering belt replacement on your suzuki jimny using our free quote engine. Suzuki jimny power steering belt ja11, ja71, ja12. The p/s steering one very easy (dont listen to horror stories on here), put the tensioner on first and turn it to give full play and. Fair pricing & mechanics that.. Suzuki Jimny Power Steering Belt.
From simssuzukiparts.co.uk
2x NEW Genuine Suzuki Jimny DRIVE V BELT AUX Twin Pack 9514150F01 175 Suzuki Jimny Power Steering Belt 16 rows get the exact price for a power steering belt replacement on your suzuki jimny using our free quote engine. On my twin cam the power steering belt has to come off first: I’m having trouble getting the drive belt on the pulleys. I’ve already loosened the tensioner and there’s about 1/2 inch or so that i. Suzuki jimny. Suzuki Jimny Power Steering Belt.
From www.2carpros.com
2002 Suzuki Vitara Serpentine Belt Routing and Timing Belt Diagrams Suzuki Jimny Power Steering Belt Fair pricing & mechanics that. Include your vin number when ordering I’ve already loosened the tensioner and there’s about 1/2 inch or so that i. I’m having trouble getting the drive belt on the pulleys. 16 rows get the exact price for a power steering belt replacement on your suzuki jimny using our free quote engine. There is a pin. Suzuki Jimny Power Steering Belt.
From www.justanswer.com
Suzuki Jimny 2004 Power Steering Belt Tension Q&A Fan Belt Diagram Suzuki Jimny Power Steering Belt Suzuki jimny power steering belt ja11, ja71, ja12. I’ve already loosened the tensioner and there’s about 1/2 inch or so that i. I’m having trouble getting the drive belt on the pulleys. Fair pricing & mechanics that. Include your vin number when ordering 16 rows get the exact price for a power steering belt replacement on your suzuki jimny using. Suzuki Jimny Power Steering Belt.
From www.testingautos.com
When should a drive belt be replaced in your car? Suzuki Jimny Power Steering Belt Suzuki jimny power steering belt ja11, ja71, ja12. Include your vin number when ordering 16 rows get the exact price for a power steering belt replacement on your suzuki jimny using our free quote engine. The p/s steering one very easy (dont listen to horror stories on here), put the tensioner on first and turn it to give full play. Suzuki Jimny Power Steering Belt.
From www.aliexpress.com
For Suzuki Jimny Steering Pump Power Steering Pump 4pk 4910081a40 Suzuki Jimny Power Steering Belt On my twin cam the power steering belt has to come off first: There is a pin inside a quadrant on the tensioner pulley that undoes. I’ve already loosened the tensioner and there’s about 1/2 inch or so that i. Fair pricing & mechanics that. I’m having trouble getting the drive belt on the pulleys. Suzuki jimny power steering belt. Suzuki Jimny Power Steering Belt.
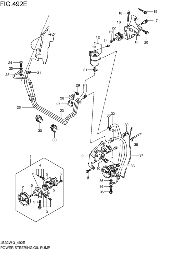
From www.megazip.net
power steering oil pump for 1997 2011 Suzuki JIMNY JB32W Japan Suzuki Jimny Power Steering Belt Suzuki jimny power steering belt ja11, ja71, ja12. Fair pricing & mechanics that. I’ve already loosened the tensioner and there’s about 1/2 inch or so that i. On my twin cam the power steering belt has to come off first: There is a pin inside a quadrant on the tensioner pulley that undoes. The p/s steering one very easy (dont. Suzuki Jimny Power Steering Belt.
From www.proxyparts.com
Power steering pump Suzuki Jimny Hardtop 1.3i 16V 4x4 B43V Suzuki Jimny Power Steering Belt 16 rows get the exact price for a power steering belt replacement on your suzuki jimny using our free quote engine. Fair pricing & mechanics that. Suzuki jimny power steering belt ja11, ja71, ja12. I’ve already loosened the tensioner and there’s about 1/2 inch or so that i. Include your vin number when ordering There is a pin inside a. Suzuki Jimny Power Steering Belt.
From www.aliexpress.com
BRAND NEW POWER STEERING PUMP For Suzuki Jimny 1.3 1998 12 49100 81A20 Suzuki Jimny Power Steering Belt Suzuki jimny power steering belt ja11, ja71, ja12. I’ve already loosened the tensioner and there’s about 1/2 inch or so that i. I’m having trouble getting the drive belt on the pulleys. Include your vin number when ordering On my twin cam the power steering belt has to come off first: 16 rows get the exact price for a power. Suzuki Jimny Power Steering Belt.
From www.youtube.com
Jimny power steering conversion on a Coily Sierra. YouTube Suzuki Jimny Power Steering Belt Include your vin number when ordering I’ve already loosened the tensioner and there’s about 1/2 inch or so that i. There is a pin inside a quadrant on the tensioner pulley that undoes. Fair pricing & mechanics that. Suzuki jimny power steering belt ja11, ja71, ja12. On my twin cam the power steering belt has to come off first: I’m. Suzuki Jimny Power Steering Belt.
From www.4x4community.co.za
Jimny Vbelts Page 2 Suzuki Jimny Power Steering Belt Fair pricing & mechanics that. I’ve already loosened the tensioner and there’s about 1/2 inch or so that i. 16 rows get the exact price for a power steering belt replacement on your suzuki jimny using our free quote engine. On my twin cam the power steering belt has to come off first: I’m having trouble getting the drive belt. Suzuki Jimny Power Steering Belt.
From www.justanswer.com
How do i change the belts on my 03 suzuki xl7 Suzuki Jimny Power Steering Belt There is a pin inside a quadrant on the tensioner pulley that undoes. Fair pricing & mechanics that. The p/s steering one very easy (dont listen to horror stories on here), put the tensioner on first and turn it to give full play and. I’ve already loosened the tensioner and there’s about 1/2 inch or so that i. Include your. Suzuki Jimny Power Steering Belt.
From www.bukalapak.com
Jual Paket power steering suzuki jimny katana di lapak ekajaya4x4 Suzuki Jimny Power Steering Belt Fair pricing & mechanics that. Include your vin number when ordering I’m having trouble getting the drive belt on the pulleys. There is a pin inside a quadrant on the tensioner pulley that undoes. The p/s steering one very easy (dont listen to horror stories on here), put the tensioner on first and turn it to give full play and.. Suzuki Jimny Power Steering Belt.