Wiper Motor Definition Wiki . The wipers combine two mechanical technologies to perform their task: It plays a significant role in ensuring driving safety, especially in. The windshield wiper consists of a few main parts that help turn its electric energy into mechanical energy including: The wiper motor is an essential component of the electric windshield wiper system in your vehicle. Windshield wipers are found on car windshields, some car headlights, airplanes and even. A combination electric motor and. At the core of the windshield wiper system is a dc electric motor, typically found under the hood near the firewall that separates. The wiper linkage, also known as wiper transmission or wiper link assembly, has two shafts that hold the wiper arms. What kind of a mechanism can move the wiper arms so effectively and so reliably? An electric motor and a worm gear inside of the car,.
from boutique.3dadvance.fr
Windshield wipers are found on car windshields, some car headlights, airplanes and even. The windshield wiper consists of a few main parts that help turn its electric energy into mechanical energy including: What kind of a mechanism can move the wiper arms so effectively and so reliably? The wiper linkage, also known as wiper transmission or wiper link assembly, has two shafts that hold the wiper arms. The wiper motor is an essential component of the electric windshield wiper system in your vehicle. At the core of the windshield wiper system is a dc electric motor, typically found under the hood near the firewall that separates. An electric motor and a worm gear inside of the car,. The wipers combine two mechanical technologies to perform their task: A combination electric motor and. It plays a significant role in ensuring driving safety, especially in.
2011 f150 windshield wiper size lowkey luxury connotation
Wiper Motor Definition Wiki A combination electric motor and. The wiper linkage, also known as wiper transmission or wiper link assembly, has two shafts that hold the wiper arms. It plays a significant role in ensuring driving safety, especially in. The wiper motor is an essential component of the electric windshield wiper system in your vehicle. A combination electric motor and. The wipers combine two mechanical technologies to perform their task: The windshield wiper consists of a few main parts that help turn its electric energy into mechanical energy including: An electric motor and a worm gear inside of the car,. Windshield wipers are found on car windshields, some car headlights, airplanes and even. At the core of the windshield wiper system is a dc electric motor, typically found under the hood near the firewall that separates. What kind of a mechanism can move the wiper arms so effectively and so reliably?
From partdiagramokudingwaia.z13.web.core.windows.net
How To Fix Wiper Motor Wiper Motor Definition Wiki Windshield wipers are found on car windshields, some car headlights, airplanes and even. It plays a significant role in ensuring driving safety, especially in. The wipers combine two mechanical technologies to perform their task: A combination electric motor and. The wiper linkage, also known as wiper transmission or wiper link assembly, has two shafts that hold the wiper arms. An. Wiper Motor Definition Wiki.
From partdiagramokudingwaia.z13.web.core.windows.net
How To Fix Wiper Motor Wiper Motor Definition Wiki Windshield wipers are found on car windshields, some car headlights, airplanes and even. It plays a significant role in ensuring driving safety, especially in. The wiper motor is an essential component of the electric windshield wiper system in your vehicle. The windshield wiper consists of a few main parts that help turn its electric energy into mechanical energy including: At. Wiper Motor Definition Wiki.
From showsenmoto.com
How to Choose a Wiper Motor SHOWSEN Motor Wiper Motor Definition Wiki A combination electric motor and. The wipers combine two mechanical technologies to perform their task: It plays a significant role in ensuring driving safety, especially in. What kind of a mechanism can move the wiper arms so effectively and so reliably? The wiper motor is an essential component of the electric windshield wiper system in your vehicle. At the core. Wiper Motor Definition Wiki.
From webmotor.org
How To Test If A Wiper Motor Works Wiper Motor Definition Wiki At the core of the windshield wiper system is a dc electric motor, typically found under the hood near the firewall that separates. The wiper linkage, also known as wiper transmission or wiper link assembly, has two shafts that hold the wiper arms. It plays a significant role in ensuring driving safety, especially in. A combination electric motor and. What. Wiper Motor Definition Wiki.
From www.gtoforum.com
Wiper motor, 3 wire or 4 wire Pontiac GTO Forum Wiper Motor Definition Wiki The wipers combine two mechanical technologies to perform their task: What kind of a mechanism can move the wiper arms so effectively and so reliably? An electric motor and a worm gear inside of the car,. At the core of the windshield wiper system is a dc electric motor, typically found under the hood near the firewall that separates. It. Wiper Motor Definition Wiki.
From printablefullbegad.z21.web.core.windows.net
Car Wiper Motor Repair Wiper Motor Definition Wiki The wiper motor is an essential component of the electric windshield wiper system in your vehicle. What kind of a mechanism can move the wiper arms so effectively and so reliably? The wipers combine two mechanical technologies to perform their task: The windshield wiper consists of a few main parts that help turn its electric energy into mechanical energy including:. Wiper Motor Definition Wiki.
From www.rvandmarine.com
RV H.D. WIPER MOTOR for H.D. RADIAL AND OPPOSING SYSTEMS. 150W/12V Wiper Motor Definition Wiki A combination electric motor and. The wipers combine two mechanical technologies to perform their task: The wiper linkage, also known as wiper transmission or wiper link assembly, has two shafts that hold the wiper arms. Windshield wipers are found on car windshields, some car headlights, airplanes and even. At the core of the windshield wiper system is a dc electric. Wiper Motor Definition Wiki.
From mzwmotor.com
Wiper Motor The Ultimate Guide in 2023 MZW Motor Wiper Motor Definition Wiki An electric motor and a worm gear inside of the car,. At the core of the windshield wiper system is a dc electric motor, typically found under the hood near the firewall that separates. The wipers combine two mechanical technologies to perform their task: Windshield wipers are found on car windshields, some car headlights, airplanes and even. It plays a. Wiper Motor Definition Wiki.
From midwestbusparts.com
Wiper Motor (3528713C91) with 5Pin Plug For International Trucks Wiper Motor Definition Wiki The wiper motor is an essential component of the electric windshield wiper system in your vehicle. What kind of a mechanism can move the wiper arms so effectively and so reliably? The wiper linkage, also known as wiper transmission or wiper link assembly, has two shafts that hold the wiper arms. The windshield wiper consists of a few main parts. Wiper Motor Definition Wiki.
From www.wipereasy.com
12v wiper motor overview and faqs what you need to know? Wipereasy Wiper Motor Definition Wiki What kind of a mechanism can move the wiper arms so effectively and so reliably? At the core of the windshield wiper system is a dc electric motor, typically found under the hood near the firewall that separates. The wiper motor is an essential component of the electric windshield wiper system in your vehicle. An electric motor and a worm. Wiper Motor Definition Wiki.
From asap-marine.com
ASAP Marine (Thailand). Wiper Motor, 3000 Series, 12V, 2.5" Shaft, 110 Wiper Motor Definition Wiki The windshield wiper consists of a few main parts that help turn its electric energy into mechanical energy including: What kind of a mechanism can move the wiper arms so effectively and so reliably? Windshield wipers are found on car windshields, some car headlights, airplanes and even. At the core of the windshield wiper system is a dc electric motor,. Wiper Motor Definition Wiki.
From www.circuitdiagram.co
Universal Wiper Motor Wiring Diagram Circuit Diagram Wiper Motor Definition Wiki An electric motor and a worm gear inside of the car,. The wiper linkage, also known as wiper transmission or wiper link assembly, has two shafts that hold the wiper arms. The windshield wiper consists of a few main parts that help turn its electric energy into mechanical energy including: Windshield wipers are found on car windshields, some car headlights,. Wiper Motor Definition Wiki.
From www.boschmotor.com
Wiper Motor Wiper Motor Definition Wiki At the core of the windshield wiper system is a dc electric motor, typically found under the hood near the firewall that separates. The wiper motor is an essential component of the electric windshield wiper system in your vehicle. What kind of a mechanism can move the wiper arms so effectively and so reliably? An electric motor and a worm. Wiper Motor Definition Wiki.
From nastyz28.com
Camaro Windshield wiper, washer & pump Information, restoration and repair Wiper Motor Definition Wiki Windshield wipers are found on car windshields, some car headlights, airplanes and even. The wipers combine two mechanical technologies to perform their task: The wiper linkage, also known as wiper transmission or wiper link assembly, has two shafts that hold the wiper arms. An electric motor and a worm gear inside of the car,. The wiper motor is an essential. Wiper Motor Definition Wiki.
From triyosys.com
Wiper Motors TRIYOSYS Wiper Motor Definition Wiki An electric motor and a worm gear inside of the car,. A combination electric motor and. Windshield wipers are found on car windshields, some car headlights, airplanes and even. It plays a significant role in ensuring driving safety, especially in. The windshield wiper consists of a few main parts that help turn its electric energy into mechanical energy including: What. Wiper Motor Definition Wiki.
From www.wipereasy.com
Bad wiper motor symptoms and the solutions to windshield wiper motor Wiper Motor Definition Wiki The wipers combine two mechanical technologies to perform their task: The wiper motor is an essential component of the electric windshield wiper system in your vehicle. At the core of the windshield wiper system is a dc electric motor, typically found under the hood near the firewall that separates. An electric motor and a worm gear inside of the car,.. Wiper Motor Definition Wiki.
From www.juntmotor.com
Wiper Motor manufacturer, company RUIAN JUNT MECHANICAL&ELECTRICAL CO Wiper Motor Definition Wiki What kind of a mechanism can move the wiper arms so effectively and so reliably? An electric motor and a worm gear inside of the car,. The wiper linkage, also known as wiper transmission or wiper link assembly, has two shafts that hold the wiper arms. At the core of the windshield wiper system is a dc electric motor, typically. Wiper Motor Definition Wiki.
From shop.goldwagen.com
WIPER MOTOR Wiper Motors Electrical Goldwagen Wiper Motor Definition Wiki It plays a significant role in ensuring driving safety, especially in. Windshield wipers are found on car windshields, some car headlights, airplanes and even. At the core of the windshield wiper system is a dc electric motor, typically found under the hood near the firewall that separates. The windshield wiper consists of a few main parts that help turn its. Wiper Motor Definition Wiki.
From can.grandado.com
12V Universal Windscreen Wiper Motor for Jeep Trac... Grandado Wiper Motor Definition Wiki An electric motor and a worm gear inside of the car,. The wipers combine two mechanical technologies to perform their task: The wiper linkage, also known as wiper transmission or wiper link assembly, has two shafts that hold the wiper arms. A combination electric motor and. It plays a significant role in ensuring driving safety, especially in. At the core. Wiper Motor Definition Wiki.
From mossmotors.com
Wipers & Wiper Motors Moss Motors Wiper Motor Definition Wiki It plays a significant role in ensuring driving safety, especially in. At the core of the windshield wiper system is a dc electric motor, typically found under the hood near the firewall that separates. The wipers combine two mechanical technologies to perform their task: The wiper linkage, also known as wiper transmission or wiper link assembly, has two shafts that. Wiper Motor Definition Wiki.
From asap-marine.com
ASAP Marine (Thailand). Wiper Motor, 2.5 Series, 24V, 2.5" Shaft, 110 Wiper Motor Definition Wiki The wiper motor is an essential component of the electric windshield wiper system in your vehicle. An electric motor and a worm gear inside of the car,. At the core of the windshield wiper system is a dc electric motor, typically found under the hood near the firewall that separates. The windshield wiper consists of a few main parts that. Wiper Motor Definition Wiki.
From sontianmotor.com
Wiper Motor Definition Guide in 2024 SONTIAN Auto Parts Wiper Motor Definition Wiki A combination electric motor and. The windshield wiper consists of a few main parts that help turn its electric energy into mechanical energy including: The wiper motor is an essential component of the electric windshield wiper system in your vehicle. The wipers combine two mechanical technologies to perform their task: It plays a significant role in ensuring driving safety, especially. Wiper Motor Definition Wiki.
From www.indiamart.com
Single Phase Auto Wiper Motor, For E Rickshaw, 12V at Rs 1200/piece in Wiper Motor Definition Wiki Windshield wipers are found on car windshields, some car headlights, airplanes and even. A combination electric motor and. What kind of a mechanism can move the wiper arms so effectively and so reliably? An electric motor and a worm gear inside of the car,. The wiper linkage, also known as wiper transmission or wiper link assembly, has two shafts that. Wiper Motor Definition Wiki.
From midwestbusparts.com
Wiper Motor, 5Wire Plug Midwest Bus Parts Wiper Motor Definition Wiki What kind of a mechanism can move the wiper arms so effectively and so reliably? Windshield wipers are found on car windshields, some car headlights, airplanes and even. At the core of the windshield wiper system is a dc electric motor, typically found under the hood near the firewall that separates. The wipers combine two mechanical technologies to perform their. Wiper Motor Definition Wiki.
From newportwipers.com
New Port Engineering Wiper Motor (NE4900BOC) Wiper Motor Definition Wiki An electric motor and a worm gear inside of the car,. Windshield wipers are found on car windshields, some car headlights, airplanes and even. At the core of the windshield wiper system is a dc electric motor, typically found under the hood near the firewall that separates. The wipers combine two mechanical technologies to perform their task: The windshield wiper. Wiper Motor Definition Wiki.
From controlconnections.com.au
Wiper Motor Control Connections Wiper Motor Definition Wiki An electric motor and a worm gear inside of the car,. The wiper motor is an essential component of the electric windshield wiper system in your vehicle. At the core of the windshield wiper system is a dc electric motor, typically found under the hood near the firewall that separates. It plays a significant role in ensuring driving safety, especially. Wiper Motor Definition Wiki.
From www.shiyanqijing.com
XCMG 802100088 wiper motor XCMG Parts Shantui Parts Liugong Parts Wiper Motor Definition Wiki What kind of a mechanism can move the wiper arms so effectively and so reliably? Windshield wipers are found on car windshields, some car headlights, airplanes and even. The wiper linkage, also known as wiper transmission or wiper link assembly, has two shafts that hold the wiper arms. An electric motor and a worm gear inside of the car,. The. Wiper Motor Definition Wiki.
From www.enterpriseappstoday.com
Automotive Wiper Motor Market Size [USD 2.5 Billion by 2032] Wiper Motor Definition Wiki The wiper linkage, also known as wiper transmission or wiper link assembly, has two shafts that hold the wiper arms. The windshield wiper consists of a few main parts that help turn its electric energy into mechanical energy including: A combination electric motor and. It plays a significant role in ensuring driving safety, especially in. Windshield wipers are found on. Wiper Motor Definition Wiki.
From www.chevelles.com
Wiper Motor Team Chevelle Wiper Motor Definition Wiki A combination electric motor and. The wiper linkage, also known as wiper transmission or wiper link assembly, has two shafts that hold the wiper arms. At the core of the windshield wiper system is a dc electric motor, typically found under the hood near the firewall that separates. It plays a significant role in ensuring driving safety, especially in. Windshield. Wiper Motor Definition Wiki.
From parts.agcocorp.com
Wiper Motor AGCO Parts Wiper Motor Definition Wiki The wiper motor is an essential component of the electric windshield wiper system in your vehicle. The windshield wiper consists of a few main parts that help turn its electric energy into mechanical energy including: What kind of a mechanism can move the wiper arms so effectively and so reliably? At the core of the windshield wiper system is a. Wiper Motor Definition Wiki.
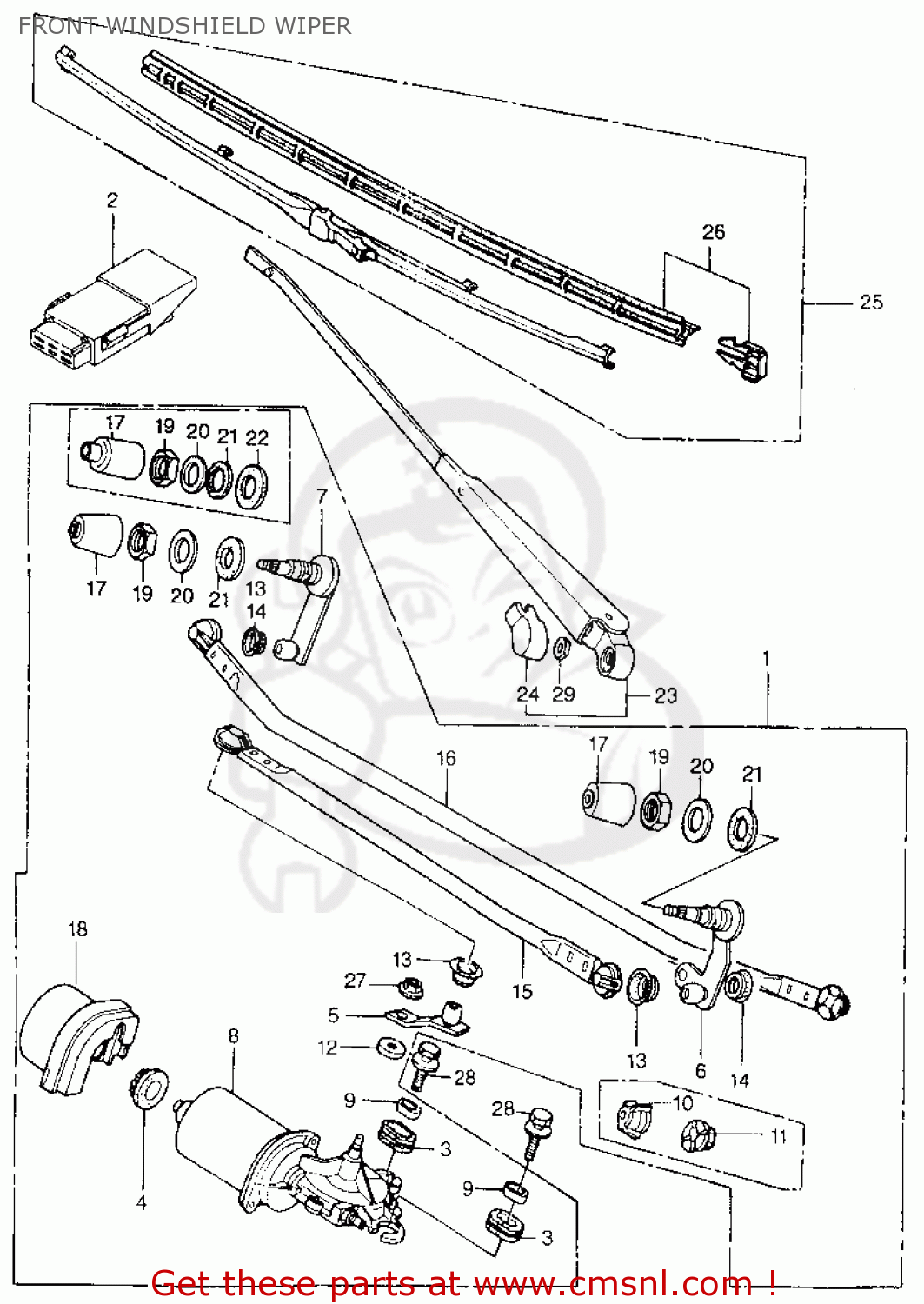
From www.cmsnl.com
38410SA0604 Wiper Motor Honda buy the 38410SA0604 at CMSNL Wiper Motor Definition Wiki The wiper motor is an essential component of the electric windshield wiper system in your vehicle. The wiper linkage, also known as wiper transmission or wiper link assembly, has two shafts that hold the wiper arms. The windshield wiper consists of a few main parts that help turn its electric energy into mechanical energy including: At the core of the. Wiper Motor Definition Wiki.
From wirelibrarydigonal.z21.web.core.windows.net
How To Replace A Wiper Motor Wiper Motor Definition Wiki A combination electric motor and. It plays a significant role in ensuring driving safety, especially in. At the core of the windshield wiper system is a dc electric motor, typically found under the hood near the firewall that separates. The wiper motor is an essential component of the electric windshield wiper system in your vehicle. An electric motor and a. Wiper Motor Definition Wiki.
From boutique.3dadvance.fr
2011 f150 windshield wiper size lowkey luxury connotation Wiper Motor Definition Wiki The wipers combine two mechanical technologies to perform their task: The windshield wiper consists of a few main parts that help turn its electric energy into mechanical energy including: A combination electric motor and. Windshield wipers are found on car windshields, some car headlights, airplanes and even. The wiper linkage, also known as wiper transmission or wiper link assembly, has. Wiper Motor Definition Wiki.
From www.autozone.com
Repair Guides Wiper Motor Definition Wiki It plays a significant role in ensuring driving safety, especially in. The wiper motor is an essential component of the electric windshield wiper system in your vehicle. The wipers combine two mechanical technologies to perform their task: Windshield wipers are found on car windshields, some car headlights, airplanes and even. The windshield wiper consists of a few main parts that. Wiper Motor Definition Wiki.
From sontianmotor.com
What is Wiper Motor, Wiper Motor Price SONTIAN Auto Parts Wiper Motor Definition Wiki What kind of a mechanism can move the wiper arms so effectively and so reliably? It plays a significant role in ensuring driving safety, especially in. The wipers combine two mechanical technologies to perform their task: The wiper motor is an essential component of the electric windshield wiper system in your vehicle. Windshield wipers are found on car windshields, some. Wiper Motor Definition Wiki.