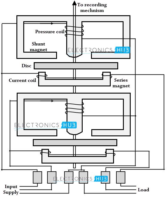
Induction Type Energy Meter Diagram . It consists of two electromagnets. The basic working of single phase induction type energy meter is only focused on two mechanisms: The working principle and construction of an induction type meter are simple and easy to understand, making them popular for measuring energy in homes and industries. The meter consists of four major parts namely, driving system. One magnet is called the shunt magnet ml which is mounted with a pressure coil. Mechanism of rotation of an aluminum disc which. Induction type of energy meters are universally used for the measurement of energy in domestic and industrial ac.
from mydiagram.online
One magnet is called the shunt magnet ml which is mounted with a pressure coil. Induction type of energy meters are universally used for the measurement of energy in domestic and industrial ac. It consists of two electromagnets. Mechanism of rotation of an aluminum disc which. The working principle and construction of an induction type meter are simple and easy to understand, making them popular for measuring energy in homes and industries. The basic working of single phase induction type energy meter is only focused on two mechanisms: The meter consists of four major parts namely, driving system.
[DIAGRAM] Diagram Of Induction Type Wattmeter
Induction Type Energy Meter Diagram One magnet is called the shunt magnet ml which is mounted with a pressure coil. Mechanism of rotation of an aluminum disc which. Induction type of energy meters are universally used for the measurement of energy in domestic and industrial ac. The working principle and construction of an induction type meter are simple and easy to understand, making them popular for measuring energy in homes and industries. The basic working of single phase induction type energy meter is only focused on two mechanisms: One magnet is called the shunt magnet ml which is mounted with a pressure coil. The meter consists of four major parts namely, driving system. It consists of two electromagnets.
From mungfali.com
Single Phase Energy Meter Circuit Diagram Induction Type Energy Meter Diagram The working principle and construction of an induction type meter are simple and easy to understand, making them popular for measuring energy in homes and industries. It consists of two electromagnets. One magnet is called the shunt magnet ml which is mounted with a pressure coil. The basic working of single phase induction type energy meter is only focused on. Induction Type Energy Meter Diagram.
From www.electricaldesks.com
Induction Type Energy Meter Construction, Working & Torque Equation Induction Type Energy Meter Diagram The working principle and construction of an induction type meter are simple and easy to understand, making them popular for measuring energy in homes and industries. It consists of two electromagnets. Induction type of energy meters are universally used for the measurement of energy in domestic and industrial ac. The meter consists of four major parts namely, driving system. One. Induction Type Energy Meter Diagram.
From www.researchgate.net
Induction Type Single Phase Watthour Energy Meter Working Principle Induction Type Energy Meter Diagram The working principle and construction of an induction type meter are simple and easy to understand, making them popular for measuring energy in homes and industries. One magnet is called the shunt magnet ml which is mounted with a pressure coil. It consists of two electromagnets. Mechanism of rotation of an aluminum disc which. The meter consists of four major. Induction Type Energy Meter Diagram.
From www.electroniclinic.com
Energy Meters and its types, Single Phase Energy Meter and Three Phase Induction Type Energy Meter Diagram The meter consists of four major parts namely, driving system. The working principle and construction of an induction type meter are simple and easy to understand, making them popular for measuring energy in homes and industries. One magnet is called the shunt magnet ml which is mounted with a pressure coil. Induction type of energy meters are universally used for. Induction Type Energy Meter Diagram.
From www.youtube.com
Single phase Energy Meter Circuit Energy Meter Energy Meter YouTube Induction Type Energy Meter Diagram The working principle and construction of an induction type meter are simple and easy to understand, making them popular for measuring energy in homes and industries. Induction type of energy meters are universally used for the measurement of energy in domestic and industrial ac. It consists of two electromagnets. One magnet is called the shunt magnet ml which is mounted. Induction Type Energy Meter Diagram.
From www.electricalindia.in
Glimpse of Energy Meters Electrical India Magazine on Power Induction Type Energy Meter Diagram Mechanism of rotation of an aluminum disc which. The working principle and construction of an induction type meter are simple and easy to understand, making them popular for measuring energy in homes and industries. The basic working of single phase induction type energy meter is only focused on two mechanisms: Induction type of energy meters are universally used for the. Induction Type Energy Meter Diagram.
From engineeringwrittennotes.blogspot.com
Engineering Notes Induction type wattmeter Engineering notes Induction Type Energy Meter Diagram Induction type of energy meters are universally used for the measurement of energy in domestic and industrial ac. Mechanism of rotation of an aluminum disc which. The basic working of single phase induction type energy meter is only focused on two mechanisms: The meter consists of four major parts namely, driving system. The working principle and construction of an induction. Induction Type Energy Meter Diagram.
From keivakerrell.blogspot.com
induction type wattmeter diagram KeivaKerrell Induction Type Energy Meter Diagram It consists of two electromagnets. Induction type of energy meters are universally used for the measurement of energy in domestic and industrial ac. The working principle and construction of an induction type meter are simple and easy to understand, making them popular for measuring energy in homes and industries. The meter consists of four major parts namely, driving system. The. Induction Type Energy Meter Diagram.
From www.youtube.com
Single Phase Induction type Energy Meter (PartI) ( Driving Torque Induction Type Energy Meter Diagram One magnet is called the shunt magnet ml which is mounted with a pressure coil. The working principle and construction of an induction type meter are simple and easy to understand, making them popular for measuring energy in homes and industries. It consists of two electromagnets. Induction type of energy meters are universally used for the measurement of energy in. Induction Type Energy Meter Diagram.
From www.engineeringa2z.com
Single Phase Induction Type Energy Meter Engineeringa2z Induction Type Energy Meter Diagram Induction type of energy meters are universally used for the measurement of energy in domestic and industrial ac. It consists of two electromagnets. Mechanism of rotation of an aluminum disc which. The meter consists of four major parts namely, driving system. One magnet is called the shunt magnet ml which is mounted with a pressure coil. The basic working of. Induction Type Energy Meter Diagram.
From www.slideshare.net
Induction type measuring instrument (energy meter) Induction Type Energy Meter Diagram Mechanism of rotation of an aluminum disc which. The working principle and construction of an induction type meter are simple and easy to understand, making them popular for measuring energy in homes and industries. One magnet is called the shunt magnet ml which is mounted with a pressure coil. The meter consists of four major parts namely, driving system. Induction. Induction Type Energy Meter Diagram.
From www.youtube.com
three phase energy meter 3 phase energy meter 3 phase induction Induction Type Energy Meter Diagram The basic working of single phase induction type energy meter is only focused on two mechanisms: Mechanism of rotation of an aluminum disc which. The working principle and construction of an induction type meter are simple and easy to understand, making them popular for measuring energy in homes and industries. One magnet is called the shunt magnet ml which is. Induction Type Energy Meter Diagram.
From www.electricaldesks.com
Induction Type Energy Meter Construction, Working & Torque Equation Induction Type Energy Meter Diagram One magnet is called the shunt magnet ml which is mounted with a pressure coil. The basic working of single phase induction type energy meter is only focused on two mechanisms: The meter consists of four major parts namely, driving system. Mechanism of rotation of an aluminum disc which. Induction type of energy meters are universally used for the measurement. Induction Type Energy Meter Diagram.
From www.youtube.com
energy meter in hindiinduction type energy meter induction type Induction Type Energy Meter Diagram The working principle and construction of an induction type meter are simple and easy to understand, making them popular for measuring energy in homes and industries. It consists of two electromagnets. The meter consists of four major parts namely, driving system. The basic working of single phase induction type energy meter is only focused on two mechanisms: One magnet is. Induction Type Energy Meter Diagram.
From www.electricaldesks.com
Induction Type Energy Meter Construction, Working & Torque Equation Induction Type Energy Meter Diagram The meter consists of four major parts namely, driving system. Induction type of energy meters are universally used for the measurement of energy in domestic and industrial ac. The working principle and construction of an induction type meter are simple and easy to understand, making them popular for measuring energy in homes and industries. The basic working of single phase. Induction Type Energy Meter Diagram.
From mydiagram.online
[DIAGRAM] Diagram Of Induction Type Wattmeter Induction Type Energy Meter Diagram Mechanism of rotation of an aluminum disc which. Induction type of energy meters are universally used for the measurement of energy in domestic and industrial ac. It consists of two electromagnets. The meter consists of four major parts namely, driving system. The basic working of single phase induction type energy meter is only focused on two mechanisms: One magnet is. Induction Type Energy Meter Diagram.
From electricaltopics.blogspot.com
electrical topics Single Phase Induction Type Energy Meter Errors Induction Type Energy Meter Diagram One magnet is called the shunt magnet ml which is mounted with a pressure coil. Induction type of energy meters are universally used for the measurement of energy in domestic and industrial ac. The basic working of single phase induction type energy meter is only focused on two mechanisms: The meter consists of four major parts namely, driving system. It. Induction Type Energy Meter Diagram.
From ann-ting.blogspot.com
☑ Induction Type Single Phase Energy Meter Induction Type Energy Meter Diagram The working principle and construction of an induction type meter are simple and easy to understand, making them popular for measuring energy in homes and industries. It consists of two electromagnets. Mechanism of rotation of an aluminum disc which. The meter consists of four major parts namely, driving system. Induction type of energy meters are universally used for the measurement. Induction Type Energy Meter Diagram.
From www.researchgate.net
Construction of Electro mechanical Induction type Energy meter Induction Type Energy Meter Diagram Mechanism of rotation of an aluminum disc which. One magnet is called the shunt magnet ml which is mounted with a pressure coil. The basic working of single phase induction type energy meter is only focused on two mechanisms: The meter consists of four major parts namely, driving system. It consists of two electromagnets. Induction type of energy meters are. Induction Type Energy Meter Diagram.
From electricalworkbook.com
Energy Meter Working, Construction & Diagram ElectricalWorkbook Induction Type Energy Meter Diagram The meter consists of four major parts namely, driving system. The working principle and construction of an induction type meter are simple and easy to understand, making them popular for measuring energy in homes and industries. It consists of two electromagnets. The basic working of single phase induction type energy meter is only focused on two mechanisms: Induction type of. Induction Type Energy Meter Diagram.
From studylib.net
Overview of Single Phase Induction Type Energy Meter Induction Type Energy Meter Diagram The basic working of single phase induction type energy meter is only focused on two mechanisms: Mechanism of rotation of an aluminum disc which. The meter consists of four major parts namely, driving system. One magnet is called the shunt magnet ml which is mounted with a pressure coil. The working principle and construction of an induction type meter are. Induction Type Energy Meter Diagram.
From www.slideshare.net
Single Phase Induction Type Energy Meter Induction Type Energy Meter Diagram Mechanism of rotation of an aluminum disc which. It consists of two electromagnets. One magnet is called the shunt magnet ml which is mounted with a pressure coil. The basic working of single phase induction type energy meter is only focused on two mechanisms: Induction type of energy meters are universally used for the measurement of energy in domestic and. Induction Type Energy Meter Diagram.
From enginelibuntempers.z21.web.core.windows.net
Diagram Of Energy Meter Induction Type Energy Meter Diagram The working principle and construction of an induction type meter are simple and easy to understand, making them popular for measuring energy in homes and industries. Induction type of energy meters are universally used for the measurement of energy in domestic and industrial ac. It consists of two electromagnets. Mechanism of rotation of an aluminum disc which. One magnet is. Induction Type Energy Meter Diagram.
From www.youtube.com
Singlephase Induction type Energy meter YouTube Induction Type Energy Meter Diagram The working principle and construction of an induction type meter are simple and easy to understand, making them popular for measuring energy in homes and industries. Induction type of energy meters are universally used for the measurement of energy in domestic and industrial ac. One magnet is called the shunt magnet ml which is mounted with a pressure coil. It. Induction Type Energy Meter Diagram.
From www.slideshare.net
Single Phase Induction Type Energy Meter Induction Type Energy Meter Diagram Induction type of energy meters are universally used for the measurement of energy in domestic and industrial ac. One magnet is called the shunt magnet ml which is mounted with a pressure coil. It consists of two electromagnets. The basic working of single phase induction type energy meter is only focused on two mechanisms: Mechanism of rotation of an aluminum. Induction Type Energy Meter Diagram.
From www.slideshare.net
Single Phase Induction Type Energy Meter Induction Type Energy Meter Diagram One magnet is called the shunt magnet ml which is mounted with a pressure coil. It consists of two electromagnets. The basic working of single phase induction type energy meter is only focused on two mechanisms: Mechanism of rotation of an aluminum disc which. Induction type of energy meters are universally used for the measurement of energy in domestic and. Induction Type Energy Meter Diagram.
From learning-33.blogspot.com
Induction type Instrument Induction Type Energymeter Advantages Induction Type Energy Meter Diagram The meter consists of four major parts namely, driving system. It consists of two electromagnets. The working principle and construction of an induction type meter are simple and easy to understand, making them popular for measuring energy in homes and industries. One magnet is called the shunt magnet ml which is mounted with a pressure coil. Mechanism of rotation of. Induction Type Energy Meter Diagram.
From www.youtube.com
energy meter energy meter working principle single phase induction Induction Type Energy Meter Diagram One magnet is called the shunt magnet ml which is mounted with a pressure coil. The meter consists of four major parts namely, driving system. Induction type of energy meters are universally used for the measurement of energy in domestic and industrial ac. The working principle and construction of an induction type meter are simple and easy to understand, making. Induction Type Energy Meter Diagram.
From suryaprakashseee.blogspot.com
Induction type Energy Meter Induction Type Energy Meter Diagram It consists of two electromagnets. Mechanism of rotation of an aluminum disc which. The working principle and construction of an induction type meter are simple and easy to understand, making them popular for measuring energy in homes and industries. The meter consists of four major parts namely, driving system. Induction type of energy meters are universally used for the measurement. Induction Type Energy Meter Diagram.
From www.slideshare.net
Single Phase Induction Type Energy Meter Induction Type Energy Meter Diagram Induction type of energy meters are universally used for the measurement of energy in domestic and industrial ac. One magnet is called the shunt magnet ml which is mounted with a pressure coil. It consists of two electromagnets. The meter consists of four major parts namely, driving system. Mechanism of rotation of an aluminum disc which. The working principle and. Induction Type Energy Meter Diagram.
From mavink.com
1 Phase Energy Meter Diagram Induction Type Energy Meter Diagram The meter consists of four major parts namely, driving system. The basic working of single phase induction type energy meter is only focused on two mechanisms: The working principle and construction of an induction type meter are simple and easy to understand, making them popular for measuring energy in homes and industries. Induction type of energy meters are universally used. Induction Type Energy Meter Diagram.
From www.slideshare.net
Induction type measuring instrument (energy meter) Induction Type Energy Meter Diagram The meter consists of four major parts namely, driving system. The basic working of single phase induction type energy meter is only focused on two mechanisms: Induction type of energy meters are universally used for the measurement of energy in domestic and industrial ac. One magnet is called the shunt magnet ml which is mounted with a pressure coil. The. Induction Type Energy Meter Diagram.
From www.circuitdiagram.co
Single Phase Induction Type Energy Meter Circuit Diagram Circuit Diagram Induction Type Energy Meter Diagram The working principle and construction of an induction type meter are simple and easy to understand, making them popular for measuring energy in homes and industries. It consists of two electromagnets. Induction type of energy meters are universally used for the measurement of energy in domestic and industrial ac. The basic working of single phase induction type energy meter is. Induction Type Energy Meter Diagram.
From engineeringwrittennotes.blogspot.com
Engineering Notes Single phase induction type energy meter Induction Type Energy Meter Diagram The basic working of single phase induction type energy meter is only focused on two mechanisms: The working principle and construction of an induction type meter are simple and easy to understand, making them popular for measuring energy in homes and industries. Induction type of energy meters are universally used for the measurement of energy in domestic and industrial ac.. Induction Type Energy Meter Diagram.
From schematicriggings.z14.web.core.windows.net
Diagram Of Energy Meter Induction Type Energy Meter Diagram The working principle and construction of an induction type meter are simple and easy to understand, making them popular for measuring energy in homes and industries. Induction type of energy meters are universally used for the measurement of energy in domestic and industrial ac. One magnet is called the shunt magnet ml which is mounted with a pressure coil. It. Induction Type Energy Meter Diagram.