Do I Need Amplifier For Car Speakers .   installing aftermarket car speakers.   obviously, you don’t want to amplify the factory speakers.   replacing your car's speakers and adding an amplifier are the best ways to improve sound quality. Start by selecting speakers for your car. Then i will show you how to match an amplifier with your speakers in terms. Make sure to pick speakers that fit your needs and will fit your.   this article will detail what an amplifier is and why you need one for your car audio system, describing its various benefits. They might have a low. Do you need an amp for door speakers. An amp can power door speakers, but it is not an essential factor. In most cases, the speakers are just about.
        
        from guidepartacariasis.z19.web.core.windows.net 
     
        
        Then i will show you how to match an amplifier with your speakers in terms. In most cases, the speakers are just about. They might have a low.   replacing your car's speakers and adding an amplifier are the best ways to improve sound quality.   installing aftermarket car speakers. An amp can power door speakers, but it is not an essential factor. Do you need an amp for door speakers. Make sure to pick speakers that fit your needs and will fit your.   this article will detail what an amplifier is and why you need one for your car audio system, describing its various benefits.   obviously, you don’t want to amplify the factory speakers.
    
    	
            
	
		 
         
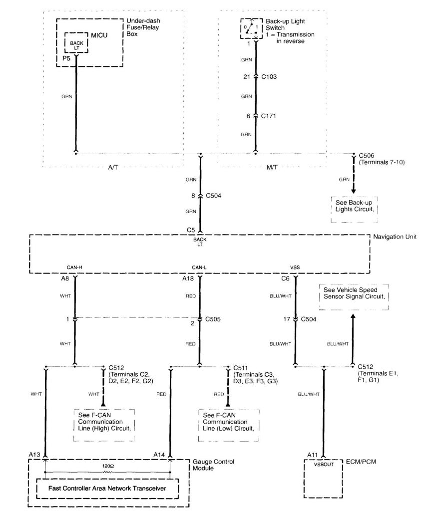
    Acura Tl Head Unit Wiring Diagram 
    Do I Need Amplifier For Car Speakers  They might have a low.   replacing your car's speakers and adding an amplifier are the best ways to improve sound quality. Make sure to pick speakers that fit your needs and will fit your.   this article will detail what an amplifier is and why you need one for your car audio system, describing its various benefits. In most cases, the speakers are just about. Start by selecting speakers for your car.   obviously, you don’t want to amplify the factory speakers. They might have a low. Then i will show you how to match an amplifier with your speakers in terms.   installing aftermarket car speakers. Do you need an amp for door speakers. An amp can power door speakers, but it is not an essential factor.
            
	
		 
         
 
    
        From guideparttimeworn.z21.web.core.windows.net 
                    Connecting Speaker Diagram Car Amp Do I Need Amplifier For Car Speakers    installing aftermarket car speakers. Do you need an amp for door speakers.   this article will detail what an amplifier is and why you need one for your car audio system, describing its various benefits. They might have a low. In most cases, the speakers are just about. Then i will show you how to match an amplifier with. Do I Need Amplifier For Car Speakers.
     
    
        From guidepartacariasis.z19.web.core.windows.net 
                    Acura Tl Head Unit Wiring Diagram Do I Need Amplifier For Car Speakers  In most cases, the speakers are just about.   obviously, you don’t want to amplify the factory speakers. Do you need an amp for door speakers.   installing aftermarket car speakers. An amp can power door speakers, but it is not an essential factor.   replacing your car's speakers and adding an amplifier are the best ways to improve sound. Do I Need Amplifier For Car Speakers.
     
    
        From caraudioamplified.com 
                    CT Sounds Dual 12” 2600W Loaded Tropo Series Ported Car Subw… Car Do I Need Amplifier For Car Speakers  They might have a low. Do you need an amp for door speakers.   this article will detail what an amplifier is and why you need one for your car audio system, describing its various benefits. In most cases, the speakers are just about. Start by selecting speakers for your car. An amp can power door speakers, but it is. Do I Need Amplifier For Car Speakers.
     
    
        From guidemanualcoset.z21.web.core.windows.net 
                    Car Subwoofer Wiring Diagram Do I Need Amplifier For Car Speakers    installing aftermarket car speakers. Do you need an amp for door speakers.   this article will detail what an amplifier is and why you need one for your car audio system, describing its various benefits.   replacing your car's speakers and adding an amplifier are the best ways to improve sound quality. Make sure to pick speakers that fit. Do I Need Amplifier For Car Speakers.
     
    
        From www.pinterest.com 
                    4 Channel Amp Wiring schematic and wiring diagram in 2020 Car audio Do I Need Amplifier For Car Speakers    obviously, you don’t want to amplify the factory speakers. An amp can power door speakers, but it is not an essential factor. Make sure to pick speakers that fit your needs and will fit your. Start by selecting speakers for your car. Then i will show you how to match an amplifier with your speakers in terms.   this. Do I Need Amplifier For Car Speakers.
     
    
        From diagrampartenclosures.z19.web.core.windows.net 
                    Wire Requirements For 50 Amp Circuit Do I Need Amplifier For Car Speakers  In most cases, the speakers are just about. Start by selecting speakers for your car.   replacing your car's speakers and adding an amplifier are the best ways to improve sound quality. Make sure to pick speakers that fit your needs and will fit your.   this article will detail what an amplifier is and why you need one for. Do I Need Amplifier For Car Speakers.
     
    
        From diagrampartenclosures.z19.web.core.windows.net 
                    Wire Requirements For 50 Amp Circuit Do I Need Amplifier For Car Speakers    installing aftermarket car speakers.   replacing your car's speakers and adding an amplifier are the best ways to improve sound quality. Start by selecting speakers for your car. They might have a low.   obviously, you don’t want to amplify the factory speakers. Make sure to pick speakers that fit your needs and will fit your.   this article. Do I Need Amplifier For Car Speakers.
     
    
        From schematicdataedward.z13.web.core.windows.net 
                    Double Runs Wiring Car Audio Do I Need Amplifier For Car Speakers  In most cases, the speakers are just about. Make sure to pick speakers that fit your needs and will fit your. An amp can power door speakers, but it is not an essential factor.   obviously, you don’t want to amplify the factory speakers. Then i will show you how to match an amplifier with your speakers in terms. . Do I Need Amplifier For Car Speakers.
     
    
        From circuitlibjill.z21.web.core.windows.net 
                    2008 Infiniti Speaker Wiring Diagrams Do I Need Amplifier For Car Speakers  Then i will show you how to match an amplifier with your speakers in terms.   installing aftermarket car speakers. An amp can power door speakers, but it is not an essential factor. Make sure to pick speakers that fit your needs and will fit your. In most cases, the speakers are just about. They might have a low. Start. Do I Need Amplifier For Car Speakers.
     
    
        From guidedbtracy.z21.web.core.windows.net 
                    Car Audio Electronic Crossover Do I Need Amplifier For Car Speakers    installing aftermarket car speakers.   this article will detail what an amplifier is and why you need one for your car audio system, describing its various benefits. An amp can power door speakers, but it is not an essential factor. They might have a low. In most cases, the speakers are just about. Then i will show you how. Do I Need Amplifier For Car Speakers.
     
    
        From guidemanualcoset.z21.web.core.windows.net 
                    Car Audio Wiring Diagram Software Do I Need Amplifier For Car Speakers  Make sure to pick speakers that fit your needs and will fit your. An amp can power door speakers, but it is not an essential factor. Start by selecting speakers for your car.   replacing your car's speakers and adding an amplifier are the best ways to improve sound quality.   obviously, you don’t want to amplify the factory speakers.. Do I Need Amplifier For Car Speakers.
     
    
        From speakerf.com 
                    Do You Need an Amplifier for Speakers Speakers Resources Do I Need Amplifier For Car Speakers  Start by selecting speakers for your car. Make sure to pick speakers that fit your needs and will fit your.   obviously, you don’t want to amplify the factory speakers.   replacing your car's speakers and adding an amplifier are the best ways to improve sound quality. Do you need an amp for door speakers. They might have a low.. Do I Need Amplifier For Car Speakers.
     
    
        From circuitdiagramleland.z21.web.core.windows.net 
                    1990 Mustang Radio Wiring Diagram Do I Need Amplifier For Car Speakers    replacing your car's speakers and adding an amplifier are the best ways to improve sound quality. Make sure to pick speakers that fit your needs and will fit your. Then i will show you how to match an amplifier with your speakers in terms.   installing aftermarket car speakers. Do you need an amp for door speakers. Start by. Do I Need Amplifier For Car Speakers.
     
    
        From diagramlistneafes.z21.web.core.windows.net 
                    General Stereo Wiring Diagram Do I Need Amplifier For Car Speakers  They might have a low. Then i will show you how to match an amplifier with your speakers in terms.   this article will detail what an amplifier is and why you need one for your car audio system, describing its various benefits. Do you need an amp for door speakers.   obviously, you don’t want to amplify the factory. Do I Need Amplifier For Car Speakers.
     
    
        From wirelistenergizes.z19.web.core.windows.net 
                    Cadillac Amp Output Wire Diagram Do I Need Amplifier For Car Speakers  In most cases, the speakers are just about.   this article will detail what an amplifier is and why you need one for your car audio system, describing its various benefits. Do you need an amp for door speakers. Make sure to pick speakers that fit your needs and will fit your.   installing aftermarket car speakers. Start by selecting. Do I Need Amplifier For Car Speakers.
     
    
        From www.amazon.com 
                    DS18 Car Audio Door Speaker Combo with Amplifier 4 x 6.5 Do I Need Amplifier For Car Speakers    replacing your car's speakers and adding an amplifier are the best ways to improve sound quality. In most cases, the speakers are just about. Start by selecting speakers for your car. Do you need an amp for door speakers. Then i will show you how to match an amplifier with your speakers in terms.   obviously, you don’t want. Do I Need Amplifier For Car Speakers.
     
    
        From guidepartspacesuit.z19.web.core.windows.net 
                    Wiring 3 Dvc 2 Ohm Subs Do I Need Amplifier For Car Speakers  In most cases, the speakers are just about. Start by selecting speakers for your car.   this article will detail what an amplifier is and why you need one for your car audio system, describing its various benefits. Then i will show you how to match an amplifier with your speakers in terms.   replacing your car's speakers and adding. Do I Need Amplifier For Car Speakers.
     
    
        From manualengineterry.z1.web.core.windows.net 
                    1998 Chevy Stereo Wiring Diagram Do I Need Amplifier For Car Speakers  Start by selecting speakers for your car.   obviously, you don’t want to amplify the factory speakers.   installing aftermarket car speakers. An amp can power door speakers, but it is not an essential factor. Do you need an amp for door speakers.   this article will detail what an amplifier is and why you need one for your car. Do I Need Amplifier For Car Speakers.
     
    
        From 5core.com 
                    Industrial 5 Core Do I Need Amplifier For Car Speakers    replacing your car's speakers and adding an amplifier are the best ways to improve sound quality. Then i will show you how to match an amplifier with your speakers in terms. In most cases, the speakers are just about.   installing aftermarket car speakers. Make sure to pick speakers that fit your needs and will fit your. They might. Do I Need Amplifier For Car Speakers.
     
    
        From manuallistleblanc.z13.web.core.windows.net 
                    Car Amp Capacitor Wiring Do I Need Amplifier For Car Speakers  In most cases, the speakers are just about. Make sure to pick speakers that fit your needs and will fit your.   installing aftermarket car speakers.   this article will detail what an amplifier is and why you need one for your car audio system, describing its various benefits.   replacing your car's speakers and adding an amplifier are the. Do I Need Amplifier For Car Speakers.
     
    
        From wiringdbdelia.z19.web.core.windows.net 
                    Clarion Vrx815 Stereo Wiring Diagrams Do I Need Amplifier For Car Speakers    this article will detail what an amplifier is and why you need one for your car audio system, describing its various benefits.   replacing your car's speakers and adding an amplifier are the best ways to improve sound quality. Then i will show you how to match an amplifier with your speakers in terms. They might have a low.. Do I Need Amplifier For Car Speakers.
     
    
        From repairfixweisz77.z1.web.core.windows.net 
                    Infiniti Radio Wiring Diagrams Do I Need Amplifier For Car Speakers  Do you need an amp for door speakers.   replacing your car's speakers and adding an amplifier are the best ways to improve sound quality. In most cases, the speakers are just about.   obviously, you don’t want to amplify the factory speakers. Make sure to pick speakers that fit your needs and will fit your. They might have a. Do I Need Amplifier For Car Speakers.
     
    
        From mysoundsonic.com 
                    Do Powered Speakers Need an Amplifier? Do I Need Amplifier For Car Speakers  Do you need an amp for door speakers. Start by selecting speakers for your car.   this article will detail what an amplifier is and why you need one for your car audio system, describing its various benefits. In most cases, the speakers are just about. Then i will show you how to match an amplifier with your speakers in. Do I Need Amplifier For Car Speakers.
     
    
        From enginefixpablo.z19.web.core.windows.net 
                    Car Audio System Wiring Do I Need Amplifier For Car Speakers  Then i will show you how to match an amplifier with your speakers in terms. An amp can power door speakers, but it is not an essential factor. They might have a low.   installing aftermarket car speakers.   replacing your car's speakers and adding an amplifier are the best ways to improve sound quality. Do you need an amp. Do I Need Amplifier For Car Speakers.
     
    
        From userwiringclifton.z6.web.core.windows.net 
                    Car Amplifier Installation Guide Do I Need Amplifier For Car Speakers    replacing your car's speakers and adding an amplifier are the best ways to improve sound quality. In most cases, the speakers are just about. They might have a low. Then i will show you how to match an amplifier with your speakers in terms. Make sure to pick speakers that fit your needs and will fit your.   installing. Do I Need Amplifier For Car Speakers.
     
    
        From schematiclibjeanete.z21.web.core.windows.net 
                    How To Read Car Stereo Wiring Diagrams Do I Need Amplifier For Car Speakers  In most cases, the speakers are just about. Make sure to pick speakers that fit your needs and will fit your.   installing aftermarket car speakers. They might have a low.   this article will detail what an amplifier is and why you need one for your car audio system, describing its various benefits. Then i will show you how. Do I Need Amplifier For Car Speakers.
     
    
        From www.reddit.com 
                    Concrete turntable diy r/diyaudio Do I Need Amplifier For Car Speakers    this article will detail what an amplifier is and why you need one for your car audio system, describing its various benefits.   replacing your car's speakers and adding an amplifier are the best ways to improve sound quality. In most cases, the speakers are just about. Then i will show you how to match an amplifier with your. Do I Need Amplifier For Car Speakers.
     
    
        From manualmanualclarissa.z21.web.core.windows.net 
                    Infinity Car Stereo Wiring Diagram Do I Need Amplifier For Car Speakers    installing aftermarket car speakers.   obviously, you don’t want to amplify the factory speakers.   this article will detail what an amplifier is and why you need one for your car audio system, describing its various benefits. Then i will show you how to match an amplifier with your speakers in terms.   replacing your car's speakers and adding. Do I Need Amplifier For Car Speakers.