Jet Vac Pool Cleaner Troubleshooting .  your cleaner vacuums and traps fine dirt and large debris internally, reducing the work load from your pool’s filtration system. Large amounts of pebbles, grit and sand can damage the.  like any part of your pool equipment arsenal, pool cleaners malfunction from time to time. Large amounts of grit or sand will damage wheel bearings. This post covers the solutions to common suction side,.
        
        from intheswim.com 
     
        
        Large amounts of grit or sand will damage wheel bearings. Large amounts of pebbles, grit and sand can damage the. This post covers the solutions to common suction side,.  your cleaner vacuums and traps fine dirt and large debris internally, reducing the work load from your pool’s filtration system.  like any part of your pool equipment arsenal, pool cleaners malfunction from time to time.
    
    	
            
	
		 
         
    Parts For Pentair Letro Jet Vac Pool Cleaners Letro Jet Vac Parts In The Swim 
    Jet Vac Pool Cleaner Troubleshooting  Large amounts of pebbles, grit and sand can damage the.  your cleaner vacuums and traps fine dirt and large debris internally, reducing the work load from your pool’s filtration system. Large amounts of grit or sand will damage wheel bearings.  like any part of your pool equipment arsenal, pool cleaners malfunction from time to time. This post covers the solutions to common suction side,. Large amounts of pebbles, grit and sand can damage the.
            
	
		 
         
 
    
        From www.lazada.com.ph 
                    Pool jet vacuum tip cleaning kit Lazada PH Jet Vac Pool Cleaner Troubleshooting   your cleaner vacuums and traps fine dirt and large debris internally, reducing the work load from your pool’s filtration system. This post covers the solutions to common suction side,.  like any part of your pool equipment arsenal, pool cleaners malfunction from time to time. Large amounts of pebbles, grit and sand can damage the. Large amounts of grit. Jet Vac Pool Cleaner Troubleshooting.
     
    
        From www.amazon.co.uk 
                    Modonghua Swimming Pool Jet Vacuum Cleaner Portable Mini Jet Underwater Cleaner with 5 Section Jet Vac Pool Cleaner Troubleshooting  Large amounts of grit or sand will damage wheel bearings. This post covers the solutions to common suction side,.  like any part of your pool equipment arsenal, pool cleaners malfunction from time to time. Large amounts of pebbles, grit and sand can damage the.  your cleaner vacuums and traps fine dirt and large debris internally, reducing the work. Jet Vac Pool Cleaner Troubleshooting.
     
    
        From www.ebay.com.au 
                    Jetvac / Jet Vac Pressure Pool Cleaner Head and Hose LJV 101 Aqua Quip eBay Jet Vac Pool Cleaner Troubleshooting   like any part of your pool equipment arsenal, pool cleaners malfunction from time to time. Large amounts of grit or sand will damage wheel bearings. Large amounts of pebbles, grit and sand can damage the.  your cleaner vacuums and traps fine dirt and large debris internally, reducing the work load from your pool’s filtration system. This post covers. Jet Vac Pool Cleaner Troubleshooting.
     
    
        From www.pacificpool.com.au 
                    AquaQuip JETVAC Pool Cleaner Jet Vac Pool Cleaner Troubleshooting  Large amounts of grit or sand will damage wheel bearings.  your cleaner vacuums and traps fine dirt and large debris internally, reducing the work load from your pool’s filtration system.  like any part of your pool equipment arsenal, pool cleaners malfunction from time to time. This post covers the solutions to common suction side,. Large amounts of pebbles,. Jet Vac Pool Cleaner Troubleshooting.
     
    
        From www.poolzoom.com 
                    Letro Jet Vac JV105 Cleaner Parts Jet Vac Pool Cleaner Troubleshooting  Large amounts of pebbles, grit and sand can damage the.  your cleaner vacuums and traps fine dirt and large debris internally, reducing the work load from your pool’s filtration system.  like any part of your pool equipment arsenal, pool cleaners malfunction from time to time. Large amounts of grit or sand will damage wheel bearings. This post covers. Jet Vac Pool Cleaner Troubleshooting.
     
    
        From ciudaddelmaizslp.gob.mx 
                    Intex Intex Cleaning Maintenance Swimming Pool Kit With Vacuum Skimmer And Pole (2 Pack) In The Jet Vac Pool Cleaner Troubleshooting  Large amounts of pebbles, grit and sand can damage the. This post covers the solutions to common suction side,.  like any part of your pool equipment arsenal, pool cleaners malfunction from time to time. Large amounts of grit or sand will damage wheel bearings.  your cleaner vacuums and traps fine dirt and large debris internally, reducing the work. Jet Vac Pool Cleaner Troubleshooting.
     
    
        From poolchemicalcalculator.com 
                    Troubleshooting Suction Side Pool Vacuum Cleaners A Guide to Diagnosing and Fixing Common Jet Vac Pool Cleaner Troubleshooting  This post covers the solutions to common suction side,.  like any part of your pool equipment arsenal, pool cleaners malfunction from time to time. Large amounts of pebbles, grit and sand can damage the.  your cleaner vacuums and traps fine dirt and large debris internally, reducing the work load from your pool’s filtration system. Large amounts of grit. Jet Vac Pool Cleaner Troubleshooting.
     
    
        From justpools.com.au 
                    Jet Vac Pool Cleaner Propellor Just Pools and Spas Jet Vac Pool Cleaner Troubleshooting   like any part of your pool equipment arsenal, pool cleaners malfunction from time to time. Large amounts of grit or sand will damage wheel bearings. This post covers the solutions to common suction side,.  your cleaner vacuums and traps fine dirt and large debris internally, reducing the work load from your pool’s filtration system. Large amounts of pebbles,. Jet Vac Pool Cleaner Troubleshooting.
     
    
        From poolshop.com.au 
                    Jet Vac Pool Cleaner New Graphite Colour for dark pools Pool Shop Australia Jet Vac Pool Cleaner Troubleshooting  This post covers the solutions to common suction side,.  your cleaner vacuums and traps fine dirt and large debris internally, reducing the work load from your pool’s filtration system. Large amounts of pebbles, grit and sand can damage the. Large amounts of grit or sand will damage wheel bearings.  like any part of your pool equipment arsenal, pool. Jet Vac Pool Cleaner Troubleshooting.
     
    
        From intheswim.com 
                    Parts For Pentair Letro Jet Vac Pool Cleaners Letro Jet Vac Parts In The Swim Jet Vac Pool Cleaner Troubleshooting  Large amounts of pebbles, grit and sand can damage the. Large amounts of grit or sand will damage wheel bearings. This post covers the solutions to common suction side,.  your cleaner vacuums and traps fine dirt and large debris internally, reducing the work load from your pool’s filtration system.  like any part of your pool equipment arsenal, pool. Jet Vac Pool Cleaner Troubleshooting.
     
    
        From www.epools.com.au 
                    JetVac PRO PLUS Cleaner Flow On Timer Controller Epools Pool Shop Jet Vac Pool Cleaner Troubleshooting   like any part of your pool equipment arsenal, pool cleaners malfunction from time to time. Large amounts of grit or sand will damage wheel bearings. Large amounts of pebbles, grit and sand can damage the.  your cleaner vacuums and traps fine dirt and large debris internally, reducing the work load from your pool’s filtration system. This post covers. Jet Vac Pool Cleaner Troubleshooting.
     
    
        From icdsc.org 
                    Pool Vacuum Troubleshooting A Definitive Guide Jet Vac Pool Cleaner Troubleshooting   your cleaner vacuums and traps fine dirt and large debris internally, reducing the work load from your pool’s filtration system. Large amounts of grit or sand will damage wheel bearings. This post covers the solutions to common suction side,. Large amounts of pebbles, grit and sand can damage the.  like any part of your pool equipment arsenal, pool. Jet Vac Pool Cleaner Troubleshooting.
     
    
        From swimart.com.au 
                    JetVac Pressure Pool Cleaner Swimart Pool & spa care. Jet Vac Pool Cleaner Troubleshooting   your cleaner vacuums and traps fine dirt and large debris internally, reducing the work load from your pool’s filtration system. Large amounts of grit or sand will damage wheel bearings.  like any part of your pool equipment arsenal, pool cleaners malfunction from time to time. Large amounts of pebbles, grit and sand can damage the. This post covers. Jet Vac Pool Cleaner Troubleshooting.
     
    
        From www.splashsupercenter.com 
                    Jet Vac Kit with 5' Pole Pool Cleaners Splash Super Center Jet Vac Pool Cleaner Troubleshooting   your cleaner vacuums and traps fine dirt and large debris internally, reducing the work load from your pool’s filtration system. This post covers the solutions to common suction side,. Large amounts of grit or sand will damage wheel bearings.  like any part of your pool equipment arsenal, pool cleaners malfunction from time to time. Large amounts of pebbles,. Jet Vac Pool Cleaner Troubleshooting.
     
    
        From www.poolshop.com.au 
                    Jetvac Pressure Pool Cleaner Pressure Pool Cleaner Pool Shop Australia Discounted Pool Jet Vac Pool Cleaner Troubleshooting  This post covers the solutions to common suction side,.  your cleaner vacuums and traps fine dirt and large debris internally, reducing the work load from your pool’s filtration system. Large amounts of pebbles, grit and sand can damage the. Large amounts of grit or sand will damage wheel bearings.  like any part of your pool equipment arsenal, pool. Jet Vac Pool Cleaner Troubleshooting.
     
    
        From www.amazon.com 
                    U.S. Pool Supply Deluxe Swimming Pool Maintenance Kit with Deluxe Jet Vacuum, 16 Jet Vac Pool Cleaner Troubleshooting   your cleaner vacuums and traps fine dirt and large debris internally, reducing the work load from your pool’s filtration system. This post covers the solutions to common suction side,.  like any part of your pool equipment arsenal, pool cleaners malfunction from time to time. Large amounts of pebbles, grit and sand can damage the. Large amounts of grit. Jet Vac Pool Cleaner Troubleshooting.
     
    
        From abovegroundpools.org 
                    Pool Jets Not Working? Here’s How to Troubleshoot Them Above Ground Pools Jet Vac Pool Cleaner Troubleshooting  Large amounts of grit or sand will damage wheel bearings.  your cleaner vacuums and traps fine dirt and large debris internally, reducing the work load from your pool’s filtration system.  like any part of your pool equipment arsenal, pool cleaners malfunction from time to time. This post covers the solutions to common suction side,. Large amounts of pebbles,. Jet Vac Pool Cleaner Troubleshooting.
     
    
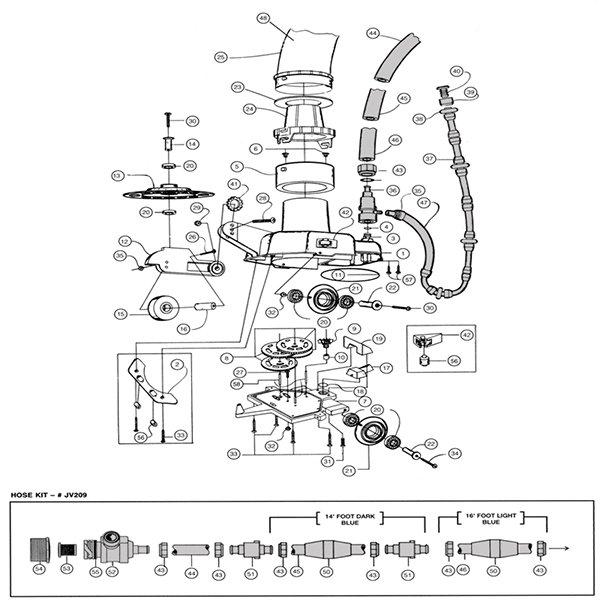
        From stewart-switch.com 
                    Jet Vac Parts Diagram Jet Vac Pool Cleaner Troubleshooting  Large amounts of grit or sand will damage wheel bearings.  your cleaner vacuums and traps fine dirt and large debris internally, reducing the work load from your pool’s filtration system. Large amounts of pebbles, grit and sand can damage the.  like any part of your pool equipment arsenal, pool cleaners malfunction from time to time. This post covers. Jet Vac Pool Cleaner Troubleshooting.
     
    
        From www.epools.com.au 
                    Jet Vac Pool Cleaner Platinum Pump Flow Control Timer Epools Pool Shop Jet Vac Pool Cleaner Troubleshooting   your cleaner vacuums and traps fine dirt and large debris internally, reducing the work load from your pool’s filtration system. This post covers the solutions to common suction side,. Large amounts of grit or sand will damage wheel bearings.  like any part of your pool equipment arsenal, pool cleaners malfunction from time to time. Large amounts of pebbles,. Jet Vac Pool Cleaner Troubleshooting.
     
    
        From www.ezhottubs.com 
                    Polaris VacSweep 360 Pressure Inground Pool Cleaner, Triple Jet Powered with a Single Chamber Jet Vac Pool Cleaner Troubleshooting  Large amounts of pebbles, grit and sand can damage the. This post covers the solutions to common suction side,. Large amounts of grit or sand will damage wheel bearings.  like any part of your pool equipment arsenal, pool cleaners malfunction from time to time.  your cleaner vacuums and traps fine dirt and large debris internally, reducing the work. Jet Vac Pool Cleaner Troubleshooting.
     
    
        From www.walmart.com 
                    Willstar Swimming Pool Vacuum Jet Kit with Brush, Vacuum Underwater Cleaner with 5 Section Poles Jet Vac Pool Cleaner Troubleshooting   your cleaner vacuums and traps fine dirt and large debris internally, reducing the work load from your pool’s filtration system. Large amounts of grit or sand will damage wheel bearings. This post covers the solutions to common suction side,. Large amounts of pebbles, grit and sand can damage the.  like any part of your pool equipment arsenal, pool. Jet Vac Pool Cleaner Troubleshooting.
     
    
        From www.youtube.com 
                    Hayward Pool Vac XL (Navigator) Tips & Troubleshooting YouTube Jet Vac Pool Cleaner Troubleshooting  Large amounts of pebbles, grit and sand can damage the. This post covers the solutions to common suction side,.  like any part of your pool equipment arsenal, pool cleaners malfunction from time to time.  your cleaner vacuums and traps fine dirt and large debris internally, reducing the work load from your pool’s filtration system. Large amounts of grit. Jet Vac Pool Cleaner Troubleshooting.
     
    
        From www.amazon.co.uk 
                    Geoyien Pool Vacuum Cleaner, Pool Cleaner, Pool Vacuum, Swimming Pool Cleaning Tool, No Jet Vac Pool Cleaner Troubleshooting  Large amounts of grit or sand will damage wheel bearings.  like any part of your pool equipment arsenal, pool cleaners malfunction from time to time. Large amounts of pebbles, grit and sand can damage the.  your cleaner vacuums and traps fine dirt and large debris internally, reducing the work load from your pool’s filtration system. This post covers. Jet Vac Pool Cleaner Troubleshooting.
     
    
        From www.epools.com.au 
                    Jet Vac Pool Cleaner Platinum Pump Flow Control Timer Epools Pool Shop Jet Vac Pool Cleaner Troubleshooting   like any part of your pool equipment arsenal, pool cleaners malfunction from time to time. This post covers the solutions to common suction side,. Large amounts of pebbles, grit and sand can damage the. Large amounts of grit or sand will damage wheel bearings.  your cleaner vacuums and traps fine dirt and large debris internally, reducing the work. Jet Vac Pool Cleaner Troubleshooting.
     
    
        From manualzz.com 
                    JetVac Installation Guide Manual Manualzz Jet Vac Pool Cleaner Troubleshooting   like any part of your pool equipment arsenal, pool cleaners malfunction from time to time. This post covers the solutions to common suction side,. Large amounts of grit or sand will damage wheel bearings.  your cleaner vacuums and traps fine dirt and large debris internally, reducing the work load from your pool’s filtration system. Large amounts of pebbles,. Jet Vac Pool Cleaner Troubleshooting.
     
    
        From www.splashsupercenter.com 
                    Jet Vac Kit with 5' Pole Pool Cleaners Splash Super Center Jet Vac Pool Cleaner Troubleshooting   like any part of your pool equipment arsenal, pool cleaners malfunction from time to time. Large amounts of pebbles, grit and sand can damage the. This post covers the solutions to common suction side,.  your cleaner vacuums and traps fine dirt and large debris internally, reducing the work load from your pool’s filtration system. Large amounts of grit. Jet Vac Pool Cleaner Troubleshooting.
     
    
        From www.poolsuppliescanada.ca 
                    Jet Vac Spa and Small Pool Cleaner Pool Supplies Canada Jet Vac Pool Cleaner Troubleshooting  Large amounts of pebbles, grit and sand can damage the.  your cleaner vacuums and traps fine dirt and large debris internally, reducing the work load from your pool’s filtration system. Large amounts of grit or sand will damage wheel bearings.  like any part of your pool equipment arsenal, pool cleaners malfunction from time to time. This post covers. Jet Vac Pool Cleaner Troubleshooting.
     
    
        From swimart.com.au 
                    JetVac Pressure Pool Cleaner Swimart Pool & spa care. Jet Vac Pool Cleaner Troubleshooting  Large amounts of grit or sand will damage wheel bearings.  like any part of your pool equipment arsenal, pool cleaners malfunction from time to time. This post covers the solutions to common suction side,.  your cleaner vacuums and traps fine dirt and large debris internally, reducing the work load from your pool’s filtration system. Large amounts of pebbles,. Jet Vac Pool Cleaner Troubleshooting.
     
    
        From www.swimuniversity.com 
                    How to Vacuum Your Pool Super Quick Jet Vac Pool Cleaner Troubleshooting   your cleaner vacuums and traps fine dirt and large debris internally, reducing the work load from your pool’s filtration system. Large amounts of pebbles, grit and sand can damage the. Large amounts of grit or sand will damage wheel bearings. This post covers the solutions to common suction side,.  like any part of your pool equipment arsenal, pool. Jet Vac Pool Cleaner Troubleshooting.
     
    
        From www.inyopools.com 
                    Pentair Letro Jet Vac Cleaner Without Pump JV105 Jet Vac Pool Cleaner Troubleshooting  Large amounts of grit or sand will damage wheel bearings.  like any part of your pool equipment arsenal, pool cleaners malfunction from time to time. Large amounts of pebbles, grit and sand can damage the. This post covers the solutions to common suction side,.  your cleaner vacuums and traps fine dirt and large debris internally, reducing the work. Jet Vac Pool Cleaner Troubleshooting.
     
    
        From www.amazon.co.uk 
                    Hot Tub Vacuum Cleaner Portable Pool Vacuum Jet Cleaner Pool Cleaning Accessories for Pool Spa Jet Vac Pool Cleaner Troubleshooting   like any part of your pool equipment arsenal, pool cleaners malfunction from time to time. Large amounts of grit or sand will damage wheel bearings.  your cleaner vacuums and traps fine dirt and large debris internally, reducing the work load from your pool’s filtration system. This post covers the solutions to common suction side,. Large amounts of pebbles,. Jet Vac Pool Cleaner Troubleshooting.
     
    
        From www.cleanmypool.co.za 
                    The DIY Guide to Automatic Pool Cleaner troubleshooting — Clean My Pool Jet Vac Pool Cleaner Troubleshooting   like any part of your pool equipment arsenal, pool cleaners malfunction from time to time. Large amounts of grit or sand will damage wheel bearings. This post covers the solutions to common suction side,.  your cleaner vacuums and traps fine dirt and large debris internally, reducing the work load from your pool’s filtration system. Large amounts of pebbles,. Jet Vac Pool Cleaner Troubleshooting.
     
    
        From www.amazon.com 
                    POOLAZA Upgrade Portable Pool Vacuum Jet Underwater Cleaner with Brush & 56" Pole Jet Vac Pool Cleaner Troubleshooting   like any part of your pool equipment arsenal, pool cleaners malfunction from time to time. This post covers the solutions to common suction side,. Large amounts of pebbles, grit and sand can damage the.  your cleaner vacuums and traps fine dirt and large debris internally, reducing the work load from your pool’s filtration system. Large amounts of grit. Jet Vac Pool Cleaner Troubleshooting.
     
    
        From www.alibaba.com 
                    Pool Jet Vacuum Underwater Half Moon Vacuum Head Wit Standard For Easily Clean Swimming Pool Jet Jet Vac Pool Cleaner Troubleshooting   like any part of your pool equipment arsenal, pool cleaners malfunction from time to time.  your cleaner vacuums and traps fine dirt and large debris internally, reducing the work load from your pool’s filtration system. Large amounts of grit or sand will damage wheel bearings. Large amounts of pebbles, grit and sand can damage the. This post covers. Jet Vac Pool Cleaner Troubleshooting.
     
    
        From poolknowledge.net 
                    How To Troubleshoot A Swimming Pool Vacuum Pool Knowledge Jet Vac Pool Cleaner Troubleshooting   like any part of your pool equipment arsenal, pool cleaners malfunction from time to time. Large amounts of grit or sand will damage wheel bearings. Large amounts of pebbles, grit and sand can damage the.  your cleaner vacuums and traps fine dirt and large debris internally, reducing the work load from your pool’s filtration system. This post covers. Jet Vac Pool Cleaner Troubleshooting.