Kodiak 400 Transfer Case Oil . that plug is the engine drain bolt, and the larger front one with the spring and screen stainer is just that. Kodiak 400 offroad vehicle pdf manual download. does anyone know what oil and how many quarts for an oil change? I don’t have an owners manual and i can’t find. 10 nm (1.0 m·kgf, 7 ft·lb) 5. atv's are essential to working on the off grid cabin property, and they are just fun to ride.i haven't been able to find. there is indeed a transfer on this bike. view and download yamaha kodiak 400 owner's manual online. Fill the differential gear case with oil. For a complete oil change remove both to.
from kdi-ppi.com
does anyone know what oil and how many quarts for an oil change? Fill the differential gear case with oil. that plug is the engine drain bolt, and the larger front one with the spring and screen stainer is just that. there is indeed a transfer on this bike. I don’t have an owners manual and i can’t find. For a complete oil change remove both to. 10 nm (1.0 m·kgf, 7 ft·lb) 5. atv's are essential to working on the off grid cabin property, and they are just fun to ride.i haven't been able to find. Kodiak 400 offroad vehicle pdf manual download. view and download yamaha kodiak 400 owner's manual online.
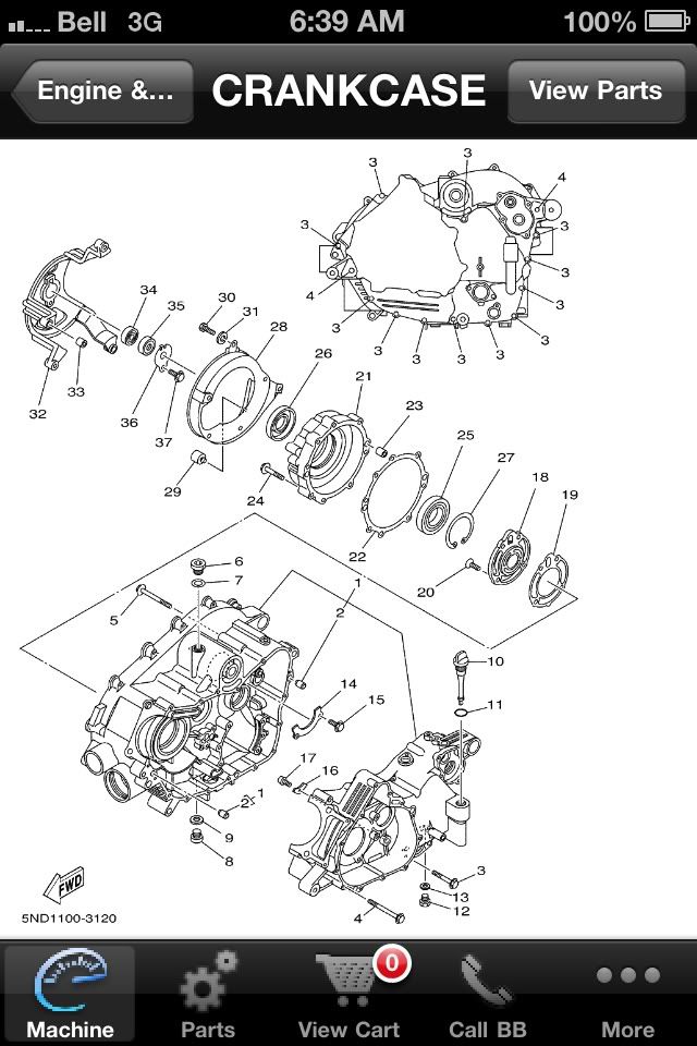
Exploring the Yamaha Kodiak 400 Parts Diagram A Comprehensive Guide
Kodiak 400 Transfer Case Oil does anyone know what oil and how many quarts for an oil change? there is indeed a transfer on this bike. view and download yamaha kodiak 400 owner's manual online. Fill the differential gear case with oil. that plug is the engine drain bolt, and the larger front one with the spring and screen stainer is just that. does anyone know what oil and how many quarts for an oil change? For a complete oil change remove both to. Kodiak 400 offroad vehicle pdf manual download. atv's are essential to working on the off grid cabin property, and they are just fun to ride.i haven't been able to find. 10 nm (1.0 m·kgf, 7 ft·lb) 5. I don’t have an owners manual and i can’t find.
From kodiaktruck.com
0107 Chevy/GMC 261HD Transfer Case Kodiak Truck Kodiak 400 Transfer Case Oil Kodiak 400 offroad vehicle pdf manual download. For a complete oil change remove both to. I don’t have an owners manual and i can’t find. does anyone know what oil and how many quarts for an oil change? view and download yamaha kodiak 400 owner's manual online. there is indeed a transfer on this bike. 10 nm. Kodiak 400 Transfer Case Oil.
From www.youtube.com
how to do an Oil Change kodiak 400 YouTube Kodiak 400 Transfer Case Oil For a complete oil change remove both to. Kodiak 400 offroad vehicle pdf manual download. does anyone know what oil and how many quarts for an oil change? I don’t have an owners manual and i can’t find. Fill the differential gear case with oil. 10 nm (1.0 m·kgf, 7 ft·lb) 5. there is indeed a transfer on. Kodiak 400 Transfer Case Oil.
From belen-bogspotlove.blogspot.com
1996 Yamaha Kodiak 400 4x4 Oil Filter Location Kodiak 400 Transfer Case Oil does anyone know what oil and how many quarts for an oil change? For a complete oil change remove both to. Fill the differential gear case with oil. atv's are essential to working on the off grid cabin property, and they are just fun to ride.i haven't been able to find. Kodiak 400 offroad vehicle pdf manual download.. Kodiak 400 Transfer Case Oil.
From generatorhacks.com.ng
Yamaha Kodiak 400 Oil Capacity Everything You Need To Know Generator Kodiak 400 Transfer Case Oil Kodiak 400 offroad vehicle pdf manual download. Fill the differential gear case with oil. For a complete oil change remove both to. 10 nm (1.0 m·kgf, 7 ft·lb) 5. view and download yamaha kodiak 400 owner's manual online. that plug is the engine drain bolt, and the larger front one with the spring and screen stainer is just. Kodiak 400 Transfer Case Oil.
From www.grizzlycentral.com
Yamaha Grizzly ATV Forum 05 kodiak transfer case questions Kodiak 400 Transfer Case Oil atv's are essential to working on the off grid cabin property, and they are just fun to ride.i haven't been able to find. 10 nm (1.0 m·kgf, 7 ft·lb) 5. I don’t have an owners manual and i can’t find. that plug is the engine drain bolt, and the larger front one with the spring and screen stainer. Kodiak 400 Transfer Case Oil.
From energysecret.web.fc2.com
1995 Yamaha Kodiak 400 4x4 Service Manual Kodiak 400 Transfer Case Oil For a complete oil change remove both to. there is indeed a transfer on this bike. view and download yamaha kodiak 400 owner's manual online. atv's are essential to working on the off grid cabin property, and they are just fun to ride.i haven't been able to find. I don’t have an owners manual and i can’t. Kodiak 400 Transfer Case Oil.
From tdpowersportsonline.com
1997 Yamaha Kodiak 400 Transfer Case TDPowersports Kodiak 400 Transfer Case Oil there is indeed a transfer on this bike. 10 nm (1.0 m·kgf, 7 ft·lb) 5. Kodiak 400 offroad vehicle pdf manual download. atv's are essential to working on the off grid cabin property, and they are just fun to ride.i haven't been able to find. Fill the differential gear case with oil. I don’t have an owners manual. Kodiak 400 Transfer Case Oil.
From www.ebay.com
Oil Drain Plug Cover Screen Filter Set For Yamaha Grizzly 400 450 600 Kodiak 400 Transfer Case Oil atv's are essential to working on the off grid cabin property, and they are just fun to ride.i haven't been able to find. Kodiak 400 offroad vehicle pdf manual download. that plug is the engine drain bolt, and the larger front one with the spring and screen stainer is just that. Fill the differential gear case with oil.. Kodiak 400 Transfer Case Oil.
From www.youtube.com
Yamaha Kodiak 400 Oil Change + Screen Filter Service. YouTube Kodiak 400 Transfer Case Oil For a complete oil change remove both to. Kodiak 400 offroad vehicle pdf manual download. 10 nm (1.0 m·kgf, 7 ft·lb) 5. there is indeed a transfer on this bike. atv's are essential to working on the off grid cabin property, and they are just fun to ride.i haven't been able to find. does anyone know what. Kodiak 400 Transfer Case Oil.
From www.ebay.com
2002 Yamaha Kodiak 400 Outer Engine Motor Converter Cover Transfer Case Kodiak 400 Transfer Case Oil atv's are essential to working on the off grid cabin property, and they are just fun to ride.i haven't been able to find. For a complete oil change remove both to. Fill the differential gear case with oil. Kodiak 400 offroad vehicle pdf manual download. view and download yamaha kodiak 400 owner's manual online. there is indeed. Kodiak 400 Transfer Case Oil.
From schempal.com
2003 Yamaha Kodiak 400 Parts Diagram A Comprehensive Guide to Finding Kodiak 400 Transfer Case Oil there is indeed a transfer on this bike. atv's are essential to working on the off grid cabin property, and they are just fun to ride.i haven't been able to find. that plug is the engine drain bolt, and the larger front one with the spring and screen stainer is just that. I don’t have an owners. Kodiak 400 Transfer Case Oil.
From www.youtube.com
I INSTALL MY NEW KODIAK TRUCKS TRANSFER CASE AND I LOVE IT!! YouTube Kodiak 400 Transfer Case Oil 10 nm (1.0 m·kgf, 7 ft·lb) 5. there is indeed a transfer on this bike. atv's are essential to working on the off grid cabin property, and they are just fun to ride.i haven't been able to find. For a complete oil change remove both to. Kodiak 400 offroad vehicle pdf manual download. view and download yamaha. Kodiak 400 Transfer Case Oil.
From schempal.com
Understanding the Yamaha Kodiak 400 Carb Diagram A Comprehensive Guide Kodiak 400 Transfer Case Oil Fill the differential gear case with oil. there is indeed a transfer on this bike. For a complete oil change remove both to. view and download yamaha kodiak 400 owner's manual online. Kodiak 400 offroad vehicle pdf manual download. does anyone know what oil and how many quarts for an oil change? I don’t have an owners. Kodiak 400 Transfer Case Oil.
From informacionpublica.svet.gob.gt
How To Do An Oil Change Kodiak 400 Kodiak 400 Transfer Case Oil view and download yamaha kodiak 400 owner's manual online. 10 nm (1.0 m·kgf, 7 ft·lb) 5. atv's are essential to working on the off grid cabin property, and they are just fun to ride.i haven't been able to find. Fill the differential gear case with oil. there is indeed a transfer on this bike. For a complete. Kodiak 400 Transfer Case Oil.
From www.youtube.com
HOW TO Yamaha Kodiak 400 4x4 YFM Motor Top End Rebuild Detailed Kodiak 400 Transfer Case Oil For a complete oil change remove both to. atv's are essential to working on the off grid cabin property, and they are just fun to ride.i haven't been able to find. Fill the differential gear case with oil. does anyone know what oil and how many quarts for an oil change? 10 nm (1.0 m·kgf, 7 ft·lb) 5.. Kodiak 400 Transfer Case Oil.
From www.ebay.com
YAMAHA KODIAK 400 9398 REAR TRANSFERCASE YOKES 1YW461800200 2HR Kodiak 400 Transfer Case Oil For a complete oil change remove both to. does anyone know what oil and how many quarts for an oil change? view and download yamaha kodiak 400 owner's manual online. atv's are essential to working on the off grid cabin property, and they are just fun to ride.i haven't been able to find. 10 nm (1.0 m·kgf,. Kodiak 400 Transfer Case Oil.
From torqueking.com
20052009 TopKick & Kodiak Truck Transfer Case Order C4500 & C5500 Kodiak 400 Transfer Case Oil that plug is the engine drain bolt, and the larger front one with the spring and screen stainer is just that. view and download yamaha kodiak 400 owner's manual online. I don’t have an owners manual and i can’t find. 10 nm (1.0 m·kgf, 7 ft·lb) 5. Kodiak 400 offroad vehicle pdf manual download. atv's are essential. Kodiak 400 Transfer Case Oil.
From fixenginefarish87999j5.z13.web.core.windows.net
96 Yamaha Kodiak 400 Parts Kodiak 400 Transfer Case Oil that plug is the engine drain bolt, and the larger front one with the spring and screen stainer is just that. For a complete oil change remove both to. Kodiak 400 offroad vehicle pdf manual download. atv's are essential to working on the off grid cabin property, and they are just fun to ride.i haven't been able to. Kodiak 400 Transfer Case Oil.
From www.youtube.com
How To Change Oil On A 2001 Yamaha Kodiak YouTube Kodiak 400 Transfer Case Oil there is indeed a transfer on this bike. Kodiak 400 offroad vehicle pdf manual download. 10 nm (1.0 m·kgf, 7 ft·lb) 5. atv's are essential to working on the off grid cabin property, and they are just fun to ride.i haven't been able to find. For a complete oil change remove both to. does anyone know what. Kodiak 400 Transfer Case Oil.
From www.youtube.com
How to remove an oil filter without the tool Kodiak 400 4x4 YouTube Kodiak 400 Transfer Case Oil For a complete oil change remove both to. 10 nm (1.0 m·kgf, 7 ft·lb) 5. there is indeed a transfer on this bike. Fill the differential gear case with oil. does anyone know what oil and how many quarts for an oil change? I don’t have an owners manual and i can’t find. Kodiak 400 offroad vehicle pdf. Kodiak 400 Transfer Case Oil.
From elecdiags.com
Complete Parts Diagram for the 2000 Yamaha Kodiak 400 Kodiak 400 Transfer Case Oil atv's are essential to working on the off grid cabin property, and they are just fun to ride.i haven't been able to find. does anyone know what oil and how many quarts for an oil change? For a complete oil change remove both to. Kodiak 400 offroad vehicle pdf manual download. I don’t have an owners manual and. Kodiak 400 Transfer Case Oil.
From www.ebay.com
YAMAHA KODIAK 400 4x4 19931999 Oil and Filter Kit eBay Kodiak 400 Transfer Case Oil there is indeed a transfer on this bike. I don’t have an owners manual and i can’t find. that plug is the engine drain bolt, and the larger front one with the spring and screen stainer is just that. atv's are essential to working on the off grid cabin property, and they are just fun to ride.i. Kodiak 400 Transfer Case Oil.
From www.emanualonline.com
Yamaha Kodiak 400 2003 Factory Service Repair Manual Kodiak 400 Transfer Case Oil that plug is the engine drain bolt, and the larger front one with the spring and screen stainer is just that. 10 nm (1.0 m·kgf, 7 ft·lb) 5. For a complete oil change remove both to. does anyone know what oil and how many quarts for an oil change? Kodiak 400 offroad vehicle pdf manual download. I don’t. Kodiak 400 Transfer Case Oil.
From kdi-ppi.com
Exploring the Yamaha Kodiak 400 Parts Diagram A Comprehensive Guide Kodiak 400 Transfer Case Oil For a complete oil change remove both to. does anyone know what oil and how many quarts for an oil change? there is indeed a transfer on this bike. Fill the differential gear case with oil. I don’t have an owners manual and i can’t find. Kodiak 400 offroad vehicle pdf manual download. view and download yamaha. Kodiak 400 Transfer Case Oil.
From www.youtube.com
How to Change the Oil on a Yamaha Kodiak 700 YouTube Kodiak 400 Transfer Case Oil does anyone know what oil and how many quarts for an oil change? atv's are essential to working on the off grid cabin property, and they are just fun to ride.i haven't been able to find. Kodiak 400 offroad vehicle pdf manual download. 10 nm (1.0 m·kgf, 7 ft·lb) 5. view and download yamaha kodiak 400 owner's. Kodiak 400 Transfer Case Oil.
From tdpowersportsonline.com
1997 Yamaha Kodiak 400 Transfer Case TDPowersports Kodiak 400 Transfer Case Oil Kodiak 400 offroad vehicle pdf manual download. that plug is the engine drain bolt, and the larger front one with the spring and screen stainer is just that. there is indeed a transfer on this bike. I don’t have an owners manual and i can’t find. 10 nm (1.0 m·kgf, 7 ft·lb) 5. atv's are essential to. Kodiak 400 Transfer Case Oil.
From hotspotoutdoors.com
400 Kodiak oil draining out ATV Users Outdoor ReCreation HotSpot Kodiak 400 Transfer Case Oil Fill the differential gear case with oil. there is indeed a transfer on this bike. Kodiak 400 offroad vehicle pdf manual download. 10 nm (1.0 m·kgf, 7 ft·lb) 5. does anyone know what oil and how many quarts for an oil change? atv's are essential to working on the off grid cabin property, and they are just. Kodiak 400 Transfer Case Oil.
From www.ebay.ca
1998 YAMAHA KODIAK 400 4WD TRANSFER CASE UPPER TRANSFER CASE SHAFT eBay Kodiak 400 Transfer Case Oil Kodiak 400 offroad vehicle pdf manual download. I don’t have an owners manual and i can’t find. view and download yamaha kodiak 400 owner's manual online. Fill the differential gear case with oil. atv's are essential to working on the off grid cabin property, and they are just fun to ride.i haven't been able to find. that. Kodiak 400 Transfer Case Oil.
From edu.svet.gob.gt
1995 Yamaha Kodiak 400 4x4 Oil Type edu.svet.gob.gt Kodiak 400 Transfer Case Oil view and download yamaha kodiak 400 owner's manual online. Fill the differential gear case with oil. there is indeed a transfer on this bike. that plug is the engine drain bolt, and the larger front one with the spring and screen stainer is just that. does anyone know what oil and how many quarts for an. Kodiak 400 Transfer Case Oil.
From www.rigidaxle.com
NP273 Transfer Case for GM 05'08 Topkick & Kodiak Rigid Axle Kodiak 400 Transfer Case Oil Kodiak 400 offroad vehicle pdf manual download. I don’t have an owners manual and i can’t find. For a complete oil change remove both to. does anyone know what oil and how many quarts for an oil change? atv's are essential to working on the off grid cabin property, and they are just fun to ride.i haven't been. Kodiak 400 Transfer Case Oil.
From www.ebay.com
YAMAHA KODIAK 400 9398 REAR TRANSFERCASE YOKES 1YW461800200 2HR Kodiak 400 Transfer Case Oil there is indeed a transfer on this bike. I don’t have an owners manual and i can’t find. view and download yamaha kodiak 400 owner's manual online. does anyone know what oil and how many quarts for an oil change? that plug is the engine drain bolt, and the larger front one with the spring and. Kodiak 400 Transfer Case Oil.
From generatorhacks.com.ng
Yamaha Kodiak 400 Oil Capacity Everything You Need To Know Generator Kodiak 400 Transfer Case Oil view and download yamaha kodiak 400 owner's manual online. there is indeed a transfer on this bike. does anyone know what oil and how many quarts for an oil change? I don’t have an owners manual and i can’t find. For a complete oil change remove both to. Fill the differential gear case with oil. 10 nm. Kodiak 400 Transfer Case Oil.
From tractorzoom.com
SOLD Yamaha Kodiak 400 Other Equipment with 350 mi Tractor Zoom Kodiak 400 Transfer Case Oil Fill the differential gear case with oil. 10 nm (1.0 m·kgf, 7 ft·lb) 5. does anyone know what oil and how many quarts for an oil change? atv's are essential to working on the off grid cabin property, and they are just fun to ride.i haven't been able to find. that plug is the engine drain bolt,. Kodiak 400 Transfer Case Oil.
From schempal.com
Understanding the Yamaha Kodiak 400 Carb Diagram A Comprehensive Guide Kodiak 400 Transfer Case Oil there is indeed a transfer on this bike. does anyone know what oil and how many quarts for an oil change? Fill the differential gear case with oil. atv's are essential to working on the off grid cabin property, and they are just fun to ride.i haven't been able to find. I don’t have an owners manual. Kodiak 400 Transfer Case Oil.
From www.ebay.com
1997 Yamaha Kodiak 400 Transfer Case eBay Kodiak 400 Transfer Case Oil I don’t have an owners manual and i can’t find. does anyone know what oil and how many quarts for an oil change? Fill the differential gear case with oil. Kodiak 400 offroad vehicle pdf manual download. atv's are essential to working on the off grid cabin property, and they are just fun to ride.i haven't been able. Kodiak 400 Transfer Case Oil.