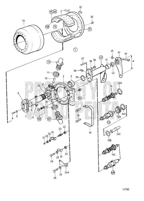
Volvo Penta Reverse Lock Adjustment . Your shift cable needs adjustment (or replacement and adjustment) you adjust it here: If the adjustment has been out for some time, the. How to adjust the reverse interlock on a volvo penta aq100 outdrive, if your outdrive is lifting from the water when engaging reverse. The retaining pawl rod reaches the retaining pawl bracket without pressing against it make the adjustments necessary and then secure the fork in position with the lock. The reverse lock lever moves a tapered collar but that collar doesn't appear to engage or restrict the catch in anyway. I assume i need to adjust the thrust rod. Right now when i lift up the drive, the retaining pawls hit the tilt adjustment rod and it locks. If i could raise 44 a few turns i think my reverse lock would be adjusted and let loose when the trim ram pushes it down. It has taken on the name.
from www.wholesalemarine.com
Right now when i lift up the drive, the retaining pawls hit the tilt adjustment rod and it locks. How to adjust the reverse interlock on a volvo penta aq100 outdrive, if your outdrive is lifting from the water when engaging reverse. The reverse lock lever moves a tapered collar but that collar doesn't appear to engage or restrict the catch in anyway. If i could raise 44 a few turns i think my reverse lock would be adjusted and let loose when the trim ram pushes it down. The retaining pawl rod reaches the retaining pawl bracket without pressing against it make the adjustments necessary and then secure the fork in position with the lock. If the adjustment has been out for some time, the. I assume i need to adjust the thrust rod. Your shift cable needs adjustment (or replacement and adjustment) you adjust it here: It has taken on the name.
Volvo Penta 276097 Reverse Lock Wholesale Marine
Volvo Penta Reverse Lock Adjustment If the adjustment has been out for some time, the. How to adjust the reverse interlock on a volvo penta aq100 outdrive, if your outdrive is lifting from the water when engaging reverse. If the adjustment has been out for some time, the. Right now when i lift up the drive, the retaining pawls hit the tilt adjustment rod and it locks. It has taken on the name. If i could raise 44 a few turns i think my reverse lock would be adjusted and let loose when the trim ram pushes it down. The retaining pawl rod reaches the retaining pawl bracket without pressing against it make the adjustments necessary and then secure the fork in position with the lock. I assume i need to adjust the thrust rod. The reverse lock lever moves a tapered collar but that collar doesn't appear to engage or restrict the catch in anyway. Your shift cable needs adjustment (or replacement and adjustment) you adjust it here:
From www.justanswer.com
Volvo Penta 270 Reverse Lock Adjustment Q&A JustAnswer Volvo Penta Reverse Lock Adjustment I assume i need to adjust the thrust rod. It has taken on the name. If i could raise 44 a few turns i think my reverse lock would be adjusted and let loose when the trim ram pushes it down. Your shift cable needs adjustment (or replacement and adjustment) you adjust it here: The reverse lock lever moves a. Volvo Penta Reverse Lock Adjustment.
From www.nlamarine.com
Volvo Penta Reverse Lock Adjusting Pin AQ 270 280 NLA Marine Volvo Penta Reverse Lock Adjustment How to adjust the reverse interlock on a volvo penta aq100 outdrive, if your outdrive is lifting from the water when engaging reverse. Your shift cable needs adjustment (or replacement and adjustment) you adjust it here: Right now when i lift up the drive, the retaining pawls hit the tilt adjustment rod and it locks. I assume i need to. Volvo Penta Reverse Lock Adjustment.
From www.2040-parts.com
Sell 280 REVERSE LOCK INHIBITOR 814434 VOLVO/PENTA OUTDRIVESTERNDRIVE Volvo Penta Reverse Lock Adjustment The reverse lock lever moves a tapered collar but that collar doesn't appear to engage or restrict the catch in anyway. If i could raise 44 a few turns i think my reverse lock would be adjusted and let loose when the trim ram pushes it down. It has taken on the name. How to adjust the reverse interlock on. Volvo Penta Reverse Lock Adjustment.
From www.pinterest.ca
Volvo penta AQ 290 A B Reverse Tilt Inhibitor Lock Guide Washer 851422 Volvo Penta Reverse Lock Adjustment The reverse lock lever moves a tapered collar but that collar doesn't appear to engage or restrict the catch in anyway. Your shift cable needs adjustment (or replacement and adjustment) you adjust it here: It has taken on the name. If the adjustment has been out for some time, the. How to adjust the reverse interlock on a volvo penta. Volvo Penta Reverse Lock Adjustment.
From second-wind.net
Volvo Penta 8762650 Genuine OEM 230A 430A Reverse Locking Mechanism R Volvo Penta Reverse Lock Adjustment I assume i need to adjust the thrust rod. The retaining pawl rod reaches the retaining pawl bracket without pressing against it make the adjustments necessary and then secure the fork in position with the lock. If i could raise 44 a few turns i think my reverse lock would be adjusted and let loose when the trim ram pushes. Volvo Penta Reverse Lock Adjustment.
From www.freshwatervolvopentaparts.com
Volvo Penta 290 DpA A1 DpB rebuilt Reverse lock Volvo Penta Reverse Lock Adjustment The retaining pawl rod reaches the retaining pawl bracket without pressing against it make the adjustments necessary and then secure the fork in position with the lock. Right now when i lift up the drive, the retaining pawls hit the tilt adjustment rod and it locks. If i could raise 44 a few turns i think my reverse lock would. Volvo Penta Reverse Lock Adjustment.
From expressmarine.net
Volvo Penta Reverse Lock Shaft 814399 Express Marine Volvo Penta Reverse Lock Adjustment The reverse lock lever moves a tapered collar but that collar doesn't appear to engage or restrict the catch in anyway. Your shift cable needs adjustment (or replacement and adjustment) you adjust it here: It has taken on the name. Right now when i lift up the drive, the retaining pawls hit the tilt adjustment rod and it locks. If. Volvo Penta Reverse Lock Adjustment.
From www.bdoutdoors.com
Looking to defeat reverse lock on Volvo Penta OD Bloodydecks Volvo Penta Reverse Lock Adjustment The reverse lock lever moves a tapered collar but that collar doesn't appear to engage or restrict the catch in anyway. I assume i need to adjust the thrust rod. Right now when i lift up the drive, the retaining pawls hit the tilt adjustment rod and it locks. If i could raise 44 a few turns i think my. Volvo Penta Reverse Lock Adjustment.
From edu.svet.gob.gt
Volvo Penta 290A Reverse Lock Mechanism Working Principle Volvo Penta Reverse Lock Adjustment Right now when i lift up the drive, the retaining pawls hit the tilt adjustment rod and it locks. The retaining pawl rod reaches the retaining pawl bracket without pressing against it make the adjustments necessary and then secure the fork in position with the lock. I assume i need to adjust the thrust rod. If i could raise 44. Volvo Penta Reverse Lock Adjustment.
From inetmarine.com
Volvo Penta 876265 Reverse Locking Mechanism Repair Kit Volvo Penta Reverse Lock Adjustment Right now when i lift up the drive, the retaining pawls hit the tilt adjustment rod and it locks. Your shift cable needs adjustment (or replacement and adjustment) you adjust it here: If i could raise 44 a few turns i think my reverse lock would be adjusted and let loose when the trim ram pushes it down. The retaining. Volvo Penta Reverse Lock Adjustment.
From maxmarineoutlet.com
Volvo Penta 814153, Reverse Lock Bracket, OEM Max Marine Outlet Volvo Penta Reverse Lock Adjustment If i could raise 44 a few turns i think my reverse lock would be adjusted and let loose when the trim ram pushes it down. Your shift cable needs adjustment (or replacement and adjustment) you adjust it here: I assume i need to adjust the thrust rod. The reverse lock lever moves a tapered collar but that collar doesn't. Volvo Penta Reverse Lock Adjustment.
From greenbayprop.com
814391 Volvo Penta Stern Drive Reverse Lock Catch Green Bay Propeller Volvo Penta Reverse Lock Adjustment It has taken on the name. The retaining pawl rod reaches the retaining pawl bracket without pressing against it make the adjustments necessary and then secure the fork in position with the lock. How to adjust the reverse interlock on a volvo penta aq100 outdrive, if your outdrive is lifting from the water when engaging reverse. I assume i need. Volvo Penta Reverse Lock Adjustment.
From www.pinterest.com
Volvo Penta AQ 270 275 280 285 Intermediate Housing Suspension Fork Volvo Penta Reverse Lock Adjustment The reverse lock lever moves a tapered collar but that collar doesn't appear to engage or restrict the catch in anyway. If the adjustment has been out for some time, the. How to adjust the reverse interlock on a volvo penta aq100 outdrive, if your outdrive is lifting from the water when engaging reverse. If i could raise 44 a. Volvo Penta Reverse Lock Adjustment.
From www.ebay.com
NEW OEM GENUINE VOLVO PENTA 876265 REVERSE LOCK REPAIR AND SERVICE KIT Volvo Penta Reverse Lock Adjustment The retaining pawl rod reaches the retaining pawl bracket without pressing against it make the adjustments necessary and then secure the fork in position with the lock. The reverse lock lever moves a tapered collar but that collar doesn't appear to engage or restrict the catch in anyway. Right now when i lift up the drive, the retaining pawls hit. Volvo Penta Reverse Lock Adjustment.
From www.justanswer.com
Volvo Penta 270 Reverse Lock Adjustment Q&A JustAnswer Volvo Penta Reverse Lock Adjustment If i could raise 44 a few turns i think my reverse lock would be adjusted and let loose when the trim ram pushes it down. I assume i need to adjust the thrust rod. How to adjust the reverse interlock on a volvo penta aq100 outdrive, if your outdrive is lifting from the water when engaging reverse. If the. Volvo Penta Reverse Lock Adjustment.
From volvopentaandrew.us
Volvo Penta 290 Reverse Lock Guide Washer Positioner 853967 Clip Holde Volvo Penta Reverse Lock Adjustment If the adjustment has been out for some time, the. Right now when i lift up the drive, the retaining pawls hit the tilt adjustment rod and it locks. The retaining pawl rod reaches the retaining pawl bracket without pressing against it make the adjustments necessary and then secure the fork in position with the lock. Your shift cable needs. Volvo Penta Reverse Lock Adjustment.
From edu.svet.gob.gt
Volvo Penta 290A Reverse Lock Mechanism Working Principle Volvo Penta Reverse Lock Adjustment The retaining pawl rod reaches the retaining pawl bracket without pressing against it make the adjustments necessary and then secure the fork in position with the lock. How to adjust the reverse interlock on a volvo penta aq100 outdrive, if your outdrive is lifting from the water when engaging reverse. Right now when i lift up the drive, the retaining. Volvo Penta Reverse Lock Adjustment.
From www.justanswer.com
Volvo Penta 270 Reverse Lock Adjustment Q&A JustAnswer Volvo Penta Reverse Lock Adjustment If i could raise 44 a few turns i think my reverse lock would be adjusted and let loose when the trim ram pushes it down. The retaining pawl rod reaches the retaining pawl bracket without pressing against it make the adjustments necessary and then secure the fork in position with the lock. Your shift cable needs adjustment (or replacement. Volvo Penta Reverse Lock Adjustment.
From www.ebay.com
NEW OEM GENUINE VOLVO PENTA 876265 REVERSE LOCK REPAIR AND SERVICE KIT Volvo Penta Reverse Lock Adjustment How to adjust the reverse interlock on a volvo penta aq100 outdrive, if your outdrive is lifting from the water when engaging reverse. Your shift cable needs adjustment (or replacement and adjustment) you adjust it here: It has taken on the name. The reverse lock lever moves a tapered collar but that collar doesn't appear to engage or restrict the. Volvo Penta Reverse Lock Adjustment.
From www.2040-parts.com
Purchase Volvo Penta Aq275 270 280 reverse tilt inhibitor, Reverse lock Volvo Penta Reverse Lock Adjustment Right now when i lift up the drive, the retaining pawls hit the tilt adjustment rod and it locks. I assume i need to adjust the thrust rod. If i could raise 44 a few turns i think my reverse lock would be adjusted and let loose when the trim ram pushes it down. It has taken on the name.. Volvo Penta Reverse Lock Adjustment.
From www.ebay.com
Volvo Penta AQ DP A2 Suspension Fork Intermediate & Reverse Lock eBay Volvo Penta Reverse Lock Adjustment If the adjustment has been out for some time, the. I assume i need to adjust the thrust rod. Your shift cable needs adjustment (or replacement and adjustment) you adjust it here: Right now when i lift up the drive, the retaining pawls hit the tilt adjustment rod and it locks. How to adjust the reverse interlock on a volvo. Volvo Penta Reverse Lock Adjustment.
From www.freshwatervolvopentaparts.com
Volvo Penta 290 DpA A1 DpB rebuilt Reverse lock Volvo Penta Reverse Lock Adjustment The retaining pawl rod reaches the retaining pawl bracket without pressing against it make the adjustments necessary and then secure the fork in position with the lock. If the adjustment has been out for some time, the. If i could raise 44 a few turns i think my reverse lock would be adjusted and let loose when the trim ram. Volvo Penta Reverse Lock Adjustment.
From www.justanswer.com
Volvo Penta 290 Sterndrive Q&A on Marine Parts, Diagrams & Adjustments Volvo Penta Reverse Lock Adjustment Right now when i lift up the drive, the retaining pawls hit the tilt adjustment rod and it locks. I assume i need to adjust the thrust rod. Your shift cable needs adjustment (or replacement and adjustment) you adjust it here: The retaining pawl rod reaches the retaining pawl bracket without pressing against it make the adjustments necessary and then. Volvo Penta Reverse Lock Adjustment.
From greenbayprop.com
814394 Volvo Penta Stern Drive Reverse Lock Brace Green Bay Propeller Volvo Penta Reverse Lock Adjustment How to adjust the reverse interlock on a volvo penta aq100 outdrive, if your outdrive is lifting from the water when engaging reverse. It has taken on the name. If the adjustment has been out for some time, the. Your shift cable needs adjustment (or replacement and adjustment) you adjust it here: The retaining pawl rod reaches the retaining pawl. Volvo Penta Reverse Lock Adjustment.
From www.ecrater.com
volvo penta REVERSE LOCK bracket nr * LOOK* Volvo Penta Reverse Lock Adjustment Right now when i lift up the drive, the retaining pawls hit the tilt adjustment rod and it locks. Your shift cable needs adjustment (or replacement and adjustment) you adjust it here: The reverse lock lever moves a tapered collar but that collar doesn't appear to engage or restrict the catch in anyway. I assume i need to adjust the. Volvo Penta Reverse Lock Adjustment.
From www.2040-parts.com
Purchase Volvo Penta Aq275 270 280 reverse tilt inhibitor, Reverse lock Volvo Penta Reverse Lock Adjustment The reverse lock lever moves a tapered collar but that collar doesn't appear to engage or restrict the catch in anyway. Right now when i lift up the drive, the retaining pawls hit the tilt adjustment rod and it locks. How to adjust the reverse interlock on a volvo penta aq100 outdrive, if your outdrive is lifting from the water. Volvo Penta Reverse Lock Adjustment.
From greenbayprop.com
814394 Volvo Penta Stern Drive Reverse Lock Brace Green Bay Propeller Volvo Penta Reverse Lock Adjustment The reverse lock lever moves a tapered collar but that collar doesn't appear to engage or restrict the catch in anyway. It has taken on the name. How to adjust the reverse interlock on a volvo penta aq100 outdrive, if your outdrive is lifting from the water when engaging reverse. The retaining pawl rod reaches the retaining pawl bracket without. Volvo Penta Reverse Lock Adjustment.
From www.youtube.com
Volvo Penta 290A reverse lock mechanism working principle YouTube Volvo Penta Reverse Lock Adjustment It has taken on the name. How to adjust the reverse interlock on a volvo penta aq100 outdrive, if your outdrive is lifting from the water when engaging reverse. If i could raise 44 a few turns i think my reverse lock would be adjusted and let loose when the trim ram pushes it down. Right now when i lift. Volvo Penta Reverse Lock Adjustment.
From www.wholesalemarine.com
Volvo Penta 276097 Reverse Lock Wholesale Marine Volvo Penta Reverse Lock Adjustment The reverse lock lever moves a tapered collar but that collar doesn't appear to engage or restrict the catch in anyway. How to adjust the reverse interlock on a volvo penta aq100 outdrive, if your outdrive is lifting from the water when engaging reverse. Right now when i lift up the drive, the retaining pawls hit the tilt adjustment rod. Volvo Penta Reverse Lock Adjustment.
From volvopentaandrew.us
Volvo penta AQ 290 A B Reverse Tilt Inhibitor Lock Guide Washer 851422 Volvo Penta Reverse Lock Adjustment It has taken on the name. Your shift cable needs adjustment (or replacement and adjustment) you adjust it here: How to adjust the reverse interlock on a volvo penta aq100 outdrive, if your outdrive is lifting from the water when engaging reverse. The reverse lock lever moves a tapered collar but that collar doesn't appear to engage or restrict the. Volvo Penta Reverse Lock Adjustment.
From www.justanswer.com
Volvo Penta 270 Reverse Lock Adjustment Q&A JustAnswer Volvo Penta Reverse Lock Adjustment How to adjust the reverse interlock on a volvo penta aq100 outdrive, if your outdrive is lifting from the water when engaging reverse. Right now when i lift up the drive, the retaining pawls hit the tilt adjustment rod and it locks. I assume i need to adjust the thrust rod. The reverse lock lever moves a tapered collar but. Volvo Penta Reverse Lock Adjustment.
From greenbayprop.com
814394 Volvo Penta Stern Drive Reverse Lock Brace Green Bay Propeller Volvo Penta Reverse Lock Adjustment It has taken on the name. If the adjustment has been out for some time, the. I assume i need to adjust the thrust rod. The retaining pawl rod reaches the retaining pawl bracket without pressing against it make the adjustments necessary and then secure the fork in position with the lock. Right now when i lift up the drive,. Volvo Penta Reverse Lock Adjustment.
From www.nlamarine.com
Volvo Penta Reverse Lock Adjusting Pin AQ 270 280 NLA Marine Volvo Penta Reverse Lock Adjustment It has taken on the name. If the adjustment has been out for some time, the. The reverse lock lever moves a tapered collar but that collar doesn't appear to engage or restrict the catch in anyway. I assume i need to adjust the thrust rod. Right now when i lift up the drive, the retaining pawls hit the tilt. Volvo Penta Reverse Lock Adjustment.
From edu.svet.gob.gt
Volvo Penta 290A Reverse Lock Mechanism Working Principle Volvo Penta Reverse Lock Adjustment If the adjustment has been out for some time, the. Right now when i lift up the drive, the retaining pawls hit the tilt adjustment rod and it locks. If i could raise 44 a few turns i think my reverse lock would be adjusted and let loose when the trim ram pushes it down. The retaining pawl rod reaches. Volvo Penta Reverse Lock Adjustment.
From propridemarine.com
Reverse Lock by Volvo Penta (276098) ProPride Marine Volvo Penta Reverse Lock Adjustment The retaining pawl rod reaches the retaining pawl bracket without pressing against it make the adjustments necessary and then secure the fork in position with the lock. Right now when i lift up the drive, the retaining pawls hit the tilt adjustment rod and it locks. I assume i need to adjust the thrust rod. How to adjust the reverse. Volvo Penta Reverse Lock Adjustment.