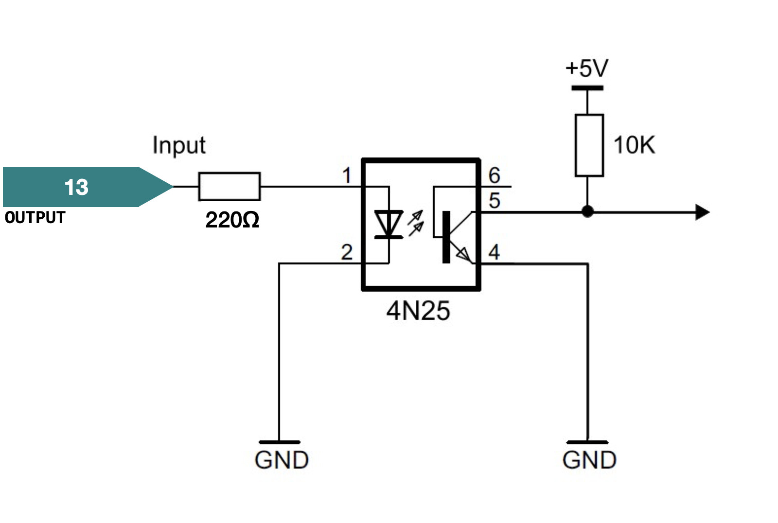
Best Optocoupler For Arduino . A basic optocoupler uses a led and a phototransistor, the brighter the led the In this entry, we will focus on optocouplers with phototransistor (normal or darlington) and photodiode + transistor. How to use an optocoupler with arduino? Moreover, a simple application is programmed that shows. The 4n35 is an optocoupler for general purpose application. When it comes to isolating your microcontroller’s sensitive little pins from high voltages, ground loops, or general noise, nothing. Using pc817 module example code, circuit, pinout library What an optocoupler does is to break the connection between signal source and signal In this type of optocouplers, the secondary behaves similarly to a switch Today in this tutorial we will see the interfacing optocoupler with arduino (4n35 or mct2e). It consists of gallium arsenide infrared led and a silicon npn phototransistor. Optocoupler is also called an optoisolator. But before that let’s see what an optoisolator or optocoupler is?
        	
		 
	 
    
         
         
        from www.ebay.com 
     
        
        Moreover, a simple application is programmed that shows. The 4n35 is an optocoupler for general purpose application. It consists of gallium arsenide infrared led and a silicon npn phototransistor. But before that let’s see what an optoisolator or optocoupler is? How to use an optocoupler with arduino? Optocoupler is also called an optoisolator. Today in this tutorial we will see the interfacing optocoupler with arduino (4n35 or mct2e). In this type of optocouplers, the secondary behaves similarly to a switch A basic optocoupler uses a led and a phototransistor, the brighter the led the When it comes to isolating your microcontroller’s sensitive little pins from high voltages, ground loops, or general noise, nothing.
    
    	
		 
	 
    5V 1/2 CH Isolated Relay Module With Optocoupler FOR Arduino PIC ARM 
    Best Optocoupler For Arduino  The 4n35 is an optocoupler for general purpose application. Using pc817 module example code, circuit, pinout library What an optocoupler does is to break the connection between signal source and signal In this entry, we will focus on optocouplers with phototransistor (normal or darlington) and photodiode + transistor. Optocoupler is also called an optoisolator. How to use an optocoupler with arduino? Moreover, a simple application is programmed that shows. It consists of gallium arsenide infrared led and a silicon npn phototransistor. The 4n35 is an optocoupler for general purpose application. When it comes to isolating your microcontroller’s sensitive little pins from high voltages, ground loops, or general noise, nothing. But before that let’s see what an optoisolator or optocoupler is? Today in this tutorial we will see the interfacing optocoupler with arduino (4n35 or mct2e). A basic optocoupler uses a led and a phototransistor, the brighter the led the In this type of optocouplers, the secondary behaves similarly to a switch
 
    
         
        From robomart.com 
                    Buy 4 Channel Isolated 5V 10A Relay Module opto coupler For Arduino PIC Best Optocoupler For Arduino  A basic optocoupler uses a led and a phototransistor, the brighter the led the But before that let’s see what an optoisolator or optocoupler is? It consists of gallium arsenide infrared led and a silicon npn phototransistor. Using pc817 module example code, circuit, pinout library In this entry, we will focus on optocouplers with phototransistor (normal or darlington) and photodiode. Best Optocoupler For Arduino.
     
    
         
        From forum.arduino.cc 
                    Optocoupler with Mosfet driver Project Guidance Arduino Forum Best Optocoupler For Arduino  When it comes to isolating your microcontroller’s sensitive little pins from high voltages, ground loops, or general noise, nothing. Today in this tutorial we will see the interfacing optocoupler with arduino (4n35 or mct2e). Optocoupler is also called an optoisolator. In this entry, we will focus on optocouplers with phototransistor (normal or darlington) and photodiode + transistor. Using pc817 module. Best Optocoupler For Arduino.
     
    
         
        From electronicspanga.com 
                    HW399 4channel Optocoupler Isolation Module For Arduino Star Best Optocoupler For Arduino  In this type of optocouplers, the secondary behaves similarly to a switch When it comes to isolating your microcontroller’s sensitive little pins from high voltages, ground loops, or general noise, nothing. It consists of gallium arsenide infrared led and a silicon npn phototransistor. Using pc817 module example code, circuit, pinout library What an optocoupler does is to break the connection. Best Optocoupler For Arduino.
     
    
         
        From global.microless.com 
                    Generic 12V 2 Channel Relay Module Interface Board Low Level Trigger Best Optocoupler For Arduino  Today in this tutorial we will see the interfacing optocoupler with arduino (4n35 or mct2e). It consists of gallium arsenide infrared led and a silicon npn phototransistor. How to use an optocoupler with arduino? A basic optocoupler uses a led and a phototransistor, the brighter the led the Moreover, a simple application is programmed that shows. In this entry, we. Best Optocoupler For Arduino.
     
    
         
        From forum.arduino.cc 
                    Use optocoupler pc817c for uart isolation Page 2 General Best Optocoupler For Arduino  A basic optocoupler uses a led and a phototransistor, the brighter the led the When it comes to isolating your microcontroller’s sensitive little pins from high voltages, ground loops, or general noise, nothing. Moreover, a simple application is programmed that shows. Today in this tutorial we will see the interfacing optocoupler with arduino (4n35 or mct2e). The 4n35 is an. Best Optocoupler For Arduino.
     
    
         
        From www.nepal.ubuy.com 
                    DAOKI LM393 Speed Measuring Sensor Module with IR Optocoupler for MCU Best Optocoupler For Arduino  Moreover, a simple application is programmed that shows. When it comes to isolating your microcontroller’s sensitive little pins from high voltages, ground loops, or general noise, nothing. Using pc817 module example code, circuit, pinout library Optocoupler is also called an optoisolator. But before that let’s see what an optoisolator or optocoupler is? How to use an optocoupler with arduino? What. Best Optocoupler For Arduino.
     
    
         
        From picclick.fr 
                    12V 8 CHANNEL Relay Module w/ Optocoupler for Arduino UNO 2560 1280 ARM Best Optocoupler For Arduino  It consists of gallium arsenide infrared led and a silicon npn phototransistor. A basic optocoupler uses a led and a phototransistor, the brighter the led the How to use an optocoupler with arduino? Today in this tutorial we will see the interfacing optocoupler with arduino (4n35 or mct2e). In this type of optocouplers, the secondary behaves similarly to a switch. Best Optocoupler For Arduino.
     
    
         
        From robomart.com 
                    Buy 4 Channel Isolated 5V 10A Relay Module opto coupler For Arduino PIC Best Optocoupler For Arduino  What an optocoupler does is to break the connection between signal source and signal A basic optocoupler uses a led and a phototransistor, the brighter the led the In this entry, we will focus on optocouplers with phototransistor (normal or darlington) and photodiode + transistor. When it comes to isolating your microcontroller’s sensitive little pins from high voltages, ground loops,. Best Optocoupler For Arduino.
     
    
         
        From forum.arduino.cc 
                    Led on with optocoupler and output General Electronics Arduino Forum Best Optocoupler For Arduino  It consists of gallium arsenide infrared led and a silicon npn phototransistor. But before that let’s see what an optoisolator or optocoupler is? Moreover, a simple application is programmed that shows. Optocoupler is also called an optoisolator. How to use an optocoupler with arduino? Today in this tutorial we will see the interfacing optocoupler with arduino (4n35 or mct2e). When. Best Optocoupler For Arduino.
     
    
         
        From robomart.com 
                    Buy 4 Channel Isolated 5V 10A Relay Module opto coupler For Arduino PIC Best Optocoupler For Arduino  It consists of gallium arsenide infrared led and a silicon npn phototransistor. In this entry, we will focus on optocouplers with phototransistor (normal or darlington) and photodiode + transistor. Moreover, a simple application is programmed that shows. Optocoupler is also called an optoisolator. A basic optocoupler uses a led and a phototransistor, the brighter the led the But before that. Best Optocoupler For Arduino.
     
    
         
        From robobazar.in 
                    4 Channel Isolated 5V 10A Relay Module opto coupler For Arduino PIC AVR Best Optocoupler For Arduino  Optocoupler is also called an optoisolator. But before that let’s see what an optoisolator or optocoupler is? A basic optocoupler uses a led and a phototransistor, the brighter the led the Today in this tutorial we will see the interfacing optocoupler with arduino (4n35 or mct2e). What an optocoupler does is to break the connection between signal source and signal. Best Optocoupler For Arduino.
     
    
         
        From shopee.co.id 
                    Jual Sensor kecepatan optocoupler for arduino raspberry Indonesia Best Optocoupler For Arduino  What an optocoupler does is to break the connection between signal source and signal How to use an optocoupler with arduino? Today in this tutorial we will see the interfacing optocoupler with arduino (4n35 or mct2e). The 4n35 is an optocoupler for general purpose application. It consists of gallium arsenide infrared led and a silicon npn phototransistor. But before that. Best Optocoupler For Arduino.
     
    
         
        From www.diymore.cc 
                    Slot Type IR Optocoupler Speed Sensor Module LM393 for Arduino diymore Best Optocoupler For Arduino  Optocoupler is also called an optoisolator. But before that let’s see what an optoisolator or optocoupler is? A basic optocoupler uses a led and a phototransistor, the brighter the led the Using pc817 module example code, circuit, pinout library What an optocoupler does is to break the connection between signal source and signal Today in this tutorial we will see. Best Optocoupler For Arduino.
     
    
         
        From www.martyncurrey.com 
                    Arduino with Optocouplers Martyn Currey Best Optocoupler For Arduino  But before that let’s see what an optoisolator or optocoupler is? When it comes to isolating your microcontroller’s sensitive little pins from high voltages, ground loops, or general noise, nothing. The 4n35 is an optocoupler for general purpose application. Optocoupler is also called an optoisolator. It consists of gallium arsenide infrared led and a silicon npn phototransistor. How to use. Best Optocoupler For Arduino.
     
    
         
        From bestengineeringprojects.com 
                    Interfacing Optocoupler with Arduino Engineering Projects Best Optocoupler For Arduino  It consists of gallium arsenide infrared led and a silicon npn phototransistor. But before that let’s see what an optoisolator or optocoupler is? A basic optocoupler uses a led and a phototransistor, the brighter the led the The 4n35 is an optocoupler for general purpose application. Moreover, a simple application is programmed that shows. In this type of optocouplers, the. Best Optocoupler For Arduino.
     
    
         
        From electronicspanga.com 
                    HW399 4channel Optocoupler Isolation Module For Arduino Star Best Optocoupler For Arduino  Today in this tutorial we will see the interfacing optocoupler with arduino (4n35 or mct2e). But before that let’s see what an optoisolator or optocoupler is? The 4n35 is an optocoupler for general purpose application. Optocoupler is also called an optoisolator. Moreover, a simple application is programmed that shows. How to use an optocoupler with arduino? A basic optocoupler uses. Best Optocoupler For Arduino.
     
    
         
        From www.ebay.com 
                    5V 1/2 CH Isolated Relay Module With Optocoupler FOR Arduino PIC ARM Best Optocoupler For Arduino  Moreover, a simple application is programmed that shows. What an optocoupler does is to break the connection between signal source and signal In this entry, we will focus on optocouplers with phototransistor (normal or darlington) and photodiode + transistor. Using pc817 module example code, circuit, pinout library The 4n35 is an optocoupler for general purpose application. It consists of gallium. Best Optocoupler For Arduino.
     
    
         
        From electronics.stackexchange.com 
                    arduino Is this the correct way of making a noninverting optocoupler Best Optocoupler For Arduino  How to use an optocoupler with arduino? The 4n35 is an optocoupler for general purpose application. Today in this tutorial we will see the interfacing optocoupler with arduino (4n35 or mct2e). Optocoupler is also called an optoisolator. When it comes to isolating your microcontroller’s sensitive little pins from high voltages, ground loops, or general noise, nothing. In this type of. Best Optocoupler For Arduino.
     
    
         
        From rytechindo.com 
                    Optocoupler Isolation Board PC817 for PLC Arduino Raspberry Pi 4Ch Best Optocoupler For Arduino  In this type of optocouplers, the secondary behaves similarly to a switch The 4n35 is an optocoupler for general purpose application. What an optocoupler does is to break the connection between signal source and signal Today in this tutorial we will see the interfacing optocoupler with arduino (4n35 or mct2e). But before that let’s see what an optoisolator or optocoupler. Best Optocoupler For Arduino.
     
    
         
        From microcontrollerslab.com 
                    PC817 Optocoupler Pinout, Working, Applications, Example with Arduino Best Optocoupler For Arduino  How to use an optocoupler with arduino? In this entry, we will focus on optocouplers with phototransistor (normal or darlington) and photodiode + transistor. Today in this tutorial we will see the interfacing optocoupler with arduino (4n35 or mct2e). In this type of optocouplers, the secondary behaves similarly to a switch Optocoupler is also called an optoisolator. But before that. Best Optocoupler For Arduino.
     
    
         
        From shopee.co.id 
                    Jual PREORDER DC 12V 10A Two 2 Channel Relay Module With optocoupler Best Optocoupler For Arduino  Today in this tutorial we will see the interfacing optocoupler with arduino (4n35 or mct2e). Using pc817 module example code, circuit, pinout library In this type of optocouplers, the secondary behaves similarly to a switch It consists of gallium arsenide infrared led and a silicon npn phototransistor. In this entry, we will focus on optocouplers with phototransistor (normal or darlington). Best Optocoupler For Arduino.
     
    
         
        From saudi.microless.com 
                    Generic 5V 2 Channel Relay Module With Optocoupler for Arduino UNO R3 Best Optocoupler For Arduino  The 4n35 is an optocoupler for general purpose application. In this type of optocouplers, the secondary behaves similarly to a switch When it comes to isolating your microcontroller’s sensitive little pins from high voltages, ground loops, or general noise, nothing. Optocoupler is also called an optoisolator. Today in this tutorial we will see the interfacing optocoupler with arduino (4n35 or. Best Optocoupler For Arduino.
     
    
         
        From forum.arduino.cc 
                    Arduino to turn on PC using Optocoupler help needed Project Guidance Best Optocoupler For Arduino  But before that let’s see what an optoisolator or optocoupler is? In this type of optocouplers, the secondary behaves similarly to a switch The 4n35 is an optocoupler for general purpose application. In this entry, we will focus on optocouplers with phototransistor (normal or darlington) and photodiode + transistor. What an optocoupler does is to break the connection between signal. Best Optocoupler For Arduino.
     
    
         
        From create.arduino.cc 
                    Arduino Using Photo Interrupter (Slotted Optocoupler) Arduino Best Optocoupler For Arduino  The 4n35 is an optocoupler for general purpose application. Today in this tutorial we will see the interfacing optocoupler with arduino (4n35 or mct2e). But before that let’s see what an optoisolator or optocoupler is? In this entry, we will focus on optocouplers with phototransistor (normal or darlington) and photodiode + transistor. When it comes to isolating your microcontroller’s sensitive. Best Optocoupler For Arduino.
     
    
         
        From forum.arduino.cc 
                    Optocoupler selection for varying voltage General Electronics Best Optocoupler For Arduino  But before that let’s see what an optoisolator or optocoupler is? How to use an optocoupler with arduino? In this type of optocouplers, the secondary behaves similarly to a switch What an optocoupler does is to break the connection between signal source and signal Moreover, a simple application is programmed that shows. The 4n35 is an optocoupler for general purpose. Best Optocoupler For Arduino.
     
    
         
        From www.myxxgirl.com 
                    Interfacing Pc Channel Optocoupler Module With Arduino My XXX Hot Girl Best Optocoupler For Arduino  The 4n35 is an optocoupler for general purpose application. In this type of optocouplers, the secondary behaves similarly to a switch Optocoupler is also called an optoisolator. Moreover, a simple application is programmed that shows. In this entry, we will focus on optocouplers with phototransistor (normal or darlington) and photodiode + transistor. When it comes to isolating your microcontroller’s sensitive. Best Optocoupler For Arduino.
     
    
         
        From electronicspanga.com 
                    HW399 4channel Optocoupler Isolation Module For Arduino Star Best Optocoupler For Arduino  In this type of optocouplers, the secondary behaves similarly to a switch What an optocoupler does is to break the connection between signal source and signal Optocoupler is also called an optoisolator. When it comes to isolating your microcontroller’s sensitive little pins from high voltages, ground loops, or general noise, nothing. Using pc817 module example code, circuit, pinout library A. Best Optocoupler For Arduino.
     
    
         
        From arduino.stackexchange.com 
                    uart Serial communication with 2 Arduinos and one optocoupler Best Optocoupler For Arduino  In this entry, we will focus on optocouplers with phototransistor (normal or darlington) and photodiode + transistor. Moreover, a simple application is programmed that shows. It consists of gallium arsenide infrared led and a silicon npn phototransistor. How to use an optocoupler with arduino? What an optocoupler does is to break the connection between signal source and signal Today in. Best Optocoupler For Arduino.
     
    
         
        From forum.arduino.cc 
                    Help me understanding how optocoupler works General Electronics Best Optocoupler For Arduino  Today in this tutorial we will see the interfacing optocoupler with arduino (4n35 or mct2e). In this type of optocouplers, the secondary behaves similarly to a switch Optocoupler is also called an optoisolator. But before that let’s see what an optoisolator or optocoupler is? What an optocoupler does is to break the connection between signal source and signal How to. Best Optocoupler For Arduino.
     
    
         
        From www.pinterest.com 
                    40 best images about Optocoupler on Pinterest Arduino, Electronics Best Optocoupler For Arduino  A basic optocoupler uses a led and a phototransistor, the brighter the led the In this entry, we will focus on optocouplers with phototransistor (normal or darlington) and photodiode + transistor. But before that let’s see what an optoisolator or optocoupler is? In this type of optocouplers, the secondary behaves similarly to a switch How to use an optocoupler with. Best Optocoupler For Arduino.
     
    
         
        From mschoeffler.com 
                    Optocoupler Isolation Board DST1R4PN (+ Arduino Tutorial) Michael Best Optocoupler For Arduino  The 4n35 is an optocoupler for general purpose application. When it comes to isolating your microcontroller’s sensitive little pins from high voltages, ground loops, or general noise, nothing. What an optocoupler does is to break the connection between signal source and signal A basic optocoupler uses a led and a phototransistor, the brighter the led the Today in this tutorial. Best Optocoupler For Arduino.
     
    
         
        From robomart.com 
                    Buy 8 Channel Isolated 5V 10A Relay Module opto coupler For Arduino PIC Best Optocoupler For Arduino  Today in this tutorial we will see the interfacing optocoupler with arduino (4n35 or mct2e). Moreover, a simple application is programmed that shows. What an optocoupler does is to break the connection between signal source and signal Optocoupler is also called an optoisolator. It consists of gallium arsenide infrared led and a silicon npn phototransistor. The 4n35 is an optocoupler. Best Optocoupler For Arduino.
     
    
         
        From forum.arduino.cc 
                    Optocoupler for input Programming Questions Arduino Forum Best Optocoupler For Arduino  When it comes to isolating your microcontroller’s sensitive little pins from high voltages, ground loops, or general noise, nothing. It consists of gallium arsenide infrared led and a silicon npn phototransistor. But before that let’s see what an optoisolator or optocoupler is? How to use an optocoupler with arduino? In this entry, we will focus on optocouplers with phototransistor (normal. Best Optocoupler For Arduino.
     
    
         
        From warehousesoverstock.com 
                    Huayao 2pcs 4 Channel DC 5V Relay Module with Optocoupler for Arduino Best Optocoupler For Arduino  Using pc817 module example code, circuit, pinout library It consists of gallium arsenide infrared led and a silicon npn phototransistor. How to use an optocoupler with arduino? Moreover, a simple application is programmed that shows. In this type of optocouplers, the secondary behaves similarly to a switch What an optocoupler does is to break the connection between signal source and. Best Optocoupler For Arduino.
     
    
         
        From bestengineeringprojects.com 
                    Interfacing Optocoupler with Arduino Engineering Projects Best Optocoupler For Arduino  Today in this tutorial we will see the interfacing optocoupler with arduino (4n35 or mct2e). How to use an optocoupler with arduino? Optocoupler is also called an optoisolator. But before that let’s see what an optoisolator or optocoupler is? Moreover, a simple application is programmed that shows. In this entry, we will focus on optocouplers with phototransistor (normal or darlington). Best Optocoupler For Arduino.