Power Supply Mosfet Circuit . This note is part of a series of application notes that define the fundamental behavior of mosfets, both as standalone. Today, millions of mosfet transistors are integrated in modern electronic components, from microprocessors, through “discrete” power. In common with all power semiconductor devices, power mosfets have their own technical strengths, weaknesses and subtleties, which. This simple mosfet controlled transformerless power supply circuit can be used for delivering a continuously variable 0 to 300v dc output and a current control.
from www.eleccircuit.com
This note is part of a series of application notes that define the fundamental behavior of mosfets, both as standalone. This simple mosfet controlled transformerless power supply circuit can be used for delivering a continuously variable 0 to 300v dc output and a current control. Today, millions of mosfet transistors are integrated in modern electronic components, from microprocessors, through “discrete” power. In common with all power semiconductor devices, power mosfets have their own technical strengths, weaknesses and subtleties, which.
200 watt mosfet amplifier circuit to 300W on class G Projects circuits
Power Supply Mosfet Circuit Today, millions of mosfet transistors are integrated in modern electronic components, from microprocessors, through “discrete” power. In common with all power semiconductor devices, power mosfets have their own technical strengths, weaknesses and subtleties, which. Today, millions of mosfet transistors are integrated in modern electronic components, from microprocessors, through “discrete” power. This simple mosfet controlled transformerless power supply circuit can be used for delivering a continuously variable 0 to 300v dc output and a current control. This note is part of a series of application notes that define the fundamental behavior of mosfets, both as standalone.
From www.pinterest.com
Power Supply Circuit for 600W Mosfet Power Amplifier Power amplifiers, Power supply circuit Power Supply Mosfet Circuit This simple mosfet controlled transformerless power supply circuit can be used for delivering a continuously variable 0 to 300v dc output and a current control. Today, millions of mosfet transistors are integrated in modern electronic components, from microprocessors, through “discrete” power. This note is part of a series of application notes that define the fundamental behavior of mosfets, both as. Power Supply Mosfet Circuit.
From www.circuits-diy.com
100 Watt MOSFET Power Amplifier Circuit using IRFP240 Power Supply Mosfet Circuit In common with all power semiconductor devices, power mosfets have their own technical strengths, weaknesses and subtleties, which. This simple mosfet controlled transformerless power supply circuit can be used for delivering a continuously variable 0 to 300v dc output and a current control. Today, millions of mosfet transistors are integrated in modern electronic components, from microprocessors, through “discrete” power. This. Power Supply Mosfet Circuit.
From www.instructables.com
Variable Voltage Power Supply Circuit Using IRFZ44N Mosfet 5 Steps Instructables Power Supply Mosfet Circuit This simple mosfet controlled transformerless power supply circuit can be used for delivering a continuously variable 0 to 300v dc output and a current control. Today, millions of mosfet transistors are integrated in modern electronic components, from microprocessors, through “discrete” power. This note is part of a series of application notes that define the fundamental behavior of mosfets, both as. Power Supply Mosfet Circuit.
From www.pcb-hero.com
Designing Power MOSFET Circuits PCB HERO Power Supply Mosfet Circuit This note is part of a series of application notes that define the fundamental behavior of mosfets, both as standalone. Today, millions of mosfet transistors are integrated in modern electronic components, from microprocessors, through “discrete” power. This simple mosfet controlled transformerless power supply circuit can be used for delivering a continuously variable 0 to 300v dc output and a current. Power Supply Mosfet Circuit.
From www.onelectrontech.com
MOSFETs for Load Switch Applications OnElectronTech Power Supply Mosfet Circuit This note is part of a series of application notes that define the fundamental behavior of mosfets, both as standalone. In common with all power semiconductor devices, power mosfets have their own technical strengths, weaknesses and subtleties, which. Today, millions of mosfet transistors are integrated in modern electronic components, from microprocessors, through “discrete” power. This simple mosfet controlled transformerless power. Power Supply Mosfet Circuit.
From www.microtype.io
Designing Power MOSFET Circuits MicroType Engineering Power Supply Mosfet Circuit This note is part of a series of application notes that define the fundamental behavior of mosfets, both as standalone. This simple mosfet controlled transformerless power supply circuit can be used for delivering a continuously variable 0 to 300v dc output and a current control. In common with all power semiconductor devices, power mosfets have their own technical strengths, weaknesses. Power Supply Mosfet Circuit.
From www.caretxdigital.com
mosfet diagrams Wiring Diagram and Schematics Power Supply Mosfet Circuit In common with all power semiconductor devices, power mosfets have their own technical strengths, weaknesses and subtleties, which. Today, millions of mosfet transistors are integrated in modern electronic components, from microprocessors, through “discrete” power. This note is part of a series of application notes that define the fundamental behavior of mosfets, both as standalone. This simple mosfet controlled transformerless power. Power Supply Mosfet Circuit.
From circuits-diy.com
Inverter Circuit using IRFZ44 Mosfets DIY Electronics Power Supply Mosfet Circuit In common with all power semiconductor devices, power mosfets have their own technical strengths, weaknesses and subtleties, which. Today, millions of mosfet transistors are integrated in modern electronic components, from microprocessors, through “discrete” power. This note is part of a series of application notes that define the fundamental behavior of mosfets, both as standalone. This simple mosfet controlled transformerless power. Power Supply Mosfet Circuit.
From www.circuit-diagram.org
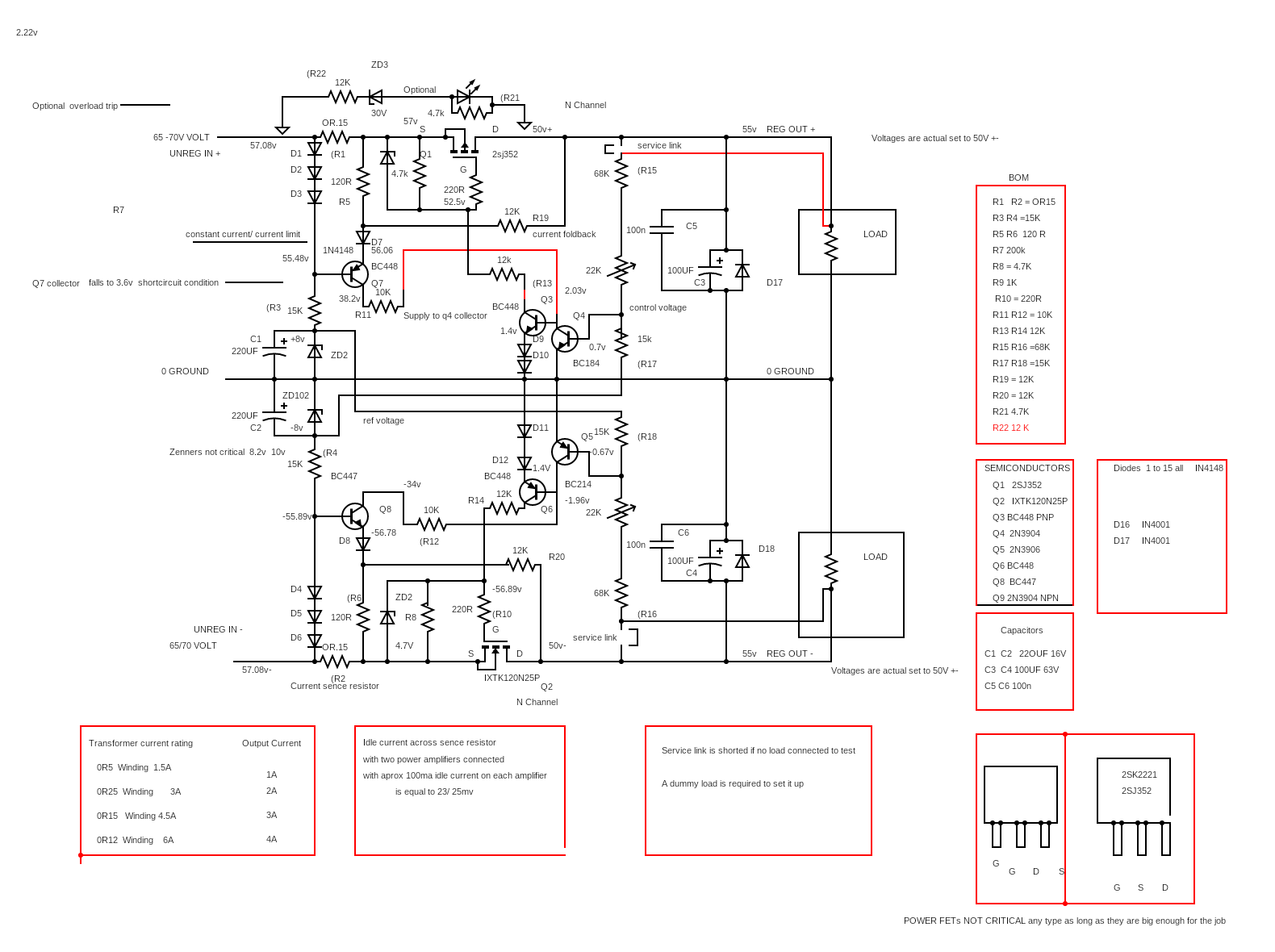
Dual stablised power supply MOSFET VERSION Circuits Circuit Diagram Power Supply Mosfet Circuit This note is part of a series of application notes that define the fundamental behavior of mosfets, both as standalone. In common with all power semiconductor devices, power mosfets have their own technical strengths, weaknesses and subtleties, which. This simple mosfet controlled transformerless power supply circuit can be used for delivering a continuously variable 0 to 300v dc output and. Power Supply Mosfet Circuit.
From www.eleccircuit.com
200 watt mosfet amplifier circuit to 300W on class G Projects circuits Power Supply Mosfet Circuit This note is part of a series of application notes that define the fundamental behavior of mosfets, both as standalone. Today, millions of mosfet transistors are integrated in modern electronic components, from microprocessors, through “discrete” power. In common with all power semiconductor devices, power mosfets have their own technical strengths, weaknesses and subtleties, which. This simple mosfet controlled transformerless power. Power Supply Mosfet Circuit.
From www.circuitdiagram.co
Mosfet Power Switch Circuit Circuit Diagram Power Supply Mosfet Circuit This simple mosfet controlled transformerless power supply circuit can be used for delivering a continuously variable 0 to 300v dc output and a current control. Today, millions of mosfet transistors are integrated in modern electronic components, from microprocessors, through “discrete” power. In common with all power semiconductor devices, power mosfets have their own technical strengths, weaknesses and subtleties, which. This. Power Supply Mosfet Circuit.
From www.eleccircuit.com
Make Simple 555 Inverter circuit using MOSFET Power Supply Mosfet Circuit In common with all power semiconductor devices, power mosfets have their own technical strengths, weaknesses and subtleties, which. This simple mosfet controlled transformerless power supply circuit can be used for delivering a continuously variable 0 to 300v dc output and a current control. Today, millions of mosfet transistors are integrated in modern electronic components, from microprocessors, through “discrete” power. This. Power Supply Mosfet Circuit.
From mungfali.com
High Current Mosfet Transformerless Power Supply Circuit 1AE Power Supply Mosfet Circuit This note is part of a series of application notes that define the fundamental behavior of mosfets, both as standalone. In common with all power semiconductor devices, power mosfets have their own technical strengths, weaknesses and subtleties, which. Today, millions of mosfet transistors are integrated in modern electronic components, from microprocessors, through “discrete” power. This simple mosfet controlled transformerless power. Power Supply Mosfet Circuit.
From www.youtube.com
How to Make Mosfet Controlled Adjustable Power Supply 60V /50A YouTube Power Supply Mosfet Circuit This simple mosfet controlled transformerless power supply circuit can be used for delivering a continuously variable 0 to 300v dc output and a current control. This note is part of a series of application notes that define the fundamental behavior of mosfets, both as standalone. In common with all power semiconductor devices, power mosfets have their own technical strengths, weaknesses. Power Supply Mosfet Circuit.
From www.seekic.com
The power MOSFET isolated gate drive circuit Basic_Circuit Circuit Diagram Power Supply Mosfet Circuit This note is part of a series of application notes that define the fundamental behavior of mosfets, both as standalone. Today, millions of mosfet transistors are integrated in modern electronic components, from microprocessors, through “discrete” power. In common with all power semiconductor devices, power mosfets have their own technical strengths, weaknesses and subtleties, which. This simple mosfet controlled transformerless power. Power Supply Mosfet Circuit.
From itecnotes.com
Switch Power Supply at 24V using MOSFETs Valuable Tech Notes Power Supply Mosfet Circuit In common with all power semiconductor devices, power mosfets have their own technical strengths, weaknesses and subtleties, which. This note is part of a series of application notes that define the fundamental behavior of mosfets, both as standalone. Today, millions of mosfet transistors are integrated in modern electronic components, from microprocessors, through “discrete” power. This simple mosfet controlled transformerless power. Power Supply Mosfet Circuit.
From circuitenginelilium101.z21.web.core.windows.net
Designing Power Mosfet Circuits Power Supply Mosfet Circuit This simple mosfet controlled transformerless power supply circuit can be used for delivering a continuously variable 0 to 300v dc output and a current control. This note is part of a series of application notes that define the fundamental behavior of mosfets, both as standalone. Today, millions of mosfet transistors are integrated in modern electronic components, from microprocessors, through “discrete”. Power Supply Mosfet Circuit.
From itecnotes.com
MOSFET Reverse Polarity Protection in Power Supply Valuable Tech Notes Power Supply Mosfet Circuit In common with all power semiconductor devices, power mosfets have their own technical strengths, weaknesses and subtleties, which. Today, millions of mosfet transistors are integrated in modern electronic components, from microprocessors, through “discrete” power. This note is part of a series of application notes that define the fundamental behavior of mosfets, both as standalone. This simple mosfet controlled transformerless power. Power Supply Mosfet Circuit.
From electricala2z.com
MOSFET Types Working Applications Electrical A2Z Power Supply Mosfet Circuit This simple mosfet controlled transformerless power supply circuit can be used for delivering a continuously variable 0 to 300v dc output and a current control. Today, millions of mosfet transistors are integrated in modern electronic components, from microprocessors, through “discrete” power. In common with all power semiconductor devices, power mosfets have their own technical strengths, weaknesses and subtleties, which. This. Power Supply Mosfet Circuit.
From www.circuitstoday.com
100W MOSFET power amplifier circuit using IRFP240, IRFP9240 Power Supply Mosfet Circuit In common with all power semiconductor devices, power mosfets have their own technical strengths, weaknesses and subtleties, which. This simple mosfet controlled transformerless power supply circuit can be used for delivering a continuously variable 0 to 300v dc output and a current control. This note is part of a series of application notes that define the fundamental behavior of mosfets,. Power Supply Mosfet Circuit.
From circuitmanualgrunewald.z21.web.core.windows.net
Mosfet Power Supply Circuit Diagram Power Supply Mosfet Circuit Today, millions of mosfet transistors are integrated in modern electronic components, from microprocessors, through “discrete” power. This simple mosfet controlled transformerless power supply circuit can be used for delivering a continuously variable 0 to 300v dc output and a current control. In common with all power semiconductor devices, power mosfets have their own technical strengths, weaknesses and subtleties, which. This. Power Supply Mosfet Circuit.
From itecnotes.com
Electrical HighPower Switching using MOSFETs Valuable Tech Notes Power Supply Mosfet Circuit In common with all power semiconductor devices, power mosfets have their own technical strengths, weaknesses and subtleties, which. Today, millions of mosfet transistors are integrated in modern electronic components, from microprocessors, through “discrete” power. This note is part of a series of application notes that define the fundamental behavior of mosfets, both as standalone. This simple mosfet controlled transformerless power. Power Supply Mosfet Circuit.
From www.nutsvolts.com
Power MOSFETs Part 2 Nuts & Volts Magazine Power Supply Mosfet Circuit In common with all power semiconductor devices, power mosfets have their own technical strengths, weaknesses and subtleties, which. Today, millions of mosfet transistors are integrated in modern electronic components, from microprocessors, through “discrete” power. This note is part of a series of application notes that define the fundamental behavior of mosfets, both as standalone. This simple mosfet controlled transformerless power. Power Supply Mosfet Circuit.
From circuitsstream.blogspot.com
Power Mosfet Inverter Circuit Diagram Electronic Circuit Diagrams & Schematics Power Supply Mosfet Circuit In common with all power semiconductor devices, power mosfets have their own technical strengths, weaknesses and subtleties, which. Today, millions of mosfet transistors are integrated in modern electronic components, from microprocessors, through “discrete” power. This simple mosfet controlled transformerless power supply circuit can be used for delivering a continuously variable 0 to 300v dc output and a current control. This. Power Supply Mosfet Circuit.
From www.circuitdiagram.co
Mosfet Power Supply Circuit Diagram Circuit Diagram Power Supply Mosfet Circuit In common with all power semiconductor devices, power mosfets have their own technical strengths, weaknesses and subtleties, which. This note is part of a series of application notes that define the fundamental behavior of mosfets, both as standalone. This simple mosfet controlled transformerless power supply circuit can be used for delivering a continuously variable 0 to 300v dc output and. Power Supply Mosfet Circuit.
From tronicspro.com
Variable Power supply 0v60v IRFP250N Mosfet TRONICSpro Power Supply Mosfet Circuit Today, millions of mosfet transistors are integrated in modern electronic components, from microprocessors, through “discrete” power. This simple mosfet controlled transformerless power supply circuit can be used for delivering a continuously variable 0 to 300v dc output and a current control. This note is part of a series of application notes that define the fundamental behavior of mosfets, both as. Power Supply Mosfet Circuit.
From www.microtype.io
Designing Power MOSFET Circuits MicroType Engineering Power Supply Mosfet Circuit In common with all power semiconductor devices, power mosfets have their own technical strengths, weaknesses and subtleties, which. Today, millions of mosfet transistors are integrated in modern electronic components, from microprocessors, through “discrete” power. This note is part of a series of application notes that define the fundamental behavior of mosfets, both as standalone. This simple mosfet controlled transformerless power. Power Supply Mosfet Circuit.
From www.seekic.com
Mosfet stabilized power supply Power_Supply_Circuit Circuit Diagram Power Supply Mosfet Circuit This note is part of a series of application notes that define the fundamental behavior of mosfets, both as standalone. In common with all power semiconductor devices, power mosfets have their own technical strengths, weaknesses and subtleties, which. This simple mosfet controlled transformerless power supply circuit can be used for delivering a continuously variable 0 to 300v dc output and. Power Supply Mosfet Circuit.
From userlistsnowdrifts.z21.web.core.windows.net
Designing Power Mosfet Circuits Power Supply Mosfet Circuit This simple mosfet controlled transformerless power supply circuit can be used for delivering a continuously variable 0 to 300v dc output and a current control. In common with all power semiconductor devices, power mosfets have their own technical strengths, weaknesses and subtleties, which. Today, millions of mosfet transistors are integrated in modern electronic components, from microprocessors, through “discrete” power. This. Power Supply Mosfet Circuit.
From circuitdigest.com
Simple MOSFET Switching Circuit How to turn on / turn off NChannel and Pchannel MOSFETs Power Supply Mosfet Circuit In common with all power semiconductor devices, power mosfets have their own technical strengths, weaknesses and subtleties, which. This note is part of a series of application notes that define the fundamental behavior of mosfets, both as standalone. This simple mosfet controlled transformerless power supply circuit can be used for delivering a continuously variable 0 to 300v dc output and. Power Supply Mosfet Circuit.
From www.homemade-circuits.com
Single Mosfet Class A Power Amplifier Circuit Homemade Circuit Projects Power Supply Mosfet Circuit Today, millions of mosfet transistors are integrated in modern electronic components, from microprocessors, through “discrete” power. In common with all power semiconductor devices, power mosfets have their own technical strengths, weaknesses and subtleties, which. This note is part of a series of application notes that define the fundamental behavior of mosfets, both as standalone. This simple mosfet controlled transformerless power. Power Supply Mosfet Circuit.
From www.youtube.com
How to make a adjustable power supply using P channel power mosfet YouTube Power Supply Mosfet Circuit This note is part of a series of application notes that define the fundamental behavior of mosfets, both as standalone. Today, millions of mosfet transistors are integrated in modern electronic components, from microprocessors, through “discrete” power. In common with all power semiconductor devices, power mosfets have their own technical strengths, weaknesses and subtleties, which. This simple mosfet controlled transformerless power. Power Supply Mosfet Circuit.
From manualdataurethral.z13.web.core.windows.net
Mosfet Power Amplifier Circuit Diagrams Power Supply Mosfet Circuit This simple mosfet controlled transformerless power supply circuit can be used for delivering a continuously variable 0 to 300v dc output and a current control. Today, millions of mosfet transistors are integrated in modern electronic components, from microprocessors, through “discrete” power. In common with all power semiconductor devices, power mosfets have their own technical strengths, weaknesses and subtleties, which. This. Power Supply Mosfet Circuit.
From wiringdiagramneif.z13.web.core.windows.net
Power Mosfet Circuit Diagram Power Supply Mosfet Circuit Today, millions of mosfet transistors are integrated in modern electronic components, from microprocessors, through “discrete” power. In common with all power semiconductor devices, power mosfets have their own technical strengths, weaknesses and subtleties, which. This note is part of a series of application notes that define the fundamental behavior of mosfets, both as standalone. This simple mosfet controlled transformerless power. Power Supply Mosfet Circuit.
From electel.blogspot.com
NChannel MOSFET HighSide Drive When, Why and How? Power Supply Mosfet Circuit This note is part of a series of application notes that define the fundamental behavior of mosfets, both as standalone. In common with all power semiconductor devices, power mosfets have their own technical strengths, weaknesses and subtleties, which. This simple mosfet controlled transformerless power supply circuit can be used for delivering a continuously variable 0 to 300v dc output and. Power Supply Mosfet Circuit.